СЦБИСТ - железнодорожный форум, блоги, фотогалерея, социальная сеть
Ушел из жизни Крупицкий Адольф Зельманович
6 февраля 2026 года ушел из жизни Крупицкий Адольф Зельманович, более шести десятков лет проработавший в институте «Гипротранссигналсвязь». Всю свою трудовую деятельность А.З. Крупицкий посвятил проектному делу. После окончанию обучения в Ленинградском институте инженеров железнодорожного транспорта в 1959 году начал свою профессиональную деятельность в качестве старшего электромеханика дистанции сигнализации и связи на Казахской железной дороге. В 1960 году пришел на работу в институт на должность инженера, работал руководителем группы, главным инженером проектов.

Читать далее
Вернуться   СЦБИСТ - железнодорожный форум, блоги, фотогалерея, социальная сеть > Уголок СЦБИСТа > Книги и журналы > xx2
Закладки ДневникиПоддержка Сообщество Комментарии к фото Сообщения за день
Ответить в этой теме   Перейти в раздел этой темы    
 
В мои закладки Подписка на тему по электронной почте Отправить другу по электронной почте Опции темы Поиск в этой теме
Старый 16.05.2015, 22:25   #1 (ссылка)
Кандидат в V.I.P.
 
Аватар для poster444

Регистрация: 15.05.2015
Сообщений: 209
Поблагодарил: 0 раз(а)
Поблагодарили 6 раз(а)
Фотоальбомы: не добавлял
Репутация: -5

Тема: [12-1999] Ресурсосбережение- веление времени


Ресурсосбережение- веление времени

ЗАЩИТА ВНУТРЕННЕЙ ПОВЕРХНОСТИ ТРУБ

Кажется, работники отделов главного механика предприятий могут с облегчением вздохнуть — решена одна из сложнейших проблем в эксплуатации деповского хозяйства.
Новосибирские ученые и инженеры-железнодорожники разработали экспериментальную установку для нанесения цементно-песчаной облицовки на внутреннюю поверхность труб.
Это оборудование предназначено для защиты стальных труб от коррозии. Для создания внутренней облицовки применен метод сухого формирования. В качестве защитного материала выступает песчаный бетон. Сухая минеральная смесь и вода транспортируются автономно. Отпадает необходимость в заготовке цементно-песчаного раствора.
Годовой экономический эффект может исчисляться несколькими миллионами рублей.
Техническая характеристика
Диаметр облицовываемых труб,мм............100 — 300
Толщина облицовки, мм...........................5 — 7
Скорость нанесения покрытия, м/мин........0,5

“БЛОК — ПРИБОР — ПРОСТАВКА” КОНТРОЛИРУЕТ РАБОТУ ОБЪЕДИНЕННОГО РЕГУЛЯТОРА ДИЗЕЛЯ

Рационализаторы депо Анисовка Приволжской дороги предложили “блок — прибор — проставку’’ (рис. 1 и 2) для определения неисправности работы объединенного регулятора, устанавливаемого на дизелях 10Д100 тепловозов 2ТЭ10 и ЗТЭ10.
“Блок — прибор — проставка” определяет неисправность электросхемы и контролирует работу объединенного регулятора числа оборотов дизеля на заданной позиции контроллера.
При подключении “блок — прибора” набор позиций можно осуществлять тумблерами переключения, не прибегая к помощи контроллера.
Переключением тумблеров на одну или другую позицию частоту вращения вала дизеля можно плавно повышать или снижать. Проверка ведется по таблице блока и по загоранию светодиодов.
Оборудование изготовлено из пресс-материала и имеет изоляционное основание.
По краям основания блока смонтированы разборные и разъемные колодки, которые представляют со¬бой набор изоляционных контактных зажимов, собранных на одной стяжной шпильке.
На лицевой части прибора находится панель с цифровым обозначением позиции контроллера от 0 до 15 и имеется схема переключения электромагнитов МР-1, 2, 3, 4, 5 для видимого контроля работы электросхемы.
Контроль ведется по показаниям загорания светодиодов.
Внутри блок-панели выполнена схема. Установлено также регулирование и управление цепями.
Пять тумблеров П2Т-1 применяются для коммутации электрической цепи прибора.
В схему вмонтированы резисторы МПТ-2 Вт, 3,3 кОм. Они гасят остаточное напряжение питания светодиодов НД-307, а также защищают от перегорания и выхода из строя диодов КД-105Д в цепи «плюса». Уменьшают они и токи самоиндукции остаточного импульса э.д.с. в момент отключения электромагнитов, установленных в регуляторе частоты оборотов МР-1Б.
Выполненный монтаж прибора и расположение электрооборудования удобны для обслуживания.
При этом соблюдены максимально возможные компактность, защита от загрязнений и повреждений,а также безопасность эксплуатации.
Предлагаемый прибор улучшает качество ремонта РЧО дизеля 10Д100, дает возможность регулировать его обороты непосредственно на рабочем месте.

СЛИВ МАСЛА ИЗ ВОЗДУШНОГО РЕСИВЕРА В КАРТЕР ДИЗЕЛЯ

Рационализаторы депо Волгоград Приволжской дороги изменили технологию слива масла из воздушного ресивера в картер дизеля тепловоза ТЭП60. Ранее оно сливалось в отработку. Теперь в целях экономии и исключения случаев потерь при эксплуатации тепловозов ТЭП60 предложено изменение в системе слива дизельного масла из воздушного ресивера в маслосборные емкости (рис. 3).
Принцип действия основан на создании давления воздуха в маслосборном бачке, вследствие чего масло выдавливается сквозь открытые вентили в картер дизеля через фильтры.
Изменения состоят в том, что исключены маслосборные емкости и отфильтрованное масло перекачивается непосредственно в картер дизеля. Для этого необходимы переоборудование подводящих трубопроводов, изготовление корпусов фильтров, штуцеров и непосредственная врезка в картерные лючки блока дизеля с обеих его сторон. При изготовлении используются металлические поковки 1/г'ТРУ' бы, фильтры тонкой очистки масла гидросистемы тепловоза ТЭП60, а также дюритовые рукава диаметром 1/2".
Система предполагает неоднократное использование элементов фильтров, легко монтируется и обслуживается.

СТЕНД ДЛЯ ДЕФЕКТОСКОПИИ КОЛЕСНЫХ ПАР

На Приволжской магистрали разработан новый стенд (см. рис. 4).
Он предназначен для дефектоскопии осей колесных пар локомотивов. Оборудование состоит из основания, на котором крепятся два лоддерживающих и два приводных ролика. Последние приводятся во вращение рукояткой 10 через цепную 9 и зубчатую 8 передачи. На основании крепится колонна 2 с поворотной консолью 3. По ее направляющим вдоль оси перемещается подвижная каретка 4. На ней подвешен дефектоскоп и противовес, облегчающий перемещение измерительного прибора вверх и вниз. На основании также устанавливается поддон 6 для сбора магнитной смеси.
Техническая характеристика
Привод............................................ ........................ручной
Момент, создаваемый рабочим на ру-коятке, Нм........100
Габаритные размеры, мм:
длина...........2670
ширина........1150
высота.........2385

УСТАНОВКА ДЛЯ ВНЕВАННОГО ЖЕЛЕЗНЕНИЯ

В депо Саратов Приволжской дороги внедрена установка для вневанного железнения (рис. 5).
Она предназначена для восстановления преимущественно внутренних посадочных корпусных деталей, в том числе крупногабаритных, методом электролитического проточного железнения.
Оборудование включает в себя стальную емкость с электролитом 1, футерованную винипластом изнутри и разделенную на два отсека перегородкой 2 и съемным рамочным 2-слойным фильтром 3 из хлориновой фильтровальной ткани. Во втором отсеке размещен центробежный кислотостойкий насос 4, установленный на текстолитовой панели 5. На ней на подставках находится промежуточный резервуар из винипласта 6 с датчиками уровней 7, 8 и ниппелей с гибким шлангом 9. Над первым отсеком размещается наклонная реечная площадка 10 для восстанавливаемых деталей.
Исходная корпусная деталь размещается на площадке 10 и подключается к отрицательному зажиму источника тока. При помощи резиновой пробки-мембраны из восстанавливаемых стенок детали образуется ячейка или ячейки. В их середину помещается цилиндрический анод из стали 10, при этом выдерживается соотношение площадей катода и анода 1,5 — 2. Электролит насосом по рукаву 11 подается в промежуточный резервуар 6, где датчиками поддерживается определенный его уровень. Из резервуара жидкость самотеком попадает в ячейку, обеспечивая постоянную подпитку ее свежим электролитом.
Отработанный концентрат вытесняется новым и стекает в первый отсек установки. Анод подключен к положительному полюсу источника тока. Стенки ячеек являются катодом, на них и происходит осаждение железа.
Для ремонта крупногабаритных корпусных деталей без демонтажа установка выполнена в передвижном варианте.
Внедрение предложения позволяет восстанавливать отверстия под установку валов, подшипников в крупногабаритных деталях, значительно продлевает срок службы корпусных деталей.

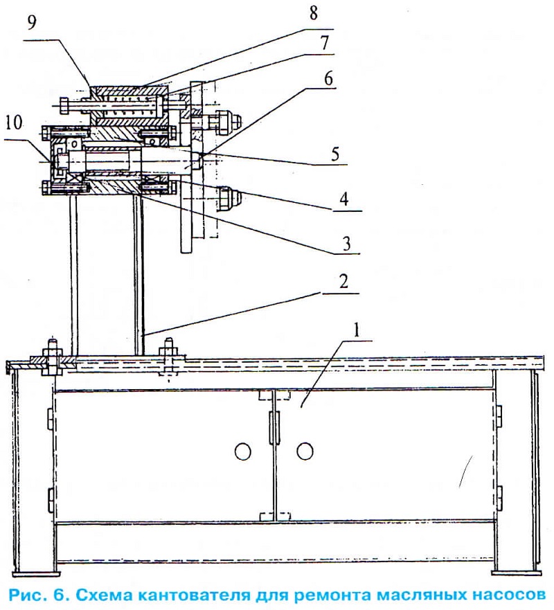
КАНТОВАТЕЛЬ ДЛЯ РЕМОНТА МАСЛЯНЫХНАСОСОВ

Инженеры Приволжской магистрали создали новый кантователь масляных насосов. Он предназначен для разборки, ремонта и сборки насосов производительностью 95 м3/ч, 120 м3/ч дизелей Д100.
Оборудование (рис. 6) состоит из стола-верстака 1, вала в сборе с дисками 6, корпуса 5, стопора направляющей 8, пружины 7, переходного диска.
Закрепленный насос поворачивают вручную. От него вращение передается через шпильки и диски на вал, установленный в подшипниках. Угол разворота насоса — через 90°. Повернутый на требуемый угол, он закрепляется в нужном положении фиксатором.
Техническая характеристика
Угол поворота, град.....360
Вес, кг........................144
Габаритные размеры, мм:
длина............908
ширина.........720
высота..........1171
Габариты, мм..............550x800x1223
или............................550x80x1582
Внедрение кантователя повышает производительность труда, механизирует разборку и сборку насоса при ремонте, улучшает условия труда.

КАНТОВАТЕЛЬ ДЛЯ СБОРКИ И СВАРКИ СЕКЦИЙ ХОЛОДИЛЬНИКА

Очередное новшество создателей с Приволжской магистрали — кантователь (рис. 7), предназначенный для сборки секций холодильника при замене деталей, а также сварки отдельных элементов при наличии трещин.
Он изготавливается в климатическом исполнении категории 3 по ГОСТ 15150—69.
Техническая характеристика
Вес, кг........................................89 или 100
Угол поворота, град.:
в горизонтальной плоскости.........360
в вертикальной плоскости............360
Струбцинами 7 секцию холодильника закрепляют на раме, предварительно откинув от нее бандаж 6 и подвижную часть круга — дугу 9. Затем эти элементы возвращают в первоначальное положение и фиксируют.
Секция холодильника может вращаться относительно вертикальной и горизонтальной осей “вручную”. При вращении вокруг горизонтальной оси для остановки используют фиксатор 4. Закрепив секцию холодильника в наружном положении,ее разбирают или сваривают.

Последний раз редактировалось poster444; 16.05.2015 в 22:28.
poster444 вне форума   Цитировать 0
Старый 30.08.2015, 09:46   #2 (ссылка)
Робот
 
Аватар для СЦБот

Регистрация: 05.05.2009
Сообщений: 2,483
Поблагодарил: 0 раз(а)
Поблагодарили 82 раз(а)
Фотоальбомы: не добавлял
Репутация: 0

Тема: Тема перенесена


Эта тема была перенесена из раздела Журнал "Локомотив".

Перенес: Admin
СЦБот вне форума   Цитировать 0
Похожие темы
Тема Автор Раздел Ответов Последнее сообщение
[01-1998] Ресурсосбережение - веление времени Admin xx2 0 16.08.2014 21:47
[04-2000] Ресурсосбережение в контактной сети: что мешает? Admin xx2 0 14.06.2014 00:46
=Распоряжение= № 885р от 4 мая 2012 г. - Об утверждении Методических указаний по проектированию нормативов подготовительно-заключительного, вспомогательного времени и норм времени на оборот по участкам обслуживания Admin 2012 год 1 31.12.2012 15:51
Ресурсосбережение в локомотивном хозяйстве Admin xx2 0 10.07.2011 13:37

Ответить в этой теме   Перейти в раздел этой темы   Translate to English

Возможно вас заинтересует информация по следующим меткам (темам):
, , , , ,


Здесь присутствуют: 1 (пользователей: 0 , гостей: 1)
 

Ваши права в разделе
Вы не можете создавать новые темы
Вы не можете отвечать в темах
Вы не можете прикреплять вложения
Вы можете редактировать свои сообщения

BB коды Вкл.
Смайлы Вкл.
[IMG] код Вкл.
HTML код Выкл.
Trackbacks are Вкл.
Pingbacks are Вкл.
Refbacks are Выкл.



Часовой пояс GMT +3, время: 00:16.

Яндекс.Метрика Справочник 
сцбист.ру сцбист.рф

СЦБИСТ (ранее назывался: Форум СЦБистов - Railway Automation Forum) - крупнейший сайт работников локомотивного хозяйства, движенцев, эсцебистов, путейцев, контактников, вагонников, связистов, проводников, работников ЦФТО, ИВЦ железных дорог, дистанций погрузочно-разгрузочных работ и других железнодорожников.
Связь с администрацией сайта: admin@scbist.com
1 2 3 4 5 6 7 8 9 10 11 12 13 14 15 16 17 18 19 20 21 22 23 24 25 26 27 28 29 30 31 32 33 34 
Powered by vBulletin® Version 3.8.1
Copyright ©2000 - 2026, Jelsoft Enterprises Ltd.
Powered by NuWiki v1.3 RC1 Copyright ©2006-2007, NuHit, LLC Перевод: zCarot