СЦБИСТ - железнодорожный форум, блоги, фотогалерея, социальная сеть
Ушел из жизни Крупицкий Адольф Зельманович
6 февраля 2026 года ушел из жизни Крупицкий Адольф Зельманович, более шести десятков лет проработавший в институте «Гипротранссигналсвязь». Всю свою трудовую деятельность А.З. Крупицкий посвятил проектному делу. После окончанию обучения в Ленинградском институте инженеров железнодорожного транспорта в 1959 году начал свою профессиональную деятельность в качестве старшего электромеханика дистанции сигнализации и связи на Казахской железной дороге. В 1960 году пришел на работу в институт на должность инженера, работал руководителем группы, главным инженером проектов.

Читать далее
Вернуться   СЦБИСТ - железнодорожный форум, блоги, фотогалерея, социальная сеть > Энциклопедия СЦБИСТа > Wiki > Wiki СЦБ
Закладки Поддержка Сообщество Комментарии к фото Сообщения за день
     
 
В мои закладки Подписка на тему по электронной почте Отправить другу по электронной почте Инструменты Статьи Поиск в этой Статье
  #1  

По умолчанию АПК УПС

АПК УПС - аппаратно-программный комплекс управления пологой стрелкой - совокупность технических и программных средств для перевода и контроля положения стрелочного перевода с маркой крестовины 1/25, разрабатываемые ОАО "ЭЛТЕЗА".

АПК УПС планируется применить на станциях ВСЖМ-1 в составе РСУДП.

Описание


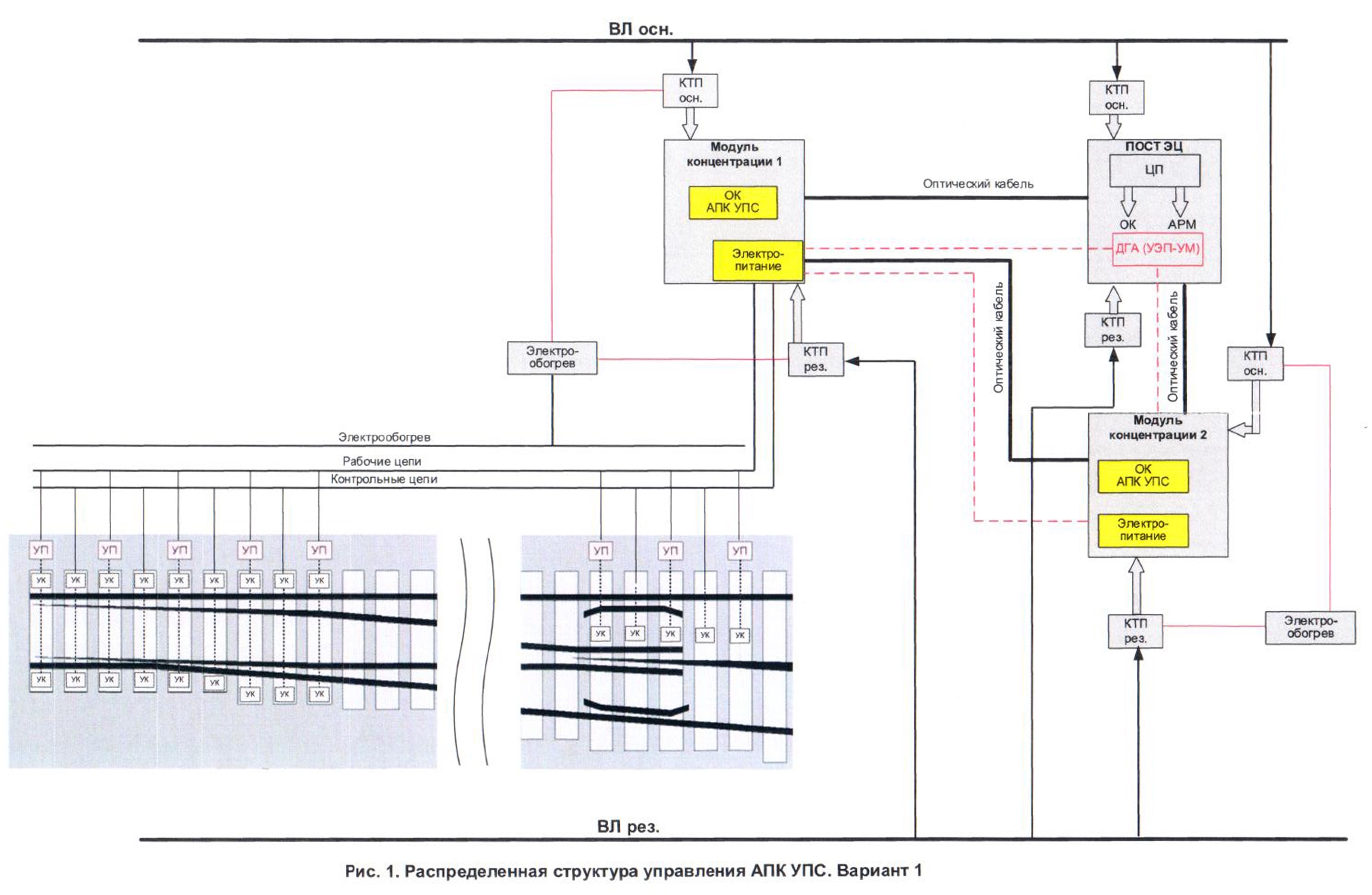
Аппаратно-программный комплекс управления одной пологой стрелкой (1/25) включает в себя управление и контроль 8-ю ОК СЭП и 14-ю ОК УК. Расчетное дублирование рабочих жил переводных устройств ведет к обширной кабельной сети пологих стрелок, расположенных в горловине, и как следствие, к целесообразности распределенной системы управления в модульном исполнении.
В модуле концентрации, разработанном на базе транспортабельного модуля с фальшполом, можно разместить аппаратуру управления несколькими близлежащими пологими стрелками (съездами), при управлении которыми из модуля концентрации число задублированных жил в проводах рабочей цепи не превышает 2-х (например, пологие стрелки диспетчерских съездов в горловине станции). Т.е, модули концентрации необходимо располагать в горловинах станции, размещая в них аппаратуру управления близ расположенных пологих стрелок и других объектов централизации.
На центральном посту ЭЦ размещается ЦП, АРМ ДСП, АРМ ШН, объектные контроллеры близ расположенных пологих стрелок и других объектов управления и контроля.

Пост ЭЦ и модули концентрации обвязываются в одну сеть управления оптическим кабелем по кольцевой топологии.
Допускается размещение в модуле концентрации другого оборудования МПСУ (оборудование связи, рельсовых цепей, транспортная безопасность, диагностика и мониторинг инфраструктуры и др.) с едиными резервированными устройствами электропитания, контуром заземления и контролем доступа.
Электропитание модуля концентрации выполняется от питающей установки, подключаемой к двум близ расположенным КТП (основному и резервному). Схемные решения ПУ модуля концентрации соответствуют ПУ поста централизации (выполняются по 12004-00-00 ТР4 Устройство электропитания унифицированное УЭП-У-М для электропитания МПЦ и АБ) и также включают устройство бесперебойного питания. Расчет мощности устройства бесперебойного питания требует учитывать мощность одновременного перевода стрелочных электроприводов остряка или крестовины (в случае последовательного перевода) в режиме перегрузки УБП и мощности всего оборудования, размещаемого в модуле. Мощность ДГА, место его установки и другие параметры определяются при проектировании устройств электропитания.

Другим альтернативным решением по проектированию устройств электропитания распределенной модульной структуры может быть расположение питающей установки увеличенной мощности на центральном посту и организация электропитания модулей с поста с использованием зарезервированных силовых кабелей, прокладываемых по разным трассам, и отдельно от кабелей МПСУ, с возможностью обвязки модулей концентрации станции в единое питающее кольцо (Рис. 2).
Сечение силовых кабелей рассчитывается по мощности потребляемой всеми устройствами МПСУ в модуле концентрации.




Шкаф АПК УПС


Оборудование модуля управления пологой стрелкой размещается в типовом 19-и дюймовом шкафу ОК с вентиляцией с габаритными размерами 600x800x2100 мм, с двухсторонним доступом для обслуживания и нижним подводом кабеля. Масса шкафа с оборудованием не более 500 кг. Потребляемая мощность в момент перевода 3 кВт, тепловыделение 490 Вт.
В шкафу предусматривается установка 3-х блочных каркасов ПНУ20 (крейтов) для размещения плат ОК Ст20:
  • - ОК переводных устройств остряков;
  • - ОК переводных устройств подвижного сердечника крестовины;
  • - ОК устройств контроля плотности прижатия остряков и подвижного сердечника крестовины.
Над каждым каркасом ПНУ20 устанавливается вентиляторная панель.
Каждая вентиляторная панель подключается к основной и резервной установке постоянного тока.

На задней стороне каркаса шкафа монтируются дин-рейки для размещения клеммных колодок, коммутаторов ЛВС, блоков питания коммутаторов (рис. 9).
Прокладка проводов, кабелей внутри шкафа модуля управления пологой стрелкой осуществляется с использованием перфорированных кабель-каналов.
Для обеспечения связи между ОК и напольными устройствами должны применяться кабели сигнально-блокировочные, экранированные , парной скрутки, с диаметром токопроводящих жил не менее 0,9 мм (сечение жилы не менее 0,63 мм ). Парная скрутка жил кабеля является обязательной для контрольных цепей переводных устройств и устройств контроля плотности прижатия остряков и крестовины пологой стрелки. Выбор конкретной марки кабеля производится при проектировании.
Для постовых устройств должны применяться кабели, не распространяющие горение и не выделяющие коррозионно-активных газообразных продуктов при горении и тлении, в соответствии с требованиями ФЗ № 123 (Глава 19, Статья 82, п.8).
При проектировании напольной и постовой кабельной сети необходимо применять отдельные кабели контрольных и рабочих цепей переводных устройств.

Допускается размещение в одном кабеле контрольных цепей переводных устройств и устройств контроля плотности прижатия остряков и подвижного сердечника крестовины пологой стрелки.
Размещение других цепей устройств СЦБ и связи в кабелях контрольных цепей недопустимо.
В кабеле с парной скруткой, необходимо группировать провода контрольной цепи Л4, Л5, Л6 и Л7 попарно (Л4 и Л6 - одна пара, Л5 и Л7 - другая пара).

Максимальная длина контрольной цепи переводного устройства или устройств контроля плотности прижатия остряков и подвижного сердечника крестовины пологой стрелки составляет 5 км по кабелю без дублирования при сопротивлении пары жил не более 680 Ом и удельной емкости 100 нФ/км. Дублирование жил контрольной цепи не допускается.
Для рабочей цепи переводного устройства требования по парности жил кабеля не обязательны.
Расчет кабельной сети рабочей цепи переводного устройства пологой стрелки выполняется в соответствии с Указанием ГТСС 1247/1846 при этом следует учитывать, что провод Л1 схемы управления переводным устройством пологой стрелки соответствует третьему (3) проводу в данном Указании ГТСС для 5-и проводной схемы; провод Л2 - четвертому (4), провод ЛЗ - пятому (5) проводу.

Дублирование проводов рабочей цепи выполняется с учётом нормированного усилия перевода каждого привода. Усилия перевода для каждого привода стрелки 1/25 указаны в утверждённом документе «Комплекс переводных, замыкающих и контролирующих устройств пологой стрелки 1/25".
Дублирование проводов рабочей цепи также можно принять согласно Указания
ГТСС
1247/1846, таблица 1, графа 6.
Организация питания рабочих цепей переводных устройств пологой стрелки по магистральному принципу не допускается.


Редакторы: Admin
Создано Admin, 07.05.2024 в 15:59
Последнее редактирование Admin, 22.01.2026 в 22:02
0 Комментария , 608 Просмотров
 

Возможно вас заинтересует информация по следующим меткам (темам):
, ,


Здесь присутствуют: 1 (пользователей: 0 , гостей: 1)
 

Ваши права в разделе
Вы можете создавать новые темы
Вы не можете отвечать в темах
Вы не можете прикреплять вложения
Вы можете редактировать свои сообщения

BB коды Вкл.
Смайлы Вкл.
[IMG] код Вкл.
HTML код Выкл.
Trackbacks are Вкл.
Pingbacks are Вкл.
Refbacks are Выкл.



Часовой пояс GMT +3, время: 18:58.

Яндекс.Метрика Справочник 
сцбист.ру сцбист.рф

СЦБИСТ (ранее назывался: Форум СЦБистов - Railway Automation Forum) - крупнейший сайт работников локомотивного хозяйства, движенцев, эсцебистов, путейцев, контактников, вагонников, связистов, проводников, работников ЦФТО, ИВЦ железных дорог, дистанций погрузочно-разгрузочных работ и других железнодорожников.
Связь с администрацией сайта: admin@scbist.com
1 2 3 4 5 6 7 8 9 10 11 12 13 14 15 16 17 18 19 20 21 22 23 24 25 26 27 28 29 30 31 32 33 34 
Powered by vBulletin® Version 3.8.1
Copyright ©2000 - 2026, Jelsoft Enterprises Ltd.
Powered by NuWiki v1.3 RC1 Copyright ©2006-2007, NuHit, LLC Перевод: zCarot