СЦБИСТ - железнодорожный форум, блоги, фотогалерея, социальная сеть
Ушел из жизни Крупицкий Адольф Зельманович
6 февраля 2026 года ушел из жизни Крупицкий Адольф Зельманович, более шести десятков лет проработавший в институте «Гипротранссигналсвязь». Всю свою трудовую деятельность А.З. Крупицкий посвятил проектному делу. После окончанию обучения в Ленинградском институте инженеров железнодорожного транспорта в 1959 году начал свою профессиональную деятельность в качестве старшего электромеханика дистанции сигнализации и связи на Казахской железной дороге. В 1960 году пришел на работу в институт на должность инженера, работал руководителем группы, главным инженером проектов.

Читать далее
Вернуться   СЦБИСТ - железнодорожный форум, блоги, фотогалерея, социальная сеть > Техника > Уголок радиолюбителя > Телефония
Закладки ДневникиПоддержка Сообщество Комментарии к фото Сообщения за день
Ответить в этой теме   Перейти в раздел этой темы    
 
В мои закладки Подписка на тему по электронной почте Отправить другу по электронной почте Опции темы Поиск в этой теме
Старый 14.06.2015, 11:40   #1 (ссылка)
Crow indian
 
Аватар для Admin

Регистрация: 21.02.2009
Возраст: 40
Сообщений: 30,132
Поблагодарил: 398 раз(а)
Поблагодарили 5995 раз(а)
Фотоальбомы: 2607 фото
Записей в дневнике: 701
Репутация: 126089

Тема: Импортный телефонный жучок


Импортный телефонный жучок


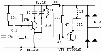
Вот смотрю народ тут высказывает недовольство типа того шо схемки "для чайников". ну чтож раз надо посложнее то ловите. Вот вам телефонный баг с дальностью до 200м, линия в качестве антенны, включение в разрыв линии. Подобные схемы юзают буржуйские продавцы жучков и позиционируют их как любительские что тем не менее позволяет говорить о достаточно хорошем качестве. Данная схема срисована с одного из таких образцов.


Думаю не стоит подробно описывать работу схемы, те кто инетересуются "схемами не для чайников" итак все поймут Приведу лишь краткое описание. Катушки L1 и L2 содержат по 6 витков провода 0.5 на оправке 2.8мм (стержень от ручки). L3 - 8 витков на оправке 4мм (здесь можно экспериментировать тк от этой катушки фактически зависит дальность приема). Диоды - КД521в или буржуйские 1N4148. Иногда может быть необходимо подобрать напряжение на диодном мосте в пределах 12в (ведь на буржуйских линиях напряжение ниже чем на наших), зашунтировав его резистором 0.2-1k. Аналог транза ВС547 - КТ3102. вот фотография оригинала (собрано из набора):

Admin вне форума   Цитировать 14
Похожие темы
Тема Автор Раздел Ответов Последнее сообщение
Телефонный жучок с частотной модуляцией Admin Телефония 0 14.06.2015 11:33
Телефонный радио-жучок Admin Телефония 0 14.06.2015 11:31
Телефонный жучок без антенны Admin Телефония 0 14.06.2015 11:30
[Гудок] [15 марта 2011] С итальянским качеством. Импортный литейный комплекс должен улучшить уровень продукции УВЗ Admin Газета "Гудок" 0 15.03.2011 21:06
Телефонный справочник ПКТБ ЦШ Андрей13 Строительные, проектные организации и производители оборудования 2 19.10.2010 17:35

Ответить в этой теме   Перейти в раздел этой темы   Translate to English


Здесь присутствуют: 1 (пользователей: 0 , гостей: 1)
 

Ваши права в разделе
Вы не можете создавать новые темы
Вы не можете отвечать в темах
Вы не можете прикреплять вложения
Вы не можете редактировать свои сообщения

BB коды Вкл.
Смайлы Вкл.
[IMG] код Вкл.
HTML код Выкл.
Trackbacks are Вкл.
Pingbacks are Вкл.
Refbacks are Выкл.



Часовой пояс GMT +3, время: 21:55.

Яндекс.Метрика Справочник 
сцбист.ру сцбист.рф

СЦБИСТ (ранее назывался: Форум СЦБистов - Railway Automation Forum) - крупнейший сайт работников локомотивного хозяйства, движенцев, эсцебистов, путейцев, контактников, вагонников, связистов, проводников, работников ЦФТО, ИВЦ железных дорог, дистанций погрузочно-разгрузочных работ и других железнодорожников.
Связь с администрацией сайта: admin@scbist.com
1 2 3 4 5 6 7 8 9 10 11 12 13 14 15 16 17 18 19 20 21 22 23 24 25 26 27 28 29 30 31 32 33 34 
Powered by vBulletin® Version 3.8.1
Copyright ©2000 - 2026, Jelsoft Enterprises Ltd.
Powered by NuWiki v1.3 RC1 Copyright ©2006-2007, NuHit, LLC Перевод: zCarot