СЦБИСТ - железнодорожный форум, блоги, фотогалерея, социальная сеть
Ушел из жизни Крупицкий Адольф Зельманович
6 февраля 2026 года ушел из жизни Крупицкий Адольф Зельманович, более шести десятков лет проработавший в институте «Гипротранссигналсвязь». Всю свою трудовую деятельность А.З. Крупицкий посвятил проектному делу. После окончанию обучения в Ленинградском институте инженеров железнодорожного транспорта в 1959 году начал свою профессиональную деятельность в качестве старшего электромеханика дистанции сигнализации и связи на Казахской железной дороге. В 1960 году пришел на работу в институт на должность инженера, работал руководителем группы, главным инженером проектов.

Читать далее
Вернуться   СЦБИСТ - железнодорожный форум, блоги, фотогалерея, социальная сеть > Уголок СЦБИСТа > Книги и журналы > Статьи по СЦБ
Закладки ДневникиПоддержка Сообщество Комментарии к фото Сообщения за день
Ответить в этой теме   Перейти в раздел этой темы    
 
В мои закладки Подписка на тему по электронной почте Отправить другу по электронной почте Опции темы Поиск в этой теме
Старый 07.11.2010, 18:41   #1 (ссылка)
Crow indian
 
Аватар для Admin

Регистрация: 21.02.2009
Возраст: 40
Сообщений: 30,137
Поблагодарил: 398 раз(а)
Поблагодарили 6000 раз(а)
Фотоальбомы: 2607 фото
Записей в дневнике: 703
Репутация: 126089

Тема: [Статья] Диспетчерская централизация «Диалог»


Диспетчерская централизация «Диалог»


Строительству ЦП системы «Диалог» предшествует определение состава автоматизированных рабочих мест работников различных служб, планирование их размещения в помещениях центра управления, проектирование и прокладка линий связи, локальной сети и цепей электропитания.

Минимальный состав аппаратуры ЦП: АРМ ДНЦ — поездного диспетчера, АРМ ШНД—дежурного инженера поста. Согласно протоколу передачи ответственных команд в системе «Диалог» (ввод команды осуществляется двумя лицами) и для координации работы дежурным по отделению требуется установка АРМ ДНЦО. Как правило, в состав аппаратуры ЦП также включаются АРМ ЭЧЦ — энергодиспетчера. АРМ ШЧД — диспетчера дистанции сигнализации и связи. Предусматривается возможность обмена информацией с АСОУП.

Состав аппаратуры АРМа ДНЦ (количество мониторов) зависит от протяженности участка управления (рис. 8.8).




Рис. 8.8. Схема автоматизированного рабочего места ДНЦ системы «Диалог»

Сложность проектирования ДЦ на действующих участках железных дорог заключается в необходимосги увязки ее на станциях с различными системами ЭЦ, зачастую при отсутствии возможности установки дополнительного статива для монтажа аппаратуры линейного пункта, управляющих реле и реле-повторителей.

Особенностью проектирования современных систем ДЦ, базирующихся на микропроцессорной технике, является организация параллельного проведения проектных работ и создание программного обеспечения (ПО) системы. Исходным материалом для создания ПО служа т утвержденные таблицы команд телеуправления, сигналов телесигнализации, выверенные схематические планы станций и перегонов. комплект принципиальных схем ЭЦ, увязанных с аппаратурой «Диалог». При разработке алгоритмов реализации команд ТУ и отображения информации на экранах мониторов должны учитываться специфические особенности конкретных систем ЭЦ, причем работа ДНЦ не должна зависеть от типов ЭЦ станций участка.

Аппаратура линейного пункта. В качесгве аппаратуры ЛП используется специализированная управляющая безопасная микро-ЭВМ типа БМ-1602 (в дальнейшем БМ), которая устанавливается в v релейном помещении. Она предназначена для сбора информации о состоянии объектов контроля на ЛП, ее обработки и формирования сигналов ТС, их кодирования и передачи на ЦП, а также для приема, декодирования команд ТУ и формирования сигналов на ; выходах управляющих модулей, воздействующих на устройства ЭЦ непосредственно или через управляющие реле.

Ответственные команды реализуются с соблюдением требований безопасности движения поездов, т.е. с исключением воздействия на объекты управляющих сигналов в случае отказов технических средств и их элементов.

БМ имеет модульный принцип построения. В корпусе микроЭВМ устанавливаются два блока питания, дублированный процессорный модуль со схемой запуска и контроля, интерфейсные модули. В зависимости от количества команд ТУ и сигналов ТС для конкретной станции в корпусе БМ могут устанавливаться до 15 интерфейсных модулей. Место их установки определяется при проектировании и задается адресной настройкой. К интерфейсным относятся модули токовых выходов, а также модули входов и выходов управления.

Проектирование схем увязки БМ со станционными системами автоматики заключается в определении количества типов интерфейсных модулей, места их установки в корпусе БМ и разработке схем подключения внешних цепей к объектам контроля и управления.

Для обеспечения связи с ЦП используются выносные модемы типа AnCom STK-4+v.3.

БМ может размещаться на столе, релейном стативе или специальной полке. Интерфейсные модули БМ должны соединяться с объектами контроля и управления через контактные панели стативов сигнальным кабелем или жгутами.

Функции управления объектами выполняют модули М- выходов. Каждый модуль имеет 32 выхода управления, четыре из которых являются безопасными и предназначены для реализации ответственных команд. Разработан и находится в производстве модуль с 16 безопасными выходами. Все выходы имеют гальваническую развязку с внешними цепями.

Сигналы на выходах модуля сохраняются в течение времени, необходимого для реализации команды ТУ. Длительность этих сигналов задается в процессорных модулях программно, поэтому, как правило, исключается необходимость в цепях блокировки управляющих реле.

На объект управления (исполнительное реле ЭЦ) можно воздействовать через промежуточное управляющее реле и непосредственно с выхода модуля. Управляющие реле, как правило, требуются в случае необходимости одновременного воздействия в нескольких местах устройств ЭЦ для реализации команды ТУ.

При проектировании схем включения исполнительных реле ЭЦ следует учитывать, что управляющий сигнал с выхода модуля может иметь положительную или отрицательную полярность в зависимости от полярности питания, подаваемого в соответствующие цепи ЭЦ.

Контакты управляющих реле модуля рассчитаны на нагрузку до 1 А. К безопасным выходам должны подключаться реле типа HMШ или РЭЛ с сопротивлением обмотки не менее 1400 Ом. Назначение каждого управляющего выхода модуля определяется при проектировании на основе разработанной таблицы команд ТУ для ЛП данной станции.

Для контроля состояния объектов используются интерфейсные модули токовых выходов и модули входов. Модуль токовых выходов имеет 31 опросный выход, модуль входа — 16 сигнальных выходов для контроля состояния дискретных объектов.

При одном модуле токовых выходов и одном модуле входов максимальное количество контролируемых объектов на раздельном пункте 496. При использовании еще одного модуля входов их число увеличивается до 1008.

При формировании таблицы кодов ТС сигналы контроля собираются в группы по 16 выходов, которые реализуются в виде контактных групп реле контролируемых объектов, имеющих один опросный вход модуля токовых выходов. Одноименные выходы групп запараллелены через диодные коммутационные блоки (БДК). что позволяет на каждом такте опроса контролировать состояние объектов, собранных в опрашиваемую контактную группу.

Конструктивно БДК выполнен в едином корпусе и имеет 32 сигнальных входа для соединения двух контактных групп. Конструкция блока позволяет устанавливать его на стативе в габаритах реле типа НМШ. Место установки блоков и их количество определяются при проектировании. Запараллеливание одноименных выходов блоков БДК осуществляется на клеммных панелях стативов.

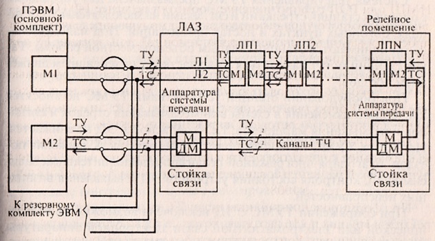
Структура каналов связи и сетевой протокол. Центральный пост управляет ЛП участка по каналам связи, организованным по линейно-кольцевой структуре (рис. 8.9). Ближайшие к ЦП раздельные пункты (примерно половина) подключены к физическому каналу связи модемом М1 основного (резервного) комплекта устройств АРМа ДНЦ. Остальные ЛП связаны модемом М2 по каналам тональной частоты (ТЧ), организованной по типовой четырехпроводной схеме.




Рис. 8.9. Схема организации каналов связи между центральным постом и линейными пунктами системы «Диалог»

Сетевой протокол предусматривает трансляцию команд ТУ, передаваемых аппаратурой ЦП на конкретный ЛП, модемами Ml и М2 промежуточных ЛП и трансляцию сигналов ТС, передаваемых с Л П участка на ЦП по физической линии связи и каналам ТЧ. Сигналы ТС передаются с ЛП синхронизировано и по командам ТУ или командам вызова сигнала ТС в формате кода ТУ.

В случае нарушения связи между ЦП и ЛП (обрыв линии между ЛП, отказ модема промежуточного ЛП, аппаратуры системы передачи) исправные ЛП автоматически подключаются к исправным линиям связи. Например, если откажет один из модемов ЛП2, то ЛП1 будет связан с ЦП модемом М1 по физической линии связи, а остальные ЛП — модемом М2 по каналам ТЧ. Если отказала аппаратура системы передачи, то все ЛП связываются с ЦП по физической линии связи.

Разработанные для системы «Диалог» схемные решения по увязке устройств ЛГ1 с аппаратурой ЭЦ отличаются минимальным количеством дополнительных реле и высокой надежностью.
Admin вне форума   Цитировать 14
Поблагодарили:
Данный пост получил благодарности от пользователей
Похожие темы
Тема Автор Раздел Ответов Последнее сообщение
Диспетчерская централизация ''Тракт'' СЦБист Диспетчерская централизация и диспетчерский контроль 30 09.01.2024 15:57
=Методические указания= Диспетчерская централизация ЮГ - И-570-01 СЦБист Диспетчерские централизации и диспетчерский контроль 5 08.04.2013 10:56
Диспетчерская централизация Шаэнн Диспетчерские централизации и диспетчерский контроль 3 15.02.2011 20:38
[В помощь ДСП] Диспетчерская централизация "Минск" Admin Эксплуатация железных дорог 0 21.11.2010 12:51
=Книги= Диспетчерская централизация КАСКАД (на укр. яз.) Толян Книги и журналы 0 23.01.2010 10:18

Ответить в этой теме   Перейти в раздел этой темы   Translate to English

Возможно вас заинтересует информация по следующим меткам (темам):
, , , ,


Здесь присутствуют: 1 (пользователей: 0 , гостей: 1)
 

Ваши права в разделе
Вы не можете создавать новые темы
Вы не можете отвечать в темах
Вы не можете прикреплять вложения
Вы не можете редактировать свои сообщения

BB коды Вкл.
Смайлы Вкл.
[IMG] код Вкл.
HTML код Выкл.
Trackbacks are Вкл.
Pingbacks are Вкл.
Refbacks are Выкл.



Часовой пояс GMT +3, время: 08:38.

Яндекс.Метрика Справочник 
сцбист.ру сцбист.рф

СЦБИСТ (ранее назывался: Форум СЦБистов - Railway Automation Forum) - крупнейший сайт работников локомотивного хозяйства, движенцев, эсцебистов, путейцев, контактников, вагонников, связистов, проводников, работников ЦФТО, ИВЦ железных дорог, дистанций погрузочно-разгрузочных работ и других железнодорожников.
Связь с администрацией сайта: admin@scbist.com
1 2 3 4 5 6 7 8 9 10 11 12 13 14 15 16 17 18 19 20 21 22 23 24 25 26 27 28 29 30 31 32 33 34 
Powered by vBulletin® Version 3.8.1
Copyright ©2000 - 2026, Jelsoft Enterprises Ltd.
Powered by NuWiki v1.3 RC1 Copyright ©2006-2007, NuHit, LLC Перевод: zCarot