СЦБИСТ - железнодорожный форум, блоги, фотогалерея, социальная сеть
Ушел из жизни Крупицкий Адольф Зельманович
6 февраля 2026 года ушел из жизни Крупицкий Адольф Зельманович, более шести десятков лет проработавший в институте «Гипротранссигналсвязь». Всю свою трудовую деятельность А.З. Крупицкий посвятил проектному делу. После окончанию обучения в Ленинградском институте инженеров железнодорожного транспорта в 1959 году начал свою профессиональную деятельность в качестве старшего электромеханика дистанции сигнализации и связи на Казахской железной дороге. В 1960 году пришел на работу в институт на должность инженера, работал руководителем группы, главным инженером проектов.

Читать далее
Вернуться   СЦБИСТ - железнодорожный форум, блоги, фотогалерея, социальная сеть > Техника > Уголок радиолюбителя > Силовая электроника
Закладки ДневникиПоддержка Сообщество Комментарии к фото Сообщения за день
Ответить в этой теме   Перейти в раздел этой темы    
 
В мои закладки Подписка на тему по электронной почте Отправить другу по электронной почте Опции темы Поиск в этой теме
Старый 22.02.2024, 17:20   #1 (ссылка)
Crow indian
 
Аватар для Admin

Регистрация: 21.02.2009
Возраст: 40
Сообщений: 30,132
Поблагодарил: 398 раз(а)
Поблагодарили 5998 раз(а)
Фотоальбомы: 2607 фото
Записей в дневнике: 701
Репутация: 126089

Тема: Ремонт автомобильного запускающего устройства


Ремонт автомобильного запускающего устройства


С. БИРЮКОВ, г. Москва

В резервной Li-Ion батарее аккумуляторов NEOLINE, предназначенной для аварийного запуска автомобильного двигателя, вышла из строя плата узла управления, индикации уровня зарядки и питания USB-устройств, а собственно батарея с защитным контроллером осталась исправной. Выяснилось, что зарядку батареи можно осуществлять через выходные контакты, для чего было разработано новое зарядное устройство.
качестве основы зарядного устройства использован преобразователь напряжения AC/DC 220/24 В, 1,5 А, приобретённый в АлиЭкспрессе, маркировка на плате преобразователя и на его трансформаторе — XPJ-02D. Преобразователь собран весьма добротно — на входе установлены предохранитель, варистор, помехо-подавляющий фильтр, во вторичной цепи предусмотрена RC-цепь, шунтирующая выпрямительный диод Шоттки, П-об-разный LC-фильтр, стабилизация выходного напряжения производится с помощью "регулируемого стабилитрона" TL431.


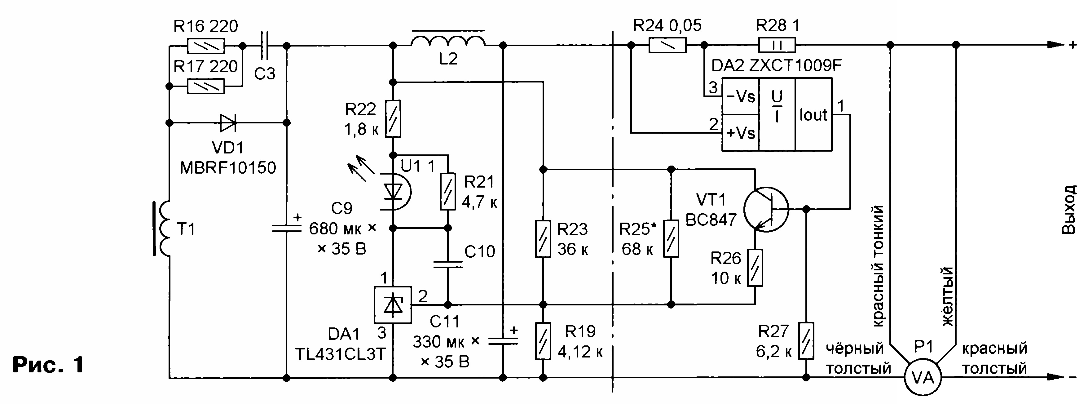
В журнале "Радио" ранее было описано, как обеспечивать в импульсных преобразователях напряжения режим ограничения тока, если в них есть точка, которую можно считать входом подстройки и на которую можно подавать уменьшающий выходное напряжение втекающий ток [1]. Схема доработки источника приведена на рис. 1, показаны только его вторичные цепи.
На схеме слева от вертикальной штрих-пунктирной линии — элементы импульсного источника питания. Микросхема DA2, транзистор VT1 и связанные с ними детали — дополнительные элементы, обеспечивающие переход источника в режим ограничения тока; Р1 — вольтметр-амперметр, позволяющий следить за зарядкой батареи.
Напряжение на полностью заряженной батарее устройства составляло 16,8 В, что соответствует четырём последовательно соединённым Li-Ion аккумуляторам. Для исключения перезарядки аккумуляторной батареи напряжение на выходе преобразователя снижено до указанного значения установкой резистора R25 (нумерация добавляемых элементов продолжает существующую). Измеренная с помощью прибора [2, 3] ёмкость батареи оказалась равной 5 А’Ч.

Точкой входа подстройки, как и в [1], является управляющий вход микросхемы DA1 (вывод 2), однако непосредственное подключение эмиттера транзистора токо-измерительной цепи, аналогичной применённой в [1] (резистор R24, микросхема DA2, транзистор VT1), к этой точке привело к крайне неустойчивой работе устройства из-за очень высокого усиления в цепи обратной связи. Стабильной работы удалось добиться установкой резистора R26 в эмиттерную цепь транзистора VT1 и резистора R28 в выходную цепь устройства. Их сопротивления являются компромиссом между поддержанием тока, изменяющегося в процессе зарядки батареи, и стабильностью работы устройства.

В качестве токоизмерительного шунта R24 используются два резистора для поверхностного монтажа типоразмера 1206 сопротивлением 0,1 Ом, соединённые параллельно. Резистор R28 составлен из двух последовательно соединённых резисторов С5-16В сопротивлением 0,51 Ом и мощностью 1 Вт. Цифровой вольтметр-амперметр Р1 — трёхразрядный, приобретён в АлиЭкспрессе, его тонкий чёрный провод никуда подключать не надо.

Детали, используемые для доработки, кроме резистора R28, установлены на печатной плате размерами 10,5x20,5 мм, приобретённой там же. На плате, на расстоянии 7,62 мм друг от друга, сделаны два ряда по восемь металлизированных отверстий с шагом 2,54 мм и пара контактов для элементов, предназначенных для поверхностного монтажа. На рис. 2 приведён схематический чертёж установки элементов и перемычек на плате (для R24 отведено два посадочных места), а на рис. 3 — фотография платы с установленными элементами и перемычками.

Плата с деталями крепится к плате преобразователя тремя отрезками медного провода диаметром 0,5 мм (соединения с минусовым выводом конденсатора С11, резистором R22, выводом 2 микросхемы DA1). Соединение с плюсовым выводом конденсатора С11 выполнено тонким гибким изолированным проводом.
Устройство собрано в пластмассовом корпусе с габаритными размерами 140x82x38 мм (рис. 4). Для подключения проводов к штыревым контактам преобразователя использованы укороченные гнёзда от разъёма 2РМ под штыри диаметром 1,5 мм. Для подключения к заряжаемой батарее применены штыревые контакты от соединителя 2РМ диаметром 2 мм. Для облегчения теплового режима в боковых стенках корпуса просверлены 24 отверстия диаметром 8 мм.


Налаживание устройства заключается в подборке резистора R25 (его подпаивают к плюсовому выводу конденсатора С9 и точке соединения резисторов R19 и R23 на плате преобразователя) для обеспечения выходного напряжения преобразователя на холостом ходу 16,8 В. Это напряжение следует измерять с погрешностью не более 0,5 %. Также подборкой резистора R24 необходимо установить выходной ток в пределах 1,1... 1,2 А при выходном напряжении 14 В. Если ток меньше, при установленном на плату резисторе R24 следует подобрать на длинных проводниках обычный резистор, подключаемый параллельно ему для обеспечения необходимого тока, а затем впаять резистор для поверхностного монтажа ближайшего номинала на место с противоположной стороны платы. А если ток больше, следует установить резистор R24 большего сопротивления.

На рис. 5 показана экспериментально снятая зависимость выходного напряжения изготовленного зарядного устройства от тока зарядки. Таким образом, при подключении к зарядному устройству разряженной до 11 В батареи (минимально допустимое напряжение для такой батареи) зарядный ток вначале равен 1,5 А, по мере зарядки и повышении напряжения на нём до 15,8 В ток уменьшается примерно до 0,9 А. Далее, при повышении напряжения на заряжаемой батарее ток снижается довольно быстро, и при приближении к полной зарядке (напряжение 16,8 В) защитная плата батареи прекращает зарядку.
Цифровой вольтметр-амперметр Р1 позволяет следить за процессом зарядки. Не включая зарядное устройство в сеть, прибор Р1 можно также использовать как вольтметр для контроля степени зарядки аккумулятора, подключив его к выходу зарядного устройства.
Перед использованием батареи необходимо снять с её обратной стороны тонкую декоративную накладку, отвинтить заднюю крышку и расстыковать разъём, через который батарея с защитным контроллером подключается к плате узла управления.

ЛИТЕРАТУРА
1. Бирюков С. Зарядное устройство ... из кубиков. — Радио, 2021, № 12, с. 13, 14.
2. Бирюков С. Универсальный эквивалент нагрузки. — Радио, 2022, № 4, с. 12— 15.
3. Бирюков С. Усовершенствование эквивалента нагрузки. — Радио, 2022, № 6, с. 31,32.
Admin вне форума   Цитировать 14
Похожие темы
Тема Автор Раздел Ответов Последнее сообщение
В Красноярском крае из-за проливных дождей рухнули опоры автомобильного моста бaбулeр47 Нарушения безопасности на сети дорог 0 07.06.2020 15:19
=Диплом= НАЗНАЧЕНИЕ УСТРОЙСТВА, ПРИНЦИП ДЕЙСТВИЯ, ТЕХНИЧЕСКОЕ ОБСЛУЖИВАНИЕ И РЕМОНТ ЭЛЕКТРОМАГНИТНОГО РЕЛЕ Дмитрий832 Курсовое и дипломное проектирование 2 09.04.2020 08:08
ЗУ для автомобильного аккумулятора из тр-ра ПОБС escebist Мастерская Самоделкина 104 14.01.2013 22:54
Тепловоз ТЭП60. Эксплуатация и ремонт охлаждающего устройства Admin Ж/д статьи 0 18.02.2012 21:58
Тепловоз ТЭП60. Осмотр и ремонт узлов и деталей охлаждающего устройства Admin Ж/д статьи 0 18.02.2012 21:57

Ответить в этой теме   Перейти в раздел этой темы   Translate to English


Здесь присутствуют: 1 (пользователей: 0 , гостей: 1)
 

Ваши права в разделе
Вы не можете создавать новые темы
Вы не можете отвечать в темах
Вы не можете прикреплять вложения
Вы не можете редактировать свои сообщения

BB коды Вкл.
Смайлы Вкл.
[IMG] код Вкл.
HTML код Выкл.
Trackbacks are Вкл.
Pingbacks are Вкл.
Refbacks are Выкл.



Часовой пояс GMT +3, время: 10:58.

Яндекс.Метрика Справочник 
сцбист.ру сцбист.рф

СЦБИСТ (ранее назывался: Форум СЦБистов - Railway Automation Forum) - крупнейший сайт работников локомотивного хозяйства, движенцев, эсцебистов, путейцев, контактников, вагонников, связистов, проводников, работников ЦФТО, ИВЦ железных дорог, дистанций погрузочно-разгрузочных работ и других железнодорожников.
Связь с администрацией сайта: admin@scbist.com
1 2 3 4 5 6 7 8 9 10 11 12 13 14 15 16 17 18 19 20 21 22 23 24 25 26 27 28 29 30 31 32 33 34 
Powered by vBulletin® Version 3.8.1
Copyright ©2000 - 2026, Jelsoft Enterprises Ltd.
Powered by NuWiki v1.3 RC1 Copyright ©2006-2007, NuHit, LLC Перевод: zCarot