11. Масляная система тепловоза и дизеля
Система смазки разделяется на внутреннюю (система дизеля) и наружную (система тепловоза). Система смазки обеспечивает непрерывную подачу масла к трущимся деталям для уменьшения трения и отвода от них тепла. Относительное перемещение соприкасающихся деталей, например, поршня в цилиндре, вкладышей подшипников коленчатого вала, валов механизмов и приводов, сопровождается трением. Существует два рода трения: качения и скольжения. Преобладающее трение в машинах — трение скольжения. Трение скольжения может быть сухое, полужидкостное и жидкостное. При сухом трении поверхности перемещаются одна относительно другой, соприкасаясь между собой микронеровностями. В местах соприкосновения возникают молекулярные силы сцепления, препятствующие относительному перемещению поверхностей. При преодолении трения затрачиваемая энергия преобразуется в тепловую, трущиеся поверхности нагреваются, вследствие чего происходит задир трущихся поверхностей.
При жидкостном трении тонкий слой масла находится между трущимися поверхностями. При таком трении происходит скольжение между слоями масла, вследствие чего уменьшается потеря мощности. Для достижения жидкостного трения необходимо, чтобы
масло смачивало трущиеся поверхности и имело достаточную вязкость.
По гидродинамической теории смазки масло располагается в зазоре между поверхностями трения вала и втулки в виде масляного клина. В узкой части клина создается повышенное давление, под действием которого вал всплывает на слой масла. Толщина слоя масла зависит от частоты вращения деталей (вала), вязкости масла, нагрузки и состояния трущихся поверхностей. При большой частоте вращения применяется масло с малой вязкостью, а при малых скоростях — с большой вязкостью.
Качество смазки в значительной мере определяет надежную и безотказную работу двигателя в течение длительного времени. Но не всегда удается получить,жидкостное трепне и из-за этого несколько ухудшаю!ся условия работы деталей и увеличп вается их износ, однако и в этом случае необходимо наличие масла для того, чтобы не допустить полусухого, а тем более сухого трения, когда износ деталей резко увеличивается. Кроме улучшения условий трения, масло также отводит тепло, выделяющееся в результате работы трения.
В двигателях 2Д100М масло используется также и для отвода тепла от поршней, которые нагреваются от сжигаемого топлива в цилиндре. В двигателях внутреннего сгорания наибольшее распространение получила
циркуляционная система смазки под давлением и смазывание разбрызгиванием. Только в мало нагруженных деталях допускается смазка индивидуальная при помощи масленок. Циркуляционная смазка наиболее совершенна. При такой системе масло непрерывным потоком под давлением подается к трущимся деталям, циркулируя по замкнутому контуру, очищаясь и охлаждаясь. Система смазки разбрызгиванием применяется чаще всего для подачи масла к рабочей поверхности цилиндра.
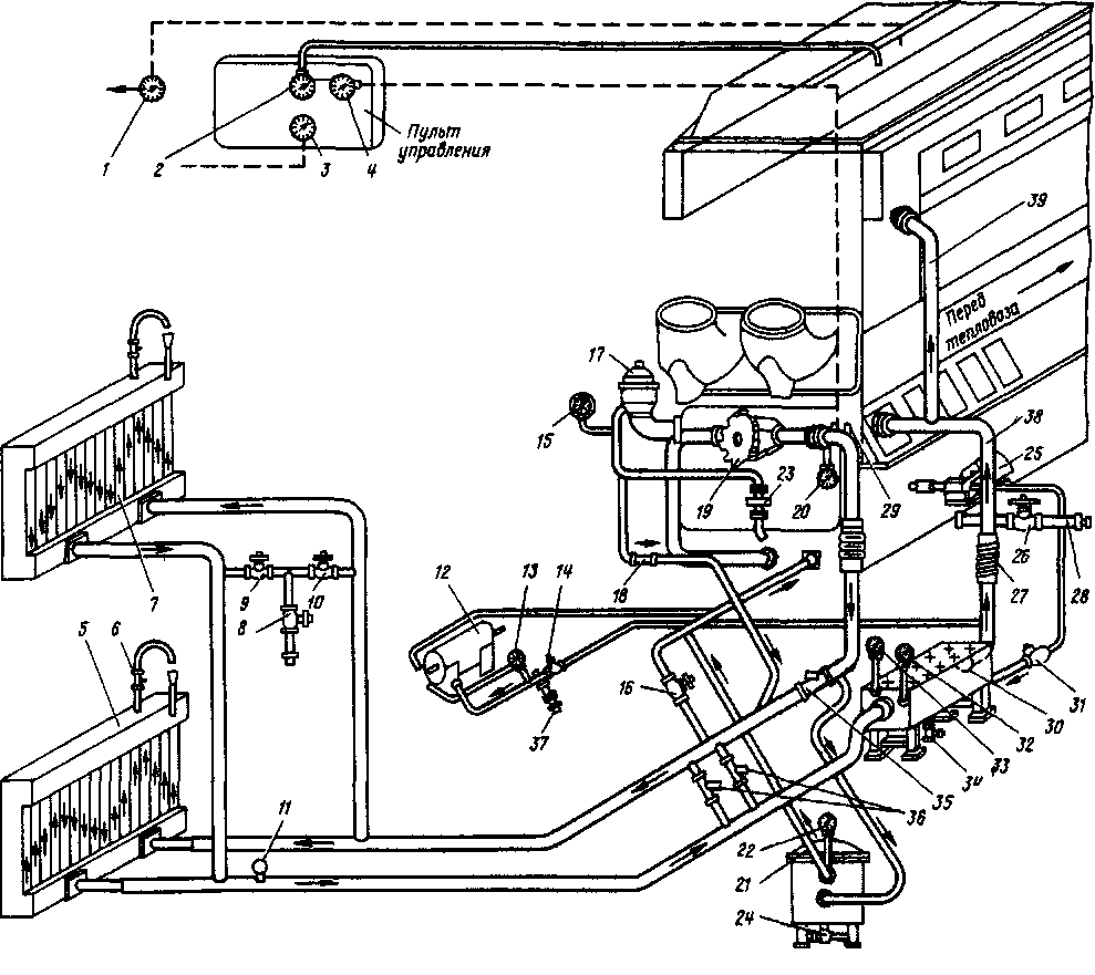
Масляная система дизеля 2Д100 (рис. 28) включает в себя масляный насос 19, который засасывает масло
из картера и нагнетает его в передние половины нижних коллекторов левого и правого рядов холодильников тепловоза. По секциям холодильника масло проходит в верхние общие коллекторы и по второй половине секций в задние половины нижних коллекторов. Далее охлажденное масло поступает к фильтру 30 грубой очистки, а затем в нижний масляный коллектор дизеля.
По мере продвижения масла после насоса производится замер его давления в контрольных точках: давление после маслонасоса к холодильнику манометром 20, перед щелевым фильтром грубой очистки манометром 32,

Рис. 28. Схема масляной системы тепловоза: / — электроманометр секции I на пульте секции II; 2 — электроманометр давления масла в коллекторе; 3 — электроманометр секции II на пульте секции I; 4 — электротермометр температуры масла на выходе из дизеля секции I; 5 — холодильник; 6— кран атмосферный; 7 — секция масляного холодильника; 8, 10, 14, 16, 24, 26, 34 — вентили; // — датчик аэротермометра; 12 — гидромеханический редуктор; 13, 15, 20, 22, 32, 33 — манометры; 17—-фильтр центробежный; 18 — клапан разгрузочный иа 0,4 МПа (4 кгс/см2); 19—масляный насос дизеля; 21 — фильтр тонкой очистки, 23 — насос центробежного фильтра; 25 — маслопрокачивающий насос; 27 — рукав (шланг), 28 — труба слива масла из картера; 29 — карман для ртутного термометра; 30 — фильтр грубой очистки; 31, 35 — клапаны обратные; 36—клапан байпасный; 37—клапан редукционный; 38, 39 — трубы подвода масла к нижнему и верхнему коллекторам дизеля
после фильтра манометром 33. При переохлаждении масла вязкость его повышается и прохождение через секции холодильника затруднено, поэтому давление перед холодильником возрастает, а за холодильником уменьшается. Для защиты секции от высокого давления в маслопроводе установлены байпасные клапаны 36, отрегулированные на разность давлений в 0,2 МПа (2 кгс/см2), и тогда горячее масло будет перепускаться клапанами, минуя холодильники и направляясь в корпус фильтра 30 грубой очистки масла и далее в нижний масляный коллектор двигателя. Небольшая часть горячего масла, минуя холодильники по трубе, берущей начало перед обратным клапаном, проходит в фильтр тонкой очистки 21 и сливается в картер (маслосборник). Количество масла, проходящее через фильтр тонкой очистки, регулируется калибровочной шайбой с диаметром отверстия 10 мм, а давление перед бумажными секциями (пакетами) измеряется манометром 22. Для слива масла из корпуса фильтра тонкой очистки на корпусе установлен вентиль 24.
Для устранения полусухого трения в подшипниках коленчатых валов во время пуска дизеля после длительной стоянки тепловоза применена прокачка системы маслопрокачивающим насосом 25. Насос забирает масло из картера дизеля и подает его через обратный клапан 31 в полость фильтра грубой очистки 30 и далее в масляные коллекторы, из которых по трубкам к каждому подшипнику коленчатого вала. После длительной стоянки при прогреве двигателя для предохранения масляного трубопровода от повышения давления при прогреве двигателя установлен вентиль 16 для спуска масла в картер, в этом случае вентиль 16 должен быть открыт, в другое время обязательно закрыт. Масло для заполнения гидромуфты 12 подается из нагнетательного трубопровода через вентиль и редукционный клапан 37. Давление масла на входе в редуктор определяется манометром 13.
К центробежному фильтру 17 масло подается насосом 23 с подачей 12 м3/ч.
Излишнее масло (сверх пропускной способности фильтра), подаваемое насосом центробежного фильтра (около ~7 м3/ч), поступает через разгрузочный невозвратный клапан 18 в трубу подвода масла на смазку двигателя от насоса 19 к холодильнику. Давление масла в верхнем масляном коллекторе (в точке с минимальным давлением) измеряется электроманометром 2, а температура масла — электротермометром 4, давление масла в коллекторе дизеля ведомой секции — электроманометром 3, датчик которого установлен на верхнем масляном коллекторе дизеля каждой секции тепловоза.
Систему заполняют маслом через горловину, вваренную в раму дизеля, сливают масло через вентиль 26 и трубу 28, расположенную под кузовом тепловоза, а также вентили 9, 8 и трубу. Масло может быть слито из фильтров 21 и 30 через вентили 24 и 34. С атмосферой коллекторы холодильников соединены кранами 6. Уровень масла в маслосборнике картера проверяют щупом, установленным в раме на правой стороне. Чтобы исключить работу двигателя в условиях ухудшенной смазки, в масляную систему включены два реле давления: одно реле служит для снятия нагрузки генератора при пониженном давлении масла в верхнем масляном коллекторе ниже 0,12 МПа (1,2 кгс/см2), другое — для остановки двигателя при понижении давления масла в верхнем масляном коллекторе ниже 0,05 МПа (0,5 кгс/см2). Нагрузка снимается размыканием контактами реле цепи возбуждения возбудителя. Разрывается цепь питания обмотки электромагнита стоп-устройства регулятора частоты вращения, и дизель останавливается.
Во внутреннюю систему масло, охлажденное и очищенное от механических примесей, поступает по трубам 38 и 39 в нижний и верхний масляные коллекторы. Из нижнего и верхнего коллекторов масло распределяется на 12 коренных опор нижнего и соответственно верхнего коленчатых валов по медным трубкам и далее по каналам в коленчатых валах поступает на смазку вкладышей шатунных подшипников. По каналам из
коренной шейки в шатунную масло поступает на смазку поршневого пальца и охлаждение поршня. Из верхнего коллектора масло подводится к первой опоре правого и левого кулачковых валов и далее по центральным каналам в валах поступает по радиальным каналам в опорных шейках на смазку подшипников кулачковых валов. Из масляной ванны верхнего картера масло свободно проходит под поршень штока толкателя топливного насоса, смазывает все детали толкателя и сливается в картер.
От масляных коллекторов по трубкам масло подводится к шестерням вертикальной передачи и шестерням привода воздуходувки и смазки подшипников качения воздуходувки. Из заднего кожуха воздуходувки масло по трубкам стекает в отсек вертикальной передачи и далее в картер. Масло, сливающееся из отсека верхнего коленчатого вала в отсек управления, смазывает механизмы привода управления и регулятора.
Масляный насос. Для циркуляции смазки под давлением в системе дизеля на передней стенке опорной плиты насосов установлен масляный шестеренный насос (рис. 29). Насос приводится во вращение от нижнего коленчатого вала через эластичную шестеренную передачу и зубчатый поводок 8, посаженный на шлицах ведущей шестерни 2.
Масло заполняет впадины между зубьями шестерен и переносится при работе насоса из полости всасывания в полость нагнетания Я, откуда поступает в систему смазки. Разгрузочное устройство // защищает внутренний торец плиты 10 и топец шестерни 2 от задира за счет разгрузки от осевого усилия давления масла, поступающего в полость М из полости нагнетания Я. Масло, попадающее в полость Я крышки 12, сливается по каналу К в корпус опорной плиты. Для обеспечения свободного вращения рабочих шестерен масляного насоса предусмотрен торцовый зазор между торцом шестерен и торцом плиты, равный 0,2—0,4 мм, и радиальный между цилиндрическими поверхностями стенок корпуса и вер-
шиной головки зуба 0,325 мм. Суммарный боковой зазор 0,25—0,6 мм. Значение отмеченных зазоров влияет на подачу масляного насоса. Подача насоса 120 м3/ч при 1510 об/мин и давление 0,5 МПа (5 кгс/см2).
Для предотвращения чрезмерного повышения давления масла в системе на внутреннем торце корпуса насоса установлен поршень 7 редукционного клапана, прижимаемый к седлу пружинами 5. Затяжка пружины регулируется гайкой, которая контрится шплинтом. Редукционный клапан регулируется на давление 0,55—0,57 МПа (5,5—5,7 кгс/см2).
Масляный фильтр грубой очистки. Фильтр грубой очистки установлен на масляном трубопроводе тепловоза перед входом масла в нижний масляный коллектор двигателя, он служит для очистки от механических примесей масла, поступающего в дизель. Фильтр состоит из стального корпуса, разделенного горизонтальной перегородкой на две части. В корпусе выполнено 10 гнезд для установки в них секций фильтров.
Секция фильтра (рис. 30) состоит из чугунного цилиндрического корпуса с фланцем, которым она крепится к верхней плоскости корпуса фильтра четыоьмя шпильками. На валике 5, закрепленном в корпусе 7 и нижнем фланце 13, установлено несколько сотен рабочих пластин 14 толщиной 0,03 мм, между котооыми поставлены промежуточные пластины 12 толщиной 0,15 мм, определяющие размер щели фильтра. В щели между рабочими пластинами
14 входят концы пластин (щеток)
15 толщиной 0,1 мм, установленных на стержень 16 квадратного сечения, неподвижно закрепленный в корпусе 7 и нижнем фланце 13 секции. Валик 5 можно вращать рукояткой 1, выходящей наружу корпуса секции фильтра. Вместе с валиком будут поворачиваться рабочие пластины 14 и промежуточные 12, в то время как пластины 15 будут выполнять роль гребенки, счищающей грязь с пластин.
В корпусе фильтра секция верхней частью (своим литым корпусом 7) и горизонтальной перегородкой 8 обра-

Рис. 29. Масляный насос: / — корпус насоса; 2,3 — ведущая и ведомая шестерни; 4 — гайка; 5 — пружина; 6 — корпус клапана; 7 — поршень клапана перепуска масла; 8 — поводок привода насоса; 9 — внутренняя плнта; 10 — наружная плита; 11 — разгрузочное устройство от осевой силы; 12 — крышка; 13 — роликоподшипники; 14 — упорный подшипник
зует полость чистого масла. Таким образом, масло после холодильника и фильтра грубой очистки, поступившее в нижнюю часть корпуса фильтра (полость ниже перегородки 8), проходит в щели между рабочими и промежуточными пластинами, затем проходит в полость чистого масла и далее в нижний масляный коллектор.
Масляный фильтр тонкой очистки. Фильтр тонкой очистки масла служит для непрерывной параллельной с
фильтром грубой очистки частичной (около 5%) тонкой очистки масла специальными фильтровальными пакетами; в которых навита фильтровальная бумага с проставкой из картона. Тонкость фильтрации составляет 20 мкм.
В стальном сварном цилиндрическом корпусе 2 (рис. 31) на семи полых стержнях установлено 28 бумажных секций тонкой очистки масла (по четыре секции на каждом стержне),

Рис. 30. Секция фильтра грубой очистки масла: / — рукоятка; 2 — нажимная пробка сальника; 3 — верхний лист корпуса фильтра; 4 — набивка сальника; 5—валик; 6—окно в корпусе секцнн; 7—корпус секции; 8 — перегородка в корпусе фильтра; 9 — кольце опорное для пластин; 10—набор фильтровальных пластин; // — стойка; 12—промежуточная пластина; 13 — нижний фланец для крепления набора пластин; 14—рабочая пластина; 15—пла-стииа-щетка; 16 — стержень

Рис. 31. Фильтр тонкой очистки масла: / — крышка корпуса фильтра; 2—корпус фильтра; 3 — секция тонкой очистки; 4 — фильтровальная бумага; 5 — фенольная трубка; 6—перепускной клапан для перепуска масла из полости А в полость Б; 7 — отверстие
размещенных в полости А. Внутренняя полость стержня соединена с нижним коллектором (полость Б) отверстием 7. Эти калиброванные отверстия служат для создания подпора масла, чтобы избежать деформации бумажных секций чрезмерным избыточным давлением. Для предупреждения возрастания разности давлений в полостях неочищенного и очищенного масла установлен клапан 6, перепускающий масло из полости А в полость Б, минуя бумажные пакеты.
Центробежный фильтр масла. Фильтр (рис. 32) установлен на кронштейне, закрепленном на люке с правой стороны блока дизеля. Корпус стальной сварной конструкции имеет вваренную на косынках опору оси ротора. В опору ввернута на резьбе ось ротора 8, имеющая в нижней пустотелой части отверстия и окна для подвода неочищенного масла в ротор.
Литой алюминиевый корпус 6 ротора закрыт крышкой //. Две стальные трубки 7 ввернуты в диище корпуса. В верхней части ротора эти трубки проходят в отверстия в крышке 11, откуда масло идет по трубам к соплам 5. Ось ротора вращается в двух бронзовых втулках 4 и 10.
Действие центробежного масляного фильтра основано на том, что во вращающейся с большой частотой жидкости (масла) вследствие возникающей при этом центробежной силы содержащиеся в масле тяжелые посторонние частицы отбрасываются к наружным стенкам ротора фильтра и откладываются на них. Для вращения ротора фильтра используется реактивное действие струй масла, вытекающих с большой скоростью из двух диаметрально установленных в роторе сопловых наконечников. Для придания струям масла необходимой скорости оно подводится специально иасосом, создавая при этом высокое давление—0,8—1,0 МПа (8—10 кгс/см2).
Масло под давлением подводится по трубе 2 к соплам и во внутреннюю полость ротора. Вытекая из сопел, масло вращает ротор с большой скоростью — до 6000 об/мин. Очищенное масло отбирается с мест, близких к оси ротора, и вытекает через

Рис 32 Центробежный фильтр масла / — фланец крепления фильтра, 2 — труба подвода масла, 3—корпус фильтра, 4—втулка нижняя, 5 — сопло, 6—корпус ротора, 7 — трубка, 8— ось оотора, 9 — крышка фильтра, 10— втулка верхняя, // — крышка ротора, 12 — втулка, 13 — смотровое окно
сопловые отверстия и сливную трубу в картер двигателя. Диаметр нижнего подшипника ротора выполнен больше верхнего, благодаря чему появляется усилие, направленное вверх. Это усилие при давлении масла 0,5 МПа (5 кгс/см2) превосходит вес ротора и заставляет его всплыть. Поэтому во время работы ротор прижимается к верхней крышке. Для ограничения перемещения ротора вверх и уменьшения коэффициента трения в крышке корпуса установлена втулка 12.










