СЦБИСТ - сайт железнодорожников №1
Вернуться   СЦБИСТ - сайт железнодорожников №1 > Эксплуатация устройств СЦБ > Постовое и напольное оборудование > Реле и блоки
Закладки ДневникиПоддержка Сообщество Комментарии к фото Сообщения за день
Ответить в этой теме   Перейти в раздел этой темы    
 
В мои закладки Подписка на тему по электронной почте Отправить другу по электронной почте Опции темы Поиск в этой теме
Старый 01.04.2014, 12:10   #1 (ссылка)
Кандидат в V.I.P.
 
Аватар для simuht

Регистрация: 03.10.2011
Сообщений: 4
Поблагодарил: 2 раз(а)
Поблагодарили 0 раз(а)
Фотоальбомы: не добавлял
Репутация: 0

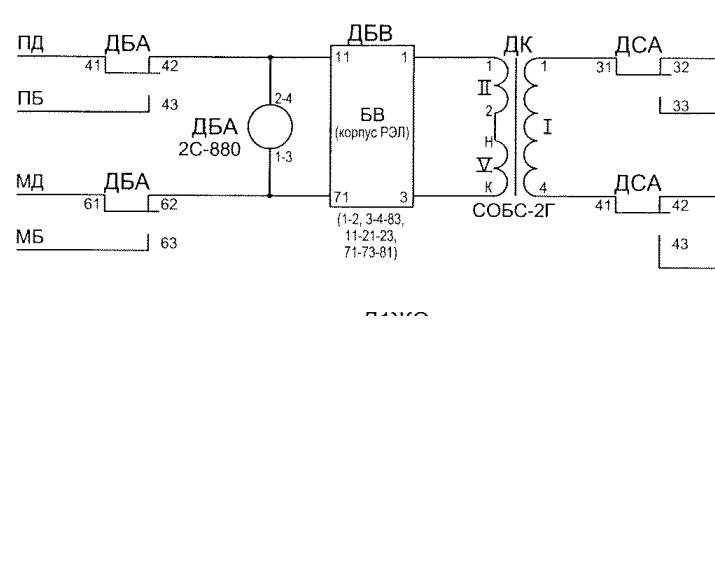
Тема: Блок выпрямитель БВ


нужна схема подсоединения

http://scbist.com/scb/uploaded/28023_1396343030.jpg[/IMG]
http://morepic.ru/?v=dsc0083_4592.jpg
http://morepic.ru/?v=dsc0080_472.jpg
http://morepic.ru/?v=dsc0081_863.jpg

Последний раз редактировалось simuht; 01.04.2014 в 13:05.
simuht вне форума   Цитировать 0
Старый 01.04.2014, 13:31   #2 (ссылка)
Корифей СЦБ
 
Аватар для Александр

Регистрация: 25.02.2009
Адрес: Ленинград
Возраст: 49
Сообщений: 9,645
Поблагодарил: 1617 раз(а)
Поблагодарили 2357 раз(а)
Фотоальбомы: 1 фото
Репутация: 1386
Цитата:
Сообщение от simuht
нужна схема подсоединения
В справочнике покопаться?
__________________
"Не думай. Думаешь - не говори. Думаешь и говоришь - не пиши. Думаешь, говоришь и пишешь - не подписывай. Думаешь, говоришь, пишешь и подписываешь - не удивляйся."
Ф.Э. Дзержинский.
Александр вне форума   Цитировать 2
Поблагодарили:
Данный пост получил благодарности от пользователей
Старый 01.04.2014, 13:36   #3 (ссылка)
Кандидат в V.I.P.

Автор темы
 
Аватар для simuht

Регистрация: 03.10.2011
Сообщений: 4
Поблагодарил: 2 раз(а)
Поблагодарили 0 раз(а)
Фотоальбомы: не добавлял
Репутация: 0
Цитата:
Сообщение от Александр Посмотреть сообщение
Спасибо

Последний раз редактировалось simuht; 01.04.2014 в 13:46.
simuht вне форума   Цитировать 0
Старый 01.04.2014, 15:02   #4 (ссылка)
V.I.P.
 
Аватар для Rafa

Регистрация: 24.10.2009
Адрес: МОЙДОДЫР
Сообщений: 5,650
Поблагодарил: 388 раз(а)
Поблагодарили 577 раз(а)
Фотоальбомы: не добавлял


Rafa добавил 01.04.2014 в 16:02

Последний раз редактировалось Rafa; 01.04.2014 в 15:02. Причина: Добавлено сообщение
Rafa вне форума   Цитировать 1
Поблагодарили:
Данный пост получил благодарности от пользователей
Старый 22.12.2017, 14:39   #5 (ссылка)
Копченый
 
Аватар для Углев Дмитрий

Регистрация: 28.02.2009
Адрес: Екатеринбург
Возраст: 42
Сообщений: 3,260
Поблагодарил: 783 раз(а)
Поблагодарили 844 раз(а)
Фотоальбомы: 49 фото
Записей в дневнике: 1
Репутация: 490
А какая розетка идет для этого блока?
Углев Дмитрий вне форума   Цитировать 0
Старый 22.12.2017, 15:47   #6 (ссылка)
Super V.I.P.
 
Аватар для KPV

Регистрация: 27.09.2009
Сообщений: 616
Поблагодарил: 53 раз(а)
Поблагодарили 267 раз(а)
Фотоальбомы: не добавлял
Репутация: 358
Цитата:
Сообщение от Углев Дмитрий
А какая розетка идет для этого блока?
По данным АРМ ФС для БВ нужна розетка 24541-00-00-36 (5-АГДЕЖ)
KPV вне форума   Цитировать 0
Поблагодарили:
Данный пост получил благодарности от пользователей
Старый 22.12.2017, 15:49   #7 (ссылка)
Регулировщик-любитель
 
Аватар для Витос

Регистрация: 13.04.2009
Сообщений: 5,210
Поблагодарил: 853 раз(а)
Поблагодарили 1162 раз(а)
Фотоальбомы: 23 фото
Репутация: 1346
__________________
Если проблему решить можно — не стоит о ней беспокоиться,
Если проблему решить нельзя — беспокоиться бесполезно.
Далай-Лама XIV.

Что было, то и будет, и что делалось, то и будет делаться, и нет ничего нового под солнцем. Бывает нечто, о чем говорят: "смотри, вот это новое"; но это было уже в веках, бывших прежде нас.
Книга Екклесиаста [9:10]


Витос вне форума   Цитировать 0
Похожие темы
Тема Автор Раздел Ответов Последнее сообщение
Выпрямитель буферный БВ 24-2.5 kvu767 Электропитание железнодорожной автоматики 19 13.11.2023 21:37
Выпрямитель буферный БВ 24-2.5 kvu767 Поиск документации 0 03.04.2012 16:33
Резервный выпрямитель для полюсов РПБ-РМБ ШНС СЦБ Лаборатория СЦБ 11 28.03.2012 18:29
выпрямитель ВАК Admin Wiki 0 09.05.2011 14:56
[Статья] Сигнальный блок БСМ и блок управления БУМ [Метро] Admin Статьи по СЦБ 0 09.11.2010 15:14

Ответить в этой теме   Перейти в раздел этой темы   Translate to English


Здесь присутствуют: 1 (пользователей: 0 , гостей: 1)
 

Ваши права в разделе
Вы не можете создавать новые темы
Вы не можете отвечать в темах
Вы не можете прикреплять вложения
Вы не можете редактировать свои сообщения

BB коды Вкл.
Смайлы Вкл.
[IMG] код Вкл.
HTML код Выкл.
Trackbacks are Вкл.
Pingbacks are Вкл.
Refbacks are Выкл.



Часовой пояс GMT +3, время: 13:37.

Яндекс.Метрика Справочник 
сцбист.ру сцбист.рф

СЦБИСТ (ранее назывался: Форум СЦБистов - Railway Automation Forum) - крупнейший сайт работников локомотивного хозяйства, движенцев, эсцебистов, путейцев, контактников, вагонников, связистов, проводников, работников ЦФТО, ИВЦ железных дорог, дистанций погрузочно-разгрузочных работ и других железнодорожников.
Связь с администрацией сайта: admin@scbist.com
1 2 3 4 5 6 7 8 9 10 11 12 13 14 15 16 17 18 19 20 21 22 23 24 25 26 27 28 29 30 31 32 33 34 
Powered by vBulletin® Version 3.8.1
Copyright ©2000 - 2026, Jelsoft Enterprises Ltd.
Powered by NuWiki v1.3 RC1 Copyright ©2006-2007, NuHit, LLC Перевод: zCarot