СЦБИСТ - железнодорожный форум, блоги, фотогалерея, социальная сеть
Ушел из жизни Крупицкий Адольф Зельманович
6 февраля 2026 года ушел из жизни Крупицкий Адольф Зельманович, более шести десятков лет проработавший в институте «Гипротранссигналсвязь». Всю свою трудовую деятельность А.З. Крупицкий посвятил проектному делу. После окончанию обучения в Ленинградском институте инженеров железнодорожного транспорта в 1959 году начал свою профессиональную деятельность в качестве старшего электромеханика дистанции сигнализации и связи на Казахской железной дороге. В 1960 году пришел на работу в институт на должность инженера, работал руководителем группы, главным инженером проектов.

Читать далее
Вернуться   СЦБИСТ - железнодорожный форум, блоги, фотогалерея, социальная сеть > Эксплуатация устройств СЦБ > Постовое и напольное оборудование
Закладки ДневникиПоддержка Сообщество Комментарии к фото Сообщения за день
Ответить в этой теме   Перейти в раздел этой темы    
 
В мои закладки Подписка на тему по электронной почте Отправить другу по электронной почте Опции темы Поиск в этой теме
Старый 11.12.2010, 20:36   #1 (ссылка)
Super V.I.P.
 
Аватар для art29

Регистрация: 09.04.2009
Сообщений: 718
Поблагодарил: 401 раз(а)
Поблагодарили 548 раз(а)
Фотоальбомы: не добавлял

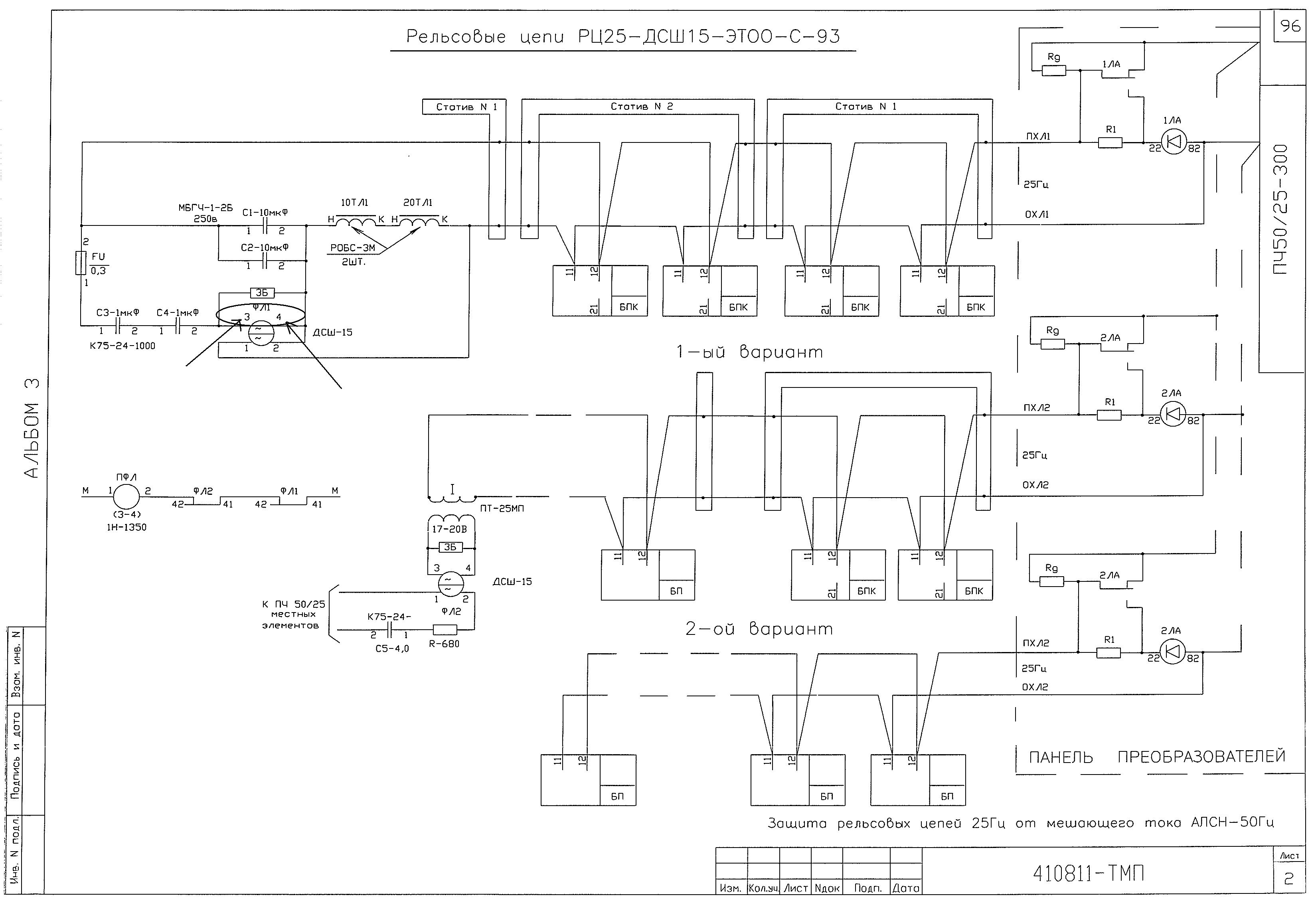
Тема: Реле ДСШ-12,13А,15,16.


Согласно справочника: Аппаратура железнодорожной автоматики и телемеханики ТОМ 1 Сороко,Разумовский 1981, у ДСШ-12,13, начало обмоток - 1 и 3, конец 2 и 4.



Согласно книги : Релейная аппаратура штепсельного типа И.А.Белязо 1965
у ДСШ-12
1 и 4 - начало обмоток, 2 и 3 конец.

.

Согласно книги : "Реле жд автоматики" Сороко В.И. 2002г у ДСШ-15,16: 1 и 4 - начало обмоток 2 и 3 - конец обмоток.



Фактически : у ДСШ-12,13,13А начало обмоток 1 и 4, конец 2 и 3,
а у ДСШ-15,16 1 и 3 - начало обмоток, 2 и 4 - конец.


ВОПРОС: Встанет ли реле ФЛ1 под ток, в этой схеме.


Последний раз редактировалось art29; 11.12.2010 в 20:50.
art29 вне форума   Цитировать 1
Старый 11.12.2010, 21:30   #2 (ссылка)
Super V.I.P.

Автор темы
 
Аватар для art29

Регистрация: 09.04.2009
Сообщений: 718
Поблагодарил: 401 раз(а)
Поблагодарили 548 раз(а)
Фотоальбомы: не добавлял
Ну вобщем так оно и есть. Реле при таком включении под ток не становится, но всёже интересно проэктировали схему, включения самого реле ФЛ1(ДСШ-15), согласно данным справочника.
art29 вне форума   Цитировать 1
Поблагодарили:
Данный пост получил благодарности от пользователей
Старый 22.06.2012, 19:58   #3 (ссылка)
V.I.P.
 
Аватар для Rafa

Регистрация: 24.10.2009
Адрес: МОЙДОДЫР
Сообщений: 5,650
Поблагодарил: 388 раз(а)
Поблагодарили 577 раз(а)
Фотоальбомы: не добавлял
Цитата:
Фактически : у ДСШ-12,13,13А начало обмоток 1 и 4, конец 2 и 3,
а у ДСШ-15,16 1 и 3 - начало обмоток, 2 и 4 - конец.
art29 вы это определили опытным путем?
Rafa вне форума   Цитировать 1
Старый 22.06.2012, 20:03   #4 (ссылка)
Super V.I.P.

Автор темы
 
Аватар для art29

Регистрация: 09.04.2009
Сообщений: 718
Поблагодарил: 401 раз(а)
Поблагодарили 548 раз(а)
Фотоальбомы: не добавлял
ага...)
а чё..?)
art29 вне форума   Цитировать 1
Старый 22.06.2012, 20:06   #5 (ссылка)
V.I.P.
 
Аватар для Rafa

Регистрация: 24.10.2009
Адрес: МОЙДОДЫР
Сообщений: 5,650
Поблагодарил: 388 раз(а)
Поблагодарили 577 раз(а)
Фотоальбомы: не добавлял
Просто интересно -неужели в справочниках лажа.
Если верить справочнику и схеме, то ПЭ и МЭ ДСШ-15 включены согласно и реле по идеи должно сработать.
Rafa вне форума   Цитировать 1
Старый 22.06.2012, 20:09   #6 (ссылка)
Super V.I.P.

Автор темы
 
Аватар для art29

Регистрация: 09.04.2009
Сообщений: 718
Поблагодарил: 401 раз(а)
Поблагодарили 548 раз(а)
Фотоальбомы: не добавлял
нее, если взять реле и посмотреть на выводы из обмоток, то станет ясно, а вообще в справочнике действительно лажа...) и реле не срабатывает.
art29 вне форума   Цитировать 1
Старый 11.07.2015, 18:59   #7 (ссылка)
Кандидат в V.I.P.
 
Аватар для Последний из Могикан

Регистрация: 03.12.2012
Сообщений: 46
Поблагодарил: 11 раз(а)
Поблагодарили 15 раз(а)
Фотоальбомы: не добавлял
Репутация: 12
Латунь никелированная.
Последний из Могикан вне форума   Цитировать 0
Старый 11.07.2015, 23:34   #8 (ссылка)
Super V.I.P.
 
Аватар для zawodik

Регистрация: 28.11.2009
Сообщений: 1,467
Поблагодарил: 9 раз(а)
Поблагодарили 348 раз(а)
Фотоальбомы: не добавлял
Репутация: 476
Цитата:
Причиной этого может быть неправильная регулировка рельсовых цепей?
Вы видели как реле работает? Ролик сильно забивается? Вибрация сильная? В метрополитене износ роликодержателя и оси ролика вещь распространенная. Раньше они служили около года из-за большой интенсивности работы и повышенной вибрации.
zawodik вне форума   Цитировать 0
Старый 12.07.2015, 15:48   #9 (ссылка)
V.I.P.
 
Аватар для Rafa

Регистрация: 24.10.2009
Адрес: МОЙДОДЫР
Сообщений: 5,650
Поблагодарил: 388 раз(а)
Поблагодарили 577 раз(а)
Фотоальбомы: не добавлял
Цитата:
Сообщение от Ассоль Посмотреть сообщение
Из чего изготовлены роликодержатели реле ДСШ-2? Бывает,что они ломаются в основании. Причиной этого может быть неправильная регулировка рельсовых цепей?

где Вы откопали это реле ?

это-же пережиток империи муня .

не уж-то политеновское насследование ?
Rafa вне форума   Цитировать 1
Старый 17.07.2015, 14:41   #10 (ссылка)
Super V.I.P.
 
Аватар для zawodik

Регистрация: 28.11.2009
Сообщений: 1,467
Поблагодарил: 9 раз(а)
Поблагодарили 348 раз(а)
Фотоальбомы: не добавлял
Репутация: 476
Цитата:
Сообщение от Ассоль Посмотреть сообщение
Есть понятие износ металла?
Конечно есть. В метро часто встречается износ оси ролика. На бронзовой оси образуется кольцевая канавка в том месте где она соприкасается с роликодержателем. Сам роликодержатель тоже изнашивается. Сначала становится видна латунь, а потом он уплощается и истоньшается. Износ оси ролика и роликодержателя может быть очень значительный. Все зависит от силы удара сектора по ролику и интенсивности работы.
По идее ролик должен катиться, но при сильном ударе он не успевает проворачиваться и какое-то время скользит стачивая и металл.
Да, чуть не забыл. Обжимка сектора сделана из мягкого алюминия и при работе сильно расклепывается от ударов по ролику.
zawodik вне форума   Цитировать 0
Старый 18.07.2015, 15:57   #11 (ссылка)
Super V.I.P.
 
Аватар для zawodik

Регистрация: 28.11.2009
Сообщений: 1,467
Поблагодарил: 9 раз(а)
Поблагодарили 348 раз(а)
Фотоальбомы: не добавлял
Репутация: 476
Как укрепить верхний роликодержатель у основания я не знаю. Это будет уже изменением конструкции реле. По идее, роликодержатель сделан из довольно мягкого материала. Он изнашивается, но ломаться не должен. Я уже у Вас спрашивал, как сильно забивается ролик при срабатывании реле. Как вообще он себя ведет? Чтобы роликодержатель сломался он должен получать очень сильный и резкий удар и быть сделан из твердого материала. Ваш роликодержатель от руки гнется? Если надавить на него пальцем Вы можете его согнуть?
Если Вы еще больше укрепите роликодержатель у основания, то, мне кажется, что вероятность излома только увеличится. Я бы попробовал отжечь роликодержатель. Мне кажется, что латунь отжигается при температуре порядка 300 градусов. Но это зависит от марки.
Сейчас на заводе у меня работающих знакомых уже не осталось. Попробую обратиться к Админу и КЭТЗ.
Админ, спросите у Ларчина, может кто-то еще остался, кто помнит про отжиг роликодержателей?
КЭТЗ, посмотрите в документации, что том указано?
zawodik вне форума   Цитировать 0
Старый 18.07.2015, 23:00   #12 (ссылка)
Super V.I.P.
 
Аватар для zawodik

Регистрация: 28.11.2009
Сообщений: 1,467
Поблагодарил: 9 раз(а)
Поблагодарили 348 раз(а)
Фотоальбомы: не добавлял
Репутация: 476
А как Вы изымаете ролик? Разгибаете держатель или откручиваете винты и снимаете его?
Подъем ролика на 8 мм (половина полного хода), мне кажется не очень хороший вариант. Сектор будет постоянно дышать и контакты сильно изнашиваться. Мне кажется, ролик должен доходить до конца и чуть-чуть там прижиматься.
Цитата:
Сообщение от APCnik Посмотреть сообщение
Давно подняли напряжение на местном элементе на каких-то 5 В и забыли о роликах. Исчезла вибрация сектора и ролик плотно прижат к верхнему стопору.
zawodik вне форума   Цитировать 0
Старый 20.07.2015, 12:31   #13 (ссылка)
Super V.I.P.
 
Аватар для zawodik

Регистрация: 28.11.2009
Сообщений: 1,467
Поблагодарил: 9 раз(а)
Поблагодарили 348 раз(а)
Фотоальбомы: не добавлял
Репутация: 476
Точно в середину ролик наверное никогда не бьет. Слишком ювелирная должна быть регулировка. Главное, чтобы он не перекашивался и не вставал по-диагонали.
Не уверен, что от удара сектора роликодержатель может сломаться. Усилие подъема сектора в районе ролика где-то (100 - 200) г. Для латунной проволоки диаметром 2 мм это слишком мало.
Скорее всего частые изъятия ролика приводят к ослаблению материала. Общался в выходные с бывшими коллегами. Они меня спросили, а зачем вынимать ролик? Протереть тряпочкой все можно и так.
zawodik вне форума   Цитировать 0
Похожие темы
Тема Автор Раздел Ответов Последнее сообщение
Реле ППР Андрей13 Разговоры обо всем 55 26.02.2020 09:57
реле ИВГ Андрей13 Постовое и напольное оборудование 26 11.02.2020 20:41
Реле ИВГ. Stas13 Общие вопросы эксплуатации устройств СЦБ 54 19.09.2017 00:06
РЕЛЕ ИВГ ШНС СЦБ Общие вопросы эксплуатации устройств СЦБ 8 17.04.2010 16:01
для чего эти реле? SharK Ищу/Предлагаю 1 20.12.2009 19:50

Ответить в этой теме   Перейти в раздел этой темы   Translate to English

Возможно вас заинтересует информация по следующим меткам (темам):
, , , , , , ,


Здесь присутствуют: 1 (пользователей: 0 , гостей: 1)
 

Ваши права в разделе
Вы не можете создавать новые темы
Вы не можете отвечать в темах
Вы не можете прикреплять вложения
Вы не можете редактировать свои сообщения

BB коды Вкл.
Смайлы Вкл.
[IMG] код Вкл.
HTML код Выкл.
Trackbacks are Вкл.
Pingbacks are Вкл.
Refbacks are Выкл.



Часовой пояс GMT +3, время: 07:48.

Яндекс.Метрика Справочник 
сцбист.ру сцбист.рф

СЦБИСТ (ранее назывался: Форум СЦБистов - Railway Automation Forum) - крупнейший сайт работников локомотивного хозяйства, движенцев, эсцебистов, путейцев, контактников, вагонников, связистов, проводников, работников ЦФТО, ИВЦ железных дорог, дистанций погрузочно-разгрузочных работ и других железнодорожников.
Связь с администрацией сайта: admin@scbist.com
1 2 3 4 5 6 7 8 9 10 11 12 13 14 15 16 17 18 19 20 21 22 23 24 25 26 27 28 29 30 31 32 33 34 
Powered by vBulletin® Version 3.8.1
Copyright ©2000 - 2026, Jelsoft Enterprises Ltd.
Powered by NuWiki v1.3 RC1 Copyright ©2006-2007, NuHit, LLC Перевод: zCarot