СЦБИСТ - железнодорожный форум, блоги, фотогалерея, социальная сеть

СЦБИСТ - железнодорожный форум, блоги, фотогалерея, социальная сеть (https://scbist.com/)
-   Постовое и напольное оборудование (https://scbist.com/postovoe-i-napolnoe-oborudovanie/)
-   -   Продукция ОАО "ЛЕПСЕ" (https://scbist.com/postovoe-i-napolnoe-oborudovanie/1231-produkciya-oao-lepse.html)

Вы просматриваете версию для печати. Если вы хотите увидеть статью полностью - перейдите по ссылке

VIC 02.03.2015 08:06

встретил две схемы включения :
а) в цепи МК два параллельных ДБК тыловых
б) в цепи МК один ДБК и НОК тыловые

как правильно?

Rafa 02.03.2015 16:40

то ли косяк то ли :net:

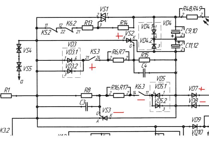
в ДШ сказанно что VS1 откр через тыловые К5 К6

хотя в реале он откр. через R14. независимо от К5 К6

http://morepic.ru/images3/1_5874.jpg

Rafa добавил 02.03.2015 в 17:10
http://morepic.ru/images3/principialnyedc03a6j_2781.jpg

Rafa добавил 02.03.2015 в 17:40
______________________


реально где-то сие чудо применяют. ?

дорогое наверное чем БДР.

кто выключит рабочую цепь при пробое тиристора ?

www.lepse.com 04.03.2015 10:00

Цитата:

Сообщение от a545 (Сообщение 128784)
a545 добавил 26.12.2012 в 11:09
При плюсовом подключен БДР сопротивлением 600 Ом
При минусовом подключен БДР сопротивлением 1200 Ом
Блок ДБК нормально включен, через его фронтовой контакт включено реле ПК

НЕ понимаю, в руководстве написано, что в конце перевода в минусовое положение для ДБК в первичной обмотке не хватает тока и оно выключается, и включается минусовой контроль,

но как минусовой контроль может включиться, если контакты ДБК включены в цепь включения реле МК и если ДБК при минусовом выключается, то его контакты отключают цепь питания реле МК :maniak:
http://s019.radikal.ru/i616/1212/0d/dde21b5378bc.jpg

Цитата:

Сообщение от VIC (Сообщение 240813)
встретил две схемы включения :
а) в цепи МК два параллельных ДБК тыловых
б) в цепи МК один ДБК и НОК тыловые

как правильно?

Адресовали Ваши вопросы разработчикам АУК (Аппаратуры управления и контроля) - в ПГУПС.

Пока ждем ответа, предлагаем ознакомиться со статьей "СХЕМА УПРАВЛЕНИЯ СТРЕЛКОЙ С БЕСКОЛЛЕКТОРНЫМ УПРАВЛЯЕМЫМ ЭЛЕКТРОДВИГАТЕЛЕМ" в журнале "Автоматика, связь, информатика" за июнь 2007 года (стр.10-13). Авторы: Казиев Г.Д., Красногоров А.А., Любшин Д.А., Руденко В.М.

a545 04.03.2015 21:36

Спасибо за проявленную оперативность :sm530:
Посмотрел журнальчик, там тоже имеются артефакты
реле 1ДБК и его контакты на схемах одиночной и спаренной обзывается по разному. Но это рисунок и журнал.
Интересно а как это все монтировалось на посту, должны же быть схемы ТР?

www.lepse.com 05.03.2015 10:20

Вложений: 1
Получили ответ из ПГУПСа от Красногорова А.А: "Руководствоваться необходимо всегда утвержденными техническими решениями"

Слава Ясюченя 15.02.2016 17:12

Цитата:

Сообщение от a545 (Сообщение 128784)
Согласен резистор R8 есть, но в цепь самоблокировки он не входит и ток протекает через реле К3.1 и К4.1 следующим образом:
Л1 - фронтовой К3.2 - R35...R41 - обмотки К3.1 и К4.1 - резисторы R28...R34 - фронтовой К4.2 - Л2

По старой схеме это выглядит так:
Л1 – фронтовой К3.1 – резистор R5 – обмотки К3 и К4 – резистор R9 – фронтовой контакт К4.1 - линия 2

Да, схемы отличаются небольшими расхождениями в количестве параллельно соединенных резисторов, но большой роли это не играет и поэтому думаю в учебных целях можно пользоваться упрощенной схемой :thumbup1:

a545 добавил 26.12.2012 в 11:09
При плюсовом подключен БДР сопротивлением 600 Ом
При минусовом подключен БДР сопротивлением 1200 Ом
Блок ДБК нормально включен, через его фронтовой контакт включено реле ПК

НЕ понимаю, в руководстве написано, что в конце перевода в минусовое положение для ДБК в первичной обмотке не хватает тока и оно выключается, и включается минусовой контроль,

но как минусовой контроль может включиться, если контакты ДБК включены в цепь включения реле МК и если ДБК при минусовом выключается, то его контакты отключают цепь питания реле МК :maniak:
http://s019.radikal.ru/i616/1212/0d/dde21b5378bc.jpg

все там хорошо при + дбк под током и цепь для пк собирается через фронт, а если в - то дбк валится и через тыл собиррается цепочка МК. более интересное при выходе БКО (или БКД) из строя ДБК хватает тока встать в минусе под так тем самым создается отказ из за блока,
в монтаже стрелок тоже все интересно "дедовский метод" определения 11 контакта не работает, так как 11 контакт находится всегда слева и взависимости от положения стрелки (выход слева(справа)) меняется вариант подключения к плате БКО(БКД) (ну очень интересная фигня и ни гбе это не прописано и не сказано по крайней мере мы не нашли........). Вот с чем мы столкнулись в процессе модернизации.....


Часовой пояс GMT +3, время: 15:40.

Powered by vBulletin® Version 3.8.1
Copyright ©2000 - 2026, Jelsoft Enterprises Ltd. Перевод: zCarot


Яндекс.Метрика