СЦБИСТ - железнодорожный форум, блоги, фотогалерея, социальная сеть
Вернуться   СЦБИСТ - железнодорожный форум, блоги, фотогалерея, социальная сеть > Обратная связь, новости, СМИ > Нарушения безопасности на сети дорог
Нарушения безопасности на сети дорог По году или стране: #2025, #2024, #2023, #2022, #2021, #2020, #2019, #2018, #2017, #2016, #2015, #2014, #2013, #2012, #2011, #2010, #2000-2009, #1992-1999, #УЗ, #СССР, #Рос. империя
По типу происшествия: #взрез стрелки, #сход локомотива, #сход вагонов, #ДТП на переезде, #сход на горке, #проезд сигнала без схода, #наезд на тупиковую призму, #ошибочное отправление поезда
По железной дороге:
Закладки ДневникиПоддержка Сообщество Комментарии к фото Сообщения за день
Ответить в этой теме   Перейти в раздел этой темы    
 
В мои закладки Подписка на тему по электронной почте Отправить другу по электронной почте Опции темы Поиск в этой теме
Старый 03.02.2020, 08:26   #136 (ссылка)
Super V.I.P.
 
Аватар для Юстас

Регистрация: 03.07.2009
Адрес: г.Екатеринбург
Возраст: 63
Сообщений: 1,293
Поблагодарил: 127 раз(а)
Поблагодарили 255 раз(а)
Фотоальбомы: не добавлял
Репутация: 398
Отправить сообщение для Юстас с помощью ICQ
Кто о чем, а вшивый о бане (это я про себя).
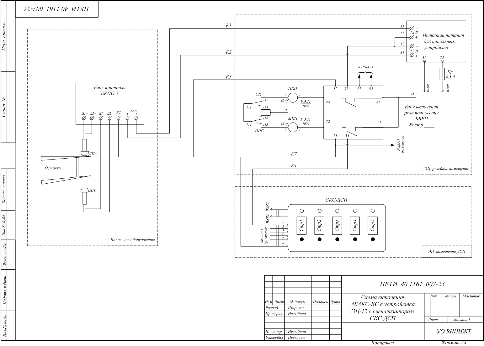
АБАКС задумывался в свое время как раз для того, что бы питание ПК/МК не включать, если остряк не на месте. И БДР тут бы не помог включиться. На схеме контакты подрисовал в блоке БДР, для понятности. На самом деле там оптроны. Согласование экспертизы на безопасность имеется.
__________________
"После игры короля кладут в тот же ящик, что и пешку"
Юстас вне форума   Цитировать 0
Поблагодарили:
Данный пост получил благодарности от пользователей
Старый 03.02.2020, 08:44   #137 (ссылка)
АфроСЦБист
 
Аватар для tyubik

Регистрация: 22.10.2010
Адрес: Ивантеевка
Возраст: 50
Сообщений: 13,217
Поблагодарил: 477 раз(а)
Поблагодарили 847 раз(а)
Фотоальбомы: не добавлял
Репутация: 1601
Фактически это и есть внешний контроль замыкания. Кстати, на одной из боковых стрелок в Очаково стояло нечто подобное.
tyubik вне форума   Цитировать 0
Старый 03.02.2020, 08:50   #138 (ссылка)
V.I.P.
 
Аватар для Alex_K

Регистрация: 15.06.2010
Адрес: Екатеринбург
Сообщений: 154
Поблагодарил: 16 раз(а)
Поблагодарили 28 раз(а)
Фотоальбомы: не добавлял
Репутация: 57
Цитата:
АБАКС задумывался в свое время как раз для того, что бы питание ПК/МК не включать, если остряк не на месте. И БДР тут бы не помог включиться.
Тоже вспоминал об АБАКС в свете этих событий. Помню, что ты занимался этим, а как вот с внедрением...
Alex_K вне форума   Цитировать 0
Старый 03.02.2020, 08:56   #139 (ссылка)
V.I.P.
 
Аватар для Kaa399

Регистрация: 21.12.2010
Адрес: РФ
Сообщений: 221
Поблагодарил: 36 раз(а)
Поблагодарили 56 раз(а)
Фотоальбомы: 6 фото
Репутация: 70
Цитата:
Сообщение от Юстас Посмотреть сообщение
АБАКС задумывался в свое время как раз для того, что бы питание ПК/МК не включать, если остряк не на месте. И БДР тут бы не помог включиться. На схеме контакты подрисовал в блоке БДР, для понятности. На самом деле там оптроны. Согласование экспертизы на безопасность имеется.
Один раз АБАКС помог очень хорошо. Один нехороший человек на УРАЛе по приводу проехал, итог погнутая гарнитура привода, отставание остряка - при наличии контроля. АБАКС заматерился...... благо стрелка пошерстная была.
Единственный минус данной системы - датчики слабенькие, головки отваливались.
Kaa399 вне форума   Цитировать 0
Поблагодарили:
Данный пост получил благодарности от пользователей
Старый 03.02.2020, 08:57   #140 (ссылка)
Мимо проползал
 
Аватар для NikoS

Регистрация: 11.06.2010
Сообщений: 1,736
Поблагодарил: 1721 раз(а)
Поблагодарили 504 раз(а)
Фотоальбомы: не добавлял
Репутация: 1045
Цитата:
Сообщение от Alex_K Посмотреть сообщение
Тоже вспоминал об АБАКС в свете этих событий. Помню, что ты занимался этим, а как вот с внедрением...
Учитывая контекст, коллеги, АБАКС в этой ситуации точно так же был бы обойден перемычкой.
Нужен целиком цифровой интерфейс, какой-нибудь RS-485, его уже так просто не обойдешь.

(Впрочем, при таком драматическом отношении к отказам, как в РЖД, у механиков довольно быстро появятся какие-то обманки и на такую хитрость).

Последний раз редактировалось NikoS; 03.02.2020 в 09:02.
NikoS вне форума   Цитировать 0
Поблагодарили:
Данный пост получил благодарности от пользователей
Старый 03.02.2020, 09:13   #141 (ссылка)
Super V.I.P.
 
Аватар для Юстас

Регистрация: 03.07.2009
Адрес: г.Екатеринбург
Возраст: 63
Сообщений: 1,293
Поблагодарил: 127 раз(а)
Поблагодарили 255 раз(а)
Фотоальбомы: не добавлял
Репутация: 398
Отправить сообщение для Юстас с помощью ICQ
Цитата:
Учитывая контекст, коллеги, АБАКС в этой ситуации точно так же был бы обойден перемычкой.
Так-то да, всё можно обойти. Но тут посложнее, надо тонкости знать, и возни больше ...

Юстас добавил 03.02.2020 в 10:13
Цитата:
Нужен целиком цифровой интерфейс, какой-нибудь RS-485, его уже так просто не обойдешь.
Есть вариант с цифровым интерфейсом ... но пока только в виде опытного образца. Тем не менее думаем над этим вопросом. ЦШ положительно смотрит в нашу сторону, вот с финансированием решим вопрос и ....

А пока мог бы и старый добрый АБАКС-КС на главном ходу принести пользу. Кстати, он малость усовершенствован, так что датчики уже не так просто оторвать и т.д.
__________________
"После игры короля кладут в тот же ящик, что и пешку"

Последний раз редактировалось Юстас; 03.02.2020 в 09:13. Причина: Добавлено сообщение
Юстас вне форума   Цитировать 0
Старый 03.02.2020, 10:31   #142 (ссылка)
Super V.I.P.
 
Аватар для Василич

Регистрация: 18.06.2010
Адрес: Братск
Возраст: 67
Сообщений: 4,081
Поблагодарил: 2092 раз(а)
Поблагодарили 1858 раз(а)
Фотоальбомы: 410 фото
Записей в дневнике: 5
А что если ИИ пришпандорить? Штука новомодная, могут и профинансировать.
__________________
что есть красота
И почему её обожествляют люди?
Сосуд она, в котором пустота,
Или огонь, мерцающий в сосуде?
Василич вне форума   Цитировать 0
Старый 03.02.2020, 11:04   #143 (ссылка)
Корифей СЦБ
 
Аватар для Александр

Регистрация: 25.02.2009
Адрес: Ленинград
Возраст: 49
Сообщений: 9,573
Поблагодарил: 1612 раз(а)
Поблагодарили 2345 раз(а)
Фотоальбомы: 1 фото
Репутация: 1386
Цитата:
Сообщение от Василич Посмотреть сообщение
А что если ИИ пришпандорить?
Так ведь на разборе отказов и по нему пройдутся.
А после того, как этот ИИ отчехвостят за задержки, он сам будет втихаря крокодилить.
__________________
"Не думай. Думаешь - не говори. Думаешь и говоришь - не пиши. Думаешь, говоришь и пишешь - не подписывай. Думаешь, говоришь, пишешь и подписываешь - не удивляйся."
Ф.Э. Дзержинский.
Александр вне форума   Цитировать 2
Старый 03.02.2020, 11:09   #144 (ссылка)
V.I.P.
 
Аватар для A_V_T

Регистрация: 20.06.2009
Адрес: Карелия
Сообщений: 148
Поблагодарил: 42 раз(а)
Поблагодарили 63 раз(а)
Фотоальбомы: не добавлял
Репутация: 158
Цитата:
Сообщение от Александр Посмотреть сообщение
Так ведь на разборе отказов и по нему пройдутся.
А после того, как этот ИИ отчехвостят за задержки, он сам будет втихаря крокодилить.
Точно! Что-то похожее было у Жванецкого:

"Привезли машину, чтоб свободные места в гостиницах считала. И сидит американский компьютер и дико греет плохо приспособленное помещение, весь в огнях, и не сообразит, кто ж ему свободные места по доброй воле сообщит. Это ж все конфеты, все букеты, всю власть взять и дурной машине отдать. Так что он давно уже из пальца берет и на потолок отправляет. Машина сама уже смекнула, что никому не нужна, но щелкает, гремит, делает вид дикой озабоченности, как все, которые никому не нужны."
A_V_T вне форума   Цитировать 0
Старый 03.02.2020, 11:16   #145 (ссылка)
Super V.I.P.
 
Аватар для Василич

Регистрация: 18.06.2010
Адрес: Братск
Возраст: 67
Сообщений: 4,081
Поблагодарил: 2092 раз(а)
Поблагодарили 1858 раз(а)
Фотоальбомы: 410 фото
Записей в дневнике: 5
Цитата:
А после того, как этот ИИ отчехвостят за задержки, он сам будет втихаря крокодилить
Ну не надо и не надо. Я ж не настаиваю. Просто насчёт помониторить и в случае чего "ахтунг" выкинуть.
__________________
что есть красота
И почему её обожествляют люди?
Сосуд она, в котором пустота,
Или огонь, мерцающий в сосуде?
Василич вне форума   Цитировать 0
Старый 03.02.2020, 11:39   #146 (ссылка)
Корифей СЦБ
 
Аватар для Александр

Регистрация: 25.02.2009
Адрес: Ленинград
Возраст: 49
Сообщений: 9,573
Поблагодарил: 1612 раз(а)
Поблагодарили 2345 раз(а)
Фотоальбомы: 1 фото
Репутация: 1386
Цитата:
Сообщение от Василич Посмотреть сообщение
Ну не надо и не надо. Я ж не настаиваю.
Василич, надо!
Но только это бесполезно. (вот такие получаются взаимоисключающие параграфы: надо и бесполезно)
__________________
"Не думай. Думаешь - не говори. Думаешь и говоришь - не пиши. Думаешь, говоришь и пишешь - не подписывай. Думаешь, говоришь, пишешь и подписываешь - не удивляйся."
Ф.Э. Дзержинский.
Александр вне форума   Цитировать 2
Старый 03.02.2020, 11:47   #147 (ссылка)
Super V.I.P.
 
Аватар для Юстас

Регистрация: 03.07.2009
Адрес: г.Екатеринбург
Возраст: 63
Сообщений: 1,293
Поблагодарил: 127 раз(а)
Поблагодарили 255 раз(а)
Фотоальбомы: не добавлял
Репутация: 398
Отправить сообщение для Юстас с помощью ICQ
Цитата:
А что если ИИ пришпандорить? Штука новомодная, могут и профинансировать.
Похоже я от обезьяны таки произошел Василич,
что такое ИИ?
__________________
"После игры короля кладут в тот же ящик, что и пешку"
Юстас вне форума   Цитировать 0
Старый 03.02.2020, 11:51   #148 (ссылка)
Super V.I.P.
 
Аватар для Василич

Регистрация: 18.06.2010
Адрес: Братск
Возраст: 67
Сообщений: 4,081
Поблагодарил: 2092 раз(а)
Поблагодарили 1858 раз(а)
Фотоальбомы: 410 фото
Записей в дневнике: 5
Цитата:
что такое ИИ?
Интеллект. Но не наш, а синтетический (сиречь - искусственный).
__________________
что есть красота
И почему её обожествляют люди?
Сосуд она, в котором пустота,
Или огонь, мерцающий в сосуде?
Василич вне форума   Цитировать 0
Старый 03.02.2020, 11:52   #149 (ссылка)
Super V.I.P.
 
Аватар для Трезвый путеец

Регистрация: 07.03.2019
Сообщений: 1,022
Поблагодарил: 17 раз(а)
Поблагодарили 122 раз(а)
Фотоальбомы: не добавлял
Репутация: 308
Цитата:
Сообщение от Василич Посмотреть сообщение
Интеллект. Но не наш, а синтетический (сиречь - искусственный).
Алиса/Сири и еще пару новомодных имен
Трезвый путеец вне форума   Цитировать 0
Старый 03.02.2020, 12:10   #150 (ссылка)
Super V.I.P.
 
Аватар для Юстас

Регистрация: 03.07.2009
Адрес: г.Екатеринбург
Возраст: 63
Сообщений: 1,293
Поблагодарил: 127 раз(а)
Поблагодарили 255 раз(а)
Фотоальбомы: не добавлял
Репутация: 398
Отправить сообщение для Юстас с помощью ICQ
Цитата:
Интеллект. Но не наш, а синтетический (сиречь - искусственный).
Вон оно чо! В свое время рулился с человеком - Гоманом Евгением Александровичем по вопросам АБАКСа, ему чото все не нравилось. И в ходе разговора этого я понял, каким он хочет видеть это устройство! Короче, АБАКС должен с завода изготовителя ползком уползти на вверенную ему стрелку, на вверенной станции, хоть бы и на Дальнем Востоке. Там он должен сам засверлиться в раму, закопать свою муфту с блоком в габарите, подключиться на пост ЭЦ и отрапортовать в инстанции - я на месте, всё гут, если что - никто не виноват!
__________________
"После игры короля кладут в тот же ящик, что и пешку"
Юстас вне форума   Цитировать 0
Поблагодарили:
Данный пост получил благодарности от пользователей
Похожие темы
Тема Автор Раздел Ответов Последнее сообщение
Сход поезда. На Хмельнитчине Mashinist1990 Общие вопросы железных дорог 2 07.06.2017 16:20
Сход грузового поезда 1max Нарушения безопасности на ж/д до 2010 года 0 20.06.2015 12:59
Технология обработки сборного поезда на промежуточной станции,технол. обработки поездов на участковой станции и на сортировочной ст.. Marina Semenova Поиск документации 1 22.09.2012 22:48
Сход поезда на ст. Буй СевЖД 06.11.2011 Admin Нарушения безопасности на сети дорог 16 17.01.2012 21:06
Сход поезда Витос Нарушения безопасности на сети дорог 2 13.04.2010 19:08

Ответить в этой теме   Перейти в раздел этой темы

Возможно вас заинтересует информация по следующим меткам (темам):
, , , , , , , , , , , , , , , , , , , , , , , , , , , , , , , , , , , , , ,


Здесь присутствуют: 1 (пользователей: 0 , гостей: 1)
 

Ваши права в разделе
Вы не можете создавать новые темы
Вы не можете отвечать в темах
Вы не можете прикреплять вложения
Вы не можете редактировать свои сообщения

BB коды Вкл.
Смайлы Вкл.
[IMG] код Вкл.
HTML код Выкл.
Trackbacks are Вкл.
Pingbacks are Вкл.
Refbacks are Выкл.



Часовой пояс GMT +3, время: 02:16.

Яндекс.Метрика Справочник 
сцбист.ру сцбист.рф

СЦБИСТ (ранее назывался: Форум СЦБистов - Railway Automation Forum) - крупнейший сайт работников локомотивного хозяйства, движенцев, эсцебистов, путейцев, контактников, вагонников, связистов, проводников, работников ЦФТО, ИВЦ железных дорог, дистанций погрузочно-разгрузочных работ и других железнодорожников.
Связь с администрацией сайта: admin@scbist.com
1 2 3 4 5 6 7 8 9 10 11 12 13 14 15 16 17 18 19 20 21 22 23 24 25 26 27 28 29 30 31 32 33 34 
Powered by vBulletin® Version 3.8.1
Copyright ©2000 - 2026, Jelsoft Enterprises Ltd.
Powered by NuWiki v1.3 RC1 Copyright ©2006-2007, NuHit, LLC Перевод: zCarot