СЦБИСТ - железнодорожный форум, блоги, фотогалерея, социальная сеть
Ушел из жизни Крупицкий Адольф Зельманович
6 февраля 2026 года ушел из жизни Крупицкий Адольф Зельманович, более шести десятков лет проработавший в институте «Гипротранссигналсвязь». Всю свою трудовую деятельность А.З. Крупицкий посвятил проектному делу. После окончанию обучения в Ленинградском институте инженеров железнодорожного транспорта в 1959 году начал свою профессиональную деятельность в качестве старшего электромеханика дистанции сигнализации и связи на Казахской железной дороге. В 1960 году пришел на работу в институт на должность инженера, работал руководителем группы, главным инженером проектов.

Читать далее
Вернуться   СЦБИСТ - железнодорожный форум, блоги, фотогалерея, социальная сеть > Уголок СЦБИСТа > Документация > Системы централизации и блокировки > Микропроцессорные и релейно-процессорные централизации
Закладки ДневникиПоддержка Сообщество Комментарии к фото Сообщения за день
Ответить в этой теме   Перейти в раздел этой темы    
 
В мои закладки Подписка на тему по электронной почте Отправить другу по электронной почте Опции темы Поиск в этой теме
Старый 02.02.2015, 18:43   #16 (ссылка)
V.I.P.
 
Аватар для Rafa

Регистрация: 24.10.2009
Адрес: МОЙДОДЫР
Сообщений: 5,650
Поблагодарил: 388 раз(а)
Поблагодарили 577 раз(а)
Фотоальбомы: не добавлял

Тема: безопасный интерфейс с реле своими руками за 5 минут


...................

Последний раз редактировалось Rafa; 04.08.2015 в 16:21. Причина: Добавлено сообщение
Rafa вне форума   Цитировать 1
Старый 04.02.2015, 15:10   #17 (ссылка)
Новый пользователь
 
Аватар для Torquato Tasso

Регистрация: 07.07.2009
Сообщений: 5,879
Поблагодарил: 282 раз(а)
Поблагодарили 1013 раз(а)
Фотоальбомы: 1 фото
Цитата:
Сообщение от Абрамов..ИЧ Посмотреть сообщение
Че пристали! Дайте человеку что-то создать.
кстати, кишки этой микрухи- полный аналог схемы собранной когда-то на дискретнитках. схема оказалась очень удачной и ее решили собирать на одном кристале - так дешевле
Torquato Tasso вне форума   Цитировать 0
Старый 04.02.2015, 15:39   #18 (ссылка)
V.I.P.

Автор темы
 
Аватар для Rafa

Регистрация: 24.10.2009
Адрес: МОЙДОДЫР
Сообщений: 5,650
Поблагодарил: 388 раз(а)
Поблагодарили 577 раз(а)
Фотоальбомы: не добавлял
[b]П

Последний раз редактировалось Rafa; 04.08.2015 в 16:22. Причина: Добавлено сообщение
Rafa вне форума   Цитировать 1
Старый 04.02.2015, 15:41   #19 (ссылка)
Новый пользователь
 
Аватар для Torquato Tasso

Регистрация: 07.07.2009
Сообщений: 5,879
Поблагодарил: 282 раз(а)
Поблагодарили 1013 раз(а)
Фотоальбомы: 1 фото
Рафик ты зачем полевик вставил в разрыв общего провода питания микросхемы? ты уверен, что поступил правильно?

Последний раз редактировалось Torquato Tasso; 04.02.2015 в 16:27.
Torquato Tasso вне форума   Цитировать 0
Старый 04.02.2015, 15:44   #20 (ссылка)
V.I.P.

Автор темы
 
Аватар для Rafa

Регистрация: 24.10.2009
Адрес: МОЙДОДЫР
Сообщений: 5,650
Поблагодарил: 388 раз(а)
Поблагодарили 577 раз(а)
Фотоальбомы: не добавлял
[quote=

Последний раз редактировалось Rafa; 04.08.2015 в 16:22.
Rafa вне форума   Цитировать 1
Старый 04.02.2015, 15:52   #21 (ссылка)
Новый пользователь
 
Аватар для Torquato Tasso

Регистрация: 07.07.2009
Сообщений: 5,879
Поблагодарил: 282 раз(а)
Поблагодарили 1013 раз(а)
Фотоальбомы: 1 фото
Цитата:
Сообщение от Rafa Посмотреть сообщение
ну докажи мне что я не прав.
я не знаю, прав ты или лев, но меня на электронике учили , что общий провод-это общий провод, а если выключать питание, то нужно разрывать плюс.
Цитата:
Сообщение от Rafa Посмотреть сообщение
кишки микрухи покажи. я лично не нашел.
когда попадется мне как нибудь в интернете- обязательно покажу.
Torquato Tasso вне форума   Цитировать 0
Старый 04.02.2015, 16:33   #22 (ссылка)
ЛИИЖТ АТ-103 (1981-1986)
 
Аватар для Просто инженер АиТ

Регистрация: 16.10.2012
Адрес: Где резной палисад
Возраст: 65
Сообщений: 980
Поблагодарил: 220 раз(а)
Поблагодарили 140 раз(а)
Фотоальбомы: не добавлял
Репутация: 380
Я думаю, что на полупроводниковых элементах нужно создавать безопасные схемы по принципу "Велосипеда", пока катишься не падаешь, т.е. они должны быть полностью динамичными, никаких статический напряжений и токов. Если динамика остановилась, всё - переход безопасный отказ.
Вот только пока до конца не определился с методами построения таких вещей. Что-то типа генератора, где положительные связи образуются только при условии правильного выполнения алгоритма.
__________________
Не важна реальность, важно как мы к ней относимся!
Просто инженер АиТ вне форума   Цитировать 0
Старый 04.02.2015, 16:54   #23 (ссылка)
Banned
 
Аватар для U-54

Регистрация: 02.02.2015
Сообщений: 59
Поблагодарил: 3 раз(а)
Поблагодарили 10 раз(а)
Фотоальбомы: не добавлял
Репутация: -24
Цитата:
безопасный отказ
защитный отказ

Последний раз редактировалось U-54; 04.02.2015 в 23:57.
U-54 вне форума   Цитировать 0
Старый 04.02.2015, 16:59   #24 (ссылка)
V.I.P.

Автор темы
 
Аватар для Rafa

Регистрация: 24.10.2009
Адрес: МОЙДОДЫР
Сообщений: 5,650
Поблагодарил: 388 раз(а)
Поблагодарили 577 раз(а)
Фотоальбомы: не добавлял
[quote]

Последний раз редактировалось Rafa; 04.08.2015 в 16:22. Причина: Добавлено сообщение
Rafa вне форума   Цитировать 1
Старый 04.02.2015, 17:03   #25 (ссылка)
Новый пользователь
 
Аватар для Torquato Tasso

Регистрация: 07.07.2009
Сообщений: 5,879
Поблагодарил: 282 раз(а)
Поблагодарили 1013 раз(а)
Фотоальбомы: 1 фото
Цитата:
Сообщение от Rafa Посмотреть сообщение
можешь не искать.
Рафик, я же тебе по русски написал когда попадется
еще добавлю случайно

Цитата:
Сообщение от Rafa Посмотреть сообщение
это где ?
на электронике
Torquato Tasso вне форума   Цитировать 0
Старый 04.02.2015, 17:04   #26 (ссылка)
V.I.P.

Автор темы
 
Аватар для Rafa

Регистрация: 24.10.2009
Адрес: МОЙДОДЫР
Сообщений: 5,650
Поблагодарил: 388 раз(а)
Поблагодарили 577 раз(а)
Фотоальбомы: не добавлял
[quote=Просто инженер АиТ;237622]Я думаю, что на полупроводниковых элементах нужно создавать

Последний раз редактировалось Rafa; 04.08.2015 в 16:22. Причина: Добавлено сообщение
Rafa вне форума   Цитировать 1
Старый 04.02.2015, 17:05   #27 (ссылка)
Новый пользователь
 
Аватар для Torquato Tasso

Регистрация: 07.07.2009
Сообщений: 5,879
Поблагодарил: 282 раз(а)
Поблагодарили 1013 раз(а)
Фотоальбомы: 1 фото
Цитата:
Сообщение от Rafa Посмотреть сообщение
плюс это в рел. сх. сцб рвут. тут же все иначе.
Рафик, электроника- это понятие довольно многогранное и оно не ограничено одними лишь реле и одним лишь СЦБ
Torquato Tasso вне форума   Цитировать 0
Старый 04.02.2015, 17:12   #28 (ссылка)
V.I.P.

Автор темы
 
Аватар для Rafa

Регистрация: 24.10.2009
Адрес: МОЙДОДЫР
Сообщений: 5,650
Поблагодарил: 388 раз(а)
Поблагодарили 577 раз(а)
Фотоальбомы: не добавлял
[quote=Torquato Tasso;237633]Рафик, электроника- это понятие довольно многогранное и оно не ограничено одними лишь реле

Последний раз редактировалось Rafa; 04.08.2015 в 16:22. Причина: Добавлено сообщение
Rafa вне форума   Цитировать 1
Старый 04.02.2015, 17:26   #29 (ссылка)
Banned
 
Аватар для Анонимный

Регистрация: 07.05.2009
Сообщений: 6,491
Поблагодарил: 0 раз(а)
Поблагодарили 261 раз(а)
Фотоальбомы: не добавлял
Репутация: -28

Комментарии к сообщению (репутация)
Rafa, отрицательно: в игнор дорогой - в игнор !!!
Анонимный вне форума   Цитировать 0
Старый 05.02.2015, 16:42   #30 (ссылка)
V.I.P.

Автор темы
 
Аватар для Rafa

Регистрация: 24.10.2009
Адрес: МОЙДОДЫР
Сообщений: 5,650
Поблагодарил: 388 раз(а)
Поблагодарили 577 раз(а)
Фотоальбомы: не добавлял
........

Последний раз редактировалось Rafa; 04.08.2015 в 16:22.
Rafa вне форума   Цитировать 1
Старый 05.02.2015, 17:24   #31 (ссылка)
Super V.I.P.
 
Аватар для Adagumer

Регистрация: 16.02.2012
Сообщений: 5,272
Поблагодарил: 6720 раз(а)
Поблагодарили 977 раз(а)
Фотоальбомы: не добавлял
Репутация: 1704
Цитата:
Сообщение от Rafa
кто найдет опасный отказ или ошибку
Отказов не будет, а ошибка в использовании данного модуля, не предназначенного для передачи кодовых сигналов.
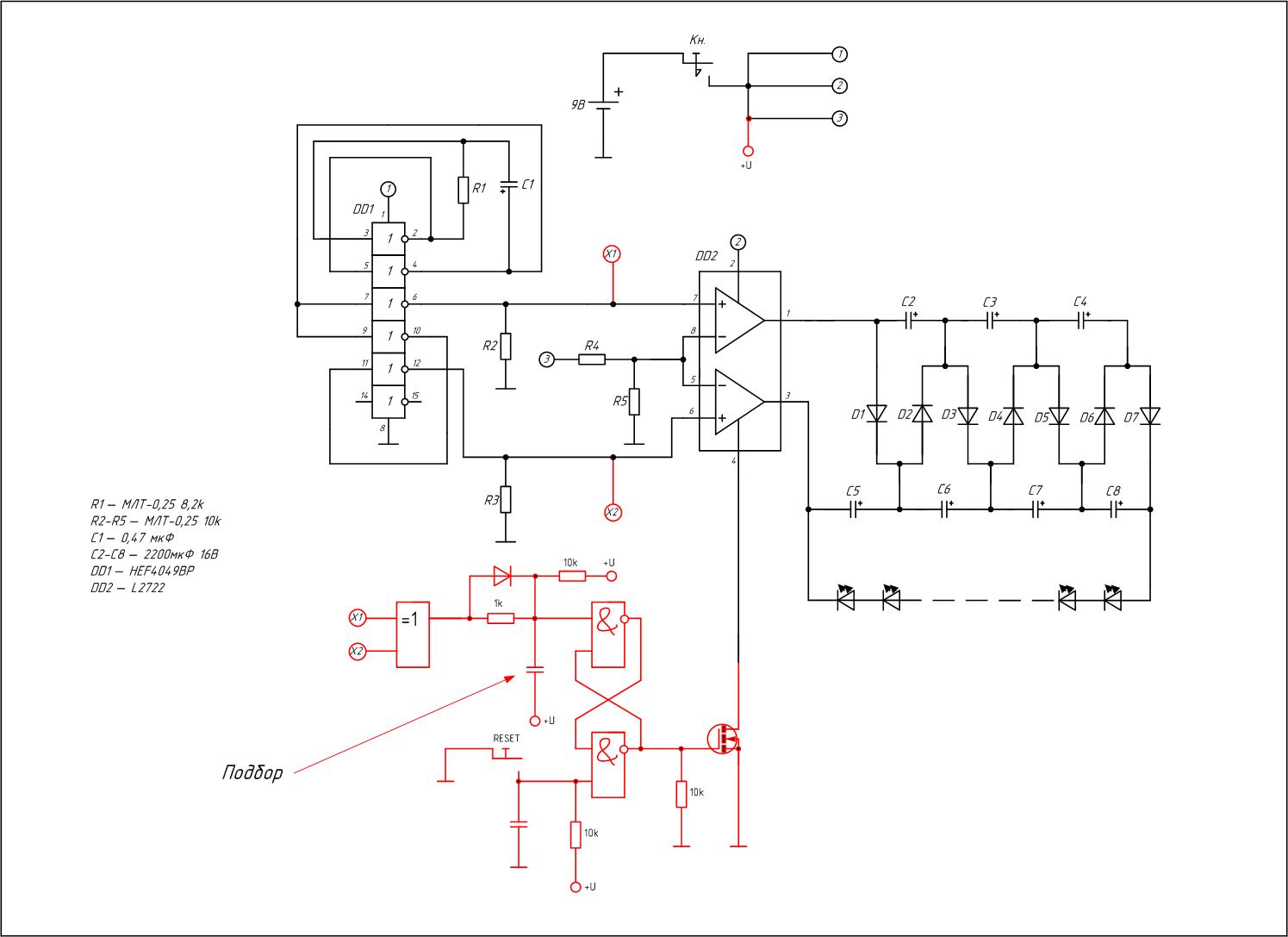
Ну а по схеме специально заложена ошибка с наличием диодов и особенно с их полярностью включения.

Комментарии к сообщению (репутация)
Rafa, положительно: диоды так включенны н
Adagumer вне форума   Цитировать 0
Похожие темы
Тема Автор Раздел Ответов Последнее сообщение
[Новости КТЖ] Руками молодых крепится сотрудничество Анонимный Новости на сети дорог 0 04.11.2014 10:04
[В блогах] Макет ж/д станции своими руками Admin Интересное в блогах 0 26.09.2012 22:15
[Железнодорожник Поволжья] Своими руками Admin Газеты и журналы железных дорог 0 23.05.2012 22:45
Айпад своими руками Torquato Tasso Разговоры обо всем 3 04.12.2011 13:35
CAN-интерфейс для передачи информации в системе КЛУБ-У Admin xx3 0 02.06.2011 19:17

Ответить в этой теме   Перейти в раздел этой темы   Translate to English


Здесь присутствуют: 1 (пользователей: 0 , гостей: 1)
 

Ваши права в разделе
Вы не можете создавать новые темы
Вы не можете отвечать в темах
Вы не можете прикреплять вложения
Вы не можете редактировать свои сообщения

BB коды Вкл.
Смайлы Вкл.
[IMG] код Вкл.
HTML код Выкл.
Trackbacks are Вкл.
Pingbacks are Вкл.
Refbacks are Выкл.



Часовой пояс GMT +3, время: 13:45.

Яндекс.Метрика Справочник 
сцбист.ру сцбист.рф

СЦБИСТ (ранее назывался: Форум СЦБистов - Railway Automation Forum) - крупнейший сайт работников локомотивного хозяйства, движенцев, эсцебистов, путейцев, контактников, вагонников, связистов, проводников, работников ЦФТО, ИВЦ железных дорог, дистанций погрузочно-разгрузочных работ и других железнодорожников.
Связь с администрацией сайта: admin@scbist.com
1 2 3 4 5 6 7 8 9 10 11 12 13 14 15 16 17 18 19 20 21 22 23 24 25 26 27 28 29 30 31 32 33 34 
Powered by vBulletin® Version 3.8.1
Copyright ©2000 - 2026, Jelsoft Enterprises Ltd.
Powered by NuWiki v1.3 RC1 Copyright ©2006-2007, NuHit, LLC Перевод: zCarot