СЦБИСТ - железнодорожный форум, блоги, фотогалерея, социальная сеть
Ушел из жизни Крупицкий Адольф Зельманович
6 февраля 2026 года ушел из жизни Крупицкий Адольф Зельманович, более шести десятков лет проработавший в институте «Гипротранссигналсвязь». Всю свою трудовую деятельность А.З. Крупицкий посвятил проектному делу. После окончанию обучения в Ленинградском институте инженеров железнодорожного транспорта в 1959 году начал свою профессиональную деятельность в качестве старшего электромеханика дистанции сигнализации и связи на Казахской железной дороге. В 1960 году пришел на работу в институт на должность инженера, работал руководителем группы, главным инженером проектов.

Читать далее
Вернуться   СЦБИСТ - железнодорожный форум, блоги, фотогалерея, социальная сеть > Эксплуатация устройств СЦБ > Классические релейные системы ЭЦ, АБ и ПАБ
Классические релейные системы ЭЦ, АБ и ПАБ Обсуждение электрических централизаций, автоблокировок и полуавтоблокировок на релейной элементной базе
Закладки ДневникиПоддержка Сообщество Комментарии к фото Сообщения за день
Ответить в этой теме   Перейти в раздел этой темы    
 
В мои закладки Подписка на тему по электронной почте Отправить другу по электронной почте Опции темы Поиск в этой теме
Старый 24.05.2016, 23:40   #1 (ссылка)
Новичок
 
Аватар для Дмитрий Мазур

Регистрация: 29.11.2015
Сообщений: 28
Поблагодарил: 22 раз(а)
Поблагодарили 0 раз(а)
Фотоальбомы: не добавлял
Репутация: 0

Тема: ЭЦ блок-поста


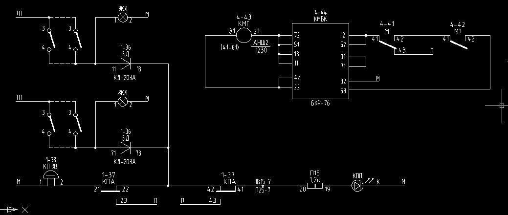
Добрый день!. ЭЦ на блок-посту выполнена по альбому ЭЦ-12-03. Две тональных рельсовых цепи АСП и БСП. Вопросы:
1) За что отвечает реле АМСП и его светодиод?

[IMG][/IMG]

2) Светодиод КПП - это контроль предохранителей? Если до, то каких?



3) Автодействие ? Т.е. это режим когда поезда идут на пропуск, стрелки в плюсе?




Спасибо!
Дмитрий Мазур вне форума   Цитировать 0
Похожие темы
Тема Автор Раздел Ответов Последнее сообщение
№ 1247/303П - О применении 7600-ТМП “Модуль временного блок-поста (ВБП) для участков с кодовой АБ при электротяге” Admin Указания ГТСС 2 22.05.2025 18:54
Фото блок-поста. Дмитрий Мазур Общие вопросы эксплуатации устройств СЦБ 41 11.06.2016 17:12
Полюса питания блок-поста Дмитрий Мазур Классические релейные системы ЭЦ, АБ и ПАБ 3 17.05.2016 17:51
[4 августа 1985] Травмирование дежурного Блок-Поста Березнёвой ОктЖД Admin Нарушения безопасности на ж/д до 2010 года 0 14.01.2013 11:20
Ищу техн. реш. Модуля временного блок-поста для числовой кодовой АБ mr.lesik Поиск документации 3 22.09.2010 11:01

Ответить в этой теме   Перейти в раздел этой темы   Translate to English


Здесь присутствуют: 1 (пользователей: 0 , гостей: 1)
 

Ваши права в разделе
Вы не можете создавать новые темы
Вы не можете отвечать в темах
Вы не можете прикреплять вложения
Вы не можете редактировать свои сообщения

BB коды Вкл.
Смайлы Вкл.
[IMG] код Вкл.
HTML код Выкл.
Trackbacks are Вкл.
Pingbacks are Вкл.
Refbacks are Выкл.



Часовой пояс GMT +3, время: 10:34.

Яндекс.Метрика Справочник 
сцбист.ру сцбист.рф

СЦБИСТ (ранее назывался: Форум СЦБистов - Railway Automation Forum) - крупнейший сайт работников локомотивного хозяйства, движенцев, эсцебистов, путейцев, контактников, вагонников, связистов, проводников, работников ЦФТО, ИВЦ железных дорог, дистанций погрузочно-разгрузочных работ и других железнодорожников.
Связь с администрацией сайта: admin@scbist.com
1 2 3 4 5 6 7 8 9 10 11 12 13 14 15 16 17 18 19 20 21 22 23 24 25 26 27 28 29 30 31 32 33 34 
Powered by vBulletin® Version 3.8.1
Copyright ©2000 - 2026, Jelsoft Enterprises Ltd.
Powered by NuWiki v1.3 RC1 Copyright ©2006-2007, NuHit, LLC Перевод: zCarot