Макет ж/д станции своими руками
Нравится мне электроника, вот возникла идея сделать макет ж/д станции и оборудовать ее системой БМРЦ-БН - той, что используется на многих железнодорожных станциях. Сделать пульт дежурного на светодиодах, спроектировать схемы и спаять саму централизацию на мини реле! Думаю будет интересно.

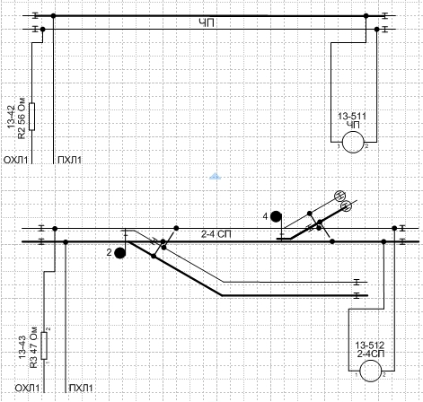
Станция выдумана, хотя может где такая есть.

Это знаменитые англичанки
В обслуживании к ним нужен особый подход, уж я знаю. У меня на макете будет такой съезд. К стрелочным переводам идут электромагнитные привода 12В, так что стрелки будут переводиться. Кстати рельсы железные, а значит рельсовые цепи можно без особого труда сделать. В общем все будет работать как на реальной станции! А в будущем можно сделать пульт неисправностей, задавая которые, можно делать из электромехаников СЦБ настоящих электромехаников СЦБ, знающих релейку, схемы и способных за кратчайшее время найти неисправность.
По мере продвижения к цели буду выкладывать результаты работы.

Станция выдумана, хотя может где такая есть.

Это знаменитые англичанки
По мере продвижения к цели буду выкладывать результаты работы.
Всего комментариев 96
Комментарии
-
Запись от express2006 размещена 06.03.2011 в 17:03
-
Коллега, английская стрелка заводского исполнения?Запись от ШНС СЦБ размещена 07.03.2011 в 15:38
-
Запись от express2006 размещена 08.03.2011 в 06:46
-
Запись от Michalych размещена 08.03.2011 в 16:39
-
Запись от ШНС СЦБ размещена 09.03.2011 в 22:19
-
Запись от express2006 размещена 15.03.2011 в 15:22
-
Запись от express2006 размещена 15.03.2011 в 16:42
Обновил(-а) express2006 23.11.2012 в 12:55 -
Запись от express2006 размещена 15.03.2011 в 17:37
Обновил(-а) express2006 23.11.2012 в 12:55 -
Запись от express2006 размещена 17.03.2011 в 16:09
-
Боюсь, что цифра стоимости сего творения занижена. Я имею опыт работы с такими реле. При незначительных токах происходит окисление контактов в реле с низкой стоимостью. Нормальные же реле стоят порядка 15-18 евро за штуку. А вообще то желаю успеха.
P.S. Когда-то я собрал нечто подобное (правда это был участок автоблокировки) на реле РЭС-9. Колбы для светофорных лампочек для уменьшения габаритов выковыривал из патронов обычных лампочек для фонарика. Для изолированных стыков продавались специальные вставки с зажимами для подключения проводов.Запись от APCnik размещена 19.03.2011 в 17:11
-
Запись от express2006 размещена 19.03.2011 в 19:11
-
Да, наверное это минимумЦитата:
А вот окисление контактов нам совсем нежелательно, буду надеяться что эти реле нормально будут работать.Запись от express2006 размещена 19.03.2011 в 19:17
-
Запись от express2006 размещена 23.03.2011 в 17:11
-
Идея сделать макет ж/д станции интересна и заслуживает уважения, только идея переносить на макет существующую релейную систему мне кажется в корне неверной. Посмотрите на модель вагона или стрелки, которые у вас есть. Там что есть все подробности и детальки настоящего вагона или стрелки? Вы представляете как сложно было бы это создать? Модель ВСЕГДА более проста чем оригинал иначе стоимость и сложность модели превосходила бы оригинал. Стройте модель ЭЦ и АБ с сохранением ОСНОВНЫХ функций, а не переносите существующую систему на другую элементную базу, все равно не получится. И дело не только в количестве тройников, а и во временных параметрах реле, и значениях токов и напряжений (многие цепи придется пересчитывать номиналы). Конечно в 21 веке проще всю логику реализовать программно на микропроцессорных устройствах, но и на реле можно что-то работоспособное придумать.Запись от micush размещена 25.03.2011 в 00:12
-
По поводу приведенных схем.
1. Двухобмоточное реле реализовано неправильно т.к., обычно, обмотки такого реле включаются в различные цепи, которые не должны соединяться между собой, а у вас эти цепи будут замыкаться между собой.
2. Я не представляю как вообще на таком макете можно реализовать классические рельсовые цепи, ведь рельсы используются для питания электродвигателя локомотива? и вагоны не шунтируют РЦ, они изолированные?
Можно попробовать реализовать что-то типа нормально разомкнутых РЦ, если тока хватит и для включения реле и питания электродвигателя.Запись от micush размещена 25.03.2011 в 00:27
-
Конечно я уже думал об этом, однако немного изменились задачи и цели. Будет сделан макет, и пульт неисправностей (около 30). Переключив тумблер не идет, например, струна КС, и т.д. А по имеющимся схемам, механики СЦБ могут тренироваться, правда только в миниатюрной релейке. У нас станции сплошником стоят на БМРЦ. А уровень знаний механиков оставляет желать лучшего. Может быть, я очень надеюсь на это, макет будет им в помощь.Цитата:Идея сделать макет ж/д станции интересна и заслуживает уважения, только идея переносить на макет существующую релейную систему мне кажется в корне неверной. Посмотрите на модель вагона или стрелки, которые у вас есть. Там что есть все подробности и детальки настоящего вагона или стрелки? Вы представляете как сложно было бы это создать? Модель ВСЕГДА более проста чем оригинал иначе стоимость и сложность модели превосходила бы оригинал. Стройте модель ЭЦ и АБ с сохранением ОСНОВНЫХ функций, а не переносите существующую систему на другую элементную базу, все равно не получится. И дело не только в количестве тройников, а и во временных параметрах реле, и значениях токов и напряжений (многие цепи придется пересчитывать номиналы). Конечно в 21 веке проще всю логику реализовать программно на микропроцессорных устройствах, но и на реле можно что-то работоспособное придумать.Запись от express2006 размещена 26.03.2011 в 04:41
-
Кстати благодарю за погружение в мои проблемы, стоящие на путиЦитата:По поводу приведенных схем.
1. Двухобмоточное реле реализовано неправильно т.к., обычно, обмотки такого реле включаются в различные цепи, которые не должны соединяться между собой, а у вас эти цепи будут замыкаться между собой.
2. Я не представляю как вообще на таком макете можно реализовать классические рельсовые цепи, ведь рельсы используются для питания электродвигателя локомотива? и вагоны не шунтируют РЦ, они изолированные?
Можно попробовать реализовать что-то типа нормально разомкнутых РЦ, если тока хватит и для включения реле и питания электродвигателя.
. По поводу двухобмоточного реле подмечено верно. Пришлось еще подумать и родилось следущее:

А по поводу рельсовых цепей думаю придется на локомотиве и всех вагонах пропаивать колесные пары, делая шунт. А внутрь локомотива вставлять аккумулятор (от телефона, например). Возможно даже сделать схему и пульт для дистанционного управления.Запись от express2006 размещена 26.03.2011 в 04:49
-
Запись от express2006 размещена 26.03.2011 в 11:14
Обновил(-а) express2006 26.03.2011 в 11:17 -
Рельсовые цепи и питание локомотива от рельс можно зделать следующим образом, на колесные пары запаять не перемычку а стабилитрон на напряжение питания локомотива, саму рельсовую чепь запитать повышеным напряженнием (вольт 16) через ограничивающий резистор. Тогда получится нет подвижной единицы в рельсах 16в когда есть, в рельсах 12в. Подобрать релюху (или схему ее включения) из этих соображний. Удачи!Запись от z_line размещена 26.03.2011 в 21:06
-
Большое спасибо! Приму к сведениюЦитата:Рельсовые цепи и питание локомотива от рельс можно cделать следующим образом, на колесные пары запаять не перемычку а стабилитрон на напряжение питания локомотива, саму рельсовую чепь запитать повышеным напряженнием (вольт 16) через ограничивающий резистор. Тогда получится нет подвижной единицы в рельсах 16в когда есть, в рельсах 12в. Подобрать релюху (или схему ее включения) из этих соображний. Удачи!
Запись от express2006 размещена 27.03.2011 в 08:32







, но интерес перевешивает.


Придется голову поломать и свою придумать что ли...


