СЦБИСТ - железнодорожный форум, блоги, фотогалерея, социальная сеть
Вернуться   СЦБИСТ - железнодорожный форум, блоги, фотогалерея, социальная сеть > Техника > Уголок радиолюбителя > Автоматика в быту
Закладки ДневникиПоддержка Сообщество Комментарии к фото Сообщения за день
Ответить в этой теме   Перейти в раздел этой темы   Translate to English    
 
Translate to English В мои закладки Подписка на тему по электронной почте Отправить другу по электронной почте Опции темы Поиск в этой теме
Старый 01.06.2015, 23:28   #1 (ссылка)
Crow indian
 
Аватар для Admin

Регистрация: 21.02.2009
Возраст: 40
Сообщений: 30,010
Поблагодарил: 398 раз(а)
Поблагодарили 5987 раз(а)
Фотоальбомы: 2576 фото
Записей в дневнике: 698
Репутация: 126089

Тема: Бесконтактное реле с регулятором тока


Бесконтактное реле с регулятором тока


Н. Дробница

Реле времени предназначено для автоматического отключения нагревательных и осветительных приборов от сети. Его удобно использовать также при работе с фотоувеличителем. Мощность отключаемых приборов не должна превышать 600 Вт. Устройство имеет два диапазона выдержек времени: 1—60 с и 1—60 мин. Погрешность в отсчете выдержек времени при небольших колебаниях окружающей температуры не превышает 5% от установленной величины. Предусмотрена возможность плавного регулирования силы тока в нагрузке в пределах от 10 до 98% от номинальной.

Отсутствие коммутирующих контактов в цепи нагрузки значительно повышает надежность и долговечность устройства. За счет отсутствия блока питания реле времени имеет небольшие габариты и массу.

Принципиальная схема реле времени с регулятором тока показана на рис. 1. В состав устройства входят сетевой фильтр, состоящий из дросселя Др1 и конденсатора С1, выпрямительный диодный мост Д1—Д4, тринистор Д5, фазоимпульсный узел управления три-нистром на транзисторах Г/ и Т2, импульсный ключ на транзисторах ТЗ, Т4 и времязадающий узел на транзисторе Т5.


При включении устройства в сеть напряжение питания на его элементы не поступает до тех пор, пока в гнезда Гн1 и Гн2 не будет подсоединена нагрузка, после чего напряжение сети подается на нагрузку, а также на дроссель Др1, диоды Д1—Д4 и тринистор Д5. Кроме того, это напряжение через резистор R6 попадает на стабилитроны Д6 и Д7. Напряжение, снимаемое со стабилитронов Д6 и Д7, заряжает конденсатор С2 и поступает на делитель R5, R3, определяющий рабочую точку транзистора 72. В связи с тем, что конденсаторы СЗ и С4 разряжены, транзистор 75 открыт. Ток стока транзистора Т5, проходя по цепи базы транзистора 74, открывает транзисторы импульсного ключа 73 и 74. Конденсатор С2 при этом заряжаться не может, и транзисторы 71 и 72 будут закрыты. Импульсы тока на управляющий электрод тринистора не поступают, тринистор Д5 закрыт, и ток через нагрузку не проходит. В таком состоянии устройство может находиться неограниченное время.

Требуемую выдержку устанавливают с помощью переключателя В1 и резистора R9. При нажатии на кнопку Кн1 выпрямленное напряжение сети через резистор R7, замкнутые контакты кнопки Кн1 и транзисторы импульсного ключа 73, 74 заряжают конденсатор СЗ (или С4) до напряжения стабилизации стабилитрона Д9. После отпускания кнопки Кн1 заряженный конденсатор разряжается через резистор R9. При этом на затвор полевого транзистора 75 через стабилитрон Д8 поступает положительное напряжение по отношению истока транзистора. Транзистор 75 и транзисторы импульсного ключа 73, 74 закрываются. Стабилитрон Д8 служит для уменьшения погрешности установленной выдержки.


После закрывания транзисторов импульсного ключа начинает работать фазоимпульсный узел управления тринистором. Конденсатор С2 заряжается через резистор R4 до напряжения, равного падению напряжения на резисторе R3. Транзисторы 71 и 72 до этого момента закрыты положительным напряжением, которое подается на базу транзистора 72 с делителя напряжения на резисторах R5, R3. При превышении напряжения на конденсаторе С2 напряжения делителя начинает протекать ток по цепи базы транзистора 72. Это приводит к скачкообразному открыванию транзисторов 72 и 71. Конденсатор С2 разряжается через эти транзисторы по цепи управляющего электрода тринистора. Импульс тока разряда конденсатора открывает тринистор, замыкая цепь нагрузки до конца полупериода сетевого напряжения, и в это время течет ток через нагрузку. При уменьшении напряжения сети до нуля (в конце полу-периода) тринистор закрывается. При каждом следующем полупериоде напряжения циклы повторяются. Фазу открывания тринистора (а соответственно, и ток в нагрузке) плавно регулируют переменным резистором R4. При минимальном сопротивлении резистора R4 ток в нагрузке максимален. Для приблизительной оценки величины тока в нагрузке служит лампочка Л1, на которую подается напряжение с резистора R1, включенного последовательно в цепь нагрузки.

После разряда времязадающего конденсатора СЗ (С4) до напряжения, равного сумме напряжения отсечки транзистора Т5 и напряжения стабилизации стабилитрона Д8, транзистор Т5 начинает открываться, это приводит к открыванию транзисторов импульсного ключа ТЗ, Т4 и закрыванию тринистора Д5, что соответствует установке устройства в ждущий режим.

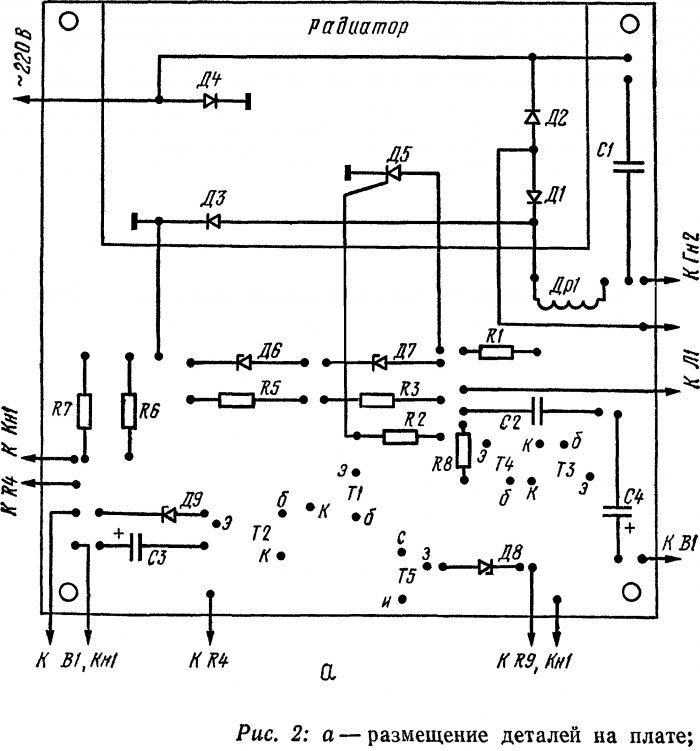
Элементы реле времени монтируют на печатной плате, изображенной на рис. 2, и помещают ее в пластмассовый корпус. Для охлаждения деталей в корпусе должны быть предусмотрены вентиляционные отверстия. Диоды Д1—Д5 следует установить на небольшие радиаторы, позволяющие рассеивать мощность 2 Вт. Для охлаждения диодов Д1—Д5 можно использовать один радиатор, но при этом диоды Д1 и Д2 необходимо изолировать от радиатора с помощью термостойких (можно слюдяных) изоляционных прокладок. Общий радиатор должен рассеивать мощность 6—8 Вт. При подключении к реле времени нагрузки с потребляемой мощностью, не превышающей 200 Вт, радиаторы на диоды не требуются, и размеры устройства при этом значительно уменьшаются.

Для реле времени можно использовать диоды с рабочим напряжением более 400 В, например Д233 или Д247. Транзисторы пригодны кремниевые, маломощные, любого типа, соответствующей проводимости, рабочее напряжение которых не менее 20 В (для транзистора Т5 рабочее напряжение достаточно 15 В). Стабилитроны можно использовать и других типов, параметры которых близки к указанным на схеме. Для изготовления резистора R1 можно использовать резистор типа ВС-1, на который наматывают манганиновый провод диаметром 0,4 мм. Переменный резистор R9 можно взять с меньшим сопротивлением, но для сохранения указанных выдержек при этом потребуется соответственно увеличить емкость конденсаторов СЗ и С4. Конденсатор фильтра С1 выбирают на рабочее напряжение не менее 500 В. Для увеличения стабильности работы регулятора тока конденсатор С2 должен быть неэлектролитический с малым ТКЕ, например бумажный.


Конденсаторы СЗ и С4 желательно использовать с малыми токами утечки, например, типов К52-1, К52-2, К53-1.

Катушку дросселя Др1 выполняют либо на ферритовом кольце с внешним диаметром 40—45 мм, либо на ферритовом стержне диаметром 8 мм и длиной 40— 50 мм. При использовании ферритового кольца его необходимо разломить на две части и вставить между полукольцами прокладку толщиной 3—5 мм или прорезать в кольце тонким наждачным кругом зазор во избежание насыщения магнитопровода. Катушка дросселя содержит 150—200 витков провода ПЭВ 0,8. Переключатель В1 и кнопка Кн1 могут быть любого типа.

Настройку реле времени начинают с проверки правильности монтажа деталей на печатной плате. Включая устройство в сеть, следует помнить, что на его элементах присутствует высокое напряжение, опасное как для человека, так и для большинства радиоэлементов. Первым настраивают фазоимпульсный узел управления тринистором, отключив импульсный ключ и времязадаю-щий узел. В цепь питания устройства (последовательно с тринистором) включают амперметр переменного тока со шкалой 1 А, а в гнезда Гн1 и Гн2 — лампочку мощностью 150—200 Вт, рабочее напряжение которой 220 В. Резистор R3 подбирают таким образом, чтобы при вращении движка резистора R4 от упора до упора сила тока амперметра изменялась в пределах 10—98% от номинального тока лампочки. После налаживания фазоимпульсного узла подключают импульсный ключ и времязадающий узел и устанавливают резистор R9 в положение максимального сопротивления. Переключателем В1 подключают конденсатор СЗ и подбирают величину его емкости таким образом, чтобы выдержка времени составляла 60 с. Затем переключатель В1 переводят в другое положение, подбирают конденсатор С4, при котором выдержка соответствует 60 мин, и калибруют шкалы резисторов R4 и R9. Для калибровки шкалы резистора R9 используют секундомер или часы с секундной стрелкой. При использовании конденсаторов СЗ и С4 одного типа и на одинаковое рабочее напряжение секундная и минутная шкалы резистора R9 будут иметь одинаковые деления.
Admin вне форума   Цитировать 12
Старый 14.06.2015, 11:26   #2 (ссылка)
Робот
 
Аватар для СЦБот

Регистрация: 05.05.2009
Сообщений: 2,483
Поблагодарил: 0 раз(а)
Поблагодарили 82 раз(а)
Фотоальбомы: не добавлял
Репутация: 0

Тема: Тема перенесена


Эта тема была перенесена из раздела Уголок радиолюбителя.

Перенес: Admin
СЦБот вне форума   Цитировать 0
Похожие темы
Тема Автор Раздел Ответов Последнее сообщение
Рельсовые цепи переменного тока 50 Гц с ДТ и реле ДСШ-12 при ЭТ постоянного тока lirico Рельсовые цепи 2 14.09.2021 22:00
Бесконтактное зарядное устройство Admin Силовая электроника 1 28.05.2015 10:17
реле постоянного тока Admin Wiki 0 01.06.2011 19:00
Станционные фазочувствительные рельсовые цепи переменного тока 25 Гц с реле ДСШ-15 участков электротяги постоянного тока - РЦ25-ДСШ15-ЭТ00-С-93 Admin Рельсовые цепи 0 15.12.2010 07:46
Перегонные рельсовые цепи переменного тока 50 Гц с реле ИВГ-М с числовой кодовой АБ для участков ж.д. с электротягой постоянного тока Толян Рельсовые цепи 0 08.02.2010 19:28

Ответить в этой теме   Перейти в раздел этой темы   Translate to English


Здесь присутствуют: 1 (пользователей: 0 , гостей: 1)
 

Ваши права в разделе
Вы не можете создавать новые темы
Вы не можете отвечать в темах
Вы не можете прикреплять вложения
Вы не можете редактировать свои сообщения

BB коды Вкл.
Смайлы Вкл.
[IMG] код Вкл.
HTML код Выкл.
Trackbacks are Вкл.
Pingbacks are Вкл.
Refbacks are Выкл.



Часовой пояс GMT +3, время: 00:49.

Яндекс.Метрика Справочник 
сцбист.ру сцбист.рф

СЦБИСТ (ранее назывался: Форум СЦБистов - Railway Automation Forum) - крупнейший сайт работников локомотивного хозяйства, движенцев, эсцебистов, путейцев, контактников, вагонников, связистов, проводников, работников ЦФТО, ИВЦ железных дорог, дистанций погрузочно-разгрузочных работ и других железнодорожников.
Связь с администрацией сайта: admin@scbist.com
1 2 3 4 5 6 7 8 9 10 11 12 13 14 15 16 17 18 19 20 21 22 23 24 25 26 27 28 29 30 31 32 33 34 
Powered by vBulletin® Version 3.8.1
Copyright ©2000 - 2026, Jelsoft Enterprises Ltd.
Powered by NuWiki v1.3 RC1 Copyright ©2006-2007, NuHit, LLC Перевод: zCarot