СЦБИСТ - железнодорожный форум, блоги, фотогалерея, социальная сеть
Вернуться   СЦБИСТ - железнодорожный форум, блоги, фотогалерея, социальная сеть > Эксплуатация устройств СЦБ > Классические релейные системы ЭЦ, АБ и ПАБ > Автоматические и полуавтоматические блокировки
Закладки ДневникиПоддержка Сообщество Комментарии к фото Сообщения за день
Ответить в этой теме   Перейти в раздел этой темы    
 
В мои закладки Подписка на тему по электронной почте Отправить другу по электронной почте Опции темы Поиск в этой теме
Старый 20.02.2013, 11:51   #16 (ссылка)
Новый пользователь
 
Аватар для Torquato Tasso

Регистрация: 07.07.2009
Сообщений: 5,879
Поблагодарил: 282 раз(а)
Поблагодарили 1013 раз(а)
Фотоальбомы: 1 фото
Цитата:
Сообщение от Павел Томилко Посмотреть сообщение
Станция с трц! Не проходит разделка маневрового маршрута на боковой путь.
На выходепутевых приемников должны стоять реле *ПД и *ПО. От их правильного срабатывания зависит последовательность занятия/освобождения участков в маршруте следования
Torquato Tasso вне форума   Цитировать 0
Старый 30.05.2015, 12:45   #17 (ссылка)
Кто на что учился...
 
Аватар для Protas88

Регистрация: 07.08.2013
Адрес: Бурятия
Возраст: 34
Сообщений: 15
Поблагодарил: 3 раз(а)
Поблагодарили 0 раз(а)
Фотоальбомы: не добавлял
Репутация: 9
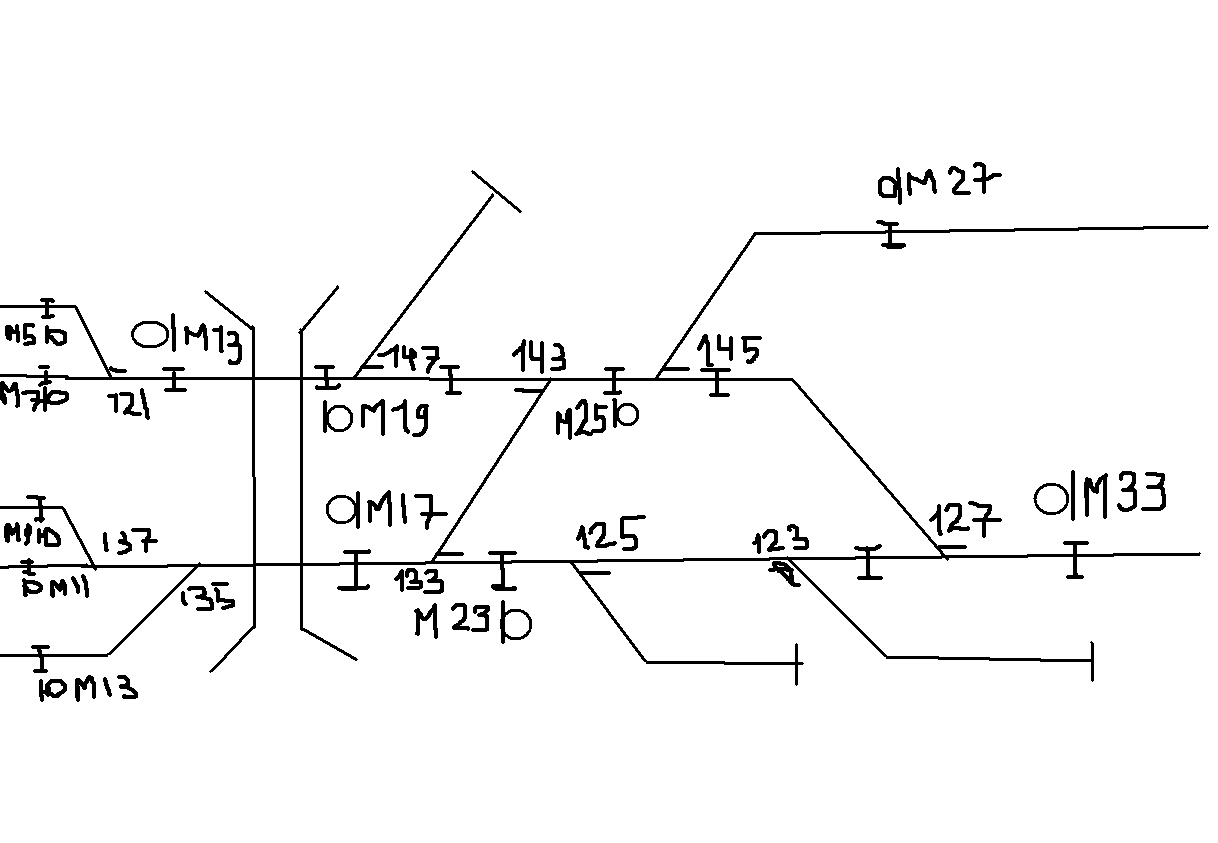
доброго времени суток,коллеги! вообщем такая "проблемка". при наборе маршрута от м33 за М5(М7) после прохода поезда остается белая полоса маршрута от М33 до М13. такая же ерунда при задании от м33 за М9(М11,М13) остается белая полоса от м33 до м 17. система БМРЦ схему прилагаю, заранее спасибо. и секции как говорят ДСП ведут себя нормально, не загораются,не моргают.
Protas88 вне форума   Цитировать 0
Старый 30.05.2015, 13:03   #18 (ссылка)
V.I.P.
 
Аватар для Rafa

Регистрация: 24.10.2009
Адрес: МОЙДОДЫР
Сообщений: 5,650
Поблагодарил: 388 раз(а)
Поблагодарили 577 раз(а)
Фотоальбомы: не добавлял
секция 121 тоже горит белым ?
Rafa вне форума   Цитировать 1
Старый 30.05.2015, 13:44   #19 (ссылка)
Корифей СЦБ
 
Аватар для Александр

Регистрация: 25.02.2009
Адрес: Ленинград
Возраст: 49
Сообщений: 9,581
Поблагодарил: 1612 раз(а)
Поблагодарили 2346 раз(а)
Фотоальбомы: 1 фото
Репутация: 1386
Судя по описанию, не срабатывают маршрутные реле блока 127 СП
Наиболее вероятны 3 причины:
1. Неисправен блок СП-69 секции 127 СП или потеря контакта в разъёме. Поменяй блок, проверь, не замяты ли контакты.
2. Неисправен блок М (по схеме непонятно, какой там блок стоит: М1, М2 или М3) светофора М33 или потеря контакта в разъёме. Поменяй блок, проверь, не замяты ли контакты.
3. Неисправен блок участка перед светофором М33 (не понятно из схемы, какой там блок: П-62 или УП-65, СП-690. или потеря контакта в разъёме. Поменяй блок, проверь, не замяты ли контакты.

Кстати, у тебя два светофора М13 на рисунке. Я предполагаю, что вверху настоящий М13, внизу самозванец.
__________________
"Не думай. Думаешь - не говори. Думаешь и говоришь - не пиши. Думаешь, говоришь и пишешь - не подписывай. Думаешь, говоришь, пишешь и подписываешь - не удивляйся."
Ф.Э. Дзержинский.

Последний раз редактировалось Александр; 30.05.2015 в 13:48.
Александр вне форума   Цитировать 2
Старый 30.05.2015, 13:49   #20 (ссылка)
V.I.P.
 
Аватар для Rafa

Регистрация: 24.10.2009
Адрес: МОЙДОДЫР
Сообщений: 5,650
Поблагодарил: 388 раз(а)
Поблагодарили 577 раз(а)
Фотоальбомы: не добавлял
Цитата:
после прохода поезда остается белая полоса маршрута от М33 до М13.


Rafa добавил 30.05.2015 в 13:49
Цитата:
такая же ерунда при задании от м33 за М9(М11,М13) остается белая полоса от м33 до м 17.

Последний раз редактировалось Rafa; 30.05.2015 в 13:49. Причина: Добавлено сообщение
Rafa вне форума   Цитировать 1
Старый 30.05.2015, 14:20   #21 (ссылка)
Super V.I.P.
 
Аватар для Shaddix

Регистрация: 24.11.2009
Возраст: 40
Сообщений: 519
Поблагодарил: 29 раз(а)
Поблагодарили 83 раз(а)
Фотоальбомы: не добавлял
Репутация: 60
в обратную сторону проверь

121СП и 135-137СП разделываются? с переездом никаких изменений в схеме не делали? схему лучше сюда, чего гадать
__________________
здесь чудес не бывает

Последний раз редактировалось Shaddix; 30.05.2015 в 14:28.
Shaddix вне форума   Цитировать 0
Старый 30.05.2015, 14:30   #22 (ссылка)
V.I.P.
 
Аватар для Rafa

Регистрация: 24.10.2009
Адрес: МОЙДОДЫР
Сообщений: 5,650
Поблагодарил: 388 раз(а)
Поблагодарили 577 раз(а)
Фотоальбомы: не добавлял
да сто пудняк маршрутка не срабатывает в начале

Rafa добавил 30.05.2015 в 14:25
при поедном интересно что у него

Rafa добавил 30.05.2015 в 14:27
4-я цепь м--ду блоком сп и М 33 вероятно оборвана.

Rafa добавил 30.05.2015 в 14:30
****************


при вступлении состава на 127 светофор м33 перекрівается ?

Последний раз редактировалось Rafa; 30.05.2015 в 14:30. Причина: Добавлено сообщение
Rafa вне форума   Цитировать 1
Старый 30.05.2015, 14:36   #23 (ссылка)
Super V.I.P.
 
Аватар для vetal

Регистрация: 27.05.2009
Сообщений: 2,538
Поблагодарил: 644 раз(а)
Поблагодарили 1066 раз(а)
Фотоальбомы: не добавлял
Репутация: 1468
Цитата:
Сообщение от Rafa
4-я цепь м--ду блоком сп и М 33 вероятно оборвана.
Да. Либо бока с СП-69 127СП и М? св.М33, именно в части 4-й цепи между этими блоками, либо по этой же струне проблемы в колодке, плохая пайка, может вообще провод оборвали. Если бы были проблемы с размыканием секций в противоболожном направлении, то думаю автор бы написал.

Последний раз редактировалось vetal; 30.05.2015 в 14:44.
vetal вне форума   Цитировать 0
Старый 30.05.2015, 14:59   #24 (ссылка)
V.I.P.
 
Аватар для Rafa

Регистрация: 24.10.2009
Адрес: МОЙДОДЫР
Сообщений: 5,650
Поблагодарил: 388 раз(а)
Поблагодарили 577 раз(а)
Фотоальбомы: не добавлял
Цитата:
Сообщение от vetal Посмотреть сообщение
Да. Либо бока с СП-69 127СП и М? св.М33, именно в части 4-й цепи между этими блоками, либо по этой же струне проблемы в колодке, плохая пайка, может вообще провод оборвали. Если бы были проблемы с размыканием секций в противоболожном направлении, то думаю автор бы написал.
хотя не исключенно что второе по ходу маршрутное не встает.
Rafa вне форума   Цитировать 1
Старый 30.05.2015, 15:15   #25 (ссылка)
Super V.I.P.
 
Аватар для vetal

Регистрация: 27.05.2009
Сообщений: 2,538
Поблагодарил: 644 раз(а)
Поблагодарили 1066 раз(а)
Фотоальбомы: не добавлял
Репутация: 1468
Цитата:
Сообщение от Rafa
хотя не исключенно что второе по ходу маршрутное не встает.
Тогда, похоже, что бока с блоком СП-69 127СП.
vetal вне форума   Цитировать 0
Старый 30.05.2015, 15:18   #26 (ссылка)
V.I.P.
 
Аватар для Rafa

Регистрация: 24.10.2009
Адрес: МОЙДОДЫР
Сообщений: 5,650
Поблагодарил: 388 раз(а)
Поблагодарили 577 раз(а)
Фотоальбомы: не добавлял
Цитата:
Тогда, похоже, что бока с блоком СП-69 127СП.
Rafa вне форума   Цитировать 1
Старый 30.05.2015, 18:35   #27 (ссылка)
Super V.I.P.
 
Аватар для vetal

Регистрация: 27.05.2009
Сообщений: 2,538
Поблагодарил: 644 раз(а)
Поблагодарили 1066 раз(а)
Фотоальбомы: не добавлял
Репутация: 1468
Цитата:
Сообщение от Rafa
хотя не исключенно что второе по ходу маршрутное не встает.
Цитата:
Сообщение от vetal
Тогда, похоже, что бока с блоком СП-69 127СП.
Дополню себя, что тогда могут еще быть бока с маленьким кусочком цепи (5 струна) в блоке СП-69 123-125СП. Второе по ходу маршрутное реле в блоке СП-69 127СП должно было сработать по 5 струне между блоками СП-69. Если в маршрутах за св.М33 секции размыкаются нормально, значит 5 струна цела, иначе бы не срабатывало второе по ходу маршрутное реле в блоке СП-69 123-125СП. Так, что вероятней в одном из блоков (или обоих) неисправны кусочки цепи 5-й струны для срабатывания второго по ходу маршрутного реле в блоке СП-69 127СП.
vetal вне форума   Цитировать 0
Старый 30.05.2015, 18:40   #28 (ссылка)
V.I.P.
 
Аватар для Rafa

Регистрация: 24.10.2009
Адрес: МОЙДОДЫР
Сообщений: 5,650
Поблагодарил: 388 раз(а)
Поблагодарили 577 раз(а)
Фотоальбомы: не добавлял
Цитата:
Сообщение от vetal Посмотреть сообщение
Дополню себя, что тогда могут еще быть бока с маленьким кусочком цепи (5 струна) в блоке СП-69 123-125СП. Второе по ходу маршрутное реле в блоке СП-69 127СП должно было сработать по 5 струне между блоками СП-69. Если в маршрутах за св.М33 секции размыкаются нормально, значит 5 струна цела, иначе бы не срабатывало второе по ходу маршрутное реле в блоке СП-69 123-125СП. Так, что вероятней в одном из блоков (или обоих) неисправны кусочки цепи 5-й струны для срабатывания второго по ходу маршрутного реле в блоке СП-69 127СП.
надо наверное подумать что включает первое по ходу

маршрутное. от куда берет начало цепь.
Rafa вне форума   Цитировать 1
Старый 30.05.2015, 18:43   #29 (ссылка)
Super V.I.P.
 
Аватар для vetal

Регистрация: 27.05.2009
Сообщений: 2,538
Поблагодарил: 644 раз(а)
Поблагодарили 1066 раз(а)
Фотоальбомы: не добавлял
Репутация: 1468
Цитата:
Сообщение от Rafa
надо наверное подумать что включает первое по ходу
маршрутное. от куда берет начало цепь.
Так понятно же, что из блока М? св.М33 через тыловой КС и фронтовой Н.
vetal вне форума   Цитировать 0
Старый 30.05.2015, 18:51   #30 (ссылка)
V.I.P.
 
Аватар для Rafa

Регистрация: 24.10.2009
Адрес: МОЙДОДЫР
Сообщений: 5,650
Поблагодарил: 388 раз(а)
Поблагодарили 577 раз(а)
Фотоальбомы: не добавлял
может у него такая беда в маршрутах через

эту секцию в двух направлениях ?
Rafa вне форума   Цитировать 1
Похожие темы
Тема Автор Раздел Ответов Последнее сообщение
Распыление маршрутов Admin Wiki 0 11.01.2012 15:08
разделка Анонимный Самоучитель по обслуживанию устройств СЦБ 24 09.12.2011 14:08
=ТМП= Автоматическая установка маршрутов системы АУМ-76 для раздельных пунктов с секционным замыканием маршрутов ТУ-23-АУМ-79 Admin Диспетчерские централизации и диспетчерский контроль 0 16.12.2010 15:11
Разделка бронированного кабеля в муфте Superhero Постовое и напольное оборудование 1 18.11.2010 14:29
Приготовление маршрутов отправления. Андрей13 Общие вопросы эксплуатации устройств СЦБ 0 23.10.2009 15:33

Ответить в этой теме   Перейти в раздел этой темы   Translate to English

Возможно вас заинтересует информация по следующим меткам (темам):
, , ,


Здесь присутствуют: 1 (пользователей: 0 , гостей: 1)
 

Ваши права в разделе
Вы не можете создавать новые темы
Вы не можете отвечать в темах
Вы не можете прикреплять вложения
Вы не можете редактировать свои сообщения

BB коды Вкл.
Смайлы Вкл.
[IMG] код Вкл.
HTML код Выкл.
Trackbacks are Вкл.
Pingbacks are Вкл.
Refbacks are Выкл.



Часовой пояс GMT +3, время: 15:44.

Яндекс.Метрика Справочник 
сцбист.ру сцбист.рф

СЦБИСТ (ранее назывался: Форум СЦБистов - Railway Automation Forum) - крупнейший сайт работников локомотивного хозяйства, движенцев, эсцебистов, путейцев, контактников, вагонников, связистов, проводников, работников ЦФТО, ИВЦ железных дорог, дистанций погрузочно-разгрузочных работ и других железнодорожников.
Связь с администрацией сайта: admin@scbist.com
1 2 3 4 5 6 7 8 9 10 11 12 13 14 15 16 17 18 19 20 21 22 23 24 25 26 27 28 29 30 31 32 33 34 
Powered by vBulletin® Version 3.8.1
Copyright ©2000 - 2026, Jelsoft Enterprises Ltd.
Powered by NuWiki v1.3 RC1 Copyright ©2006-2007, NuHit, LLC Перевод: zCarot