СЦБИСТ - железнодорожный форум, блоги, фотогалерея, социальная сеть
Ушел из жизни Крупицкий Адольф Зельманович
6 февраля 2026 года ушел из жизни Крупицкий Адольф Зельманович, более шести десятков лет проработавший в институте «Гипротранссигналсвязь». Всю свою трудовую деятельность А.З. Крупицкий посвятил проектному делу. После окончанию обучения в Ленинградском институте инженеров железнодорожного транспорта в 1959 году начал свою профессиональную деятельность в качестве старшего электромеханика дистанции сигнализации и связи на Казахской железной дороге. В 1960 году пришел на работу в институт на должность инженера, работал руководителем группы, главным инженером проектов.

Читать далее
Вернуться   СЦБИСТ - железнодорожный форум, блоги, фотогалерея, социальная сеть > Эксплуатация устройств СЦБ > Микропроцессорные системы > АБТЦ-М
Закладки ДневникиПоддержка Сообщество Комментарии к фото Сообщения за день
Ответить в этой теме   Перейти в раздел этой темы    
 
В мои закладки Подписка на тему по электронной почте Отправить другу по электронной почте Опции темы Поиск в этой теме
Старый 10.04.2018, 20:02   #91 (ссылка)
Кандидат в V.I.P.
 
Аватар для Norstream94

Регистрация: 09.03.2018
Сообщений: 17
Поблагодарил: 1 раз(а)
Поблагодарили 0 раз(а)
Фотоальбомы: не добавлял
Репутация: 0
Чертеж с путевым, сигнальным и линейным оборудованием с обозначением ординат, рц, муфт, кабеля и устройствами переезда
Norstream94 вне форума   Цитировать 0
Старый 10.04.2018, 20:17   #92 (ссылка)
Super V.I.P.
 
Аватар для Узник Абакана

Регистрация: 01.03.2017
Сообщений: 2,120
Поблагодарил: 95 раз(а)
Поблагодарили 405 раз(а)
Фотоальбомы: не добавлял
Репутация: 536
Цитата:
Сообщение от Norstream94 Посмотреть сообщение
Чертеж с путевым, сигнальным и линейным оборудованием с обозначением ординат, рц, муфт, кабеля и устройствами переезда
и все это реальнодействующего перегона?
__________________
Разделение ШЧ на ПЧ и НГЧ
Узник Абакана вне форума   Цитировать 0
Старый 10.04.2018, 20:22   #93 (ссылка)
Кандидат в V.I.P.
 
Аватар для Norstream94

Регистрация: 09.03.2018
Сообщений: 17
Поблагодарил: 1 раз(а)
Поблагодарили 0 раз(а)
Фотоальбомы: не добавлял
Репутация: 0
Цитата:
Сообщение от Узник Абакана Посмотреть сообщение
и все это реальнодействующего перегона?
На реальном я думаю максимальное количество достоверной информации, которое мне может пригодиться
Norstream94 вне форума   Цитировать 0
Старый 10.04.2018, 20:58   #94 (ссылка)
Super V.I.P.
 
Аватар для Узник Абакана

Регистрация: 01.03.2017
Сообщений: 2,120
Поблагодарил: 95 раз(а)
Поблагодарили 405 раз(а)
Фотоальбомы: не добавлял
Репутация: 536
Цитата:
Сообщение от Norstream94 Посмотреть сообщение
На реальном я думаю максимальное количество достоверной информации, которое мне может пригодиться
хочу пожелать удачи в поисках
__________________
Разделение ШЧ на ПЧ и НГЧ
Узник Абакана вне форума   Цитировать 0
Старый 10.04.2018, 20:58   #95 (ссылка)
ст. Баджал
 
Аватар для tiksi

Регистрация: 21.07.2009
Сообщений: 7,810
Поблагодарил: 790 раз(а)
Поблагодарили 994 раз(а)
Фотоальбомы: 47 фото
Ну спросил. Для выравнивания масштаба. Он ответил. Едем дальше.
Я сейчас не могу посмотреть тот файл. Там то чего?
tiksi вне форума   Цитировать 0
Старый 10.04.2018, 21:03   #96 (ссылка)
Кандидат в V.I.P.
 
Аватар для Norstream94

Регистрация: 09.03.2018
Сообщений: 17
Поблагодарил: 1 раз(а)
Поблагодарили 0 раз(а)
Фотоальбомы: не добавлял
Репутация: 0
Цитата:
Сообщение от tiksi Посмотреть сообщение
Ну спросил. Для выравнивания масштаба. Он ответил. Едем дальше.
Я сейчас не могу посмотреть тот файл. Там то чего?
Там только текст, а мне нужен чертеж
Norstream94 вне форума   Цитировать 0
Старый 10.04.2018, 21:33   #97 (ссылка)
ст. Баджал
 
Аватар для tiksi

Регистрация: 21.07.2009
Сообщений: 7,810
Поблагодарил: 790 раз(а)
Поблагодарили 994 раз(а)
Фотоальбомы: 47 фото
Цитата:
Сообщение от Norstream94 Посмотреть сообщение
Там только текст, а мне нужен чертеж
Понял. Не сегодня.
tiksi вне форума   Цитировать 0
Старый 11.04.2018, 08:47   #98 (ссылка)
V.I.P.
 
Аватар для Shystr

Регистрация: 15.02.2010
Сообщений: 233
Поблагодарил: 4 раз(а)
Поблагодарили 25 раз(а)
Фотоальбомы: не добавлял
Репутация: 1
Можно и тмп почитать. Зачем сразу действующий?
http://scbist.com/scb/mu/i-318-08.rar
Shystr вне форума   Цитировать 0
Старый 18.04.2018, 13:04   #99 (ссылка)
Кандидат в V.I.P.
 
Аватар для Norstream94

Регистрация: 09.03.2018
Сообщений: 17
Поблагодарил: 1 раз(а)
Поблагодарили 0 раз(а)
Фотоальбомы: не добавлял
Репутация: 0
Цитата:
Сообщение от Shystr Посмотреть сообщение
Можно и тмп почитать. Зачем сразу действующий?
http://scbist.com/scb/mu/i-318-08.rar
малоинформативно
Norstream94 вне форума   Цитировать 0
Старый 09.05.2018, 15:38   #100 (ссылка)
Кандидат в V.I.P.
 
Аватар для Norstream94

Регистрация: 09.03.2018
Сообщений: 17
Поблагодарил: 1 раз(а)
Поблагодарили 0 раз(а)
Фотоальбомы: не добавлял
Репутация: 0
Подскажите, есть ли возможность использовать УЗП с данной системой? не могу нигде найти информацию по блокам БПСС-М и БПСП. Может есть схемы?
Norstream94 вне форума   Цитировать 0
Старый 09.05.2018, 18:08   #101 (ссылка)
Super V.I.P.
 
Аватар для Узник Абакана

Регистрация: 01.03.2017
Сообщений: 2,120
Поблагодарил: 95 раз(а)
Поблагодарили 405 раз(а)
Фотоальбомы: не добавлял
Репутация: 536
Цитата:
Сообщение от Norstream94 Посмотреть сообщение
Подскажите, есть ли возможность использовать УЗП с данной системой? не могу нигде найти информацию по блокам БПСС-М и БПСП. Может есть схемы?
УЗП цепляется к переездным системам типа АПС.
АБТЦ - перегонная система. Куда на перегоне можно прицепить УЗП?
__________________
Разделение ШЧ на ПЧ и НГЧ
Узник Абакана вне форума   Цитировать 0
Старый 10.05.2018, 14:35   #102 (ссылка)
ст. Баджал
 
Аватар для tiksi

Регистрация: 21.07.2009
Сообщений: 7,810
Поблагодарил: 790 раз(а)
Поблагодарили 994 раз(а)
Фотоальбомы: 47 фото
Цитата:
Сообщение от Norstream94 Посмотреть сообщение
Подскажите, есть ли возможность использовать УЗП с данной системой? не могу нигде найти информацию по блокам БПСС-М и БПСП. Может есть схемы?
Нет, нельзя.
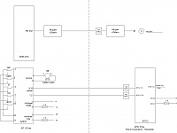
БПСС и БПСП. Вопросы?
Миниатюры
Техническая поддержка по системе АБТЦ-М-aps-s-arm.jpg  
tiksi вне форума   Цитировать 0
Поблагодарили:
Данный пост получил благодарности от пользователей
Старый 11.05.2018, 19:30   #103 (ссылка)
Кандидат в V.I.P.
 
Аватар для Norstream94

Регистрация: 09.03.2018
Сообщений: 17
Поблагодарил: 1 раз(а)
Поблагодарили 0 раз(а)
Фотоальбомы: не добавлял
Репутация: 0
Цитата:
Сообщение от tiksi Посмотреть сообщение
Нет, нельзя.
БПСС и БПСП. Вопросы?
Спасибо! Еще вопрос, в РЭ сказано что распаривать провода между станционными и перегонными блоками не допускается. В случае повреждения кабеля он заменяется целиком?
Norstream94 вне форума   Цитировать 0
Старый 11.05.2018, 19:45   #104 (ссылка)
__
 
Аватар для Николай Николаевич

Регистрация: 10.09.2010
Адрес: Москва
Возраст: 64
Сообщений: 13,931
Поблагодарил: 408 раз(а)
Поблагодарили 2363 раз(а)
Фотоальбомы: не добавлял
Репутация: 1516
Цитата:
Сообщение от Norstream94 Посмотреть сообщение
Спасибо! Еще вопрос, в РЭ сказано что распаривать провода между станционными и перегонными блоками не допускается. В случае повреждения кабеля он заменяется целиком?
Термин "распаривать" - от слово "пара", буквально - пара жил, скрученная веревочкой для уменьшения взаимного влияния на другие пары. Соответственно, если необходимо сделать замену цепи - то заменяется именно пара, а не одна неисправная жила.
Николай Николаевич вне форума   Цитировать 0
Старый 11.05.2018, 21:30   #105 (ссылка)
ст. Баджал
 
Аватар для tiksi

Регистрация: 21.07.2009
Сообщений: 7,810
Поблагодарил: 790 раз(а)
Поблагодарили 994 раз(а)
Фотоальбомы: 47 фото
Цитата:
Сообщение от Norstream94 Посмотреть сообщение
Спасибо! Еще вопрос, в РЭ сказано что распаривать провода между станционными и перегонными блоками не допускается. В случае повреждения кабеля он заменяется целиком?
Николай Николаевич ответил. Добавить нечего.
tiksi вне форума   Цитировать 0
Похожие темы
Тема Автор Раздел Ответов Последнее сообщение
Техническая поддержка по системе АПК-ДК Толян АПК-ДК 135 15.01.2023 09:47
Техническая поддержка по системе Эбилок-950 (Ebilock-950) Толян Эбилок-950 / АБТЦ-Е 96 16.01.2022 20:54
Техническая поддержка ЭЦ-МПК и МПЦ-МПК Толян Микропроцессорные системы 110 20.02.2021 21:36
Техническая поддержка МПЦ ЭЦ-ЕМ Sanek ЭЦ-ЕМ / АБТЦ-ЕМ / МПЦ-2 / АБТМПЦ-2 99 25.05.2016 17:21
Техническая поддержка МПЦ-2 Leonidych ЭЦ-ЕМ / АБТЦ-ЕМ / МПЦ-2 / АБТМПЦ-2 24 29.09.2013 09:58

Ответить в этой теме   Перейти в раздел этой темы   Translate to English

Возможно вас заинтересует информация по следующим меткам (темам):
, , , , , , , , , , , , , , , , , , , , ,


Здесь присутствуют: 1 (пользователей: 0 , гостей: 1)
 

Ваши права в разделе
Вы не можете создавать новые темы
Вы не можете отвечать в темах
Вы не можете прикреплять вложения
Вы не можете редактировать свои сообщения

BB коды Вкл.
Смайлы Вкл.
[IMG] код Вкл.
HTML код Выкл.
Trackbacks are Вкл.
Pingbacks are Вкл.
Refbacks are Выкл.



Часовой пояс GMT +3, время: 19:06.

Яндекс.Метрика Справочник 
сцбист.ру сцбист.рф

СЦБИСТ (ранее назывался: Форум СЦБистов - Railway Automation Forum) - крупнейший сайт работников локомотивного хозяйства, движенцев, эсцебистов, путейцев, контактников, вагонников, связистов, проводников, работников ЦФТО, ИВЦ железных дорог, дистанций погрузочно-разгрузочных работ и других железнодорожников.
Связь с администрацией сайта: admin@scbist.com
1 2 3 4 5 6 7 8 9 10 11 12 13 14 15 16 17 18 19 20 21 22 23 24 25 26 27 28 29 30 31 32 33 34 
Powered by vBulletin® Version 3.8.1
Copyright ©2000 - 2026, Jelsoft Enterprises Ltd.
Powered by NuWiki v1.3 RC1 Copyright ©2006-2007, NuHit, LLC Перевод: zCarot