СЦБИСТ - железнодорожный форум, блоги, фотогалерея, социальная сеть
Вернуться   СЦБИСТ - железнодорожный форум, блоги, фотогалерея, социальная сеть > Уголок СЦБИСТа > Книги и журналы > xx3
Закладки ДневникиПоддержка Социальные группы Поиск Сообщения за день Все разделы прочитаны Комментарии к фото Сообщения за день
Ответить в этой теме   Перейти в раздел этой темы    
 
В мои закладки Подписка на тему по электронной почте Отправить другу по электронной почте Опции темы Поиск в этой теме
Старый 14.05.2011, 20:39   #1 (ссылка)
Crow indian
 
Аватар для Admin

Регистрация: 21.02.2009
Возраст: 40
Сообщений: 30,173
Поблагодарил: 398 раз(а)
Поблагодарили 6016 раз(а)
Фотоальбомы: 2622 фото
Записей в дневнике: 890
Репутация: 126146

Тема: Возможности совершенствования защиты устройств от перенапряжений


Возможности совершенствования защиты устройств от перенапряжений


М.Б. ЗИНГЕР, начальник Вологодского отделения ПКТБ ЦШ

На страницах журнала «Автоматика, связь, информатика» (2008 г., № 12,2009 г., № 7,8) рассматривались проблемы построения эффективной системы защиты устройств ЖАТ от перенапряжений. Реальный эффект от ее создания на базе современных аппаратных средств можно получить только при комплексном подходе. Одними из наиболее проблемных вопросов для реализации такого подхода являются несогласованность параметров защиты по высоковольтной и низковольтной сторонам вследствие ведомственной разобщенности, а также отсутствие в устройствах ЖАТ промышленной системы заземлений.

В первом случае дистанции энергоснабжения и СЦБ преследуют разные цели. Цель энергетиков - защита изоляции высоковольтных линий и, как следствие, уменьшение числа аварийных отключений. Основная цель эсцебистов - защита непосредственно устройств ЖАТ, в том числе микропроцессорных. Она реализуется обеспечением максимального энергопоглощения импульсов перенапряжения на высоковольтной стороне, уменьшением крутизны их фронтов, а также снижением вероятности трансформации импульсов на низковольтную сторону с неприемлемо большими амплитудами. Еще одна проблема - подавление поперечных перенапряжений по высоковольтной стороне, поскольку сегодня ее решением на ВЛ СЦБ и ВЛ ПЭ никто не занимается.

Следует отметить, что основной концепцией существующих руководящих указаний (РУ) по защите устройств ЖАТ от перенапряжений, реализованных в виде жестких схемотехнических решений без возможности их корректировки с учетом реальной электромагнитной обстановки на объектах, является защита изоляции монтажа, а не устройств непосредственно. Практически отсутствует возможность построения защиты с учетом ее быстродействия, многокаскадности и максимально возможного энергопоглощения. Но ведь именно эти показатели являются ключевыми для защиты современных микропроцессорных устройств.

Эти документы, являющиеся базовой основой для разработки методических указаний по проектированию схем защиты устройств ЖАТ, не дают возможности проектировщикам и эксплуатационному штату влиять на ситуацию даже в случае явного несоответствия мощности защиты реальным условиям эксплуатации. Результаты такого положения дел хорошо известны.

Кроме того, стремительное развитие современной элементной базы микропроцессорных систем требует постоянного совершенствования их защиты от перенапряжений вследствие использования все более тонких технологий. Учитывая, что все редакции упомянутых руководящих указаний без каких-либо корректировок действуют 15-20 лет, указанные в них правила в условиях постоянного (примерно каждые 1,5-2 года) обновления элементной базы микропроцессорных устройств неприменимы и являются дестабилизирующим фактором для разработки и эксплуатации новых устройств ЖАТ. Они не дают возможности замены морально устаревшей элементной базы систем защиты от перенапряжений на их современные аналоги, совершенствующиеся, как правило, каждые 4-5 лет.

Проблема защиты от перенапряжений со стороны рельсовых цепей - отдельная тема и в рамках этой статьи не рассматривается.

Нужно сказать, что если для напряжений свыше 1 кВ отечественные производители выпускают широкий ассортимент вполне конкурентоспособных даже на внешнем рынке ограничителей перенапряжений (ОПН), то устройства защиты от импульсных перенапряжений (УЗИП) с параметрами и конструктивом, удовлетворяющими современным требованиям, для напряжений менее 1кВ ими практически не производятся. На текущий момент преимущественно вся защита от перенапряжений устройств СЦБ по низковольтной стороне (38Q-220 В) строится на основе морально и технически устаревшей элементной базы - ВОЦШ, ВОЦН, РВНШ, РКН и РВН-0,5.

Как правило, большинство отечественных УЗИП представляют собой примитивную неремонтопригодную конструкцию на основе дискового варистора и двух приваренных к его боковой поверхности болтов. Они не имеют в своем составе средств диагностики собственного состояния и устройства теплового отключения для защиты варистора при его неисправности, которое существенно снижает вероятность возникновения пожара в защищаемых устройствах.

В основе современной идеологии защиты, подтверждаемой стандартами МЭК и соответствующими ГОСТами, разработанными на их основе, лежит концепция зонной защиты. При этом все оборудование делится на зоны по степени подверженности устройств воздействию импульсов напряжений и токов, возникающих в питающей сети и линейных цепях, а также импульсного электромагнитного поля, непосредственно воздействующего на устройства. На границах зон предусматривается ограничение импульсов перенапряжений и электромагнитного поля до допустимых уровней.

Применительно к территориально распределенным устройствам ЖАТ выделяются пять зон однородной электромагнитной обстановки: 0А, 0В, I, II и III.

В зоне Од каждый объект может подвергаться прямому удару молнии и через него может протекать полный ток молнии. В этой зоне электромагнитное поле имеет максимальное значение.

В зонах 0В, I и II объекты не подвергаются прямому удару молнии. Но в зоне 0В на объекты воздействует электромагнитное поле максимальной величины.

В зоне I ток импульса перенапряжения во всех проводящих элементах внутри зоны меньше, чем в зонах 0А и 0В, и электромагнитное поле может быть ослаблено экранированием, а на объекты зоны II действует более ослабленное по сравнению с зоной I электромагнитное поле.

Жесткость электромагнитной обстановки в зоне III не должна превышать уровня помех, регламентированных ГОСТ Р 50656.

Расположение элементов систем ЖАТ в зонах с электромагнитной обстановкой разной степени жесткости предопределяет каскадный принцип построения защиты, при котором каждый каскад должен обеспечивать защиту элементов системы ЖАТ и снижать величину напряжения до уровня, допустимого для следующего каскада.

Существующие нормативные документы по проектированию защиты от перенапряжений устройств СЦБ даже в первом приближении не отражают современных подходов к построению подобных систем. Одной из основных проблем использования современных УЗИП и каскадного построения схем защиты применительно к действующим устройствам ЖАТ являются особенности монтажа последних. Это можно рассмотреть на примере типовой схемы защиты сигнальной точки автоблокировки и подходов к построению подобных схем на основании рекомендаций и стандартов МЭК.

Основа современной концепции - принцип многокаскадности защиты, причем не только с разделением по зонам, но и в пределах одной зоны.


С целью обеспечения гарантированного и поочередного срабатывания каскадов для их соединения используются специализированные разделительные дроссели с индуктивностью 15-20 мкГн. Они обеспечивают задержку импульса перенапряжения на время порядка 100 не. Их применяют, как правило, при длине соединительных проводов (кабеля) между каскадами менее 10 м.

Время срабатывания современных ограничительных элементов устройств защиты от импульсных перенапряжений (варисторов), изготавливаемых чаще всего на основе оксида цинка, составляет 20-25 не.

Конструктив современных УЗИП и вышеупомянутых дросселей делается под специализированную DIN-рейку, обеспечивающую строго последовательное размещение защиты с минимизацией длины соединительных проводов (рис. 1). Такое размещение гарантированно обеспечивает срабатывание УЗИП входного каскада, включение следующего при невозможности нейтрализации первого импульса перенапряжения и предсказуемые параметры рабочей схемы.


Если проанализировать способ монтажа для типовой схемы защиты сигнальной точки автоблокировки (рис. 2), то легко увидеть, что выравниватели ВОЦН-220 фактически включены параллельно основной шине питания через достаточно длинные провода при длине соединительной линии между ВОЦН-220 заведомо меньше 10 м. Реально индуктивности соединительной линии и проводов подключения ВОЦН сопоставимы, что не позволяет гарантированно обеспечить каскадность и по-очередность срабатывания каскадов при непонятных параметрах схемы защиты в целом.

При таком классическом выполнении монтажа в действующих устройствах АБ и ЭЦ применение более мощных и быстродействующих УЗИП с установкой на существующие штатные места может не дать ожидаемого эффекта. Кроме того, по мнению автора, нет смысла рассчитывать на ненормированные индуктивно-емкостные характеристики монтажа, реальные параметры которого в основном зависят от монтажника.

Также необходимо отметить, что прокладка в одном жгуте незащищенных и защищенных проводников (что часто встречается в устройствах ЖАТ) не допускается общепринятыми правилами по монтажу приборов защиты. В таком случае вследствие наличия емкостной связи между этими проводниками импульс перенапряжения может проникать в защищаемые цепи в обход схемы ограничения перенапряжений. Нет сомнения в том, что здесь требуется применять стандартные технологии.

В современной компоновке релейный шкаф должен делится на отсеки для размещения силовой части и исполнительной аппаратуры с установкой между ними металлических экранов с целью снижения электромагнитного влияния и пожароопасности. Провода электропитания при этом необходимо выделять из общего жгута и прокладывать в лотках из несгораемых материалов, причем отдельно для защищенных и незащищенных цепей. Но конструкция стандартных релейных шкафов с аппаратурой ЖАТ не позволяет выполнить такие условия и крайне затрудняет внедрение современных схем защиты от перенапряжений. Необходима разработка релейных шкафов нового поколения на базе современных коммуникационных шкафов.

Следует отметить, что современный подход к конструкции самих ограничительных приборов в сетях до 1 кВ резко отличается от конструкции традиционных для устройств ЖАТ - РВНШ, РКН, ВОЦШ, ВОЦН, которые имеют соединительные элементы в виде ножевых и штыревых контактов. При несомненных удобствах замены такая конструкция имеет существенные изъяны из-за возможно недостаточной рабочей площади соприкосновения, окисления при низком качестве гальванического покрытия и малого контактного давления. Следствием этих недостатков является пережигание и разрушение самих контактов при рабочих величинах импульсов тока перенапряжения, что встречается в условиях реальной эксплуатации, и резкое увеличение остаточного напряжения.

Иначе говоря, при исправном варисторе УЗИП не обеспечивает защитных функций с заявленными параметрами. Крепление дискового вариатора непосредственно к клеммам монтажных панелей при существующей конструкции винтового зажима и обжимного наконечника монтажного провода также имеет аналогичные недостатки. Несмотря на кажущуюся простоту последней проблемы она представляет сложность даже для ведущих разработчиков УЗИП из-за наличия «текучести» материалов жил подключаемых проводов - нормальное (нормативное) усилие крепления в клемме прибора в процессе эксплуатации ослабевает со всеми вытекающими последствиями. Для исключения такого явления узлы подключения монтажных проводов постоянно совершенствуются.

Конструкция и характеристики существующих приборов защиты от перенапряжений ведомственной разработки отвечают требованиям, как минимум, 30-летней давности, когда микропроцессорные устройства промышленного применения только начали появляться. Их параметры однозначно проигрывают зарубежным аналогам. В справочной литературе по вышеупомянутым УЗИП для железнодорожной отрасли зачастую не указан ряд важных параметров, необходимых для грамотного проектирования схем защиты от перенапряжений: время их срабатывания, фактически являющееся основным при построении схем защиты современных микропроцессорных устройств; удельная энергия, рассеиваемая варистором; сопровождающий ток для УЗИП на базе разрядников; номинальный и максимальный разрядные токи; тип и расчет номинала защитного предохранителя; сопротивление изоляции; рекомендуемое сечение монтажных проводов и др. Иными слова-

ми, нарушаются требования соответствующих стандартов, что также затрудняет оценку возможности их применения и совместимости с современными УЗИП. Также необходимо отметить, что существующая технология проверки устройств защиты от импульсных перенапряжений в КИПах не дает реального представления об их работоспособности.


Современный подход к конструкции и выбору параметров приборов УЗИП можно рассмотреть на примере конкретных изделий ведущих европейских фирм. Их стандартные ряды разработаны для установки в соот ветствующих зонах электромагнитной обстановки с разбивкой на три класса:

I - УЗИП для защиты от прямых ударов молнии в систему молниезащиты здания (объекта) или воздушную линию электропередач. Устанавливаются на вводе в здание в вводно-распределительном устройстве (ВРУ) или главном распределительном щите (ГРЩ). Нормируется импульсным током 1имп с формой волны 10/350мкс;

II - УЗИП для защиты токораспределительной сети объекта от коммутационных помех или как вторая ступень защиты при прямом ударе молнии. Устанавливаются в распределительные щиты. Нормируется импульсным током с формой волны 8/20 мкс;

III - УЗИП для защиты непосредственно потребителей от остаточных бросков напряжения, дифференциальных (несимметричных) перенапряжений, а также фильтрации высокочастотных помех. Устанавливаются непосредственно возле потребителя. Нормируется комбинированной волной, состоящей из импульса напряжения с формой волны 1,2/50 мкс и импульса тока с формой волны 8/20 мкс.

Эти приборы имеют степень защиты (остаточное напряжение на УЗИП при воздействии нормированным импульсом тока) в соответствии с рекомендациями стандарта IEC 61643-1:1998 (25 значений уровней от 0,08 до 10 кВ) и позволяют подобрать необходимый уровень защиты практически для любого оборудования при установке его в любой электромагнитной зоне. Нормы электрической прочности изоляции для устройств СЦБ в различных зонах приведены в табл. 1.

Параметры устройств защиты основных зарубежных разработчиков обеспечивают совместимость с большинством импортных автоматических предохранителей, которые сегодня также применяются в системах ЖАТ. Особенности конструктива и параметров УЗИП зарубежного производства можно рассмотреть на примере ограничителя перенапряжения PROTEC BS 75 (рис. 3), являющегося одним из самых мощных для своего класса и предназначенного для установки в зонах 0А и 0В. Самым мощным УЗИП отечественного производства среди применяющихся в устройствах ЖАТ, который может выдерживать воздействия I класса и устанавливаться с определенными ограничениями в зонах 0А и 0В, на данный момент является УЗП1 -500. Основные параметры PROTEC BS 75, УЗП1 -500 и ВОЦШ-220 приведены в табл. 2.

Необходимо отметить, что сравнение параметров вышеупомянутых приборов с параметрами ВОЦШ-220 некорректно, так как этот прибор относится к 3-му классу. Но поскольку выравниватели ВОЦШ-220 (ВОЦН-220) массово применяются в схемах защиты, в том числе и линейных цепей, относящихся к зоне 0, то табл. 2 позволяет оценить требуемый и фактический уровень защиты.

В качестве общей справки следует сказать, что параметры импульса перенапряжения, близкие к 10/350 (длительность переднего фронта/длительность самого импульса в микросекундах), имеют место при прямом ударе молнии, а параметры, близкие к 8/20, соответствуют воздействию разряда молнии на электромагнитном уровне и коммутационным процессам в ЛЭП.


Самым показательным параметром является величина защитного уровня при различных видах разрядного тока.

PROTEC BS 75 выпускаются в корпусе из несгораемого термопластика (класс самогашения - UL94 V-0) габаритом 108x79x76 мм и выполнены по трехмодульной схеме со сменными варисторными блоками и отдельными терморазмыкателями (рис. 4). Такой подход обеспечивает автоматическое отключение поврежденного модуля, оптическую индикацию и дистанционную сигнализацию об этом событии с помощью систем удаленной диагностики и мониторинга (выход на «сухих» контактах в СТДМ). Конструкция предусматривает возможность замены непосредственно поврежденного модуля без снятия базового блока и отключения монтажных проводов.

Сравнивая основные характеристики УЗИП типов PROTEC DR и ВОЦШ-220 (табл. 3), относящихся к одному классу, следует отметить, что импортное устройство, имея не самые высокие параметры для стандартного ряда своего класса, тем не менее выглядит предпочтительней по сравнению с отечественным.


Отсутствие функции автоматического отключения в отечественных приборах ограничения перенапряжения (РВНШ, ВОЦН и др.) часто приводит к аварийным отключениям устройств ЖАТ и возгоранию последних. С целью минимизации возможных издержек существующими руководящими указаниями в отдельных случаях предусмотрено их включение через плавкие вставки. Это же решение используется и зарубежными разработчиками УЗИП в случае отсутствия функции термозащиты. Но следует отметить, что наличие предохранителей в этих цепях снижает эффективность работы схемы защиты от перенапряжений.

Admin добавил 14.05.2011 в 21:39
Следует сказать, что плавкие вставки (предохранители), являющиеся неотъемлемой частью схем защиты от перенапряжений, - это отдельная проблема. Современный подход к ней можно рассмотреть на примере керамических предохранителей для промышленного использования.

Важнейшим их параметром является временная характеристика срабатывания. По современной классификации промышленные керамические предохранители выпускаются четырех видов:

с временной задержкой (time lag, slow acting) предназначены, как правило, для защиты устройств, имеющих большие токи при включении или вследствие кратковременных переходных процессов. Они имеют маркировку Am, TDZ или стилизованное изображение улитки;

без временной задержки (Standart fuses) маркируются буквами gG/GI и gTr;

быстрые (Quick acting), применяющиеся, как правило, в цепях управления и маркируются F, flink;

сверхбыстрые (ultra rapid) маркируются uberflink, silized, FF, gR, aR, gS, DZ и используются в цепях защиты электронных устройств.

Основные усредненные параметры вышеупомянутых предохранителей для диапазона 4-10 А, приведенные в табл. 1, позволяют получить представление по их специализации.

Применяющиеся в устройствах ЖАТ предохранители представляют собой прибор неизвестного класса с непонятными временными характеристиками и используются для защиты всех без разбора схем. К тому же доступ воздуха к плавкой вставке резко снижает их надежность (особенно с номиналом от 3 А и ниже) и приводит к эпизодическим перегораниям при исправных устройствах.

Печатается в порядке обсуждения.
Очевидно, что, по крайней мере, для защиты микропроцессорных устройств ЖАТ следует применять серийно выпускаемые предохранители промышленного применения, имеющие гарантированное время срабатывания и гарантированный срок эксплуатации.

Использование предохранителей с временной задержкой на срабатывание (time lag) в действующих релейных системах ЭЦ в ряде случаев позволило бы избежать перегораний предохранителей при штатных переключениях фидеров или кратковременных возмущениях со стороны питающих электросетей.


Возможность визуального контроля состояния плавкой вставки является сомнительным достоинством, поскольку осматриваются они эпизодически и все равно дополняются устройствами контроля их перегорания (к слову сказать, недостаточно надежными). К тому же механическая система контроля целостности плавкой вставки в процессе эксплуатации приводит к снижению надежности предохранителя. Отсутствие в технических данных этих предохранителей временных характеристик срабатывания затрудняет расчет селективности и эффективности токовой защиты в целом по релейной. Именно низкая надежность существующих предохранителей привела, по мнению автора, к появлению схемных решений и устройств для их резервирования, но дублирование при наличии явной причины перегорания бессмысленно.

Следует отметить, что ведущими фирмами-изготовителями современных плавких предохранителей также предлагаются и системы контроля их перегорания. В характеристиках приборов защиты от перенапряжений зарубежными фирмами обязательно указываются тип и методика расчета номинала плавкого предохранителя для его защиты при нештатных срабатываниях.

Учитывая то, что применяемые в устройствах ЖАТ приборы УЗИП отечественного производства не имеют функции автоматического отключения при прожоге варистора, использование плавкого предохранителя в его цепи видится обязательным - есть масса примеров возгораний устройств СЦБ по этой причине. Кроме того, практика размещения УЗИП непосредственно на стативах релейной к тому же без каких-либо защитных конструктивов является, по мнению автора, в корне неправильной. Приборы защиты должны монтироваться в отдельных несгораемых конструктивах в местах, максимально приближенных к точкам ввода на пост ЭЦ защищаемых линий.

Развивая тему токовой защиты устройств ЖАТ, нельзя не упомянуть проблему защиты кабельной сети и монтажа устройств ЖАТ при аварийных ситуациях в контактной сети (к примеру, коротких замыканий из-за перекрытия изоляторов или падения контактного провода на напольные объекты СЦБ) при явных упущениях в содержании автоматической защиты по высоковольтной стороне. В последнее время на сети дорог по этой причине произошли случаи отказов с тяжелыми последствиями. И хотя вины эксплуатационного штата дистанций СЦБ в этом нет, устранять последствия таких отказов приходится эсцебистам.

Сама по себе проблема не нова. С ней постоянно приходится сталкиваться владельцам разветвленных кабельных сетей, находящихся в зоне влияния силовых (высоковольтных и низковольтных) кабельных линий электропередач. В качестве примера можно привести АТС - в них на уровне кросса защищается каждая пара со стороны поля. И в защитных модулях, кроме схемы защиты от импульсных перенапряжений, в обязательном порядке есть токовая защита, как правило, без возможности автоматического повторного включения. Кабельные сети и монтаж устройств ЖАТ в этом плане полностью беззащитны - «результаты» очевидны. Кардинально решить эту проблему, по мнению автора, можно следующими способами.


Каждую рабочую сигнальную жилу и, соответственно, монтаж нужно защитить со стороны напольных устройств на уровне кросса керамическим предохранителем типа KLS5-224-GT с медленным срабатыванием, имеющим аксиальные выводы (под пайку) и габарит корпуса 32x7 мм. Примерные конструктивы для размещения этих предохранителей в устройствах ЖАТ в напольных устройствах и на кроссе показаны на рис. 1, а и б соответственно. Температурный диапазон эксплуатации такого предохранителя -55 ... +125°С, виброустойчивость соответствует самым жестким стандартам, расчетный срок эксплуатации - 20 лет. Исходя из сечения защищаемых жил, стативного монтажа и максимальных рабочих токов, востребован, судя по всему, будет номинал 8-10 А, что заведомо значительно выше номинала рабочих предохранителей в релейной.

В качестве защитного корпуса предохранителя предлагается использовать фторопластовую полупрозрачную трубку Ф-4Д10x1,5 с температурным диапазоном -60... +250°С и устойчивостью к самым агрессивным химическим средам. С торцов трубка заделывается специализированным герметиком и одновременно фиксируются выводы предохранителя.


Как вариант, для кроссовых стативов может быть использован конструктив дужки с размещением в нем предохранителя (рис. 2). В таком случае установка токовой защиты сводится к замене соединительных дужек. Недостаток предлагаемого метода-отсутствие сигнализации срабатывания предохранителей.

Для защиты на уровне кросса также можно использовать малогабаритные автоматические выключатели с индикацией срабатывания, размещаемые со стороны монтажа на специальном конструктиве. В качестве примера можно назвать тип Circuit breacer (384-3)" 8,0 А (11x19x33 мм) с разрывающей способностью 40 А при времени срабатывания 1-2 с. Но этот вариант однозначно будет более дорогим по сравнению с предыдущим.

Двухсторонняя токовая защита устройств ЭЦ со стороны кабельной сети даст высокую степень гарантии сохранности последних при аварийных ситуациях с контактной сетью.

За рубежом выпускаются ряды устройств защиты от импульсных перенапряжений на базе мощных варисторов с необходимым защитным уровнем (например, PROTEC В, PROTEC В2, PROTEC С), предназначенных для установки во всех зонах с уровнем защиты в соответствии с принятой классификацией допускаемых перенапряжений в электроустановках. Часть из них выполнена по двухмодульной или одно-модульной схеме. Все они имеют функцию аварийного отключения поврежденного модуля, визуальную индикацию срабатывания термовыключателя и большинство - дистанционную сигнализацию.

К номенклатуре таких УЗИП относятся также разделительные дроссели, например, типа PRONET (максимальный ток до 35 А) и PI-L (рабочие токи 16, 32, 63 и 120 А) с индуктивностью 15 мкГн. Они предназначены для соединения смежных устройств защиты при многокаскадной схеме с целью обеспечения корректного (поочередного) срабатывания каскадов. Подключение таких дросселей показано на рис. 3.

Использование УЗИП с таким конструктивом позволит организовать эффективную эксплуатацию систем защиты с минимизацией эксплуатационных затрат. Кроме того, практически все они имеют ремонтопригодную конструкцию. Следует отметить, что несгораемый материал корпуса устройств защиты различных фирм-производителей не отменяет необходимости защитных кожухов. Существуют такие факторы, как ударная волна и осколки при нештатных сильноточных срабатываниях устройств защиты, способные серьезно повредить монтаж и оборудование. Кроме того, УЗИП основных ведущих зарубежных разработчиков (в соответствии со стандартами) в обязательном порядке проходят испытания на нагрев при длительном воздействии токов, вызванных отдельными видами перенапряжений, что значительно снижает их пожароопасность.


Многими зарубежными фирмами выпускаются разрядники, предназначенные для выравнивания потенциалов между различными частями оборудования и элементами металлоконструкций. По мнению автора, они могут заменить крайне ненадежный искровой промежуток ИПМ-62 - устройство непонятного класса с непонятными параметрами, часто являющегося источником повреждений, самое характерное из которых -устойчивое короткое замыкание искрового промежутка при сильноточных пробоях. Для замены ИПМ-62 можно использовать, например, приборы серии EXFS, имеющие в основе угольный многозазорный искровой промежуток, исключающий указанный недостаток. Внешний вид таких разрядников и способ крепления показаны на рис. 4. Их основные параметры таковы: номинальный разрядный ток (8/20) -100 кА; импульсный ток молнии (10/350) - 50 кА; переменное напряжение пробоя (50 Гц) -1,2 кВ; напряжение пробоя тока молнии (1,2/50) - 2,5 кВ. Принципы защиты линейных цепей устройств ЖАТ, изложенные в действующих руководящих и методических указаниях, не предусматривают каскадный принцип построения защиты в пределах одного устройства. Они реализуются на имеющейся отечественной элементной базе (РВНШ, ВОЦН, РКВН и др.) с использованием в качестве продольного трансформатора, как правило, типовых СТ-4 или СТ-5 для подавления синфазных помех. Следует отметить, что вследствие неравенства параметров их обмоток компенсировать импульс перенапряжения невозможно. Обмотки лишь выполняют роль катушек индуктивности, что делает схему защиты неэффективной (см. РУ-90, схема 9).

Для защиты от продольной волны перенапряжения («земля» - «провод») обычно применяются разрядники РКВН-250, а от поперечного перенапряжения («провод» - «провод») - выравниватели типа ВОЦН-220 (ВОЦН-110).

ступени защиты (на газонаполненных разрядниках и на TVS-диодах) и рассчитаны на подключение от одной до трех пар защищаемых проводников. Выпускаются такие устройства на номинальные рабочие напряжения 6, 12, 24, 30, 48, 60, 80, 90, 110, 115, 170 В, номинальный рабочий ток от 0,1 до 0,5 А. Они способны пропускать максимальный разрядный ток с параметрами 8/20 величиной до 10 кА.

Первая и вторая ступени защиты устройства серии DTNVR 775 выполнены на варисторах. Номинальное рабочее напряжение составляет 12, 24, 30, 48, 60, 80, 230 В, номинальный рабочий ток - 5 А, а максимальный разрядный ток с параметрами 8/20 - 10...20 кА. Принципиальная схема для одного из УЗИП серии DTR приведена на рис. 5.

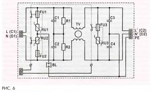
Следует отметить такой класс приборов, как помехоподавляющие фильтры серии Pl-k со встроенными УЗИП класса III. Они представляют собой двухступенчатое однофазное или трехфазное устройство для защиты чувствительного электронного оборудования от высокочастотных помех и импульсных перенапряжений в низковольтных силовых распределительных системах переменного и постоянного тока. В конструкции фильтра применяются высококачественные ферромагнитные сердечники, обладающие очень высокой магнитной проницаемостью (более 8000). Принципиальная схема одного из таких фильтров приведена на рис. 6.

Их целесообразно использовать для избирательной защиты, к примеру, приемников и генераторов тональных рельсовых цепей и управляющих вычислительных комплексов в качестве последнего каскада защиты. Это особенно актуально в случае питания устройств от линий ДПР или ВЛ, имеющих высокий уровень помех самого широкого спектра.

Вышеупомянутые устройства также снабжены внутренними терморасцепителями, которые срабатывают при повреждении (перегреве) варисторов. Индикация состояния терморасцепителей осуществляется с помощью сигнальных кнопок на корпусе устройства и дистанционной сигнализации (переключением «сухих» контактов).


Развивая тему защиты от перенапряжений, нельзя не упомянуть такой класс УЗИП, как грозоразрядники, предназначенные для установки в пределах 0А -1 зон молниезащиты. Они имеют в основе своей конструкции многозазорные угольные искровые разрядники специальной конструкции, обеспечивающие эффективное гашение сопровождающих токов большой величины. Этот класс разрядников можно рассмотреть на примере серии HAKELSTORM, сравнивая параметры не самого мощного разрядника HS55 с параметрами разрядника РВН-0,5, использующегося для защиты на уровне ЩВП.

Как видно из табл. 2, импортный разрядник обеспечивает аналогичный уровень защиты при несопоставимо больших величинах амплитуд разрядных токов с параметрами 8/20, чем у РВН-0,5. Полноценное сравнение довольно проблематично, поскольку в справочных сведениях на РВН-0,5 отсутствуют данные о защитном уровне для импульсов тока с параметрами 10/350 -несоизмеримо более тяжелом режиме, чем при параметрах 8/20.

Ограничители перенапряжений ОПН-П1-0,38, которые сейчас устанавливаются на вводе в ЩВПУ, по своим параметрам также не могут конкурировать с современными УЗИП зарубежного производства.


Необходимо отметить, что для разработчиков грозоразрядников, имеющих в своей основе искровые разрядники, заявлять параметр «время срабатывания прибора» весьма проблематично вследствие наличия ряда объективных факторов, влияющих на величину этого параметра. Тем более ценно, что практически все ведущие зарубежные фирмы-изготовители указывают гарантированное максимальное время их срабатывания. Это позволяет разрабатывать более эффективные схемы защиты с их использованием.

Так, для грозоразрядников серии HAKELSTORM этот параметр не превышает 100 нс, что является очень хорошим показателем. Использование разрядников, имеющих в своей основе искровой промежуток, в качестве основного прибора защиты для зон 0А и 0В, видимо, предпочтительней, поскольку они обеспечивают значительно большее по сравнению с варисторным УЗИП энергопоглощение при наличии гальванической развязки с защищаемым устройством.

Кроме того, следует отметить, что в зарубежных промышленных системах защиты широкое распространение находят устройства защитного отключения, управляемые дифференциальным, т. е. остаточным, током (УЗО-Д). Их действие основано на принципе равенства токов в прямом и обратном проводах дифференциального датчика-трансформатора, создающих равные и противоположно направленные магнитные потоки, компенсирующие друг друга. При появлении дифференциального тока (тока утечки на заземленные элементы через поврежденную изоляцию токоведущих частей) равенство магнитных потоков в магнитопроводе датчика нарушается. Если значение дифференциального тока окажется достаточным для создания с помощью катушки расцепителя магнитного потока в ярме, то произойдет сброс механизма управления - выключатель отключится.

Достаточно часто такие устройства дополняются защитой от сверхтоков. Они известны как диффавтоматы (рис. 7) и выпускаются в вариантах для двухпроводных и трехфазных цепей.

По сути УЗО-Д выполняют роль сигнализатора заземления с функцией автоматического отключения защищаемых устройств. Их применение в устройствах ЖАТ видится вполне оправданным в случае правильного подхода к выбору тока уставки (срабатывания). Внедрение этих приборов помогло бы в ряде случаев избежать возникновения пожароопасных ситуаций, связанных с нарушением схемы электрических соединений в цепочке КТП - ЩВП - ПВ и созданием обходных цепей.


Следует отметить, что все ведущие разработчики УЗО при определении необходимых параметров ориентируются на систему заземления TN-C-S, как наиболее перспективную сегодня. Во вводно-распредели-тельном устройстве электроустановки совмещенные в одном проводнике (PEN) нулевой защитный и нулевой рабочий проводники при такой системе разделены и называются РЕ и N соответственно (рис. 8). Это позволяет в комплексе с УЗО обеспечить высокий уровень электро- и пожаробезопасности в электроустановках без их коренной реконструкции, а также более высокие характеристики схем защиты от перенапряжений.

Подводя итог, можно отметить, что имеющаяся элементная база защиты устройств ЖАТ от перенапряжений нуждается в совершенствовании и не позволяет реализовать концепцию зонной защиты. Используемые в железнодорожной технике УЗИП по общепринятой классификации в основной массе можно отнести, как правило, только к III классу защиты. Полностью отсутствуют приборы для установки в зонах Од и 0В, практически нет приборов для установки в зоне защиты I.


Схемотехнические решения, прописанные в действующих РУ и типовых материалах по проектированию устройств ЖАТ, совершенно неэффективны применительно к микропроцессорным устройствам, малоэффективны применительно даже к релейным системам и не отвечают требованиям современных стандартов.

Сама технология монтажа и размещения приборов УЗИП в устройствах ЖАТ на сети российских железных дорог также резко снижает эффективность схем защиты от перенапряжений.

При этом современная элементная база ведущих мировых производителей позволяет собрать, как из конструктора, эффективную систему защиты от перенапряжений любой степени сложности с любым количеством каскадов и обеспечить мониторинг ее функционирования. Параметры систем защиты при этом будут полностью согласовываться с параметрами защищаемой аппаратуры всех классов. К тому же не потребуется разрабатывать уникальные приборы УЗИП и конструкции применительно к устройствам ЖАТ на сети дорог России.

На зарубежной элементной базе широкого спектра во всем мире собираются системы защиты от перенапряжений для разнообразных промышленных систем, включая системы АСУ самой высокой степени ответственности.

Поскольку защита устройств ЖАТ от перенапряжений со стороны фидеров электропитания и линейных цепей никаких серьезных особенностей не имеет, в них, по мнению автора, вполне допустимо использовать сертифицированную элементную базу УЗИП без многолетних испытаний и специальных разрешительных документов, что является стандартной практикой за рубежом. При разработке новых схемотехнических решений грозозащиты целесообразно ориентироваться на серийно выпускаемую элементную базу У ЗИП и соответствующие аксессуары. Следует отметить, что модернизированная схема защиты от перенапряжений микропроцессорной системы автоблокировки КЭБ-2, внедряющейся на сети дорог, создана как раз на такой базе с использованием современной схемотехники и, по мнению автора, является одной из самых эффективных в отечественных устройствах ЖАТ. Так что же мешает использовать аналогичный подход в других системах как строящихся, так и находящихся в эксплуатации?

Представляется вполне допустимым в руководящих указаниях по защите устройств от перенапряжений приводить только:

общие схемы защиты устройств ЖАТ с использованием упомянутой элементной базы;

разбивку по зонам без указания конкретных типов приборов защиты;

пути проникновения перенапряжений и нормированные токи для этих путей;

категории и нормы допускаемых перенапряжений (продольных и поперечных) для существующих устройств ЖАТ;

перечень разрешенных к применению УЗИП и аксессуаров исходя в первую очередь из однотипности и унификации для всей сети дорог.

Следует отметить, что проектирование системы защиты от перенапряжений должно выделяться в отдельный раздел проекта.
С учетом таких изменений специалистам проектных институтов нужно будет только выбрать конкретный тип УЗИП (класс, уровень защиты и время срабатывания, а также число необходимых каскадов, применение соединительных дросселей и др.) с учетом результатов обследования участка проектирования, особенностей проектируемой системы ЖАТ и электроснабжения, мнения служб автоматики и телемеханики, электрификации и электроснабжения.

При новом проектировании целесообразно применять только промышленные системы заземления типа TN-C-S. Плановым порядком переделывать системы заземлений постов ЭЦ на этот тип с одновременным усилением (и дублированием) рабочего нулевого проводника.

По мнению автора, работы по определению необходимых (согласованных) параметров защиты по высоковольтной и низковольтной сторонам систем электроснабжения должны быть включены в план НИОКР. Службам автоматики и телемеханики целесообразно предоставить права на принятие самостоятельных решений по усилению мощности схем защиты от перенапряжений (увеличение числа каскадов защиты и замены УЗИП на более мощные) в рамках, разрешенных руководящими и методическими указаниями, разрабатываемыми в настоящее время.

Еще один важный вопрос, требующий срочного решения, - организация в РТУ дистанций объективной проверки параметров УЗИП с использованием специализированных генераторов нормированных импульсов тока.

Последний раз редактировалось Admin; 14.05.2011 в 20:39. Причина: Добавлено сообщение
Admin вне форума   Цитировать 14
Поблагодарили:
Данный пост получил благодарности от пользователей
Старый 09.09.2015, 07:15   #2 (ссылка)
Робот
 
Аватар для СЦБот

Регистрация: 05.05.2009
Сообщений: 1,882
Поблагодарил: 0 раз(а)
Поблагодарили 82 раз(а)
Фотоальбомы: не добавлял
Репутация: 0

Тема: Тема перенесена


Эта тема была перенесена из раздела Журнал "Автоматика, связь, информатика".

Перенес: Admin
СЦБот вне форума   Цитировать 0
Похожие темы
Тема Автор Раздел Ответов Последнее сообщение
Правила защиты устройств проводной связи и проводного вещания от влияния тяговой сети электрифицированных железных дорог переменного тока Avton Поиск документации 2 29.01.2015 08:45
РУ-90 - Руководящие указания по защите устройств СЦБ от перенапряжений Romka_G Системы централизации и блокировки 32 24.10.2014 16:21
Устройство каскадной защиты аппаратуры рельсовых цепей числовой кодовой автоблокировки от воздействий коммутационных и атмосферных перенапряжений в рельсовых цепях (КЗУ-РШ-АБ) Admin Приборы и напольное оборудование 0 25.03.2011 11:44
[Статья] Защита устройств автоматики, телемеханики и связи от атмосферных перенапряжений Толян Статьи по СЦБ 0 08.08.2010 08:36
[Статья] Опыт зарубежных стран в вопросах совершенствования организации грузоперевозок Толян Ж/д статьи 0 26.07.2010 11:40

Ответить в этой теме   Перейти в раздел этой темы   Translate to English

Возможно вас заинтересует информация по следующим меткам (темам):
, , , , , , , ,


Здесь присутствуют: 1 (пользователей: 0 , гостей: 1)
 
Опции темы Поиск в этой теме
Поиск в этой теме:

Расширенный поиск

Ваши права в разделе
Вы не можете создавать новые темы
Вы не можете отвечать в темах
Вы не можете прикреплять вложения
Вы можете редактировать свои сообщения

BB коды Вкл.
Смайлы Вкл.
[IMG] код Вкл.
HTML код Выкл.
Trackbacks are Вкл.
Pingbacks are Вкл.
Refbacks are Выкл.



Часовой пояс GMT +3, время: 20:53.

Яндекс.Метрика Справочник 
сцбист.ру сцбист.рф

СЦБИСТ (ранее назывался: Форум СЦБистов - Railway Automation Forum) - крупнейший сайт работников локомотивного хозяйства, движенцев, эсцебистов, путейцев, контактников, вагонников, связистов, проводников, работников ЦФТО, ИВЦ железных дорог, дистанций погрузочно-разгрузочных работ и других железнодорожников.
Связь с администрацией сайта: admin@scbist.com
1 2 3 4 5 6 7 8 9 10 11 12 13 14 15 16 17 18 19 20 21 22 23 24 25 26 27 28 29 30 31 32 33 34 
Powered by vBulletin® Version 3.8.1
Copyright ©2000 - 2026, Jelsoft Enterprises Ltd.
Powered by NuWiki v1.3 RC1 Copyright ©2006-2007, NuHit, LLC Перевод: zCarot