СЦБИСТ - железнодорожный форум, блоги, фотогалерея, социальная сеть
Вернуться   СЦБИСТ - железнодорожный форум, блоги, фотогалерея, социальная сеть > Уголок СЦБИСТа > Книги и журналы > xx3
Закладки ДневникиПоддержка Сообщество Комментарии к фото Сообщения за день
Ответить в этой теме   Перейти в раздел этой темы    
 
В мои закладки Подписка на тему по электронной почте Отправить другу по электронной почте Опции темы Поиск в этой теме
Старый 18.08.2013, 08:40   #1 (ссылка)
Crow indian
 
Аватар для Admin

Регистрация: 21.02.2009
Возраст: 40
Сообщений: 30,063
Поблагодарил: 398 раз(а)
Поблагодарили 5988 раз(а)
Фотоальбомы: 2580 фото
Записей в дневнике: 698
Репутация: 126089

Тема: [04-2013] Защищенность локомотивных приемников АЛС от помех


Защищенность локомотивных приемников АЛС от помех


В.И. ШАМАНОВ, профессор МГУПС, доктор техн. наук

Электромагнитная обстановка, в которой работает аппаратура АЛС, на участках с электротягой намного сложнее, чем с автономной. Количество сбоев АЛС первой категории в расчете на один миллион пробега локомотивов на электрифицированных участках дорог больше в 40-70 раз.

На участках с электротягой переменного тока этот показатель в среднем в 1,7 раза больше, чем с электротягой постоянного тока. На сети дорог страны примерно две третьих эксплуатируемых электровозов переменного тока оснащены системой АЛСН.


Повышенная интенсивность сбоев АЛСН на участках, электрифицированных на переменном токе, объясняется, прежде всего, большим уровнем помех. Помехи создаются всеми нечетными гармониками, включая основную наиболее мощную гармонику тягового тока частотой 50 Гц. При электротяге постоянного тока мешающее влияние оказывают только четные гармоники тягового тока.

Интенсивность сбоев АЛСН выше на участках, где обращаются тяжеловесные поезда, особенно на горных участках, т.е. при повышенных тяговых токах в рельсовой тяговой сети. С ростом величины тягового тока увеличивается абсолютное значение разности тяговых токов в рельсовых нитях под катушками АЛСН (асимметрия тягового тока) при одинаковом качестве содержания рельсовой сети. В результате уровень помех в приемниках АЛСН, прямо пропорциональный величине асимметрии тягового тока, существенно повышается. При движении тяжеловесных и скоростных поездов сильнее искажается и синусоидальность тягового тока, т.е. возрастает доля высших гармоник в тяговом токе. Следовательно, увеличивается мешающее влияние сразу двух факторов.

При больших переменных тяговых токах дополнительно появляются помехи от нечетных гармоник сигнального тока 25 Гц из-за насыщения сердечников дроссель-трансформаторов.

Например, при движении на подъем количество сбоев АЛСН у электровозов серии ЭП1 на одном из участков Транссибирской ма-
гистрали было в 4-13 раз больше, чем на спуске. По этой же причине на перевальном участке Большой Луг-Слюдянка II Восточно-Сибирской дороги, по которому организовано движение тяжеловесных поездов до нескольких десятков в сутки, в отдельных рельсовых цепях повторяемость сбоев АЛСН высокая.

С ростом частоты гармоники ее величина в тяговом токе уменьшается по отношению к величине первой гармоники с частотой 50 Гц. Поэтому считается, что основное мешающее влияние оказывают вторая гармоника постоянного тягового тока, первая и третья гармоники переменного тягового тока. Однако ЭДС, наводимая в приемных локомотивных катушках АЛСН, прямо пропорциональна частоте тока в рельсах.

При одном из измерений, например, величины третьей и двадцать первой гармоник текущего по рельсам тягового тока с частотами 150 и 1050 Гц составляли соответственно 21 и 10 % по отношению к гармонике с частотой 50 Гц. Величины напряжений с частотами этих гармоник на выходе приемных локомотивных катушек АЛСН были при этом соответственно 83 и 136 % по отношению к напряжению с частотой первой гармоники, т.е. относительный уровень сигналов помех на этих частотах увеличился соответственно в 4 и 13,6 раз.

Исследования помехоустойчивости АЛСН, проведенные на участках с электротягой переменного тока при движении тяжеловесных поездов по горным и равнинным участкам, выявили основные меОсобое внимание уделялось при этом анализу стечения обстоятельств, приводящих к сбоям в работе АЛСН.

Одна из характерных осциллограмм сигнала на выходе локомотивного фильтра ФЛ-25/75М при движении тяжеловесного поезда по горному участку приведена на рис. 1. В сигнале постоянно присутствовали помехи, искажающие форму некоторых импульсов. Соотношение сигнал/помеха составляло 1/0,4. Система АЛСН работала при этом устойчиво.

При появлении на локомотивном светофоре ложных более запрещающих показаний записаны осциллограммы и проанализирован гармонический состав сигналов на выходе фильтров. Анализ показал, что сбои показаний светофора с зеленого огня на белый происходят обычно, когда на выходе фильтра соотношение сигнал с несущей частотой 25 Гц/помеха с частотой 50 Гц превышает пределы от 1/0,7 до 1/0,8 (рис. 2).


Однако сбои в работе АЛСН бывают и при меньшей величине этого соотношения в случаях, когда на выходе фильтра появляются помехи в инфразвуковом диапазоне частот. Такие помехи характерны, когда поезд движется по участкам, где в пути лежат рельсы с неравномерной продольной намагниченностью или они разбросаны на полотне. Из-за мешающего влияния неравномерной продольной напряженности магнитного поля рельсов происходит до 25-30 % всех сбоев АЛСН на участках с электротягой переменного тока, где ведется капитальный ремонт пути [1].

Спектр частот напряжения в диапазоне до 40 Гц на выходе приемных локомотивных катушек АЛСН, записанный при движе-
нии поезда со скоростью 80 км/ч по участку после капитального ремонта пути, показан на рис. 3. Из-за неравномерной намагниченности по длине рельсов появились мощные помехи в инфразвуковом диапазоне.


Пример спектра частот напряжения на выходе фильтра ФЛ-25/75М при сбое показаний локомотивного светофора с зеленого на белый огонь приведен на рис. 4. Сигналы записывались цифровым осциллографом при проходе поезда по перегону, который кодируется АЛСН частотой 25 Гц. При этом смененные рельсы были уложены по краям шпал с одной стороны колеи с нарушением требований инструкции ЦП/485. Соотношение сигнал/помеха на частотах 25 и 50 Гц составляло 1/0,53. Однако в сигнале на выходе фильтра присутствовал весь спектр частот инфракрасного диапазона, что и вызвало сбой в работе АЛСН. Из этого следует, что фильтр такого типа работает недостаточно эффективно в инфразвуковом диапазоне частот.

Дополнительное появление помех в инфразвуковом диапазоне увеличивает их суммарную энергию на входе локомотивного усилителя. Функцию решающего устройства в приемнике АЛСН выполняет импульсное реле постоянного тока П2/12 с током срабатывания не более 12 мА и током отпускания якоря не менее 4 мА. Это реле подключено к выходному каскаду усилителя УК-25/50М-Д, собранному по двухтактной схеме. На его выходе выпрямляются токи всех частот, поступающие с фильтра. Появляющиеся помехи увеличивают ток через обмотку импульсного приемного реле. В результате возрастает вероятность того, что суммарный ток помехи превысит величину тока отпускания якоря реле в интервалах сигнала. Прекращение работы реле в импульсном режиме приводит к сбою кодов АЛСН.

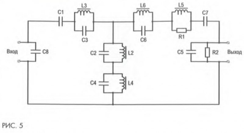
На электровозах переменного тока уровень кондуктивных помех в локомотивном приемнике АЛСН снижает пассивный фильтр ФЛ-25/75М. Он собран на параллельных и последовательных резонансных LC-контурах, настроенных на разные частоты (рис. 5). Контур, в котором емкость и индуктивность соединены последовательно, при резонансе обладает минимальным сопротивлением току резонансной частоты (резонанс напряжений). Контур, в котором емкость и индуктивность включаются параллельно, при резонансе оказывает наибольшее сопротивление току резонансной частоты (резонанс токов).

В качестве индуктивности в фильтре используются дроссели со стальными сердечниками. Контуры настраиваются в резонанс подбором числа витков подстрочной обмотки дросселя при встречном или согласованном включении последовательно с основной обмоткой.

Фильтр выполнен в виде Т-схе-мы, в поперечной части которого имеются последовательно соединенные два контура. В одном контуре, настроенном на частоту 25 Гц, параллельно включены катушка
индуктивности L2 и конденсатор С2. Другой контур, настроенный на частоту 75 Гц, состоит из катушки индуктивности L4 и конденсатора С4, соединенных тоже параллельно. Эти контуры настроены на резонанс токов, поэтому поперечная часть фильтра имеет очень большое сопротивление для обеих сигнальных частот и малое сопротивление для частоты 50 Гц, ее гармоник и инфразвуковых частот.


В продольные плечи фильтра включены два параллельных и два последовательных контура. Параллельные контуры настроены на частоту 50 Гц. Один из них состоит из катушки индуктивности L3 и конденсатора СЗ, а другой - из катушки индуктивности L6 и конденсатора Сб. Последовательные контуры, настроенные на резонанс напряжений на частоте 37,5 Гц, подключены со стороны входа и выхода к продольной части фильтра. Контур со стороны входа состоит из индуктивности приемных катушек и конденсатора С1, а контур со стороны выхода - из индуктивности L5, конденсаторов С7 и С5.


Для сигнального тока частотой 25 Гц полное сопротивление
последовательных контуров в продольной части фильтра имеет емкостный характер, а сопротивление параллельных контуров L3-C3 и L6-C6 - индуктивный характер. При этом общая цепь настроена на резонанс напряжений на частоте 25 Гц. Для сигнального тока частотой 75 Гц полное сопротивление последовательных контуров имеет индуктивный характер, а параллельных контуров L3-C3 и L6-C6 - емкостный характер. Общая цепь настроена на резонанс напряжений на частоте 75 Гц. Таким образом, в последовательной цепи сопротивление для сигнальных частот наименьшее.

Контур L3-C3, имеющий большое сопротивление для токов помех, является первой ступенью заграждающего действия фильтра. Прошедшие через продольное плечо токи помех ответвляются в поперечное плечо, имеющее ма лое сопротивление. В результате большая часть падения напряжения помех приходится на левое продольное плечо (см. рис. 5), и лишь малая часть токов помех проходит в правое. Здесь это напряжение тоже с большой неравномерностью перераспределяется между параллельным контуром L6-C6 и последовательным контуром L5-C7-C5 (2).

Количественно эффективность работы любого электрического фильтра оценивают по величине вносимых потерь или по величине вносимого затухания, которые измеряются в децибелах. Вносимые потери вычисляют по формуле а = 20 IgfU/Ug), а вносимое затухание находят по формуле S = 20 IgtUg/U,), где U,- напряжение с определенной частотой от генератора сигналов на нагрузке в цепи фильтра, a U2 - напряжение на нагрузке от генератора без фильтра.

Эффективность работы фильтра ФЛ-25/75М оценивается в технических указаниях по ремонту сравнением абсолютных значений сигналов выбранных частот на его входе и выходе [3]. С помощью этих данных найдены численные нормативные значения сигнала по степени ослабления фильтром, равной отношению напряжений сигналов определенной частоты на его входе и выходе. Численные значения и результаты их пересчета во вносимое затухание сведены в таблицу.

Научные сотрудники ИрГУПСа сняли частотные характеристики ряда фильтров в КРП локомотивных депо. Для выяснения влияния величины асимметрии тягового тока под катушками АЛСН на вносимое фильтром затухание провели исследования при движении поездов на Восточно-Сибирской и
Красноярской дорогах. Некоторые результаты работ приведены в таблице. В целом эффективность функционирования фильтров не отвечала нормам.

Графики частотных характеристик хорошо отрегулированного фильтра ФЛ-25/75М в районах резонансных частот 25 и 75 Гц, построенные по данным [2, 3], показаны на рис. 6, 7. По данным экспериментов, проведенных в КРП, нанесены точки средних значений вносимого фильтром затухания. Из рисунков видно, что обследованные фильтры ослабляли сигналы АЛСН в полосах прозрачности больше, чем это допустимо по нормам. Крутизна частотных характеристик в области центральных частот и за пределами полос прозрачности фильтра также не отвечала предъявляемым требованиям.

На частотах до 15 Гц вносимое затухание уменьшалось, а разность между большим и меньшим значениями вносимого затухания была в 3,0-3,5 раза больше, чем на частоте 25 Гц. На частотах до 32 Гц такие характеристики присущи фильтрам нижних частот.

Вносимое затухание на частоте 50 Гц не превышало 35,2 дБ, т.е. не достигало требуемого значения 60 дБ. Разброс измеренных значений вносимого фильтром затухания увеличивался с ростом частоты помехи в области гармоник тягового тока. При движении поезда у исследуемых фильтров вносимое затухание на сигнальных частотах росло, а на частоте 50 Гц мало отличалось от данных, полученных в КРП.


При отсутствии активного сопротивления в элементах резонансных контуров резонансная частота находится по формуле юр = V(1/LC), где L и С - индуктивность и емкость в контуре. Активным сопротивлением конденсаторов можно пренебречь на частотах, в диапазоне которых работают рассматриваемые фильтры. У дросселей со стальными сердечниками необходимо учитывать индуктивное <dL и активное R сопротивления, а также нелинейность их характеристик.

Активное сопротивление определяется потерями в медном проводе катушки и сердечнике дросселя на гистерезис и вихревые токи. Нелинейность характеристик проявляется в том, что токи в обмотках дросселей меняют их индуктивность, а следовательно настройку резонансных контуров фильтра и вносимое им затухание сигнала при движении поезда.

Если учитывать активное сопротивление катушек индуктивности, то резонансную частоту для последовательного контура можно найти по формуле wр = =sqrt((1/LC+(R/L)^2). Резонанс токов в параллельном LC-контуре появляется при выполнении условия wpС = wpL/(R^2+ wp^2*L^2). Следовательно, варьирование индуктивности дросселя при насыщении сердечника, а также потери в сердечнике при изменении частоты тока, протекающего по обмотке, влияют на резонансную частоту.

При движении поезда варьирование сигнального тока и асимметрии тягового тока под катушками АЛСН приводят к изменению напряжения на входе локомотивного фильтра и токов в его контурах. Нелинейность характеристик катушек индуктивности в фильтре сильнее всего проявляется на инфразвуковых частотах и частотах высших гармоник тягового тока. Вносимое затухание на сигнальных частотах растет. Разброс затухания на частотах 25 и 50 Гц примерно одинаков.

При увеличении асимметрии тяговых токов в рельсовых линиях, проявляющемся чаще при движении тяжеловесных поездов по горным участкам, возрастает дестабилизирующее влияние изменения индуктивности катушек.

В приемной электровозной катушке при высоте подвески 150 мм и токе в рельсах частотой 50 Гц наводится ЭДС не менее 0,75 В [2]. Асимметрия переменного тягового тока под катушками АЛСН на исследуемых движущихся электровозах изменялась от нуля до 60-70 А, напряжение помех на входе локомотивного фильтра - от нуля до 5,0-6,0 В и более. Необходимо учитывать, что с ростом частоты гармоники тягового тока увеличивается величина ЭДС помех, наводимых асимметрией тягового тока на выходе локомотивных катушек, и меняется гармонический состав тягового тока под катушками.

При движении поезда на участках с электротягой переменного тока сигнальный ток частотой 25 Гц может изменяться в диапазоне 1,4-15,0 А, сигнальный ток частотой 75 Гц - в диапазоне 1,4-25,0 А. Следовательно, на выходе локомотивных катушек ЭДС с частотой 25 Гц будет находиться в пределах от 0,1 до 1,12 В, а с частотой 75 Гц - от 0,32 до 5,6 В. Диапазоны изменения напряжения на входе локомотивного фильтра АЛСН с сигнальной частотой 75 Гц и напряжения помех от составляющей тока асимметрии с частотой 50 Гц подобны.

Эффективность работы фильтров проверяется в РТУ при напряжениях на входе 0,1, 0,3 и 10,0 В на частотах соответственно 25, 75 и 50 Гц, т.е. в условиях, когда сигнальные токи в рельсах под катушками АЛСН минимальны, а асимметрия тягового тока максимальна [3]. При настройке контуров фильтра не учитывается нелинейность характеристик используемых дросселей.

Таким образом, на эффективность работы фильтров ФЛ-25/75М влияют качество регулировки контуров и изменения резонансных частот, зависящих от величины индуктивности используемых дросселей со стальными сердечниками. На индуктивность влияет величина электрического тока, протекающего по обмоткам дросселей. Качество регулировки контуров можно повысить, а для парирования влияния изменения резонансных частот требуется разработка новых фильтров или модернизация локомотивной аппаратуры АЛСН.


Для замены старых фильтров на новые необходимо время и финансовые ресурсы. Чтобы частотные характеристики не ухудшались во время эксплуатации и не изменялись при движении поездов, особенно тяжеловесных, необходима модернизация фильтров, например, за счет использования дополнительных каскадов фильтрации или способа компенсации помех.

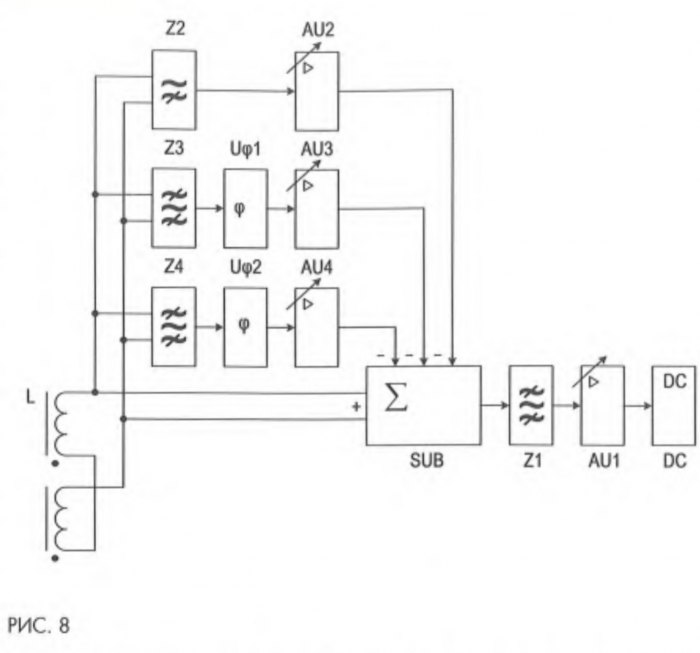
Блок-схема одного из вариантов модернизации локомотивного приемника АЛСН с несколькими каналами компенсации помех показана на рис. 8. Наиболее высокие уровни помех генерируют обычно первая и третья или вторая и четвертая гармоники тягового тока при электротяге соответственно переменного и постоянного токов. В запатентованном локомотивном приемнике сигналов АЛСН [4] раздельно компенсируются помехи от этих и остальных гармоник тягового тока.

В схеме этого приемника алгебраический сумматор SUB имеет три вычитающих входа. Полосовой фильтр Z3 настраивается на пропуск первой гармоники тягового тока при электротяге переменного тока или второй гармоники при электротяге постоянного тока, другой полосовой фильтр Z4 - на пропуск третьей гармоники при электротяге переменного тока или на пропуск четвертой гармоники при электротяге постоянного тока. Через фильтр высокой частоты Z2 проходят все гармоники тягового тока с частотами 250 Гц и выше.

Первый фазовращатель U<p1 и усилитель с регулируемым коэффициентом усиления AU3 компенсируют изменения фазы и амплитуды, вносимые полосовым фильтром Z3 в сигнал помехи от первой или второй гармоники тягового тока. Второй фазовращатель U<p2 и усилитель с регулируемым коэффициентом усиления AU4 компенсируют изменения фазы и амплитуды, вносимые полосовым фильтром Z4 в сигнал помехи от третьей или четвертой гармоники тягового тока. Усилитель AU2 с регулируемым коэффициентом усиления, включенный на выходе фильтра высокой частоты Z2, корректирует амплитуды помех от более высоких гармоник тягового тока.

Составляющие сигнала помехи компенсируются в алгебраическом сумматоре SUB. В результате в сигнале на его выходе резко уменьшается уровень помехи. Это существенно повышает качество работы фильтра.

При увеличении объемов работ по капитальному ремонту пути выросло количество сбоев АЛСН из-за мешающего влияния магнитного поля рельсов. Частотный спектр помех находится в диапазоне до 40 Гц, т.е. попадает в полосу прозрачности локомотивного фильтра со средней частотой 25 Гц. Мешающее влияние рассматриваемых помех можно исключить, переведя АЛСН на сигнальную частоту 75 Гц [1]. В фильтрах ФЛ-25/75М каналы, настроенные на пропуск сигналов с частотами 25 и 75 Гц, работают параллельно. При вступлении поезда на участок дороги, где для сигналов АЛСН используется несущая частота 75 Гц, требуется ручное или автоматическое отключение канала с частотой 25 Гц.

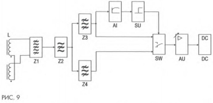
В запатентованном приемнике сигналов АЛСН [5] предусмотрена дополнительная двухкаскадная фильтрация помех с автоматическим переключением каналов, работающих на несущих частотах 25 или 75 Гц. Для этого локомо-
тивная аппаратура АЛСН, включающая в себя локомотивные катушки L, фильтр Z1, усилитель AU и дешифратор DC, дополнительно снабжается режекторным фильтром Z2, настроенным на частоту 50 Гц, двумя полосовыми фильтрами Z3 и Z4, интегратором AI, электронным ключом SU и переключателем SW. Полосовой фильтр Z3 настраивается на частоту 75 Гц, а полосовой фильтр Z4 - на частоту 25 Гц (рис. 9).

Режекторный фильтр Z2 дополнительно ослабляет наиболее мощную помеху промышленной частоты, а каждый полосовой фильтр - помехи всех остальных частот. При следовании поезда по участку, где используется несущая частота 25 Гц для сигналов АЛСН, работает нижний канал. При вступлении на участок, оборудованный устройствами АЛСН на частоте 75 Гц, после приема одной-двух кодовых комбинаций напряжение на выходе интегратора AI становится достаточным для срабатывания электронного ключа SU. Ключ, сработав, подает напряжение на управляющий вход переключателя SW и аппаратура АЛСН автоматически переключается на прием сигналов с несущей частотой 75 Гц. Мешающее влияние на работу АЛСН неравномерно намагниченных по длине рельсов и больших тяговых токов в рельсах при их асимметрии под катушками практически полностью исключается.


Таким образом, включенные в локомотивном приемнике АЛСН элементы дополнительно подавляют мощные помехи, наводимые в приемных катушках при движении тяжеловесных поездов и увеличении потока поездов, особенно на горных участках и в зонах, близких к тяговым подстанциям. В модернизированных двухканальных фильтрах ФЛ-25/75М практически полностью исключается мешающее влияние на работу АЛСН магнитного поля рельсов. Работа компенсатора и дополнительных фильтров облегчается при их установке после локомотивного фильтра, так как индуктивности фильтра сглаживают импульсные помехи.

Предлагаемые меры повышают защищенность локомотивных приемников АЛСН от помех. В результате уменьшается интенсивность сбоев в работе АЛСН и, как следствие, повышается безопасность движения поездов. При этом уменьшаются психофизиологическая нагрузка на локомотивные бригады и потери в поездной работе из-за снижения скорости поезда при ложном появлении на локомотивном светофоре более запрещающего сигнала.

ЛИТЕРАТУРА

1. Шаманов В.И., Регер ИИ. Неравномерность магнитного поля рельсов и устойчивость работы АЛСН //Железнодорожный транспорт. 2010, № 2, с. 19-23.

2. Леонов АЛ. Техническое обслуживание автоматической локомотивной сигнализации. - М.: - Транспорт, 1982, 255 с.

3. Дешифраторы и усилители АЛСН. Технические указания по ремонту РМ32-ЦШ 09.21.85. - М.: Транспорт, 1985, 31 с.

4. Шаманов В.И., Пультяков А.В., Трофимов Ю.А. Приемное устройство для автоматической локомотивной сигнализации. Патент РФ № 59010 от 10.12. 2006 г.

5. Шаманов В.И. Локомотивный приемник сигналов автоматической локомотивной сигнализации для участков с электротягой переменного тока. Патент РФ N° 94944 от 10.06.2009 г.
Admin вне форума   Цитировать 12
Старый 09.09.2015, 08:14   #2 (ссылка)
Робот
 
Аватар для СЦБот

Регистрация: 05.05.2009
Сообщений: 2,482
Поблагодарил: 0 раз(а)
Поблагодарили 82 раз(а)
Фотоальбомы: не добавлял
Репутация: 0

Тема: Тема перенесена


Эта тема была перенесена из раздела Журнал "Автоматика, связь, информатика".

Перенес: Admin
СЦБот вне форума   Цитировать 0
Похожие темы
Тема Автор Раздел Ответов Последнее сообщение
=Распоряжение= № ЦТ-55/р от 02.04.2013 г. - Об утверждении «Регламента организации эксплуатационной работы локомотивных бригад и обеспечения безопасности движения эксплуатационных локомотивных депо Дирекции тяги Admin Документы Дирекции тяги ОАО "РЖД" 3 18.07.2013 17:02
Регламент внедрения пилотного проекта организации работы машинистов-инструкторов локомотивных бригад (от 7 мая 2013 г.) Admin Тяговый подвижной состав 0 11.05.2013 10:57
[03-2013] Мониторинг локомотивных радиостанций Admin xx3 0 05.05.2013 20:19
=Распоряжение= № 44р от 15 января 2013 г. - Об утверждении Методики планирования и нормирования энергии рекуперации на уровне эксплуатационных локомотивных депо Admin 2013 год 0 26.02.2013 04:19
=Инструкция= Инструкция по охране труда для локомотивных бригад ОАО «РЖД» (с 1 марта 2013 г.) Admin Тяговый подвижной состав 0 02.01.2013 23:26

Ответить в этой теме   Перейти в раздел этой темы   Translate to English

Возможно вас заинтересует информация по следующим меткам (темам):
, , , , ,


Здесь присутствуют: 1 (пользователей: 0 , гостей: 1)
 

Ваши права в разделе
Вы не можете создавать новые темы
Вы не можете отвечать в темах
Вы не можете прикреплять вложения
Вы можете редактировать свои сообщения

BB коды Вкл.
Смайлы Вкл.
[IMG] код Вкл.
HTML код Выкл.
Trackbacks are Вкл.
Pingbacks are Вкл.
Refbacks are Выкл.



Часовой пояс GMT +3, время: 02:01.

Яндекс.Метрика Справочник 
сцбист.ру сцбист.рф

СЦБИСТ (ранее назывался: Форум СЦБистов - Railway Automation Forum) - крупнейший сайт работников локомотивного хозяйства, движенцев, эсцебистов, путейцев, контактников, вагонников, связистов, проводников, работников ЦФТО, ИВЦ железных дорог, дистанций погрузочно-разгрузочных работ и других железнодорожников.
Связь с администрацией сайта: admin@scbist.com
1 2 3 4 5 6 7 8 9 10 11 12 13 14 15 16 17 18 19 20 21 22 23 24 25 26 27 28 29 30 31 32 33 34 
Powered by vBulletin® Version 3.8.1
Copyright ©2000 - 2026, Jelsoft Enterprises Ltd.
Powered by NuWiki v1.3 RC1 Copyright ©2006-2007, NuHit, LLC Перевод: zCarot