СЦБИСТ - железнодорожный форум, блоги, фотогалерея, социальная сеть
Вернуться   СЦБИСТ - железнодорожный форум, блоги, фотогалерея, социальная сеть > Уголок СЦБИСТа > Книги и журналы > xx3
Закладки ДневникиПоддержка Социальные группы Поиск Сообщения за день Все разделы прочитаны Комментарии к фото Сообщения за день
Ответить в этой теме   Перейти в раздел этой темы    
 
В мои закладки Подписка на тему по электронной почте Отправить другу по электронной почте Опции темы Поиск в этой теме
Старый 26.09.2012, 11:14   #1 (ссылка)
Crow indian
 
Аватар для Admin

Регистрация: 21.02.2009
Возраст: 40
Сообщений: 30,173
Поблагодарил: 398 раз(а)
Поблагодарили 6016 раз(а)
Фотоальбомы: 2622 фото
Записей в дневнике: 890
Репутация: 126146

Тема: [08-2012] Централизованная система информирования и оповещения


Централизованная система информирования и оповещения


А.Н. СЛЮНЯЕВ, главный инженер ЦСС
Д.В. АНАНЬЕВ, генеральный директор «Пульсар-Телеком»
B.C. АНДРИЕНКО, главный инженер проекта ГТСС
И.Д. БЛИНДЕР, главный специалист НИИАС


Обеспечение безопасности движения поездов, безопасности пассажиров и работников - одна из основных задач предприятий железнодорожного транспорта. Именно поэтому в 2010 г. по инициативе ЦСС и при поддержке старшего вице-президента ОАО «РЖД» В.А. Гапановича была начата разработка инновационной централизованной интегрированной системы информирования пассажиров и оповещения работающих на железнодорожных путях.


Информирование пассажиров о движении поездов, оповещение их и работающих на железнодорожных путях о приближении подвижного состава, о чрезвычайных, нештатных ситуациях должно входить в комплекс обязательных мер обеспечения безопасности. Особенно актуально своевременное оповещение на участках высокоскоростного движения.

До настоящего времени на российских дорогах применяется децентрализованное информирование пассажиров. Как правило, на крупных станциях (вокзалах) диктор объявляет данные расписания и сведения по их корректировке, получаемые от дежурного по станции или по вокзалу. На некоторых вокзалах организовано автоматизированное информирование на основе планового графика движения с учетом изменений, вносимых операторами. При этом данные, выдаваемые на информационных табло и в сеть громкоговорящего оповещения, не всегда содержат достаточную и актуальную информацию.

На пассажирских платформах большинства станций 4-5-го класса и остановочных пунктов имеется статическое расписание поездов, об изменениях в которых извещают бумажные объявления, вывешиваемые на стенах павильонов или на ограждениях платформ. Оперативного информирования о задержках или отмене поездов на таких объектах чаще всего не бывает.

Оповещение пассажиров на платформе о приближении подвижного состава производится обычно посредством информаторов с записанными речевыми сообщениями, оснащенных усилителями и громкоговорителями.

При этом используются данные от устройств железнодорожной автоматики о занятии поездом соответствующего блок-участка, передаваемые каждые 10-12 с до освобождения блок-участка.

Оповещение о приближении высокоскоростного поезда начинается за 10-15 мин. Причем время начала оповещения зависит только от момента занятия поездом участка приближения фиксированной длины и не зависит от скорости его движения. Такой промежуток времени от начала передачи до фактического подхода подвижного состава значительно снижает эффективность предупреждения, так как спустя 2-3 мин пассажир при отсутствии подвижного состава практически перестает учитывать поступив шую информацию.

Существующие устройства оповещения не оборудованы системой дистанционного контроля исправности, в результате чего у обслуживающего персонала отсутствует оперативная информация об их отказе.

Оповещение работающих на железнодорожном пути на станции осуществляется с помощью аппаратуры станционной двухсторонней парковой связи, по фидерным линиям которой передаются громкоговорящие сообщения на основании данных систем электрической или диспетчерской централизации. Применяется также система «Сирена», использующая средства громкоговорящей связи и радиосвязи, и оповещение, выполняемое сигналистами, оснащенными радиостанциями. На перегоне обычно оповещение осуществляют только сигналисты.

Все средства информирования и оповещения пассажиров проектировались и создавались независимо от систем станционной двухсторонней парковой связи на базе разнотипных коммутационных устройств и усилительного оборудования, что значительно усложняет строительство и техническую эксплуатацию, не обеспечивает необходимого функционального взаимодействия и безопасности. При этом большая часть аппаратуры станционной двухсторонней парковой связи, а также информирования и оповещения не оборудована средствами мониторинга и администрирования и не имеет выхода в ЕСМА.

Следует отметить, что на основных направлениях европейских и американских железных дорог для информирования пассажиров на станциях и остановочных пунктах применяются централизованные системы, формирующих информацию о пассажирских поездах для всех пунктов участка железной дороги на основании плановых графиков движения и корректирующих данных, получаемых от систем диспетчерского управления. В них нет взаимосвязи времени оповещения со скоростью движения поездов. В некоторых системах информация о фактическом прибытии поезда на станцию формируется с помощью специальных ультразвуковых датчиков.

В зарубежных системах информирования отсутствуют функции оповещения работающих на железнодорожном пути и станционной парковой связи.

На европейских железных дорогах для оповещения работающих на железнодорожном пути используются локальные средства. Они основаны на применении установленных на рельсах датчиков обнаружения приближающегося к месту работ подвижного состава, связанных по радиоканалу с расположенной на месте работ центральной радиостанцией. Последняя обеспечивает трансляцию в автоматическом или ручном режиме сигнала оповещения на сигнализаторы вдоль участка работ, которые воспроизводят акустические и оптические сигналы. В этих системах приняты меры по обеспечению высокой надежности и функциональной безопасности.

Как упоминалось ранее, в

2010 г. в рамках инвестиционного проекта ОАО «РЖД» «Система оповещения работающих на путях и пассажиров о приближении поезда на участке Москва - Санкт-Петербург Октябрьской железной дороги» начато создание инновационной централизованной интегрированной системы информирования пассажиров и оповещения работающих на железнодорожных путях для российских железных дорог ЦИСОП.

При этом необходимо было учитывать отсутствие в Российской Федерации и ОАО «РЖД» нормативно-правовых и нормативно-технических документов, определяющих требования и порядок применения систем информирования и оповещения на железнодорожном транспорте.

При разработке технических требований для ЦИСОП учитывался опыт российских и зарубежных компаний, а также особенности технологических процессов перевозок, содержания и ремонта объектов инфраструктуры, подвижного состава, климатические и другие факторы. Эти требования были утверждены ОАО «РЖД» в канун 2011 г.

В 2011 г. начато создание проекта национального стандарта ГОСТ Р «Системы предупреждения работающих на железнодорожных путях и информирования пассажиров о приближении железнодорожного подвижного состава. Общие требования», который сейчас находится в стадии согласования.

В настоящее время ведется проектирование ЦИСОП с учетом технических требований, утвержденных ОАО «РЖД», а также требований, изложенных в проекте ГОСТ Р «Системы предупреждения ...». Оборудование для ЦИСОП разрабатывают предприятия-изготовители в инициативном порядке без привлечения финансовых средств ОАО «РЖД».

Особенностями системы ЦИСОП являются:

централизация и интеграция исходной информации о местоположении подвижного состава, получаемой из разных источников;

аппаратная и программная интеграция технических средств информирования, оповещения и двухсторонней парковой связи на единой аппаратно-программной платформе с возможностью их раздельного применения подсистем в любых сочетаниях;

ориентированность на работника, находящегося как на фиксированном месте, так и перемещающегося по перегону и станции.

В качестве централизованного источника исходных данных информирования пассажиров о движении поездов на всех станциях и остановочных пунктах направления железной дороги используется автоматизированная информационно-управляющая система «Автодиспетчер» или автоматизированная система управления движением поездов АСУ-Д.

Оповещение пассажиров и работающих на железнодорожном пути о приближении подвижного состава предполагается осуществлять также на основании данных системы «Автодиспетчер» (АСУ-Д). Однако из-за возможности появления в этих системах опасных отказов с интенсивностью выше 10-6/час, источником исходных данных будут служить еще системы ЭЦ и ДЦ.

В соответствии с техническими требованиями в системе ЦИСОП предусмотрены следующие функции:

визуальное и акустическое информирование пассажиров на платформах о времени отправления (прибытия) и маршруте следования поездов дальнего и пригородного сообщений, а также предоставляемых услугах и сервисах;

оповещение пассажиров на платформах, а также работающих на железнодорожных путях о приближении подвижного состава с сообщением о направлении движения и номере пути;

информирование пассажиров об изменениях в расписании движения поездов и других экстренных ситуациях, связанных с обслуживанием пассажиров и безопасностью движения;

обеспечение на платформах и вокзалах экстренной связи пассажиров с диспетчером системы информирования, полицией, МЧС и службой скорой медицинской помощи;

информирование работающих на железнодорожных путях о чрезвычайных ситуациях и других обстоятельствах, связанных с безопасностью людей и безопасностью движения;

передача команд и сообщений руководителями эксплуатационных работ и поездным диспетчером исполнителям, находящимся в парках, и возможность ведения переговоров исполнителей между собой с использованием средств громкоговорящего оповещения, парковых переговорных устройств и радиосвязи.

Возможно расширение функциональности ЦИСОП и использование ее в качестве: средства связи с местом ремонтных и аварийно-восстановительных работ; систем оповещения о чрезвычайных ситуациях; отпугивания животных, пересекающих железнодорожные пути; информирования локомотивных бригад о работающих на путях.

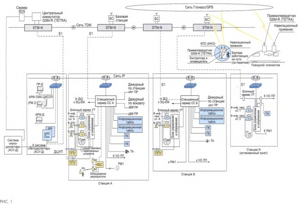
Структурная схема ЦИСОП приведена на рис. 1. Централизованное управление работой системы осуществляется центральным информационным сервером (ЦИС), взаимодействующим с системами «Автодиспетчер» (АСУ-Д), а также с информационным оборудованием всех станций участка железной дороги по сети с коммутацией пакетов (IP) или по сети TDM.

На каждой станции установлен станционный сервер (СС), к которому подключены трансляционные усилители парковой связи и информирования пассажиров, информационные табло, переговорно-вызывные пульты руководителей и исполнителей технологических процессов, пульт дежурного по вокзалу (опциально), колонки с переговорными устройствами экстренного вызова, коммутатор (контроллер) радиодоступа (опциально), телефонный аппарат кассира.

Линии переговорных устройств двухсторонней станционной парковой связи подключены к входам трансляционных усилителей.

В качестве контрольно-испытательного устройства используется компьютер (ноутбук), выполняющий функции рабочего места (РМ-1) системы мониторинга и администрирования (СМА).

Регистрация передаваемых сообщений и оповещения обеспечивается входящим в состав станционного оборудования регистратором.

Станционный сервер подключен к выходу оборудования ЭЦ или контролируемого пункта ДЦ, обеспечивающего исходную информацию для оповещения о приближении подвижного состава к работающим на железнодорожных путях станции и к пассажирским платформам. Предусмотрено сопряжение станционного сервера с микропроцессорными системами ЭЦ. с контролируемым пунктом системы ДЦ «ТРАКТ» и релейными системами ЭЦ (более подробно об этом будет сообщено в последующих статьях этой тематики).

В зависимости от класса железнодорожной станции и количества пассажирских платформ станционное оборудование может иметь различную комплектацию. Для остановочных пунктов (пункт N на рис. 1) предусмотрен упрощенный комплект оборудования. Он представляет собой блочный каркас трансляционных усилителей с устройством управления, рассчитанный на подключение двух фидеров пассажирских платформ, двух колонок экстренного вызова и информационного выхода к оборудованию оповещения пешеходного перехода. В блочном каркасе могут быть установлены один или два резервных усилителя и устройство регистрации.

При отсутствии отапливаемого помещения на остановочном пункте оборудование ЦИСОП, аппаратура выделения каналов транспортной сети и устройства электропитания размещаются в термошкафу.

Возможно подключение фидерных линий и колонок экстренной связи остановочного пункта по двум или трем кабельным парам непосредственно к станционному серверу ближайшей станции.

В системе организовано автоматизированное рабочее место диспетчера (АРМ-Д), контролирующего функционирование подсистем информирования и оповещения. Он имеет возможность ввода необходимой информации в случае нарушения взаимодействия ЦИС с системой «Автодиспетчер» (АСУ-Д). С колонок экстренного вызова, установленных на платформах и в помещении вокзала, пассажир может вызвать диспетчера ЦИ СОП или служб МЧС, полиции, медицинской помощи.

Мониторинг и администрирование системы ЦИСОП участка железной дороги осуществляются в пункте технического управления с автоматизированного рабочего места (РМ2) администратора АРМ-СМА. В системе СМА организован выход в ЕСМА.

Для выхода поездного диспетчера в сеть двухсторонней парковой связи (ДПС) станций предусмотрен отдельный переговорно-вызывной пульт Пр-Д. С его помощью поездной диспетчер может также в случае необходимости передавать сообщения на пассажирские платформы.

При использовании у поездного диспетчера многофункционального компьютерного пульта на одной из экранных форм будут отражены сети ДПС участка.

Станционный сервер имеет выход к оборудованию оповещения пешеходного перехода, на которое передается информация о поступившем сообщении о приближении подвижного состава.

Централизованное информирование пассажиров о времени отправления (прибытия) и маршруте следования пассажирских поездов дальнего и пригородного сообщений осуществляется следующим образом. Информация о каждом поезде поступает из системы «Автодиспетчер» (АСУ-Д) на сервер ЦИС, в котором формируются адресные сообщения, рассылаемые по сети с коммутацией пакетов на станционные серверы или трансляционные усилители на остановочных пунктах. В соответствии с принятой информацией здесь формируются речевые сообщения из фрагментов, содержащихся в базе данных, либо визуальная информация.

На информационных табло индицируется извещение о предстоящем прибытии поезда дальнего следования за 30 мин, пригородного - за 10 мин. За 2 мин до прибытия любого из них воспроизводится речевое сообщение, содержащее сведения о номере, категории, маршруте следования, времени прибытия и номере платформы. По поводу поездов дальнего следования передается информация о факте прибытия, продолжительности стоянки и сообщение об отправлении за 1 мин до него.


Оповещение о приближении подвижного состава к пассажирской платформе осуществляется за 1 мин до его подхода. Исходная информация для этой цели в зависимости от действующих на участке средств ЖАТ поступает в станционный сервер (блок трансляционных усилителей) от контролируемого пункта ДЦ.

Вследствие использования исходной информации от систем ДЦ, формируемой на основании данных о занятии (освобождении) соответствующих блок-участков, время от начала передачи оповещения до подхода подвижного состава к платформе нередко оказывается более 60 с. Однако при оснащении всех подвижных объектов средствами навигации и передачи информации об их местонахождении и скорости в систему «Автодиспетчер» будет реализована возможность точно выдерживать заданное время (не более 1 мин).

Речевые сообщения для оповещения пассажиров, содержащие сведения о направлении движения подвижного состава и номере пути (платформы), повторяются каждые 10-12 с до прохода поезда (фактически до освобождения блок-участка).

На железнодорожных станциях (вокзалах), оборудованных местной информационно-справочной системой, дежурному по вокзалу или диктору придается переговорно-вызывной пульт, сопрягающийся со станционным сервером ЦИСОП, для передачи при необходимости сообщений на пассажирские платформы.

При одновременном поступлении информационного сообщения и оповещения о приближении подвижного состава в первую очередь передается оповещение.


Подсистема двухсторонней станционной парковой связи (ДПС), входящая в состав ЦИСОП, выполняет функции, аналогичные другим системам СДПС. Кроме того, за счет интеграции с подсистемой информирования обеспечивается возможность передачи дежурными по станциям сообщений на платформы, индикация на пульте дежурного информации о нормальной работе или об отказе средств оповещения.

В ДПС для оповещения и переговоров реализована возможность выхода дежурного опорной станции в сеть парковой связи управляемых станций. Кроме того, передавать команды и вести переговоры в сетях парковой связи станций своего круга может и поездной диспетчер.

В системе СМА предусмотрены контроль функционирования и исправности всего оборудования ДПС, в том числе парковых переговорных устройств.

Некоторые функции парковой связи реализуются с помощью средств радиодоступа, организованного на базе систем радиосвязи 160 МГц по стандарту TETRA, DECT и др. Средства радиодоступа дают возможность уменьшить (или исключить в отдельных зонах станции) количество парковых переговорных устройств, повысить оперативность выполнения технологических процессов станционной работы,снизить уровень шума на станциях и прилегающих к ним районах.

Для оповещения работающих на железнодорожном пути им будут придаваться коллективные переносимые (КПО) и индивидуальные носимые (ИНО) опо-вещатели. В их состав входит навигационный приемник информации от сети ГЛОНАСС/GPS, определяющий местоположение бригады. Координаты местоположения передаются по сети технологической радиосвязи TETRA или GSM-R через центральный коммутатор (MSC) в систему «Автодиспетчер». При необходимости может быть использована цифровая система радиосвязи других стандартов.

На основании анализа местоположения бригады и поездного положения в системе «Автодиспетчер» формируется информация о приближении подвижного состава к месту работ, передаваемая по сети радиосвязи.

При приеме сообщения в КПО включается акустическая и оптическая сигнализации длительностью около 4 с, воспроизводимые с периодом 10-12 с до прохода подвижным составом места работ. В ИНО воспроизводится только акустическое оповещение посредством сигнала, изменяющегося в диапазоне 300-3000 Гц.

При отсутствии приближающегося подвижного состава от системы «Автодиспетчер» на КПО адресно передаются с периодом повторения 12-15 с по радиосвязи контрольные сигналы длительностью около 1-2 с, воспроизводимые громкоговорителем КПО. Их прекращение свидетельствует об отказе системы оповещения. Во время оповещения о приближении подвижного состава контрольные сигналы не передаются.

При оповещении работающих используются контрольные сигналы тонального спектра частот, при оповещении пассажиров - над-тонального спектра, прекращение которых инициирует сигнал аварии на пульте дежурного по станции и в СМА. Сигналы оповещения подлежат обязательной регистрации.

Передача контрольных сигналов осуществляется для обеспечения функциональной безопасности в соответствии с эксплуатационно-техническими требованиями на системы оповещения, утвержденными ОАО «РЖД» в 2005 г.


Автоматизированное рабочее место диспетчера системы оповещения (АРМ-Д) выполнено на базе многофункционального компьютерного пульта, по экранным формам которого можно визуально контролировать работу устройств информирования и оповещения на всех станциях и остановочных пунктах контролируемого участка. Экранная форма контроля за функционированием системы оповещения о приближении подвижного состава, представленная на рис. 2, формируется отдельно для четного и нечетного направлений движения.

Для каждой станции (остановочного пункта) на экранной форме индицируется включенное или выключенное состояние устройств оповещения, время поступления информации от ДЦ о приближении подвижного состава и состоявшаяся передача оповещения или отказ в системе.

Диспетчер может при необходимости самостоятельно включить оповещение на любой из станций (остановочном пункте).

Возможно отображение экранной формы на отдельном жидкокристаллическом или плазменном табло.

С помощью экранной формы, представленной на рис. 3, диспетчер может контролировать работу устройств информирования и оповещения пассажиров на отдельной станции. На экране индицируется информация, выведенная в текущий момент на информационные табло. Кроме того, предусмотрена возможность прослушивания речевой информации, передаваемой по каждому фидеру, а также передача в случае необходимости сообщения от диспетчера.


С помощью экранной формы, приведенной на рис. 4, выполняется обобщенный контроль за функционированием подсистемы информирования пассажиров на определенном участке в одном из направлений движения (четном или нечетном). По горизонтальной оси отложено текущее время (на рис. 4 отражен промежуток времени от 0 ч 00 мин до 01ч 00 мин), на вертикальной - указаны железнодорожные станции и остановочные пункты участка. С течением времени на линиях станций и остановочных пунктов индицируется отображение исполненного информирования. По истечении времени от 00 ч 00 мин до 01 ч 00 мин автоматически включается следующий часовой отрезок. Невыполнение (отказ) какой-либо функции обозначается красным цветом.

Требуемая экранная форма открывается в служебном окне, при этом соответствующая функция включается в служебном окне конкретной экранной формы.

При проектировании и строительстве системы ЦИСОП предусматриваются меры максимального снижения акустических помех в прилегающих к станции (остановочному пункту) жилых массивах. Для этой цели фидерные линии на пассажирских платформах будут оснащены громкоговорителями, расположенными на расстоянии около 30 м друг от друга, воспроизводящими сообщения с уровнем, не превышающим уровень окружающего шума более чем на 10-12 дБ.

Публикация статей по данной тематике будет продолжена в пос ледующих номерах журнала.
Admin вне форума   Цитировать 14
Старый 09.09.2015, 07:15   #2 (ссылка)
Робот
 
Аватар для СЦБот

Регистрация: 05.05.2009
Сообщений: 1,882
Поблагодарил: 0 раз(а)
Поблагодарили 82 раз(а)
Фотоальбомы: не добавлял
Репутация: 0

Тема: Тема перенесена


Эта тема была перенесена из раздела Журнал "Автоматика, связь, информатика".

Перенес: Admin
СЦБот вне форума   Цитировать 0
Похожие темы
Тема Автор Раздел Ответов Последнее сообщение
[03-2012] Эффективная система технического обслуживания - залог безопасности движения Admin xx1 0 26.09.2012 07:40
Системы оповещения Lyubanya Ищу/Предлагаю 0 11.09.2012 11:38
[РЖД ТВ] День информирования прошел на Горьковской магистрали Admin Новости на сети дорог 0 21.08.2012 14:37
[Новости РЖД] Первая аудиовизуальная система информирования пассажиров электричек появилась на МЖД Admin Новости на сети дорог 0 26.08.2011 06:26
КТСМ-02 - схема оповещения ШЧ7 Курсовое и дипломное проектирование 1 19.05.2011 06:47

Ответить в этой теме   Перейти в раздел этой темы   Translate to English

Возможно вас заинтересует информация по следующим меткам (темам):
, , , , , ,


Здесь присутствуют: 1 (пользователей: 0 , гостей: 1)
 
Опции темы Поиск в этой теме
Поиск в этой теме:

Расширенный поиск

Ваши права в разделе
Вы не можете создавать новые темы
Вы не можете отвечать в темах
Вы не можете прикреплять вложения
Вы можете редактировать свои сообщения

BB коды Вкл.
Смайлы Вкл.
[IMG] код Вкл.
HTML код Выкл.
Trackbacks are Вкл.
Pingbacks are Вкл.
Refbacks are Выкл.



Часовой пояс GMT +3, время: 20:06.

Яндекс.Метрика Справочник 
сцбист.ру сцбист.рф

СЦБИСТ (ранее назывался: Форум СЦБистов - Railway Automation Forum) - крупнейший сайт работников локомотивного хозяйства, движенцев, эсцебистов, путейцев, контактников, вагонников, связистов, проводников, работников ЦФТО, ИВЦ железных дорог, дистанций погрузочно-разгрузочных работ и других железнодорожников.
Связь с администрацией сайта: admin@scbist.com
1 2 3 4 5 6 7 8 9 10 11 12 13 14 15 16 17 18 19 20 21 22 23 24 25 26 27 28 29 30 31 32 33 34 
Powered by vBulletin® Version 3.8.1
Copyright ©2000 - 2026, Jelsoft Enterprises Ltd.
Powered by NuWiki v1.3 RC1 Copyright ©2006-2007, NuHit, LLC Перевод: zCarot