Локомотивные преобразователи напряжения и тока ЭП2716
В.В. ЯКУНИН, главный конструктор ПКФ «Полет», г. Заречный,
Д.В. КУТАСИН, конструктор-схемотехник ПКФ «Полет»,
А.В. САМОТКАНОВ, канд. техн, наук, доцент, РУТ (МИИТ),
С.П. КАЛУГИН, канд. техн, наук, доцент, АО «ВНИИЖТ»
Преобразователи серии ЭП2716 широко применяются на многих вновь выпускаемых тепловозах, а также при модернизации локомотивов старых конструкций.
Представленный в статье материал предназначен для ознакомления с принципом работы, устройством, техническими характеристиками, техническим обслуживанием преобразователей напряжения и тока ЭП2716. Кроме того, даны краткие сведения по основным принципам применения таких преобразователей, служащих для гальванического разделения и преобразования первичного сигнала напряжения в пропорциональный токовый сигнал. Затрагиваются вопросы истории и культуры развития локомотивного преобразовательного оборудования.
Перечень основных ссылочных нормативных документов приведен в прилагаемой к статье библиографии.
Рассмотрим основные принципы работы и применения электронно-преобразовательной аппаратуры на достаточно современных тепловозах (2ТЭ25КМ, ТЭП70БС, ТЭП70У, ТЭМ14, 2ТЭ116У, ТЭМ18ДМ, ТЭМ7А с МСКУД и многих других).
В парке российских железных дорог и большинства других железнодорожных администраций пространства колеи 1520 мм распространены тепловозы, на которых реализована электрическая передача мощности переменно-постоянного тока, типовая структурная схема которой приведена на рис. 1.
Электрические тяговые двигатели постоянного тока М, количество которых, в зависимости от модели локомотива, может быть 4, 6, 8 или более, получают питание через одну или несколько выпрямительных установок УВ (УВ1, УВ2) от тягового генератора переменного тока (И, Г2), имеющего независимое возбуждение. Система автоматического регулирования рассматриваемых локомотивов обеспечивает получение тяговых характеристик путем изменения возбуждения генератора, путем изменения соединения тяговых двигателей с последовательно-параллельного на параллельное и обратно, а также путем ослабления поля тяговых двигателей. Как правило, применяется двухступенчатое ослабление поля тяговых двигателей.

Регулятором возбуждения генератора является ключ регулирования возбуждения, который в зависимости от тока в тяговых двигателях 1м и напряжения на зажимах выпрямительной установки Ur изменяет ток возбуждения генератора. Ток, протекающий в тяговых двигателях, измеряется преобразователями, датчиками постоянного тока lM, 1вт. Количество преобразователей 1м пропорционально числу тяговых двигателей локомотива. Так, для 8-осной секции это число будет равно 8, а общее количество этих аппаратов на такой секции будет составлять 9.
Их сигналы, пропорциональные току якорей двигателей и обмоток возбуждения (только при электродинамическом торможении), поступают в микропроцессорную систему управления МСКУД. Сигнал по напряжению генератора после выпрямительной установки выделяется датчиком постоянного напряжения Ur Сигналы 1ми Ur сравниваются с заданием мощности отсечками по напряжению и по току, учитывается сигнал датчика оборотов дизеля и датчика свободной мощности дизеля, выдается команда на изменение возбуждения генератора. При поддержании постоянной скорости к указанным сигналам добавляется сигнал по скорости.
При электродинамическом торможении учитываются сигналы 1М, 1вУ Ur Последовательно соединенные обмотки возбуждения тяговых двигателей подключены на напряжение первого полумоста (ДТТ) первой силовой установки или первого полумоста второй силовой установки (при ее наличии).
Формирование внешних и селективных характеристик генератора для высшей позиции контроллера машиниста осуществляется путем изменения величины напряжения на выходе тягового генератора при регулировании его возбуждения ключом КРВ1 (КРВ2), управляемым системой МСКУД.
В формировании внешних и селективных характеристик генератора участвуют преобразователи:
[топ]> тока якорей тяговых двигателей ;
тока возбуждения тяговых двигателей 1вт;
тока возбуждения тяговых генераторов 1вг;
*
> напряжения на выходе выпрямительной установки Ur
Они работают наряду с датчиками, преобразователями, формирующими для системы управления такие сигналы, как:
- О величина свободной мощности ИД;
- О частота вращения дизеля пд;
- О скорость тепловоза ДПС (датчик пути и скорости).
- В состав системы в режиме тяги входят следующие каналы регулирования:
- J ограничения тока выпрямительной установки;
- S регулирования мощности дизель-генератора;
- J ограничения напряжения на входе выпрямительной установки.
В состав системы в режиме автоматического поддержания скорости входят следующие каналы регулирования:
- О те же три канала, что в режиме тяги;
- О канал регулирования скорости тепловоза.
- В состав системы в режиме электродинамического торможения входят следующие каналы регулирования:
- О ограничения тока возбуждения тяговых двигателей в соответствии с заданной тормозной позицией;
- О ограничение максимального тока якорей тяговых двигателей в соответствии с заданной тормозной позицией;
- О ограничение тока по коммутации двигателей;
- регулирование тормозного усилия по произведению токов якорей тяговых двигателей на их ток возбуждения в соответствии с заданной тормозной позицией.
Таким образом, преобразователь предназначен для гальванического разделения и преобразования первичного сигнала напряжения в пропорциональный токовый сигнал 0 — 5 мА.
Рассматриваемые преобразователи соответствуют требованиям комплекта конструкторской документации ЯТАУ.411522.002 и техническим условиям ЯТАУ.411522.002 ТУ и обладают следующими техническими характеристиками.
Преобразователь имеет четыре гальванически связанных между собой входа с номинальными значениями входных напряжений:
J вход 1 — 75 мВ;
J вход 2 — 150 В;
J вход 3 — 1000 В;
J вход 4 — 1500 В.
Входное сопротивление преобразователя составляет:
J по входу 1 — 0,1 кОм ± 0,5 %;
J по входу 2 — 200,1 кОм ± 0,5 %;
J по входу 3 — 1333 кОм ± 1 %;
J по входу 4 — 1999 кОм ± 1 %.
Преобразователь имеет линейную зависимость выходного тока от входного напряжения. Конструкция преобразователя обеспечивает десятипроцентный запас по превышению входного напряжения по всем входам с сохранением линейной зависимости выходного тока от входного напряжения.
Следует отметить, что при изменении полярности входного напряжения направление выходного тока меняется на противоположное — исторически сложилось так, что именно такой алгоритм действия является стандартным для подобного электронно-преобразовательного оборудования.
Преобразователь имеет полосу пропускания для синусоидального входного напряжения не менее чем от 0 до 2000 Гц при неравномерности АЧХ не более 3 дБ.
Значение тока на выходе преобразователя при номинальном входном напряжении составляет 5 мА. Преобразователь обеспечивает работу с нагрузкой, имеющей активное сопротивление не более 1500 Ом.
Преобразователь выдерживает без повреждения длительный обрыв или короткое замыкание в цепи нагрузки с восстановлением выходного сигнала при устранении обрыва или короткого замыкания.
Пульсации частоты 18 кГц в выходном сигнале на нагрузочном сопротивлении 1500 Ом имеют амплитуду не более 50 мВ. Фазовый сдвиг синусоидального выходного сигнала по отношению к входному на частоте 400 Гц составляет не более 80°.
В условиях эксплуатации преобразователь устойчив к воздействию внешних помех, возникающих при коммутации электрических аппаратов локомотива и работе электропередачи в режимах тяги и электрического торможения.
Важно отметить, что преобразователь не излучает помех, нарушающих работу автоматической локомотивной сигнализации (систем КЛУБ и др.), радиостанции, электронного скоростемера, проводных линий связи и других устройств безопасности. Напряженность поля радиопомех, создаваемых преобразователем не превышает уровней, оговоренных нормативами.
Питание преобразователя осуществляется от источника постоянного тока напряжением 15 ± 0,5 В. Максимальная потребляемая мощность блока — не более 1 Вт.
Электрическая прочность изоляции между входной цепью преобразователя относительно цепи питания и выходной цепи выдерживает воздействие рабочего напряжения 4 кВ и испытательного напряжения 9,5 кВ частотой 50 Гц в течение 1 мин.
Электрическое сопротивление изоляции, измеренное между входными и выходными цепями, составляет:
- не менее 100 МОм при температуре окружающего воздуха (20 ± 5) °C и относительной влажности от 45 до 80 %;
- не менее 10 МОм при температуре окружающего воздуха 70 °C и относительной влажности не более 65 %.
Электрическое сопротивление изоляции, измеренное между цепями питания и выходными цепями, составляет:
не менее 40 МОм при температуре окружающего воздуха 20 °C и относительной влажности от 45 до 80 %;
не менее 10 МОм при температуре окружающего воздуха 70 °C и относительной влажности не более 65 %.
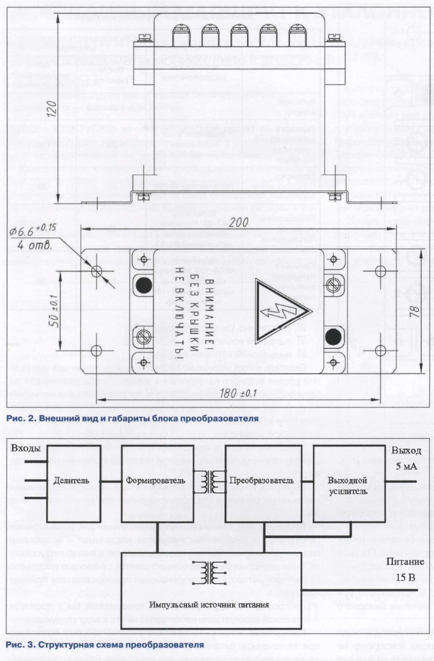
Масса блока составляет не более 1,5 кг. Габаритные и установочные размеры блока приведены на рис. 2.
Время установления рабочего режима преобразователя — не более 5 мин. Режим работы преобразователя — непрерывный. Средняя наработка на отказ — 50000 ч, средний срок службы — 10 лет.
Основная приведенная погрешность по преобразованию входного аналогового сигнала не должна превышать ±1 % при температуре окружающего воздуха 20 ± 2 °C. Нормирующее значение выходного аналогового сигнала — 5 мА.
Дополнительная погрешность при изменении температуры окружающего воздуха в пределах рабочего диапазона температур не должна превышать 0,5 предела основной погрешности на каждые 10 °C. При этом выполнение этих технических требований гарантируется электрической схемой и конструкцией преобразователя. Конструктивно преобразователь состоит из литого корпуса изоляционного материала с установленными внутри него двумя печатными платами и платой с двумя импульсными трансформаторами.
На верхней части корпуса преобразователя для подключения к внешним электрическим цепям установлены резьбовые контакты Х1 — ХЮ. Верхняя часть корпуса преобразователя вместе с резьбовыми контактами защищена съемной крышкой из изоляционного материала.
Установка преобразователя осуществляется с помощью четырех винтов через отверстия в металлической пластине, прикрепленной к нижней части корпуса.
Структурная схема преобразователя приведена на рис 3.
Он состоит из следующих узлов:
- делитель;
- формирователь;
- собственно, узел преобразователя;
- выходной усилитель;
- импульсный источник питания.
Делитель имеет несколько входов и предназначен для приведения уровня входного напряжения к уровню, необходимому для работы формирователя. Формирователь предназначен для получения сигнала переменной частоты, пропорционального входному сигналу (модуляции) и передачи его через импульсный трансформатор гальванической развязки.
Преобразователь предназначен для обратного преобразования (демодуляции) сигнала переменной частоты в исходный сигнал с делителя.
Выходной усилитель обеспечивает усиление и преобразование напряжения сигнала в пропорциональный ток величиной от 0 до 5 мА.
Импульсный источник питания предназначен для формирования гальванически развязанных импульсов управления и напряжений питания для формирователя, преобразователя и выходного усилителя. Гальваническая развязка осуществляется с помощью импульсного трансформатора. Схема подключения преобразователя приведена на рис. 4.
При проведении мероприятий как технической, так и производственной эксплуатации необходимо иметь в виду следующее.
Наладочные и профилактические работы, которые проводятся при включенном питании, должны осуществляться не менее чем двумя лицами из обслуживающего персонала. Работы, связанные с внешним осмотром преобразователя, должны производиться только после отключения питания.
Особо важно обращать внимание на то, что при эксплуатации преобразователей категорически запрещается:
- эксплуатировать преобразователь в условиях и режимах, отличных от указанных в технических характеристиках;
- производить внешние соединения при подключенном напряжении питания преобразователя;
- допускать отключение преобразователя под током;
- вскрывать преобразователь, опломбированный пломбами предприятия-изготовителя.
Преобразователь устанавливается в таком месте локомотива, где обеспечивается возможность доступа для осмотра и обслуживания преобразователя без демонтажа сопрягаемого или близлежащего оборудования. Преобразователь должен быть защищен от попадания горючесмазочных материалов, посторонних предметов и влаги.
При проведении проверки должны быть выполнены операции и применяться необходимые средства проверки, указанные в табл. 1. Все средства проверки должны иметь действующие документы об их поверке или аттестации. Допускается применять различные средства проверки, обеспечивающие требуемую точность измерений. Средства проверки перед включением должны быть заземлены, а после включения прогреты в течение времени, указанного в технических описаниях и инструкциях по эксплуатации на них.
Предъявленный на проверку преобразователь должен быть укомплектован в соответствии с паспортом ЯТАУ.411522.002 ПС. При проведении внешнего осмотра необходимо проверить:
«=> наличие клейма ОТК;
«=> маркировку;
отсутствие повреждений корпуса и клеммной части.
Преобразователи, у которых выявлены дефекты, признаются непригодными к применению и дальнейшую проверку не проходят.
Электрическую прочность изоляции цепей следует проверять по методике ГОСТ Р 52931. Испытательное напряжение следует прикладывать в течение минуты между соединенными вместе контактами одной цепи и соединенными контактами другой цепи в соответствии с табл. 2, для напряжения 9500 В.
Преобразователь считают выдержавшим испытания, если за время испытаний не было пробоя или поверхностного разряда. Появление коронного разряда или шума при испытаниях не является признаком неудовлетворительных результатов.
Проверку электрического сопротивления изоляции цепей преобразователя следует проводить по методике ГОСТ Р 52931 напряжением 500 В.
Электрическое сопротивление изоляции измерять между цепями, указанными в табл. 2, для напряжения 500 В. Электрическое сопротивление изоляции между входом и выходом должно быть не менее 100 МОм, а между выходом и цепью питания не менее 40 МОм в нормальных климатических условиях. Преобразователь с сопротивлением изоляции ниже указанного признают непригодным и дальнейшую проверку не проводят.
Определение основной погрешности следует проводить по схемам, показанным на рис. 5, 6, методом сравнения показаний образцового прибора PV, включенного на выходе преобразователя, с расчетным значением выходного сигнала.
При определении основной погрешности должны быть соблюдены нормальные условия по ГОСТ Р 52931. Основную погрешность следует определять по истечении времени установления рабочего режима — 5 мин.
Основная погрешность преобразователя в процентах определяется как частное от деления по формуле:
где: UBb|X — значение выходного сигнала в проверяемой точке, измеренное прибором PV4, В;
1ВЫхр — расчетное значение выходного сигнала в проверяемой точке, приведенное в табл. 3, мА;
1Н — нормирующее значение выходного сигнала, 5 мА;
R — значение сопротивления нагрузки, приведенное в измерительной схеме приложения Е, Ом.
Основную погрешность определяют при значениях входного сигнала, указанных в табл. 3.
Соответствие преобразователя при входном напряжении 1500 В техническим требованиям гарантируется схемой и конструкцией преобразователя и подтверждены испытаниями при отработке преобразователя.
Преобразователь, основная погрешность которого по результатам проверки превышает допустимую ±1 %, признают непригодным к применению и дальнейшую проверку не проводят.
Определение значений пульсаций выходного сигнала проводят по схеме, показанной на рис. 6. С помощью осциллографа с закрытым входом замеряют величину максимального отклонения переменной составляющей выходного сигнала на нагрузочном сопротивлении 10ОО Ом от среднего значения выходного сигнала.
Выходной сигнал равен верхнему пределу диапазона изменения при входном сигнале 75 мВ на входе «75 мВ».
Относительная величина пульсаций оп, выраженная в процентах, определяется по формуле:
где: Un — напряжение пульсаций, измеренное осциллографом, В;
1Н — нормирующее значение выходного сигнала, 5 мА;
R — значение сопротивления нагрузки, приведенное в измерительной схеме приложения В, Ом.
Преобразователь считают выдержавшим испытания, если относительная величина пульсаций не превышает 1 % верхнего предела выходного сигнала. Преобразователь, у которого пульсации превы
шают допустимые, признают непригодным к применению и дальнейшую проверку не производят.
Положительные результаты проверки оформляются отметкой в паспорте. Преобразователи, неудовлетворяющие вышеизложенным требованиям, к применению не допускаются, на них выдают извещение о непригодности.
Техническое обслуживание преобразователя сводится к соблюдению правил эксплуатации, хранения и транспортирования, профилактическому осмотру и периодической проверке работоспособности. Рекомендуемый интервал проверки работоспособности — один год.
При профилактическом осмотре преобразователя необходимо:
- > провести осмотр внешнего состояния преобразователя. На его поверхности не допускается наличие горючесмазочных материалов и влаги, при обнаружении — устранить причину их попадания и обтереть наружную поверхность преобразователя чистой сухой салфеткой до полного удаления загрязнений;
- > осмотреть внешние контакты преобразователя на предмет ослабления крепления, ослабленные крепления подтянуть;
- > проверить наличие пломб на преобразователе.
При текущем ремонте тепловоза во время таких мероприятий, как ТР-1, ТР-2, ТР-3 и СР, следует провести работы по техническому обслуживанию преобразователя.
В заключение можно отметить, что рассматриваемые преобразователи ЭП2716 ЯТАУ.411522.002 не представляют опасности для жизни и здоровья людей и окружающей среды, как во время срока службы, так и после его окончания.
Библиография
1. ГОСТ 15150-69 Машины, приборы и другие технические изделия. Исполнение для различных климатических районов. Категории, условия эксплуатации, хранения и транспортирования в части воздействия климатических факторов внешней среды.
2. ГОСТ 17516-72 Изделия электротехнические. Условия эксплуатации в части воздействия механических факторов внешней среды.
3. ГОСТ 14254-96 Степени защиты, обеспечиваемые оболочками.
4. ГОСТ 12971-67 Таблички прямоугольные для машин и приборов. Размеры.
5. ГОСТ 14192-96 Маркировка грузов.
6. ГОСТ 23216-78 Изделия электротехнические. Хранение, транспортирование, временная противокоррозионная защита, упаковка. Общие требования и методы испытаний.
7. ГОСТ Р 52931-2008 Приборы контроля и регулирования технологических процессов. Общие технические условия.
8. ГОСТ 12.3.019-80 Система стандартов безопасности труда. Испытания и измерения электрические. Общие требования безопасности.
9. ГОСТ 18300-87 Спирт этиловый ректификованный технический. Технические условия.
10. ГОСТ 9412-93 Марля медицинская. Общие технические условия.
11. ГОСТ 3717-84 Замша. Технические условия.
12. ГОСТ 2991-85 Ящики дощатые неразборные для грузов массой до 500 кг. Общие технические условия.