СЦБИСТ - железнодорожный форум, блоги, фотогалерея, социальная сеть
Ушел из жизни Крупицкий Адольф Зельманович
6 февраля 2026 года ушел из жизни Крупицкий Адольф Зельманович, более шести десятков лет проработавший в институте «Гипротранссигналсвязь». Всю свою трудовую деятельность А.З. Крупицкий посвятил проектному делу. После окончанию обучения в Ленинградском институте инженеров железнодорожного транспорта в 1959 году начал свою профессиональную деятельность в качестве старшего электромеханика дистанции сигнализации и связи на Казахской железной дороге. В 1960 году пришел на работу в институт на должность инженера, работал руководителем группы, главным инженером проектов.

Читать далее
Вернуться   СЦБИСТ - железнодорожный форум, блоги, фотогалерея, социальная сеть > Уголок СЦБИСТа > Книги и журналы > xx2
Закладки ДневникиПоддержка Сообщество Комментарии к фото Сообщения за день
Ответить в этой теме   Перейти в раздел этой темы    
 
В мои закладки Подписка на тему по электронной почте Отправить другу по электронной почте Опции темы Поиск в этой теме
Старый 25.05.2015, 00:20   #1 (ссылка)
Кандидат в V.I.P.
 
Аватар для poster334

Регистрация: 14.05.2015
Сообщений: 193
Поблагодарил: 0 раз(а)
Поблагодарили 9 раз(а)
Фотоальбомы: не добавлял
Репутация: 0

Тема: [02-2004] Система САУВ для электровоза ВЛ80Р


Система САУВ для электровоза ВЛ80Р

Составные части, схема размещения, принцип действия, рекомендации по эксплуатации.

Продолжаем знакомить читателей нашего журнала с системами автоматизированного управления вентиляторами (САУВ), которой в рамках отраслевой программы ресурсосбережения оснащают грузовые электровозы переменного тока серий BJ1 (см. «Локомотив» Ns 10, 2003 г.). Специалисты Проектно-конструкторского бюро (ПКБ ЛХ) ОАО «РЖД» и производственной фирмы «Локомотив-Модерн» совместно разработали также проект модернизации САУВ (Э2693.00.00) электровозов ВЛ80Р, в том числе для эксплуатации по системе многих единиц (СМЕ). Полным комплектом составных частей САУВ оборудуют каждую секцию.

Хотя электровозы ВЛ80Р совершенствуют в настоящее время для работы по системе СМЕ в составе трех секций, САУВ спроектирована и исполнена таким образом, что она сможет функционировать в составе четырех секций, если это потребуется. При этом система САУВ действует на каждой секции в автономном режиме.

К настоящему времени по данному проекту усовершенствовали 23 электровоза ВЛ80Р в депо Боготой Красноярской дороги и 13 в депо Смоляни-ново Дальневосточной. Модернизацию электровозов непосредственно в депо и сервисное обслуживание САУВ выполняют специалисты фирмы «Локомотив-Модерн». На последнюю возложены также поставки оборудования, материалов, стендов для контроля и испытания составных частей на электровозе и в цехе, документацию на техническое обслуживание и ремонт САУВ.

Устройство и принцип действия, рекомендации локомотивной бригаде по эксплуатации системы автоматизированного управления вентиляторами на электровозе ВЛ80Р в журнальном (сокращенном и упрощенном) изложении представляют: канд. техн. наук В.Н. МИХАЙЛОВСКИЙ, инженеры В.Ф. ИСАЕВ и Л.М. ЛОРМАН (г. Москва), а также канд. техн. наук В. Е. ЧЕРНОХЛЕБОВ, инж. Б. Я. КОЖЕВНИКОВ (г. Новочеркасск).


Назначение системы САУВ. Она предназначена для автоматизированного выбора частоты вращения вентиляторов (номинальной или низкой) электровоза, следующего с поездом или резервом, в зависимости от теплового состояния силового электрооборудования: тяговых двигателей (ТД), тиристоров выпрямительно-инверторных преобразователей (ВИП) и сглаживающих реакторов. Система обеспечивает экономию электроэнергии в режиме тяги за счет оптимального управления вентиляторами, для чего используется объективный критерий — фактическая температура охлаждаемого оборудования.

Состав и размещение системы САУВ. Составные части системы, устанавливаемые в каждой секции электровоза ВЛ80Р, приведены в таблице. Принятые обозначения позиций аппаратов и элементов соответствуют принципиальной электрической схеме Э2693.00.00.ЭЗ ПКБ ЛХ.


Силовой трансформатор 810 (типа ОСЗМ-6,3) содержит первичную обмотку на номинальное напряжение 380 В, 50 Гц и три вторичные обмотки с номинальным напряжением 42 В, подключенные к соответствующим шинам блока БУВ-10. Расположен трансформатор в торце высоковольтной камеры (ВВК) около блока центробежного вентилятора МВ5, охлаждающего балластный резистор и выпрямительную установку возбуждения, ниже панели аппаратов № 1.

Блок управления вентиляторами БУВ-10 имеет металлический каркас, на котором установлены силовые тиристоры преобразователя частоты V1 — V6 и формирователи импульсов А1 — А6. Размещен данный блок в ВВК над трансформатором 810 сзади панели № 1.

Датчики вентиляции 814.1 — 814.4 (типа ДВ-3) контролируют расход воздуха в воздуховодах мотор-вентиляторов МВ1 — МВ4. Все датчики на электровозе подключены к плате блока питания кассеты МКУ-22.1 с двухполярным напряжением ±12 В.

Величина расхода воздуха воспринимается чувствительным элементом датчика, сигнал с которого усиливается, объединяется с сигналами остальных датчиков секции электровоза по схеме ИЛИ — МАХ и подается в кассету МКУ-22.1. В ней преобразованный сигнал используется при моделировании тепловых процессов охлаждаемого оборудования. Размещаются датчики на улитках мотор-вентиляторов МВ1 — МВ4.

Датчики контроля тока 818 и 819 (типа ДКТ-2000) смонтированы в пластмассовом корпусе. Они крепятся к токоведущим шинам переменного тока ВИП 61 и вырабатывают сигналы постоянного тока, пропорциональные току ВИП. Наибольший из сигналов используется при моделировании тепловых процессов силового тягового электрооборудования.

Дроссель 820 (типа ДОСБ-7,5) собран на броневом ленточном магнитопроводе, имеет катушку с отводом для подбора индуктивности и устанавливается на каркасе панели аппаратов № 2. Предохранитель 825 на 10 А, включенный в цепь +50 В управления САУВ, располагается на гетинаксовой панели распределительного щита РЩ-34.

На панели контакторов ПК-51 размещены электромагнитные контакторы МК1-20 (827 — 830) низкой частоты вращения мотор-вентиляторов МВ1 — МВ4 и панель питания ПП-51, смонтированные на общем стальном каркасе, который расположен в ВВК сзади панели № 1. Панель питания ПП-51 содержит электромагнитный контактор 808 включения силового трансформатора 810, тепловое реле 809 и предохранитель 803 в его цепи, а также электромагнитное реле 823 включения трансформатора T синхронизации с сетью электровоза.

Панель управления ПУ-52 представляет собой стальной каркас, на котором расположены две панели: реле ПР-51 и фильтра ПФ-23, а также кассета управления МКУ-22.1. Панель управления смонтирована на стенке ВВК в торце секции. Она подключается к цепям управления через штепсельные разъемы X1 и X2. На панели управления ПУ-52 предусмотрен также диагностический разъем XЗ.

В состав панели реле ПР-51 входят реле К1 — К7. Реле К1 в зависимости от режима работы вентиляторов включает либо штатные электромагнитные контакторы 127 — 130, либо принадлежащие САУВ контакторы 827 — 830. Панель фильтра ПФ-23 содержит тумблер SA2 «Вкл. САУВ» и реле К8, служащее для отключения САУВ при работе по СМЕ.

Блок индикации БИ-51 состоит из стрелочного указателя температуры (УТ), переключателя SA3 и тумблера SA1 отключения САУВ при работе по СМЕ. На шкале УТ нанесены метки уставок переключения на номинальную и низкую частоты вращения мотор-вентиляторов. В указатель температуры встроен светодиодный индикатор красного цвета, который включается при выходе из строя САУВ. С помощью переключателя SA3 можно вывести на УТ для контроля температуру оборудования каждой секции. Блок индикации расположен на пульте машиниста в кабине электровоза.

Схема размещения оборудования на секции электровоза ВЛ80Р с системой САУВ приведена на рис. 1. Оборудование устанавливают по чертежам ПКБ ЛХ: в кабине — Э2693.00.00.СБ, в ВВК — 32693.00.00.СБ. Монтаж силовых цепей и цепей управления САУВ выполняют по схеме электрических соединений 32693.00.00.34 ПКБ ЛХ.


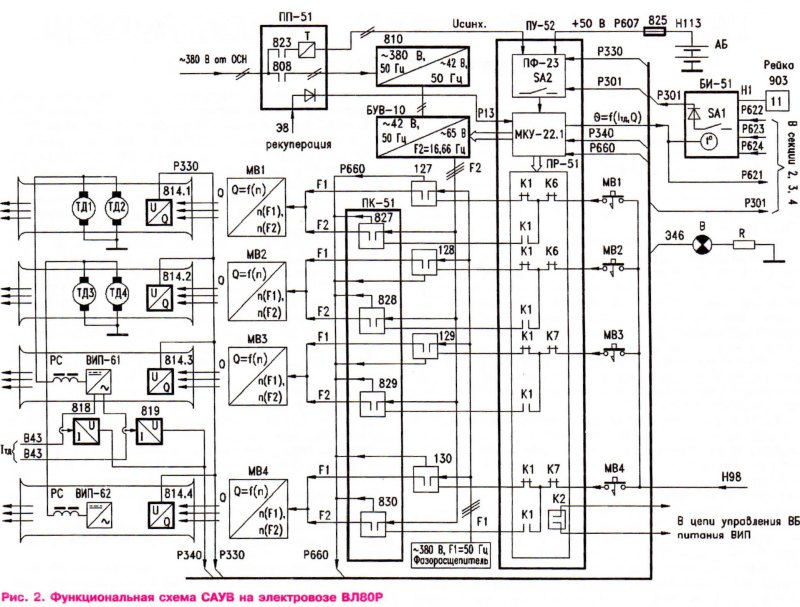
Работа САУВ. Описание работы соответствует функциональной схеме САУВ на электровозе ВЛ80Р (рис. 2) и принципиальной электрической схеме подключения системы автоматизированного управления вентиляторами к его цепям — 32693.00.0033 ПКБ ЛХ. В зависимости от теплового состояния силового тягового электрооборудования электровоза САУВ регулирует расход охлаждающего воздуха (Q) изменением частоты вращения (n) приводных двигателей мотор-вентиляторов МВ1 — МВ4.


Кассета МКУ-22.1 вычисляет величину превышения температуры одновременно шести элементов оборудования: тиристоров ВИП, сглаживающих реакторов и четырех частей ТД — обмоток якорей, главных и добавочных полюсов, компенсационных обмоток. Затем она настраивает расход охлаждающего воздуха по максимально нагретому элементу сравнением установок переключения на номинальную или низкую частоты вращения вентиляторов.

Превышение температуры вычисляется на основании информации о величинах тока ТД1 и ТД2, получаемой отдатчиков тока 818 и 819 в виде напряжения Uя (оно пропорционально тяговому току), а также о расходе охлаждающего воздуха от датчиков вентиляции 814.1 — 814.4 (UB).

САУВ имеет две ступени расхода воздуха — номинальный Qном и низкий 1/3*Qном, чему соответствуют номинальная nном (F1) и низкая nниз (F2) частоты вращения мотор-вентиляторов МВ1 — МВ4. При номинальной частоте вращения (nном ≈ 1400 об/мин) вентиляторы питаются от трехфазного напряжения 380 В, 50 Гц (шины С1 — СЗ) электровоза через штатные контакторы 127—130 (контакторы 827 — 830 системы САУВ в этом случае отключены).

При низкой частоте вращения (nниз ≈ 480 об/мин) мотор-вентиляторы запитываются от тиристорного преобразователя частоты блока БУВ-10 через контакторы 827 — 830 (контакторы 127 — 130 в этом случае отключены). Тиристорный преобразователь блока БУВ-10 совместно с силовым трансформатором 810 создает симметричную трехфазную систему напряжений 65 В (16,66 Гц). Тиристоры преобразователя управляются импульсами от панели ПУ-52, генерируемыми кассетой МКУ-22.1.

Силовой трансформатор 810 подключен к обмотке собственных нужд тягового трансформатора электровоза с помощью контактора 808 через предохранитель 803 и тепловое реле 809 панели питания ПП-51.

При функционировании мотор-вентиляторов МВ1 — МВ4 от преобразователя САУВ и выключенном мотор-компрессоре МК электровоза возникает несимметричный режим питания маслонасоса МН тягового трансформатора, приводящий к включению тепловой защиты, которая разбирает силовую схему. Чтобы исключить такой режим, в фазу С205 маслонасоса установлен дроссель 820.

Включают САУВ тумблером SA2 «Вкл. САУВ» на панели ПУ-52. При этом рукоятка тумблера SA1 «Откл. САУВ» на блоке БИ-51 должна быть в положении «Вкл.». В этом случае включаются контактор 808 и реле 823 на панели ПП-51, которые затем становятся на самопитание. Контактор 808 подключает первичную обмотку силового трансформатора 810, а реле 823 — трансформатор синхронизации Т к цепям 380 В, 50 Гц электровоза.

Напряжение питания САУВ +50 В подается непосредственно тумблером SA2. После поднятия токоприемника и включения главного воздушного выключателя (ГВ) напряжение 380 В переменного тока через представленные выше цепи поступает на первичные обмотки силового трансформатора 810 и трансформатора синхронизации T.

Когда САУВ включается, температура на УТ блока БИ-51 устанавливается равной 80 °С. При включенных вентиляторах, собранной схеме «Тяга» и отсутствии тягового тока температура уменьшается. После того, как она достигнет 75 °С, начинается автоматический цикл переключения вентиляторов на
низкую частоту вращения, длящийся 12 с и состоящий из шести тактов по 2 с. Алгоритм управления реле, обеспечивающих переход с одного режима работы мотор-вентиляторов на другой, в графическом виде показан на рис. 3:


такт I — включается реле К2 на панели реле ПР-51 и своими контактами по проводам Н385 — Н388, Н385 — Н389 шунтирует вспомогательные контакты контакторов 127 и 128 в цепи катушек электромагнитных контакторов 193 и 194, а контактами с проводами Н19 — Н23 и Н20 — Н24 шунтирует вспомогательные контакты электромагнитных контакторов 129 и 130 в цепи удерживающих катушек быстродействующих выключателей 51 — 54;

такт II — срабатывает реле КЗ и своими замыкающими контактами включает реле Кб и К7, которые затем становятся на самопитание. Включившись, реле Кб своими контактами разрывает цепь контакторов 127 и 128, а реле К7 своими контактами разрывает цепь контакторов 129 и 130. В результате мотор-вентиляторы МВ1 — МВ4 отключаются;

такт III — включается реле К1 и своими размыкающими контактами разрывает цепи управления контакторов 127 — 130, а замыкающими контактами подготавливает к включению контакторы 827 — 830;

такт IV — включается реле К4 и своим размыкающим контактом выключает реле Кб, которое замыкающими в обесточенном состоянии контактами включает контакторы 827 и 828;

такт V — время, необходимое для разгона мотор-вентиляторов МВ1 и МВ2;

такт VI — включается реле К5 и своим размыкающим контактом выключает реле К7, которое замыкающими в обесточенном состоянии контактами включает контакторы 829 и 830.

(Окончание следует)
poster334 вне форума   Цитировать 0
Старый 30.08.2015, 09:47   #2 (ссылка)
Робот
 
Аватар для СЦБот

Регистрация: 05.05.2009
Сообщений: 2,482
Поблагодарил: 0 раз(а)
Поблагодарили 82 раз(а)
Фотоальбомы: не добавлял
Репутация: 0

Тема: Тема перенесена


Эта тема была перенесена из раздела Журнал "Локомотив".

Перенес: Admin
СЦБот вне форума   Цитировать 0
Похожие темы
Тема Автор Раздел Ответов Последнее сообщение
[08-2000] Изменения в схемах электровоза ВЛ80Р Admin xx2 2 19.11.2025 19:17
=Ищу= Собеседование на помощника машиниста электровоза ВЛ80р и ВЛ85 Dmitri Feofilaktov Студенту-локомотивщику 1 03.02.2015 21:12
Система САУВ для электровоза ВЛ80С Admin xx2 0 21.08.2011 09:40
[14 ноября 2004] Сход электровоза и вагонов на ст. Новоильинский ВСибЖД Шаэнн Нарушения безопасности на ж/д до 2010 года 0 15.04.2011 21:13
[11 января 2004] Бредовый психоз машиниста электровоза, ст. Куколь ОЖД Шаэнн Нарушения безопасности на ж/д до 2010 года 1 11.04.2011 20:12

Ответить в этой теме   Перейти в раздел этой темы   Translate to English

Возможно вас заинтересует информация по следующим меткам (темам):
,


Здесь присутствуют: 1 (пользователей: 0 , гостей: 1)
 

Ваши права в разделе
Вы не можете создавать новые темы
Вы не можете отвечать в темах
Вы не можете прикреплять вложения
Вы можете редактировать свои сообщения

BB коды Вкл.
Смайлы Вкл.
[IMG] код Вкл.
HTML код Выкл.
Trackbacks are Вкл.
Pingbacks are Вкл.
Refbacks are Выкл.



Часовой пояс GMT +3, время: 23:09.

Яндекс.Метрика Справочник 
сцбист.ру сцбист.рф

СЦБИСТ (ранее назывался: Форум СЦБистов - Railway Automation Forum) - крупнейший сайт работников локомотивного хозяйства, движенцев, эсцебистов, путейцев, контактников, вагонников, связистов, проводников, работников ЦФТО, ИВЦ железных дорог, дистанций погрузочно-разгрузочных работ и других железнодорожников.
Связь с администрацией сайта: admin@scbist.com
1 2 3 4 5 6 7 8 9 10 11 12 13 14 15 16 17 18 19 20 21 22 23 24 25 26 27 28 29 30 31 32 33 34 
Powered by vBulletin® Version 3.8.1
Copyright ©2000 - 2026, Jelsoft Enterprises Ltd.
Powered by NuWiki v1.3 RC1 Copyright ©2006-2007, NuHit, LLC Перевод: zCarot