СЦБИСТ - железнодорожный форум, блоги, фотогалерея, социальная сеть
Вернуться   СЦБИСТ - железнодорожный форум, блоги, фотогалерея, социальная сеть > Энциклопедия СЦБИСТа > Wiki
Закладки Поддержка Сообщество Комментарии к фото Сообщения за день
     
 
В мои закладки Подписка на тему по электронной почте Отправить другу по электронной почте Инструменты Статьи Поиск в этой Статье
  #1  

По умолчанию АДТРЦ

Автомат диагностики тональных рельсовых цепей АДТРЦ

Автомат диагностики тональных рельсовых цепей АДТРЦ предназначен для применения в системах диспетчерского контроля и системах технического диагностирования устройств электрической централизации на железнодорожном транспорте в качестве устройства, осуществляющего селективное измерение среднеквадратичного значения напряжения сигналов тональных рельсовых цепей ТРЦ на входах путевых приёмников и выходах путевых генераторов. АДТРЦ осуществляет получение, измерение, обработку и передачу оперативной информации по последовательному интерфейсу в составе иерархических или автономных систем измерения.



АДТРЦ выпускается в четырёх исполнениях, отличающихся диапазоном измеряемого напряжения и частотой измеряемых сигналов: АДТРЦ-НН - устройство для измерения среднеквадратического значения (СКЗ) переменного напряжения на входах путевых приемников ПП, ППМ; АДТРЦ-НВ - устройство для измерения СКЗ переменного напряжения на выходах путевых генераторов ГП3; АДТРЦ-ВН - устройство для измерения СКЗ переменного напряжения на входах путевых приемников ПРЦ4Л; АДТРЦ-ВВ - устройство для измерения СКЗ переменного напряжения на выходах путевых генераторов ГП4. Технические характеристики приборов модификаций АДТРЦ-НН, -НВ, -ВН, -ВВ приведены в этой таблице.
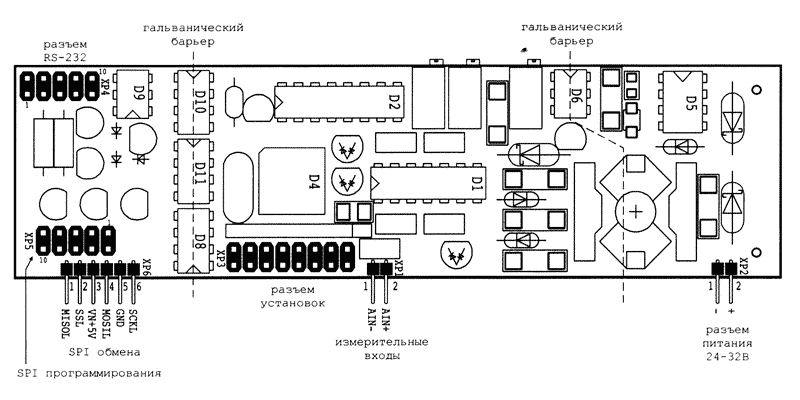
АДТРЦ обеспечивает селективное измерение СКЗ напряжения сигналов переменного тока, напряжения амплитудно-манипулированных сигналов переменного тока при частоте модулирующих импульсов 8 или 12 Гц и несущей частоты за время импульса напряжения амплитудно-манипулированных сигналов переменного тока при частоте модулирующих импульсов 8 или 12 Гц. Прибор имеет 8 входных аналоговых измерительных каналов. АДТРЦ состоит из восьми измерительных модулей и модуля связи. Каждый измерительный модуль представляет собой законченное устройство с гальванической развязкой от питающих и интерфейсных линий. При использовании измерительного модуля в составе восьмиканальной измерительной системы обмен информацией с концентратором ЛП происходит через физический интерфейс RS-485 модуля связи, а его связь с другими измерительными модулями происходит по внутреннему интерфейсу SPI. Функциональное назначение модуля связи - обеспечение связи концентратора ЛП с измерительными модулями через единый последовательный интерфейс. Также измерительный модуль может использоваться автономно, при этом обмен данными c ведущим устройством осуществляется по интерфейсу RS-232. Структурная схема прибора АДТРЦ приведена на этом рисунке.



Конструкция АДТРЦ представляет собой жесткий каркас с направляющими для фиксации восьми измерительных модулей, установленных на объединительной плате - модуле связи и коммутационным разъёмом РП14-30Л, заключённый в металлический корпус. С помощью коммутационного разъёма производится подключение АДТРЦ к источнику питания, входным сигнальным линиям и последовательному интерфейсу. Часть контактов коммутационного разъёма задействованы для задания сетевого адреса устройства. Подключение сигнальных линий к устройству производиться через блок защитных резисторов.




Admin добавил 09.05.2011 в 21:23
Вы можете дополнить или изменить данную статью, нажав кнопку Редактор


Редакторы: Admin
Создано Admin, 09.05.2011 в 21:23
Последнее редактирование Admin, 09.05.2011 в 21:24
1 Комментария , 2926 Просмотров
 

Возможно вас заинтересует информация по следующим меткам (темам):
, ,


Здесь присутствуют: 1 (пользователей: 0 , гостей: 1)
 

Ваши права в разделе
Вы можете создавать новые темы
Вы не можете отвечать в темах
Вы не можете прикреплять вложения
Вы можете редактировать свои сообщения

BB коды Вкл.
Смайлы Вкл.
[IMG] код Вкл.
HTML код Выкл.
Trackbacks are Вкл.
Pingbacks are Вкл.
Refbacks are Выкл.



Часовой пояс GMT +3, время: 21:35.

Яндекс.Метрика Справочник 
сцбист.ру сцбист.рф

СЦБИСТ (ранее назывался: Форум СЦБистов - Railway Automation Forum) - крупнейший сайт работников локомотивного хозяйства, движенцев, эсцебистов, путейцев, контактников, вагонников, связистов, проводников, работников ЦФТО, ИВЦ железных дорог, дистанций погрузочно-разгрузочных работ и других железнодорожников.
Связь с администрацией сайта: admin@scbist.com
1 2 3 4 5 6 7 8 9 10 11 12 13 14 15 16 17 18 19 20 21 22 23 24 25 26 27 28 29 30 31 32 33 34 
Powered by vBulletin® Version 3.8.1
Copyright ©2000 - 2026, Jelsoft Enterprises Ltd.
Powered by NuWiki v1.3 RC1 Copyright ©2006-2007, NuHit, LLC Перевод: zCarot