Реле контроля скорости типа РКС-5
Назначение. Реле контроля скорости РКС-5 предназначено для работы в метрополитенах в цепях контроля скорости при напряжении питания 110—130 В переменного тока с временем обратного замедления 1 с +10%.

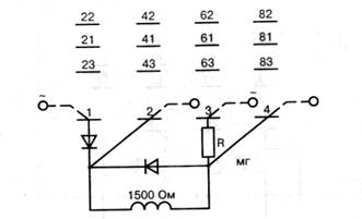
Рис. 161. Электрическая схема реле типа РКС-5
Некоторые конструктивные особенности. Реле РКС-5 (черт. 7584-ООМЧ) изготавливается на базе штепсельного реле типа НМШМ2-1500, изменив схему включения реле. Схема реле РКС-5 приведена на рис. 161. В схеме применены и вмонтированы в корпус реле: VD1, VD2 — диоды Д226Б (КД-105Б); R — резистор МЛТ-2-1-5,6 кОм (подбирается при настройке). Номинальное напряжение переменного тока 120 В подается на выводы 1—3. Напряжение притяжения — не более 85 В, напряжение отпадания — не менее 20 В. Перегрузка — 150 В. Выводы 2—4 предназначены для измерения напряжения непосредственно на катушке реле.
Обмоточные данные, переходное сопротивление контактов, электрическая прочность и сопротивление изоляции, габаритные размеры и масса реле РКС-5 те же, что и у ранее описанного реле НМШМ2-1500.
Следует отметить, что ранее, когда применялся для намотки катушек провод марки ПЭЛ и выпускались реле НМШМ2-1750, то реле РКС-5 изготавливалось на базе реле НМШМ2-1750. Характеристики реле РКС-5 на базе реле НМШМ2-1750 те же, что и у вышеописанного реле РКС-5 на базе реле НМШМ2-1500. Это достигалось путем подбора резистора R при настройке от 1 до 5,6 кОм.