Контроллер машиниста КВ-1508
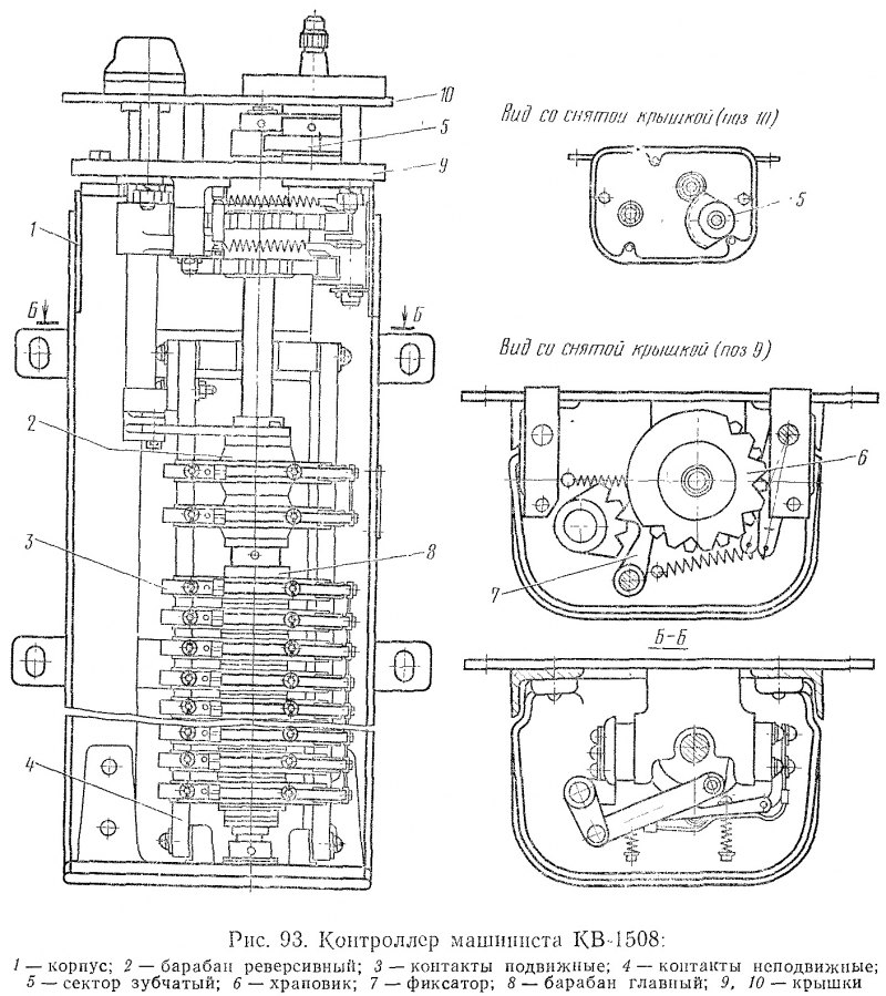
Для дистанционного управления электрической передачей на тепловозе установлен контроллер машиниста. Стальной сварной корпус 1 контроллера (рис. 93) образован сварной рамой и чугунным основанием, в которое запрессована бронзовая втулка, служащая подшипником главного вала, между верхней стальной сварной крышкой 10 и литой чугунной крышкой 9 встроена зубчатая передача, уменьшающая в два раза угол поворота штурвала по отношению к углу поворота главного барабана. Передача состоит из зубчатого сектора 5, насаженного на вал, на хвостовик которого насаживается штурвал, и шестерни, насаженной на хвостовик главного вала. В крышки запрессованы бронзовые втулки, служащие подшипниками для валов. К контактной системе контроллера относятся панели с подвижными 3 и неподвижными 4 контактами, главный и реверсивный валы. Главный вал состоит из стального вала, на который насажены: храповик, обеспечивающий фиксацию позиций (положений) вала, кулачковые пластмассовые шайбы для размыкания и замыкания контактов в определенной последовательности. Кроме того, на главном валу находится реверсивный кулачковый барабан, управляемый реверсивным валом через тягу. Управление валом непосредственное.

Главный вал фиксируется храповиком 6, рычагами и пружинами, при этом ролики рычагов, попадая в углубления храповика, обеспечивают фиксацию в заданном штурвалом положении (позиции).
Позиции реверсивного вала фиксируются при помощи храповика, фиксатора и пружин. Зуб фиксатора, попадая в углубление храповика, обеспечивает фиксацию положения «вперед», «назад» или «О». Контроллер имеет механическую блокировку, исключающую переключение главного вала, когда реверсивная рукоятка находится в нулевом положении, и, наоборот-; переключение реверсивной рукоятки, когда главный вал находится не в нулевом положении (на ходовых позициях).
Способ управления ........................ручной
Количество кулачковых элементов:
главного вала........... 12
реверсивного вала ......................2
Число позиций............................15
Напряжение, В ..........................75
Длительный ток, А............10
Раствор контактов, не менее, мм...... . 6
Нажатие начальное, кгс..........0,09—0,13
Нажатие конечное, кгс...........0,34—0,35
Поворот главного вала, град................227
Поворот реверсивного вала от нулевого положения в положения «вперед» или «назад», град . 30
Поворот привода главного вала, около, град . . 113
Масса аппарата, кг........................20
Блокировка выполнена следующим образом: при нахождении реверсивной рукоятки в нулевом положении фиксатор входит своим зубом в выемку храповика реверсивного вала, имеющую меньшую глубину, чем на положениях «вперед» и «назад», в результате чего выступ фиксатора, находящийся на противоположной стороне от зуба, входит в углубление храповика главного вала, запирая тем самым главный вал. При переводе реверсивной рукоятки в положения «вперед» или «йазад» зуб фиксатора попадает в более глубокую впадину храповика реверсивного вала, при этом выступ фиксатора выходит из углубления храповика главного вала, что позволяет повернуть главный вал.
Переключение реверсивной рукоятки на промежуточных положениях главного вала исключается, так как зазор между выступом фиксатора и поверхностью храповика главного вала меньше, чем углубление в храповике, куда попадает зуб фиксатора. Контактная система — пальцевого типа. К ней относятся угольник с прикрепленным, к нему рычагом, гибкое соединение с наконечником, имеющим напайку из серебра и являющимся подвижным контактом, а также пружины, обеспечивающие начальное и конечное нажатие, и неподвижный контакт, выполненный в виде латунной стойки с напайкой из серебра.
В рычаге имеется ролик, который в зависимости от того, находится он на поверхности (выступе) кулачковой шайбы или во впадине, обеспечивает размыкание или замыкание контактной системы. Конструкция контактной системы обеспечивает притирание контактов в процессе коммутации. Главным валом управляют при помощи штурвала.
Admin добавил 07.08.2012 в 14:29
Вы можете дополнить или изменить данную статью, нажав кнопку Редактор