СЦБИСТ - железнодорожный форум, блоги, фотогалерея, социальная сеть
Ушел из жизни Крупицкий Адольф Зельманович
6 февраля 2026 года ушел из жизни Крупицкий Адольф Зельманович, более шести десятков лет проработавший в институте «Гипротранссигналсвязь». Всю свою трудовую деятельность А.З. Крупицкий посвятил проектному делу. После окончанию обучения в Ленинградском институте инженеров железнодорожного транспорта в 1959 году начал свою профессиональную деятельность в качестве старшего электромеханика дистанции сигнализации и связи на Казахской железной дороге. В 1960 году пришел на работу в институт на должность инженера, работал руководителем группы, главным инженером проектов.

Читать далее
Вернуться   СЦБИСТ - железнодорожный форум, блоги, фотогалерея, социальная сеть > Энциклопедия СЦБИСТа > Wiki
Закладки Поддержка Сообщество Комментарии к фото Сообщения за день
     
 
В мои закладки Подписка на тему по электронной почте Отправить другу по электронной почте Инструменты Статьи Поиск в этой Статье
  #1  

По умолчанию Перегонные рельсовые цепи 75 Гц

Перегонные рельсовые цепи 75 Гц

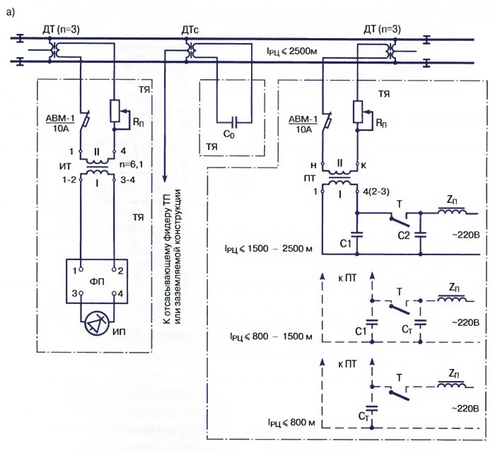
Общие сведения. РЦ переменного тока 75 Гц используют на двухпутных и однопутных участках железнодорожных линий, оборудованных электрической тягой переменного тока 50 Гц, кодовой АБ переменного тока и АЛСН.

РЦ питаются от высоковольтной линии переменного тока частотой 75 Гц±2,5%. Нормальный режим работы — импульсный. Датчиком импульсов (кодов) является трансмиттер типа КПТ-8 или КПТ-9, а приемником — путевое реле ИРВ-110, которое устанавливают на входном конце РЦ. При шунтировании входного конца РЦ и минимальном сопротивлении изоляции ток в рельсах для нормального действия АЛСН должен быть не менее 1,4 А.

Для контроля замыкания изолирующих стыков в смежные РЦ устанавливают трансмиттеры разных типов (КПТ-8 и КПТ-9). На перегоне, оборудованном электротягой переменного тока и прилегающем к станции стыкования систем электротяги, длина РЦ в пределах двух блок-участков, ближайших к станции стыкования, должна быть не более 1500 м.

Схемы РЦ. Предельная длина перегонных РЦ переменного тока 75 Гц при щебеночном балласте равна 2500 м, при песчаном — 2000 м. В схемах РЦ третий дроссель-трансформатор устанавливают для присоединения отсасывающего фидера тяговой подстанции или троса заземления фермы моста, опоры контактной сети с моторным приводом секционных разъединителей и других конструкций.

На участках с двухпутной кодовой АБ соединение средних точек дроссель-трансформаторов соседних путей не предусматривается. В схеме РЦ с двумя или тремя дроссель-трансформаторами для двухпутной (рис. 6.71, а) или однопутной (рис. 6.71, б) АБ общее сопротивление путевого резистора Ru и соединительных проводов между дроссель-трансформатором и путевым или изолирующим трансформатором должно быть не более 2,5 Ом. Для РЦ перегонов, граничащих со станционными РЦ, если путевой фильтр установлен на посту ЭЦ, сопротивление соединител ьных проводов между ИТ и ФП не должно превышать 75 Ом.

В РЦ 75 Гц без дроссель-трансформаторов отсутствует путевой резистор Rn на релейном конце, а коэффициент трансформации ИТ п = 12,2 (вместо 6,1 для двухпутной и 6,3 для однопутной АБ). Сопротивление кабеля между рельсами и ИТ должно быть не более 1 Ом, а между ИТ и ФП — не более 10 Ом.

Наименования и типы приборов РЦ, показанных на рис. 6.71, а и б, приведены ниже.

При двусторонней кодовой АБ каждый конец РЦ может быть либо питающим, либо релейным в зависимости от направления движения. При этом для обеспечения независимости регулировки РЦ на обоих концах каждой РЦ должны быть установлены изолирующие трансформаторы ИТ с одинаковыми постоянными коэффициентами трансформации и путевые трансформаторы ПТ (рис. 6.72).





Требуемое количество жил кабеля между дроссель-трансформаторами и изолирующими трансформаторами л юбого конца РЦ определяют исходя из расчетного сопротивления кабеля 1,5 Ом.

Если путевое реле ИП установлено на посту ЭЦ, то кабель между изолирующим трансформатором ИТ и путевым фил ьтром ФП длиной до 1,5 км не дублируют.

В случае питания перегонной РЦ 75 Гц с поста ЭЦ расчетные токи для определения жильности питающего кабеля берут из таблицы сборника. При этом напряжение на первичной обмотке путевого трансформатора должно быть не менее 200 В.

Разрешается использовать жилы одного кабеля для релейных и питающих концов между рельсами (или ДТ) и путевым и изолирующим трансформаторами при длине общего участка кабеля до 150 м.


Расчетные мощности. В таблице сборника даны расчетные мощности, потребляемые РЦ переменного тока 75 Гц, с учетом потерь в путевых и изолирующих трансформаторах.
Максимальные и средние мощности определяют по специальной методике.

Регулировка. Перегонные РЦ переменного тока 75 Гц регулируют только изменением напряжения на вторичной обмотке путевого трансформатора согласно регулировочной таблице.


Сопротивление путевого резистора на питающем конце РЦ должно быть не менее 0,5 Ом.

Примечание — регулировочные параметры режимов работы РЦ представляются в составе сборников РЦ.

Admin добавил 05.03.2012 в 22:48
Вы можете дополнить или изменить данную статью, нажав кнопку Редактор


Редакторы: Admin
Создано Admin, 05.03.2012 в 22:48
Последнее редактирование Admin, 05.03.2012 в 22:48
0 Комментария , 3167 Просмотров
Похожие темы
Тема Автор Раздел Ответов Последнее сообщение
Перегонные рельсовые цепи тональной частоты с наложением АЛС 50 Гц для участков ж.д. при электротяге постоянного тока - ТРЦ-АБТ-ЭТОО-97 Admin Рельсовые цепи 6 10.02.2019 22:59
Перегонные рельсовые цепи 25 Гц Мегет_Зуй Общие вопросы эксплуатации устройств СЦБ 7 25.03.2011 16:58
Перегонные рельсовые цепи тональной частоты с наложением АЛС 25 Гц для участков ж.д. при электротяге переменного тока - ТРЦ-АБТ-ЭТ50-99 Admin Рельсовые цепи 1 26.01.2011 00:22
Перегонные рельсовые цепи тональной частоты с наложением АЛС 50 Гц для участков ж.д. с автономной тягой - ТРЦ-АБТ-АТ-97 Admin Рельсовые цепи 0 17.12.2010 13:50
Перегонные рельсовые цепи переменного тока 50Гц с реле ИВГ-М - РЦК50-ИВГ-М-АТ-93 СЦБист Рельсовые цепи 0 01.05.2009 14:34

 

Возможно вас заинтересует информация по следующим меткам (темам):
,


Здесь присутствуют: 1 (пользователей: 0 , гостей: 1)
 

Ваши права в разделе
Вы можете создавать новые темы
Вы не можете отвечать в темах
Вы не можете прикреплять вложения
Вы можете редактировать свои сообщения

BB коды Вкл.
Смайлы Вкл.
[IMG] код Вкл.
HTML код Выкл.
Trackbacks are Вкл.
Pingbacks are Вкл.
Refbacks are Выкл.



Часовой пояс GMT +3, время: 10:40.

Яндекс.Метрика Справочник 
сцбист.ру сцбист.рф

СЦБИСТ (ранее назывался: Форум СЦБистов - Railway Automation Forum) - крупнейший сайт работников локомотивного хозяйства, движенцев, эсцебистов, путейцев, контактников, вагонников, связистов, проводников, работников ЦФТО, ИВЦ железных дорог, дистанций погрузочно-разгрузочных работ и других железнодорожников.
Связь с администрацией сайта: admin@scbist.com
1 2 3 4 5 6 7 8 9 10 11 12 13 14 15 16 17 18 19 20 21 22 23 24 25 26 27 28 29 30 31 32 33 34 
Powered by vBulletin® Version 3.8.1
Copyright ©2000 - 2026, Jelsoft Enterprises Ltd.
Powered by NuWiki v1.3 RC1 Copyright ©2006-2007, NuHit, LLC Перевод: zCarot