Двухниточный план станции - документ в составе проекта электрической централизации станции, отражающий информацию о рельсовых цепях на станции, план канализации тягового тока, размещение стрелочный приводов на стрелочных переводах и т.д.
Вместе со схемпланом утверждается руководство железной дороги.
Двухниточный план станции (рис. 1.16) необходим для отображения при проектировании изоляции рельсовых цепей и путей прохождения сигнального и тягового токов. На двухниточном плане показываются пути и стрелочные переводы станции в двухниточном изображении, а также все, что показано на схематическом плане. Кроме того, указываются места установки стрелочных электроприводов, контрольных замков, светофоров с расположением их сигнальных огней, маневровых колонок, постов и вышек, поста (или постов, если их несколько) централизации, пассажирского здания, релейных и батарейных шкафов. На этом плане также показываются стрелочные и тяговые соединители, путевые дроссель-трансфор-маторы, кабельные, трансформаторные и релейные ящики, кабельные стойки и разветвительные муфты, а также изолирующие стыки.
На двухниточном плане показываются также кабельная магистраль, линии подключения релейных шкафов, линейные провода автоблокировки, направления кодирования сигналами АЛС и расположение питающих и релейных концов рельсовых цепей. На плане для возможности прослеживания чередования фаз сигнального тока в смежных рельсовых цепях, нити показывают разной толщины.
Изолирующие стыки расставляют на плане, как правило, в створе со светофорами (допускается сдвигать на 2 м стыки у входных светофоров). В стрелочных переводах в зонах маршрутизированных маневров изолирующие стыки устанавливают у конца рамного рельса.
На кодируемых сигналами АЛС путях изолирующие стыки на стрелках рекомендуется устанавливать по направлению на отклонение. Правильность установки изолирующих стыков проверяется путем подсчета их количества в замкнутом контуре: при четном числе изолирующих стыков в контуре обеспечивается правильное чередование фаз сигнального тока в смежных рельсовых цепях. При нечетном числе изолирующих стыков переносятся уже установленные или вводятся дополнительные изолирующие стыки.
На ответвлениях, не обтекаемых сигнальным током, при негабаритных изолирующих стыках и на спаренных стрелочных переводах показывают по два стрелочных соединителя для повышения надежности работы рельсовой цепи.
На электрифицированных участках в рельсовых цепях для пропуска тягового тока устанавливают дроссель-трансформаторы на обоих концах рельсовой линии. Допускается на боковых путях и в горловинах применение однодроссельных рельсовых цепей с пропуском тягового тока по специальным тяговым соединителям. Для проверки правильности составления схем рельсовых цепей и установки дроссельных перемычек и тяговых междупутных и стрелочных соединителей составляют вспомогательную схему пропуска тягового тока по станции.
Контроль состояния (свободности или занятости подвижным составом) путей, стрелочных и бесстрелочных участков на станции при оборудовании ее устройствами ЭЦ осуществляется с помощью станционных рельсовых цепей (РЦ)5 применение которых обеспечивает безопасность передвижений и повышает эффективность поездной и маневровой работы станции. Для этого пути и горловины станции разбиваются на отдельные изолированные участки, каждый из которых оборудуется РЦ, аппаратура РЦ располагается на посту ЭЦ.
На станциях применяются неразветвленные (на станционных путях и бесстрелочных участках) и разветвленные (в зонах размещения стрелочных переводов) РЦ различных типов. Применяются разветвленные РЦ (РРЦ) с параллельным подключением к источнику питания ответвлений, причем путевые приемники включаются, как правило, иа всех ответвлениях. РРЦ часто называют стрелочным путевым участком (секцией). В устройствах ЭЦ применяют РЦ с изолирующими стыками, однако, т.к. большинство отказов (до 50 %) в РЦ дают различные нарушения изоляции (короткое замыкание в изолирующих стыках, понижение сопротивления балласта и шпал, нарушение изолирующих узлов в гарнитуре стрелочных электроприводов), то для повышения надежности наметилась тенденция применения бесстыковых РЦ.
В РРЦ по сравнению с неразветвленными РЦ имеется значительно большее количество изолирующих стыков, что приводит к более частым отказам. Поэтому количество стрелок, включаемых в одну РРЦ, не должно превышать трех. РРЦ с одной стрелкой имеет только два ответвления, для двух стрелок таких ответвлений будет три или четыре в зависимости от способа укладки стрелочных переводов на изолированной секции. Для трех стрелок полный контроль работы РРЦ становится затруднительным. Кроме того, с включением в одну РРЦ большого числа стрелок увеличивается длина рельсовой цепи, что увеличивает время занятости секции.
В малодеятельных обособленных маневровых районах станций и на путях промышленного транспорта, где отсутствует поездная работа, с целью экономии кабеля и аппаратуры применяется РРЦ с параллельным подключением ответвлений путевого реле только в одном ответвлении. На других ответвлениях при этом не выполняется контрольный режим, что требует в процессе эксплуатации более частых и тщательных проверок их работы для своевременного выявления отказов РРЦ и исключению фиксации ложной свободности стрелочной секции. Поэтому такие РРЦ применяются только в маневровых зонах или при выполнении условия: длина неконтролируемого ответвления не должна превышать 60 м при обеспечении видимости всей стрелочной секции со стороны дежурного по станции.
Наиболее надежным способом обеспечения контроля состояния всех ответвлений стрелочной секции, включающей в себя более одной стрелки, является подключение к одному из ответвлений источника электропитания, а ко всем остальным ответвлениям — путевых реле (рис. 1.17), фронтовые контакты которых соединяются между собой последовательно (по логической схеме «И») в цепи общего стрелочного путевого реле данной сещии. Однако РРЦ могут обеспечивать объективный контроль только на четырех ответвлениях, к одному из которых подключается источник питания. Следовательно, для многих стрелочных секций, состоящих из трех стрелок (рис. 1.18), на одном из ответвлений (на ответвлении Д) не обеспечивается контрольный режим. Для получения контроля всех пяти ответвлений два из них должны соединяться последовательно, для чего дополнительно устанавливаются два изолирующих стыка и укладываются две перемычки. Недостатком этого способа является повьппенный расход кабеля и аппаратуры, что может быть оправдано только при отсутствии более эффективных способов контроля всех ответвлений стрелочных секций.
На линиях без электротяги положительный эффект дает применение конденсаторного контроля двух ответвлений секции, включающей в себя не более одного стрелочного перевода. В этом случае к одному из ответвлений через согласующий трансформатор ответвления подключают конденсатор, а к другому — фазочувствительный приемник, например реле типа ДСШ-12. При этом отпадает потребность в дополнительных жилах кабеля и аппаратуры.
Основным типом рельсовых цепей, применяемых на станциях, являются фазочувствительные рельсовые цепи с частотой сигнального тока 25 или 50 Гц.
Станционные фазочувствительные двухниточные РЦ с частотой сигнального тока 501ц (рис. 1.19) применяются при электротяге постоянного тока на всех путях и стрелочных участках станций с кодированием с питающего и релейного концов. Дополнительные обмотки дроссель-трансформаторов, размещаемых на пути, подключают к аппаратуре кабелем. Особенностью этих РЦ является использование фазочувствительных путевых реле П типа ДСШ-12, срабатывание которых зависит от амплитуды и фазы сигнала. Для исключения ложного срабатывания путевого реле от источника питания смежной РЦ при коротком замыкании изолирующих стыков в смежных РЦ предусматривают чередование фаз напряжений за счет изменения подключения концов проводов на питающих трансформаторах. При замыкании изолирующих стыков на путевую обмотку реле поступает сигнал от источника питания смежной РЦ противоположной фазы, и сектор реле замыкает тыловой контакт. Таким образом, в этих РЦ используется фазовый способ контроля короткого замыкания изолирующих стыков. Предельная длина таких РЦ составляет 1500 м. Сигналы АЛС контактом трансмиттерного реле Т передаются с питающего конца РЦ с момента размыкания фронтового контакта путевого реле П. Кодирование с релейного конца осуществляется от кодирующего трансформатора К1rp с момента замыкания тылового контакта путевого реле контактом трансмиттерного реле Т1.
Станционные фазочувствительные однониточные РЦ с частотой сигнального тока 50 1ц просты по устройству и дешевле двухниточных РЦ, но имеют недостаток — практически полную асимметрию тягового тока, влияющую на работу самой РЦ и локомотивных устройств АЛС, в связи с чем однониточные РЦ не кодируются.
На станциях при электротяге применяют фазочувствительные двухниточные РЦ с сигнальным током частотой 25 1ц при кодировании их током частотой 25 или 501ц (рис. 1.20), в которых возможно наложение кодирования с питающего и релейного концов. Предельная длина этой РЦ составляет 1200 м.
Фазочувствительные РЦ на участках с электротягой переменного тока имеют ряд особенностей, связанных с их питанием частотой 25 1ц и необходимостью защиты путевого реле от срабатывания при попадании тягового тока на его путевые и местные элементы. При питании путевых и местных элементов реле от одного преобразователя помехи тягового тока могут поступать в путевую обмотку соединенную с рельсами, и обратной трансформацией из рельсов через путевой трансформатор и общий выход преобразователя — в цепь местного элемента, создавая тяговый момент сектора путевого реле. Такие обходные цепи устраняют разделением источников питания РЦ и местных элементов: используют два преобразователя частоты: путевой ПП и местной ПМ, мощностью каждого из них 300 В-А для питания соответственно рельсовых цепей и местных элементов путевых реле, полностью исключая возможность попадания тягового тока в цепь местных элементов. Схему питания с электрическим разделением источников питания РЦ и местных элементов путевых реле называют двухфазной.
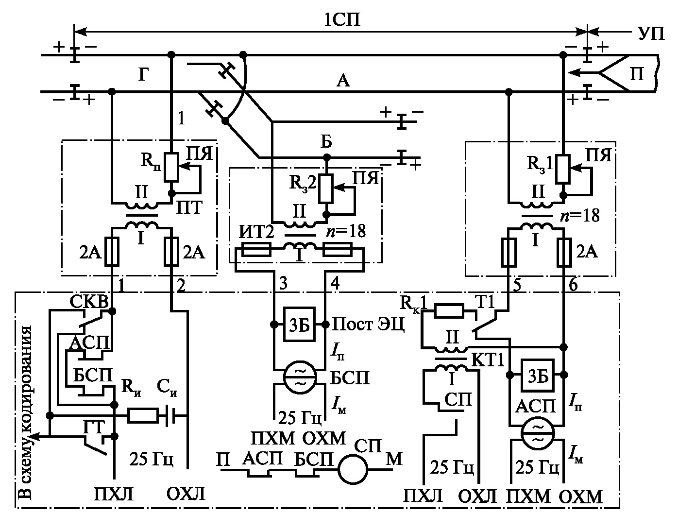
Разветвленные РЦ кодируются для обеспечения работы АЛС только в маршрутах приема и отправления по главным путям, а также в маршрутах безостановочного пропуска поездов по боковым путям со скоростями, превышающими 50 км/ч. На линиях с электротягой постоянного тока и при тепловозной тяге допускается использование сигналов АЛС частотой 50 1ц. При автономной тяге проектируют РЦ частотой 25 1ц с фазочувствительными реле типа ДСШ- 13Аи наложением сигналов АЛС частотой 25 Гц (рис. 1.21).
В данной схеме предусмотрено двухстороннее кодирование.
Отметим, что для РРЦ стандартная изоляция не предусматривает в пределах стрелки сплошного контроля излома рельса, поскольку сигнальный ток, поступающий от источника И к путевым реле АСП и БСП, не протекает по переводной кривой ПК; при обрыве контактных соединителей этот ток не будет протекать и по рамному рельсу кривой. Этого недостатка не имеет бесстыковая ТРЦЗ.

Рис. 1.21. РЦ частотой 25 1ц с реле типа ДСШ-13А и сигналами АЛС частотой 25 1ц