СЦБИСТ - железнодорожный форум, блоги, фотогалерея, социальная сеть
Вернуться   СЦБИСТ - железнодорожный форум, блоги, фотогалерея, социальная сеть > Энциклопедия СЦБИСТа > Wiki > Wiki СЦБ
Закладки Поддержка Сообщество Комментарии к фото Сообщения за день
     
 
В мои закладки Подписка на тему по электронной почте Отправить другу по электронной почте Инструменты Статьи Поиск в этой Статье
  #1  

По умолчанию АДСУ-24/16

АДСУ-24/16 - Автомат диагностики сигнальной установки



Расположение

Релейные шкафы автоблокировки, автоматической переездной сигнализации.



Характеристики

Число каналов дискретного ввода: 16

Число каналов измерения напряжения: 16

Число каналов измерения тока: 8

Число приборов на одну линию связи: до 30;

Способ передачи данных: сигнал несущей частоты с фазовой модуляцией.

Адресация приборов: частотная селекция

Период обновления данных: 2 сек.

Дальность линии связи с контроллером: до 20 км.



Назначение

Автомат диагностики сигнальной установки (АДСУ-24/16) предназначен для комплексного контроля параметров работы устройств автоблокировки переездной сигнализации, пешеходных дорожек и других систем, аппаратура которых расположена в релейных шкафах на перегоне.



Особенности

АДСУ-24/16 имеет 16 универсальных входов для измерения постоянного или переменного напряжения в диапазоне от 0 до 250В. При подаче на вход импульсного сигнала производится автоматическое распознавание кодовой последовательности (КЖ, Ж, З), типа трансмиттера (КПТШ5, 7) и вычисление временных характеристик кода.

В качестве линии связи может использоваться линия ДСН или выделенная линия. Каждый контроллер, включенный в линию связи должен иметь уникальную частоту передаваемого сигнала.

АДСУ-24/16, в отличие от применяемых в настоящее время контроллеров АКСТ-Ч не имеет жесткой настройки на определенную частоту, а автоматически настраивается на необходимую, в зависимости от комбинации перемычек установленных на ответной части коммутационного разъёма.

Декодирование сигналов от АДСУ-24/16 осуществляется платой СЧД-8-Ф, устанавливаемой в концентратор ЛПД АПК-ДК (СТДМ).

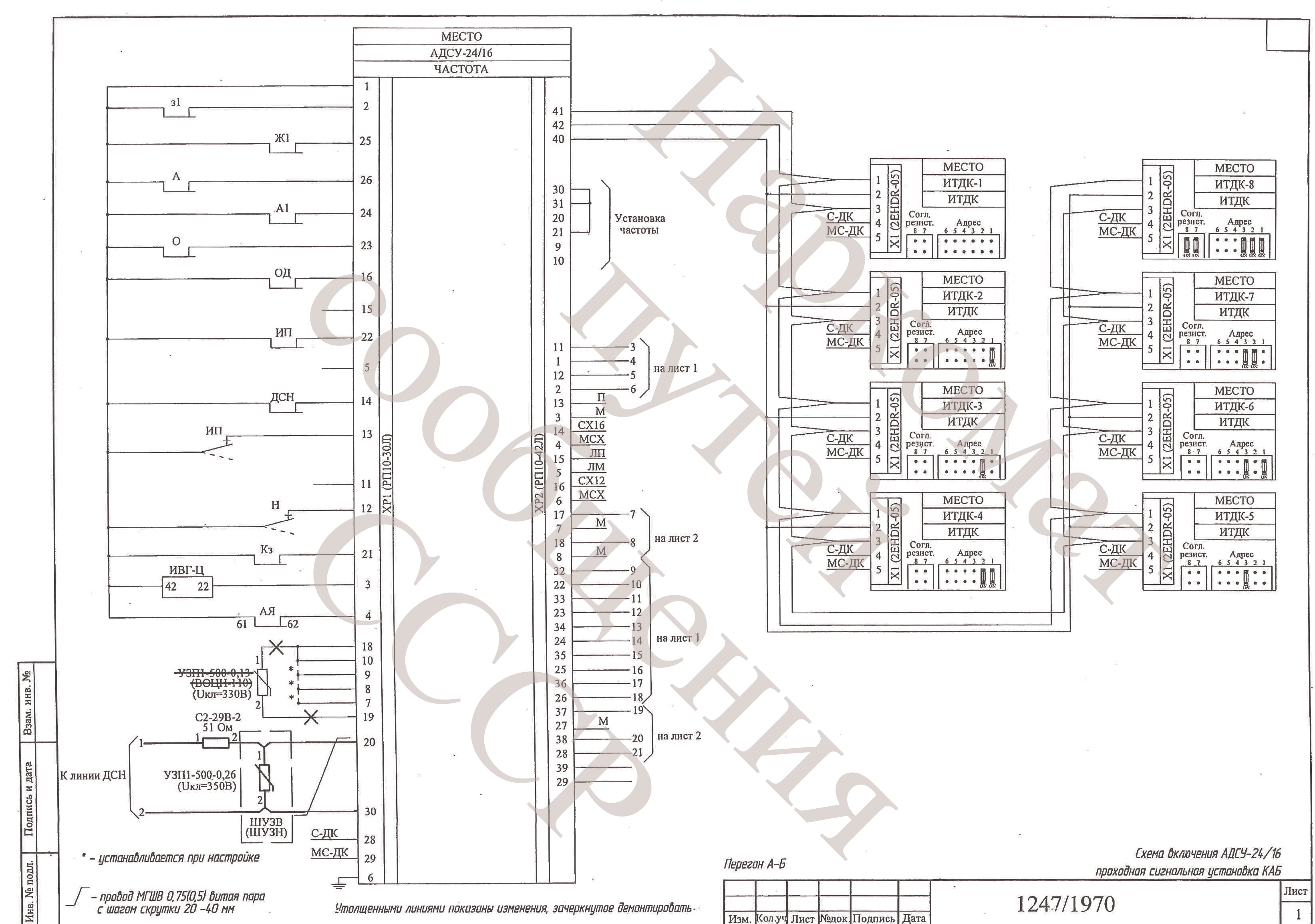
Изменение подключения АДСУ-24/16 к линии передачи данных


С целью увеличения: помехоустойчивости АДСУ-24/16 при воздействии импульсных перенапряжений, вызванных грозовыми и коммутационными явлениями, необходимо, согласно приложению, внести изменения в схему защиты выходов АДСУ-24/16 подключенных к линии передачи данных ДСН, ДК:
1. Демонтировать ограничитель перенапряжений УЗП1-500-0,13 (ВОЦН-НО), подключенный к контактам 18, 19 разъема ХР1 АДСУ-24/16, вместе с монтажом.

2. Подключить ограничитель перенапряжения УЗШ-500-0,26 (Uk.t=350B) к контактам 20, 30 разъема ХР1 АДСУ-24/16 витой парой монтажного провода МГШВ-0,75 (0,5) с шагом скрутки 20-40 мм и резистор С2-29В-2-51 Ом. Ограничитель напряжения УЗП1-500-0,26, при наличии возможности, следует размещать в шкафах ШУЗН, ШУЗВ. При размещении в релейном шкафу ограничитель должен быть отделен от защищаемой аппаратуры кожухом или экраном из негорючего материала.
При установке в одном шкафу нескольких АДСУ-24/16, указанная схема защиты применяется для каждого устройства.
Данная схема является дополнительным, каскадом и не исключает элементы защиты линии ДСН (ДК), выполненных согласно "Методическим указаниям по применению устройств защиты от перенапряжения в устройствах ЖАТ” №12013/ЦДИ от 31 марта 2016г.
На основании данного указания необходимо внести изменения в 411501-ТМП «Аппаратно-программный комплекс диспетчерского контроля. Система технического диагностирования и мониторинга. АПК-ДК (СТДМ)», а также в действующие устройства.

Приложение: Схема подключения АДСУ-12/24 к линии передачи данных (на 1 листе).
Указание утверждено Управлением автоматики и телемеханики ЦДИ - филиала ОАО «РЖД» письмом от 26.12.2019 г. №Исх-51508/ЦДИ.



Редакторы: Admin
Создано Admin, 08.11.2023 в 13:17
Последнее редактирование Admin, 18.02.2025 в 07:11
0 Комментария , 1727 Просмотров
Похожие темы
Тема Автор Раздел Ответов Последнее сообщение
=Техн. решения= АДСУ-24/16. Технические решения. Руководство по эксплутации Avton Диспетчерские централизации и диспетчерский контроль 16 27.01.2023 10:11
Ищу типовые схемы включения АДСУ 24/16 Дмитрий Хохлов 1585 Ищу/Предлагаю 1 16.01.2016 17:00
Ищу типовые схемы включения АДСУ 24/16 Дмитрий Хохлов 1585 Диспетчерская централизация и диспетчерский контроль 0 16.01.2016 16:43
Ищу типовые схемы включения АДСУ - 24/16 Дмитрий Хохлов 1585 АПК-ДК 0 16.01.2016 16:34
=Ищу= Описание работы АКСТ и АДСУ Enic Курсовое и дипломное проектирование 0 25.04.2013 21:54

 

Возможно вас заинтересует информация по следующим меткам (темам):


Здесь присутствуют: 1 (пользователей: 0 , гостей: 1)
 

Ваши права в разделе
Вы можете создавать новые темы
Вы не можете отвечать в темах
Вы не можете прикреплять вложения
Вы можете редактировать свои сообщения

BB коды Вкл.
Смайлы Вкл.
[IMG] код Вкл.
HTML код Выкл.
Trackbacks are Вкл.
Pingbacks are Вкл.
Refbacks are Выкл.



Часовой пояс GMT +3, время: 19:35.

Яндекс.Метрика Справочник 
сцбист.ру сцбист.рф

СЦБИСТ (ранее назывался: Форум СЦБистов - Railway Automation Forum) - крупнейший сайт работников локомотивного хозяйства, движенцев, эсцебистов, путейцев, контактников, вагонников, связистов, проводников, работников ЦФТО, ИВЦ железных дорог, дистанций погрузочно-разгрузочных работ и других железнодорожников.
Связь с администрацией сайта: admin@scbist.com
1 2 3 4 5 6 7 8 9 10 11 12 13 14 15 16 17 18 19 20 21 22 23 24 25 26 27 28 29 30 31 32 33 34 
Powered by vBulletin® Version 3.8.1
Copyright ©2000 - 2026, Jelsoft Enterprises Ltd.
Powered by NuWiki v1.3 RC1 Copyright ©2006-2007, NuHit, LLC Перевод: zCarot