СЦБИСТ - железнодорожный форум, блоги, фотогалерея, социальная сеть
Ушел из жизни Крупицкий Адольф Зельманович
6 февраля 2026 года ушел из жизни Крупицкий Адольф Зельманович, более шести десятков лет проработавший в институте «Гипротранссигналсвязь». Всю свою трудовую деятельность А.З. Крупицкий посвятил проектному делу. После окончанию обучения в Ленинградском институте инженеров железнодорожного транспорта в 1959 году начал свою профессиональную деятельность в качестве старшего электромеханика дистанции сигнализации и связи на Казахской железной дороге. В 1960 году пришел на работу в институт на должность инженера, работал руководителем группы, главным инженером проектов.

Читать далее
Вернуться   СЦБИСТ - железнодорожный форум, блоги, фотогалерея, социальная сеть > Техника > Уголок радиолюбителя
Уголок радиолюбителя Форумы любителей электроники. См. также Железнодорожная связь, Электронная аппаратура ЖАТ
Закладки ДневникиПоддержка Сообщество Комментарии к фото Сообщения за день
Ответить в этой теме   Перейти в раздел этой темы    
 
В мои закладки Подписка на тему по электронной почте Отправить другу по электронной почте Опции темы Поиск в этой теме
Старый 25.10.2015, 23:07   #1 (ссылка)
V.I.P.
 
Аватар для poster333

Регистрация: 14.05.2015
Сообщений: 255
Поблагодарил: 0 раз(а)
Поблагодарили 8 раз(а)
Фотоальбомы: не добавлял
Репутация: 0

Тема: [10-2015] Авиамодельный тахометр


Авиамодельный тахометр

О. ИЛЬИН, г. Казань, Татарстан


Описываемый в статье тахометр предназначен для измерения частоты вращения воздушного винта авиамоделей, но его можно использовать для контроля работы и других лопастных механизмов — роторов, крыльчаток, обтюраторов. Принцип действия этого прибора основан на измерении частоты прерывания лопастями воздушного винта модулированного потока инфракрасного излучения, создаваемого тахометром и падающего на его фоточувствительный элемент.


По сравнению с тахометрами аналогичного назначения [1—3], схожими с описываемым по принципу действия, предлагаемый прибор более помехоустойчив. Им можно измерять частоту вращения воздушных винтов, содержащих две, три и четыре лопасти. Тахометр оснащен стрелочным индикатором частоты вращения, что обеспечивает не только количественную, но и качественную информацию о динамике изменения контролируемого параметра [4].


Прибор имеет два предела измерений частоты вращения воздушно j го винта до 3000 об/мин и до 30000 об/мин. Погрешность измерения — не более ±2,5 %. Имеется кварцевый калибратор, это повышает точность измерения и позволяет оперативно контролировать работоспособность прибора Тахометр выполнен на доступной элементной базе и прост в налаживании.

Функциональная схема прибора изображена на рис 1 Кварцевый генератор вырабатывает периодическую последовательность поямоугольных импульсов следующих с частотой 100 кГц. С выхода генератора эти импульсы поступают на делители частоты на 20000 и на 2000, формирующие импульсы, следующие с частотой 50 и 500 Гц соответственно Эти импульсы предназначены для калибровки тахометра перед проведением измерения. Частота 50 Гц соответствует частоте вращения воздушного винта 3000 об/мин (максимальной на первом пределе измерения), а частотой 500 Гц — 30000 об/мин (максимальной на втором пределе измерения). Переключателем SA1 выбирают предел измерения, а переключателем SA2 — режим работы прибора (калибровку или проведение измерений).

В режиме калибровки прибора импульсы частотой 50 или 500 Гц поступающей через переключатели SA1.1 и SA2 1 на один из входов логического элемента И, на второй вход которого поданы импульсы частотой 100 кГц с выхода кварцевого генератора На вы ходе логического элемента формируется последовательность следующих с частотой 50 или 500 i ц пачек импульсов частотой 100 кГц. 3ia последовательность поступает на сигнальный вход ИК-передатчика, работу которою разрешают нажатием и удержанием кнопки SB1 Триггер в цепи кнопки устраняет в дребезг ее контактов.

Достигнув ИК-приемника, удаленного от передатчика на некоторое расстояние и расположенного с ним на одной оптической оси, ИК-излучение вновь преобразуется в электрический импульсный сигнал. Его усиливает и отфильтровывает от помех полосовой усилитель Усиленный сигнал детектируется по амплитуде и превращается я последовательность импульсов, следующих с частотой повторения пачек ИК-излучения. После усиления и формирования триггером Шмитта эти импульсы становятся прямоугольными с крутыми перепадами.

В режиме калибровки импульсы с выхода триггера Шмитта запускают одновибратор, нормирующий их длительность, которую, в зависимости от выбранного предела измерения изменяет переключатель SAi.2 Постоянную составляющую выходного напряжения одновибратора прямо пропорциональную частоте, измеряет вольтметр из микро-амперметра РА1 и добавочных резисторов и Rao«. выбираемых переключателем SA1.3. Эти резисторы — подстроечные, с их помощью в режиме калибровки устанавливают стрелку микро амперметра РА1 на последнее деление шкалы на каждом пределе измерения

При переводе переключателя SA в положение "Измер.” на вход клапана (логического элемента И) вместо калибровочных импульсов поступает постоянный уровень логической единицы, в результате чего последовательность излучаемых ИК-импульсов частотой
100 кГц становится непрерывной. ИК излучение на пути от передатчика к приемнику периодически прерывают лопасти вращающегося воздушного винта авиамодели, введенного в зазор между передатчиком и приемником Поэтому частота импульсов на выходе триггера Шмитта равна произведению частоты вращения воздушного винта на число его лопастей. Их может быть две три или четыре. Для учета этого фактора в 1 ракт сигнала между триггером Шмитта и одновибратором включают с помощью переключателей SA3 и SA2.2 делитель частоты следования импульсов на два три или четыре.

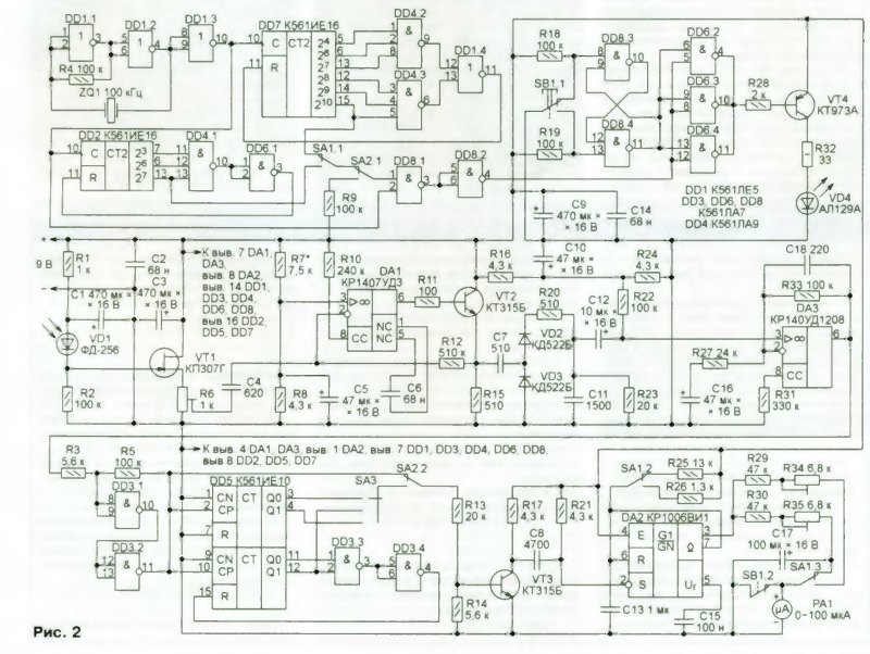
Принципиальная схема тахометра приведена на рис z Генератор им пульсов частотой 100 кГ ц состоит из логических элементов D01.1, DD1 2. резистора R4 и кварцевою резонатора ZQ1 Логический элемент DC1 3 — буферный Делители частоты построены на двоичных счетчиках DD2. DD7 и логических элементах DD1.4 DD4 1--DD4 3, DD6 1. Импульсы частотой 50 Гц снимают с вывода 15 счетчика DD7 а импульсы частотой 500 Гц — с вывода 13 счетчика DD2

Элементы 0D8 1, иив 2 выполняют логическую функцию И Триггер формирующий разрешающий работу пере-датчика сигнал, состоит из логических элементов DD6 3 DD1.4 Логические
элементы DD6.2—DD6 4, соединенные параллельно, и транзистор \Л4 образуют усилитель импульсов питающих ИК излучающий диод VD4

ИК-приемник состоит иэ фотодиода VD1 и истоковый повторителя на транзисторе VT1. Полосовой усилитель по строен на ОУ DA1 и транзисторге VT2 Цепь R7R8C5 задает постоянное смещение на неинвертирующем входе ОУ. а резистор R10 — его ток управления. Цепь отрицательной обратной связи усилителя образована резистором R12 и разделительным конденсатором 04 Конденсатор С6 служит для частотной коррекции ОУ Транзистор VT2 — эмиттерный повторитель, повышающий нагрузочную способность Оу Da’ .

Е изготовленном автором тахометре коэффициент усиления полосового усилителя по напряжению на частоте 100 кГц равен 400 Граничные частоты полосы пропускания по уровню -3 дБ — 75 и 135 кГц. От образца к образцу прибора значения этих параметров MOiyr отличаться от приведенных на 15...20 %, что не оказывает существенного влияния на работу прибора. Однако частота максимального усиления должна находиться в пределах 100±5кГц. При необходимости ее корректируют подборкой резисторов R10 R12 и конденсаторов С4, С6 Обычно бывает достаточно подобрать резистор R10.


Амплитудный детектор собран на диодах VD? и VD3, а усилитель продет тированных импульсов — на ОУ DA3. Цепь R16R24C10 обетпечивает необходимое постоянное смещение на конвертирующем входе ОУ. Регистор R31 задает его ток управления Конденсатор Cl2 - разделительный. Цепь отрицательной обратной связи усилителя образована резисторами R27 R33 и конденсаторами С16, С18. Ко коэффициент усиления по напряжению в серели не полосы пропускания равен 5. Конденсаторы С12 С Тб формируют частотную характеристику усилителя в низкочастотной области (частота среза 1...2 Гц), а конденсатор С18 — в верхней частотной (частота среза 8 кГц). Входное сопротивление усилителя задано резистором R22

Триггер Шмитта состоит из логических элементов 0D3 1, UD3.2 и задающих пороги его переключения резисторов R3 R5. Сдвсенный двоичный счет чик DD5 и логические элементы UD3.3. DD3.4 образуют делители частоты на два, три и четыре

Одновибратор выполнен на интегральном таймере DA2, времязадающие элементы которого — конденсатор С13 и переключаемые при изменении предела измерения резисторы R25 и R26. Конденсатор С15 — фильтрующий Электронный ключ на транзистора VT3 и дифференцирующая цепь R21C8 формируют хореические импульсы запуска одновибратора в моменты нарастающих перепадов импульсов на входе электронного ключа.

Резисторы R29, R30 R34 R35 образуют добавочные сопротивления для микроамперметра РА1. Конденсатор С17 уменьшает дрожание стрелки мик-роамперме1 ра на нижнем пределе измерения. Контакты кнопки SB1.2 шунтируют микроамперметр РА1 когда копка не нажата, и считывать показания прибора не требуется. Это устраняет опасные для микроамперметра резкие колебания его стрелки в моменты включения и выключения тахометра переключения пределов измерения и режимов работы.

Прибор питают от источника стабилизированного напряжения +9 В с максимальным выходным током не менее 0,5 А Конденсаторы С2, СЗ, 09 Ci4 — фильтрующие в цепи питания

Детали тахометра смонтированы навесным способным на макетной плате. Излучающий диод vD4 и фотодиод VD1 расположены вне платы на расстоянии 150...200 мм один от другого образуя промежуток, который при измерении частоты вращения пересекают лопасти вращающегося воздушного винта.

В приборе применены оксидные конденсаторы К50-35 вместо них можно использовать другие аналогичные. Керамические конденсаторы — К10-17, вместо них подойдут КМ-6 или импортные, времязадающий конденсатор С13 — К73-17, он может быть заменен конденсатором К73-9 К73-2е или другим пленочным. Постоянные резне торы — С2-33. Подстроечные резисторы — СП2 2а или другие подобные. В приборе применены галетные переключатели ПГК и сдвоенная копка KM2-I вместо которых можно использовать другие аналогичные. Микроампер-метр — М906 или другой с током полноте отклонения стрелки 100 мкА

Диоды КД522Б можно заменить диодами этой же серии или например, серий КД503 КД521 Вместо ИК-излучающего диода АЛ 129А подойдут диоды такого же назначения серий АЛ 107 АЛ118 или импортные Фотодиод ФД-256 можно заменить фотодиодами ФД-21КП. ФД-25К, ФД-26К. Замена полевого транзистора КП307Г — транзисторы той же серии с другим индексом или серии КП303, транзисторов КТ315Б — другие маломощные кремниевые структуры п-p-n. Вместо тразистора КТ973А допустимо применит^ КТЭ73Б.

При замене ОУ КР14С7УДЗ и • КР140УД1208 на соответственно 1407УДЗ и 140УД12 следует учитывая их различия в типе корпуса и назначении выводов Микросхемы серии КЬ61 могут быть заменены микросхемами серии 56с или импортными аналогами, а микросхема КР1006ВИ1 — импортной серии 555.

Налаживание функциональных узлов тахометра особенностей не имеет и производится по известным методикам. Совмещение оптических осей излучающего диода VD4 и фотодиода VD1 контролируют по максимуму амплитуды сигнала частотой 100 кГц на выходе полосовою усилителя (эмиттере транзистора VT2) при нажатой кнопке SB1. Стрелку микроамперметр РА1 устанавливают на последнее деление шкалы при калибровке прибора на пределах измерении 3000 и 30000 об/мин соответственно подстроечными резисторами R35 и R34.

При измерении частоты вращения воздушного винта, лопасти которою изготовлены из материала, слабо поглощающею ИК-излучение, нормальной работы тахометра добиваются уменьшением его чувствительности к ИК-излучению. Для этою подстроенным резистором R6 уменьшают амплитуду сигнала на входе полосового усилителя.

ЛИТЕРАТУРА


1. Миль Г. Электронное дистанционное управление моделями — М ДОСААФ, 1980.

2. Евстратов В. Винт на контроле. — Моделист-конструктор. 1992, № 11, с. 6. 7

3. Оптический тахометр — URL http://adiokot ru circuit digital/measure;0»(2:.Ou 15'

4. Межлумян А. Цифровая или аналоговая? — Радио 1986,№ 7, с. 25, 26
poster333 вне форума   Цитировать 0
Старый 25.10.2015, 23:13   #2 (ссылка)
Super V.I.P.
 
Аватар для Скиталец

Регистрация: 27.09.2011
Адрес: Самара
Возраст: 72
Сообщений: 3,678
Поблагодарил: 835 раз(а)
Поблагодарили 789 раз(а)
Фотоальбомы: не добавлял
По второму кругу пошло?
Скиталец вне форума   Цитировать 0
Похожие темы
Тема Автор Раздел Ответов Последнее сообщение
[Минтранс РФ] Информация Ространснадзора о состоянии аварийности и транспортной безопасности в транспортном комплексе за период с 15.05.2015 по 22.05.2015 Министерство транспорта РФ Новости на сети дорог 0 22.05.2015 21:40
=Приказ= № 513А от 27 апреля 2015 г. - О звуковом сигнале большой мощности 9 мая 2015 г. в 12-00 Admin Документы Дирекции тяги ОАО "РЖД" 0 01.05.2015 15:51
[Минтранс РФ] Информация Ространснадзора о состоянии аварийности и транспортной безопасности в транспортном комплексе за период с 10.04.2015 по 17.04.2015 Министерство транспорта РФ Новости на сети дорог 0 17.04.2015 22:04
[Минтранс РФ] Информация Ространснадзора о состоянии аварийности и транспортной безопасности в транспортном комплексе за период с 27.03.2015 по 03.04.2015 Министерство транспорта РФ Новости на сети дорог 0 03.04.2015 22:04
[Минтранс РФ] Информация Ространснадзора о состоянии аварийности и транспортной безопасности в транспортном комплексе за период с 13.03.2015 по 20.03.2015 Министерство транспорта РФ Новости на сети дорог 0 23.03.2015 12:04

Ответить в этой теме   Перейти в раздел этой темы   Translate to English

Возможно вас заинтересует информация по следующим меткам (темам):


Здесь присутствуют: 1 (пользователей: 0 , гостей: 1)
 

Ваши права в разделе
Вы не можете создавать новые темы
Вы не можете отвечать в темах
Вы не можете прикреплять вложения
Вы не можете редактировать свои сообщения

BB коды Вкл.
Смайлы Вкл.
[IMG] код Вкл.
HTML код Выкл.
Trackbacks are Вкл.
Pingbacks are Вкл.
Refbacks are Выкл.



Часовой пояс GMT +3, время: 07:45.

Яндекс.Метрика Справочник 
сцбист.ру сцбист.рф

СЦБИСТ (ранее назывался: Форум СЦБистов - Railway Automation Forum) - крупнейший сайт работников локомотивного хозяйства, движенцев, эсцебистов, путейцев, контактников, вагонников, связистов, проводников, работников ЦФТО, ИВЦ железных дорог, дистанций погрузочно-разгрузочных работ и других железнодорожников.
Связь с администрацией сайта: admin@scbist.com
1 2 3 4 5 6 7 8 9 10 11 12 13 14 15 16 17 18 19 20 21 22 23 24 25 26 27 28 29 30 31 32 33 34 
Powered by vBulletin® Version 3.8.1
Copyright ©2000 - 2026, Jelsoft Enterprises Ltd.
Powered by NuWiki v1.3 RC1 Copyright ©2006-2007, NuHit, LLC Перевод: zCarot