СЦБИСТ - железнодорожный форум, блоги, фотогалерея, социальная сеть
Ушел из жизни Крупицкий Адольф Зельманович
6 февраля 2026 года ушел из жизни Крупицкий Адольф Зельманович, более шести десятков лет проработавший в институте «Гипротранссигналсвязь». Всю свою трудовую деятельность А.З. Крупицкий посвятил проектному делу. После окончанию обучения в Ленинградском институте инженеров железнодорожного транспорта в 1959 году начал свою профессиональную деятельность в качестве старшего электромеханика дистанции сигнализации и связи на Казахской железной дороге. В 1960 году пришел на работу в институт на должность инженера, работал руководителем группы, главным инженером проектов.

Читать далее
Вернуться   СЦБИСТ - железнодорожный форум, блоги, фотогалерея, социальная сеть > Техника > Уголок радиолюбителя
Уголок радиолюбителя Форумы любителей электроники. См. также Железнодорожная связь, Электронная аппаратура ЖАТ
Закладки ДневникиПоддержка Сообщество Комментарии к фото Сообщения за день
Ответить в этой теме   Перейти в раздел этой темы    
 
В мои закладки Подписка на тему по электронной почте Отправить другу по электронной почте Опции темы Поиск в этой теме
Старый 08.10.2015, 21:40   #1 (ссылка)
V.I.P.
 
Аватар для poster333

Регистрация: 14.05.2015
Сообщений: 255
Поблагодарил: 0 раз(а)
Поблагодарили 8 раз(а)
Фотоальбомы: не добавлял
Репутация: 0

Тема: [07-2015] Автомобильные часы на микроконтроллере


Автомобильные часы на микроконтроллере

А. АБРАМОВИЧ, г. Бикин Хабаровского края

Предлагаемые вниманию читателей часы имеют небольшие габариты и содержат минимум деталей. Они могут быть легко установлены в любом автомобиле.

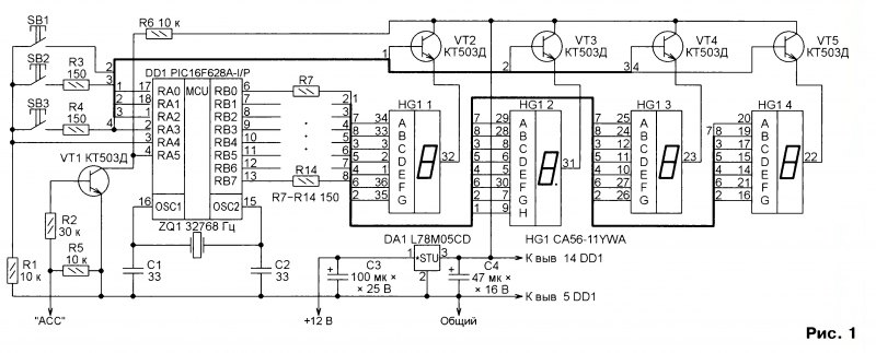
Схема часов изображена на рис. 1. Они собраны на микроконтроллере PIC16F628A (DD1) и светодиодном индикаторе CA56-11YWA (HG1). Тактовый генератор микроконтроллера работает на частоте 32768 Гц, стабилизированной "часовым" кварцевым резонатором ZQ1.

Для уменьшения числа деталей катоды элементов индикатора подключены к порту В микроконтроллера через токоограничительные резисторы R7— R14 без дополнительных усилителей. К выводам RAO—RA3 через эмиттерные повторители на транзисторах VT2—VT5 подключены аноды разрядов индикатора. Кнопки SB1—SB3, предназначенные для установки точного времени, тоже подключены к выводам RA1—RA3. Последовательно с кнопками SB2 и SB3 установлены резисторы R3 и R4, защищающие порт А микроконтроллера от повреждения при случайном одновременном нажатии на две кнопки.




Поскольку светодиодный индикатор потребляет довольно значительный ток (до 70 мА), предусмотрена возможность отключения индикации. Она будет выключена при высоком уровне напряжения на входе RA5 микроконтроллера. В этом режиме потребляемый часами ток не превысит 4 мА. Уровнем напряжения на входе RA5 управляет ключ на транзисторе VT1. На базу этого транзистора через резистор R2 подают напряжение с вывода "АСС" замка зажигания. Когда зажигание выключено и напряжение на этом выводе нулевое, транзистор VT1 закрыт, индикация отключена.

Часы собраны на печатной плате из фольгированного с двух сторон стеклотекстолита. Чертёж платы изображён на рис. 2, а расположение элементов на ней — на рис. 3. Для уменьшения габаритов в часах использованы резисторы типоразмера 1206 для поверхностного монтажа, интегральный стабилизатор напряжения в корпусе DPAK, малогабаритные импортные конденсаторы.

Транзисторы КТ503Д можно заменить на транзисторы той же серии с другими буквенными индексами. Вместо индикатора СА56-11YWA допускается применить другой четырёхразрядный с общими анодами, например, СА56-11CGKWA.

Плату часов помещают в металлический или пластмассовый корпус подходящих размеров. Чтобы не изменять внешний вид панели приборов автомобиля, часы закрепляют липкой с двух сторон лентой на лобовом стекле в районе зеркала заднего вида. Соединительные провода прокладывают под обшивкой потолка салона и стойкой передней двери и выводят к замку зажигания.

Часы не нуждаются в настройке, при безошибочной сборке они должны начать работать сразу после подачи питания. При необходимости точность отсчёта времени корректируют подборкой конденсаторов С1 и С2.

От редакции. Файл печатной платы в формате Sprint Layout 5.0 и программа микроконтроллера находятся по адресу ftp:// ftp.radio.ru/pub/2015/07/clock-a.zip на нашем FTP-сервере.

poster333 вне форума   Цитировать 0
Похожие темы
Тема Автор Раздел Ответов Последнее сообщение
Электронный "сторож" на микроконтроллере Admin Автоматика в быту 0 13.06.2015 15:05
=Лекции= Автомобильные эксплуатационные материалы Admin Автомобильный транспорт 0 09.02.2014 08:29
=Лекции= Автомобильные эксплуатационные материалы. Часть 2. Масла, смазки и специальные жидкости Admin Автомобильный транспорт 0 09.02.2014 08:28
[178] Новые автомобильные номера для Санкт-Петербурга Толян Автомобили 0 14.07.2010 20:22

Ответить в этой теме   Перейти в раздел этой темы   Translate to English


Здесь присутствуют: 1 (пользователей: 0 , гостей: 1)
 

Ваши права в разделе
Вы не можете создавать новые темы
Вы не можете отвечать в темах
Вы не можете прикреплять вложения
Вы не можете редактировать свои сообщения

BB коды Вкл.
Смайлы Вкл.
[IMG] код Вкл.
HTML код Выкл.
Trackbacks are Вкл.
Pingbacks are Вкл.
Refbacks are Выкл.



Часовой пояс GMT +3, время: 21:33.

Яндекс.Метрика Справочник 
сцбист.ру сцбист.рф

СЦБИСТ (ранее назывался: Форум СЦБистов - Railway Automation Forum) - крупнейший сайт работников локомотивного хозяйства, движенцев, эсцебистов, путейцев, контактников, вагонников, связистов, проводников, работников ЦФТО, ИВЦ железных дорог, дистанций погрузочно-разгрузочных работ и других железнодорожников.
Связь с администрацией сайта: admin@scbist.com
1 2 3 4 5 6 7 8 9 10 11 12 13 14 15 16 17 18 19 20 21 22 23 24 25 26 27 28 29 30 31 32 33 34 
Powered by vBulletin® Version 3.8.1
Copyright ©2000 - 2026, Jelsoft Enterprises Ltd.
Powered by NuWiki v1.3 RC1 Copyright ©2006-2007, NuHit, LLC Перевод: zCarot