СЦБИСТ - железнодорожный форум, блоги, фотогалерея, социальная сеть
Вернуться   СЦБИСТ - железнодорожный форум, блоги, фотогалерея, социальная сеть > Эксплуатация железных дорог, вагоны, контактная сеть, связь, коммерческая работа > Связь на железнодорожном транспорте
Связь на железнодорожном транспорте Подфорум связистов
Закладки ДневникиПоддержка Сообщество Комментарии к фото Сообщения за день
Ответить в этой теме   Перейти в раздел этой темы    
 
В мои закладки Подписка на тему по электронной почте Отправить другу по электронной почте Опции темы Поиск в этой теме
Старый 17.10.2022, 12:49   #1 (ссылка)
Опытный пользователь
 
Аватар для Mihail44489

Регистрация: 17.10.2022
Сообщений: 5
Поблагодарил: 0 раз(а)
Поблагодарили 0 раз(а)
Фотоальбомы: не добавлял
Репутация: 0

Тема: Устройство АТС


Здравствуйте. Может кто-нибудь подскажет. Мне нужно узнать, и обьяснить устройство тех элементов, которые формируют сигнал в трубке, при поднятии трубки с телефона. А именно на чем они реализованы. Я так понимаю, это тоже устройство что и гудит в трубке, когда прерывистые гудки звучат, контроль посылки вызова. Заранее благодарен.
Mihail44489 вне форума   Цитировать 0
Старый 17.10.2022, 19:03   #2 (ссылка)
Корифей СЦБ
 
Аватар для Александр

Регистрация: 25.02.2009
Адрес: Ленинград
Возраст: 49
Сообщений: 9,611
Поблагодарил: 1617 раз(а)
Поблагодарили 2351 раз(а)
Фотоальбомы: 1 фото
Репутация: 1386
Цитата:
Сообщение от Mihail44489 Посмотреть сообщение
это тоже устройство что и гудит в трубке
И гудит в трубке, и говорит в трубке, и сопит, и поёт одно и то же устройство - телефонный капсюль
__________________
"Не думай. Думаешь - не говори. Думаешь и говоришь - не пиши. Думаешь, говоришь и пишешь - не подписывай. Думаешь, говоришь, пишешь и подписываешь - не удивляйся."
Ф.Э. Дзержинский.
Александр вне форума   Цитировать 2
Старый 18.10.2022, 12:47   #3 (ссылка)
Super V.I.P.
 
Аватар для vetal

Регистрация: 27.05.2009
Сообщений: 2,557
Поблагодарил: 648 раз(а)
Поблагодарили 1065 раз(а)
Фотоальбомы: не добавлял
Репутация: 1478
Цитата:
Сообщение от Mihail44489
Здравствуйте. Может кто-нибудь подскажет. Мне нужно узнать, и обьяснить устройство тех элементов, которые формируют сигнал в трубке, при поднятии трубки с телефона. А именно на чем они реализованы. Я так понимаю, это тоже устройство что и гудит в трубке, когда прерывистые гудки звучат, контроль посылки вызова. Заранее благодарен.
Можно почитать про устройство зуммера в книге "Телефонные аппараты и специальные железнодорожные коммутаторы" Давыдовский В.М., Новикас М.Н. на странице 65. Другие учебники по связи полистать.
vetal вне форума   Цитировать 0
Старый 18.10.2022, 13:11   #4 (ссылка)
Опытный пользователь

Автор темы
 
Аватар для Mihail44489

Регистрация: 17.10.2022
Сообщений: 5
Поблагодарил: 0 раз(а)
Поблагодарили 0 раз(а)
Фотоальбомы: не добавлял
Репутация: 0
Спасибо большое, как раз то что нужно
Mihail44489 вне форума   Цитировать 0
Старый 04.03.2026, 12:30   #5 (ссылка)
Опытный пользователь

Автор темы
 
Аватар для Mihail44489

Регистрация: 17.10.2022
Сообщений: 5
Поблагодарил: 0 раз(а)
Поблагодарили 0 раз(а)
Фотоальбомы: не добавлял
Репутация: 0
И снова здравствуйте! Три года назад Vetal любезно мне ответил и даже привел книгу в качестве источника
Теперь у меня чуть другой вопрос. Как собрать такой зуммер или генератор тонального сигнала но без реле, только на электронике?
Mihail44489 вне форума   Цитировать 0
Старый 05.03.2026, 20:42   #6 (ссылка)
Super V.I.P.
 
Аватар для Старик Хоттабыч

Регистрация: 31.01.2012
Адрес: Форум СЦБИСТ
Возраст: 66
Сообщений: 3,729
Поблагодарил: 1284 раз(а)
Поблагодарили 1183 раз(а)
Фотоальбомы: 24 фото
Репутация: 524
Цитата:
Теперь у меня чуть другой вопрос. Как собрать такой зуммер или генератор тонального сигнала но без реле, только на электронике?
Да просто руками, руками.....
__________________
"Я этим заявлением объявляю, что все мои персональные данные, фотографии, рисунки, переписка и так далее являются объектами моего авторского права (согласно Бернской Конвенции). Для коммерческого использования всех вышеупомянутых объектов авторского права в каждом конкретном случае необходимо мое письменное разрешение."
Старик Хоттабыч вне форума   Цитировать 0
Старый 05.03.2026, 20:55   #7 (ссылка)
Опытный пользователь
 
Аватар для владимир владимирович3

Регистрация: 06.07.2017
Сообщений: 247
Поблагодарил: 15 раз(а)
Поблагодарили 49 раз(а)
Фотоальбомы: не добавлял
Репутация: 112
Цитата:
Сообщение от Mihail44489 Посмотреть сообщение
Как собрать такой зуммер или генератор тонального сигнала но без реле, только на электронике?
на логической микросхеме, с элементами 2И-НЕ, один генератор 300 - 500Гц а другой генератор 1 или 2Гц и сумматор.
__________________
— Все разочарования возникают от избыточных ожиданий.
владимир владимирович3 вне форума   Цитировать 0
Старый 05.03.2026, 21:44   #8 (ссылка)
Super V.I.P.
 
Аватар для vetal

Регистрация: 27.05.2009
Сообщений: 2,557
Поблагодарил: 648 раз(а)
Поблагодарили 1065 раз(а)
Фотоальбомы: не добавлял
Репутация: 1478
Цитата:
Сообщение от Mihail44489
И снова здравствуйте! Три года назад Vetal любезно мне ответил и даже привел книгу в качестве источника
Теперь у меня чуть другой вопрос. Как собрать такой зуммер или генератор тонального сигнала но без реле, только на электронике?
Здесь на сайте в теме "Зуммер УКСС-8 на К155ЛА8" была схема зуммера, но сейчас листаю эту тему, а схемки не вижу. Но может это только у меня...
https://scbist.com/obschie-voprosy-e...a-k155la8.html
vetal вне форума   Цитировать 0
Старый 06.03.2026, 06:14   #9 (ссылка)
Опытный пользователь
 
Аватар для владимир владимирович3

Регистрация: 06.07.2017
Сообщений: 247
Поблагодарил: 15 раз(а)
Поблагодарили 49 раз(а)
Фотоальбомы: не добавлял
Репутация: 112
Цитата:
Сообщение от vetal Посмотреть сообщение
может это только у меня...
картинок нет, админы все удалили
__________________
— Все разочарования возникают от избыточных ожиданий.
владимир владимирович3 вне форума   Цитировать 0
Старый 06.03.2026, 17:36   #10 (ссылка)
Super V.I.P.
 
Аватар для vetal

Регистрация: 27.05.2009
Сообщений: 2,557
Поблагодарил: 648 раз(а)
Поблагодарили 1065 раз(а)
Фотоальбомы: не добавлял
Репутация: 1478
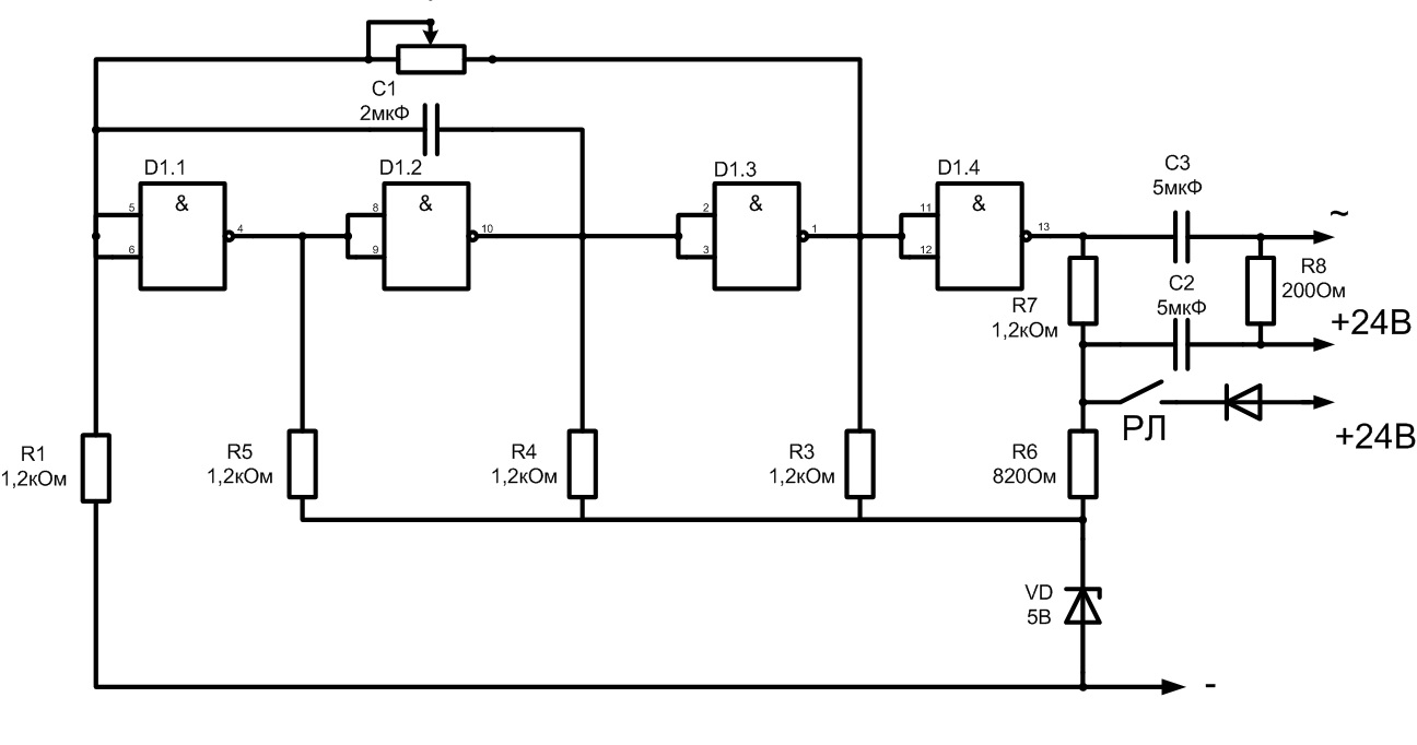
Нашёл схему зуммера для УКСС-8 на микросхеме К155ЛА8

Комментарии к сообщению (репутация)
владимир владимирович3, положительно: одобряю
vetal вне форума   Цитировать 0
Старый 07.03.2026, 12:24   #11 (ссылка)
Super V.I.P.
 
Аватар для vetal

Регистрация: 27.05.2009
Сообщений: 2,557
Поблагодарил: 648 раз(а)
Поблагодарили 1065 раз(а)
Фотоальбомы: не добавлял
Репутация: 1478
Цитата:
Сообщение от vetal
Нашёл схему зуммера для УКСС-8 на микросхеме К155ЛА8
К слову, эта схема маложивущая. После грозы или по другим причинам микросхема К155ЛА8 выходит из строя. В каких-то УКСС-8 схема зуммера построена на двух транзисторах и катушке и зуммер в таких УКСС-8 зачастую был рабочий.
vetal вне форума   Цитировать 0
Старый 07.03.2026, 17:21   #12 (ссылка)
V.I.P.
 
Аватар для Alex_Mn

Регистрация: 02.04.2023
Сообщений: 259
Поблагодарил: 2 раз(а)
Поблагодарили 39 раз(а)
Фотоальбомы: не добавлял
Репутация: 120
Цитата:
Сообщение от vetal Посмотреть сообщение
К слову, эта схема маложивущая. После грозы или по другим причинам микросхема К155ЛА8 выходит из строя. В каких-то УКСС-8 схема зуммера построена на двух транзисторах и катушке и зуммер в таких УКСС-8 зачастую был рабочий.
откуда питание берется? для этой к155ла8.
Alex_Mn вне форума   Цитировать 0
Старый 07.03.2026, 20:04   #13 (ссылка)
Super V.I.P.
 
Аватар для vetal

Регистрация: 27.05.2009
Сообщений: 2,557
Поблагодарил: 648 раз(а)
Поблагодарили 1065 раз(а)
Фотоальбомы: не добавлял
Репутация: 1478
Цитата:
Сообщение от Alex_Mn
откуда питание берется? для этой к155ла8.
Если мне память не изменяет, то когда абонент поднимает трубку, то в УКСС-8 срабатывает линейное реле (на схеме РЛ) и своими контактами подаёт полюс плюс 24В на стабилизатор напряжения 5В собранном на последовательно включённом резисторе R6 и стабилитроне VD на 5В. Вот со стабилитрона и берётся питание 5В для микросхемы К155ЛА8
vetal вне форума   Цитировать 0
Старый 08.03.2026, 04:11   #14 (ссылка)
V.I.P.
 
Аватар для Alex_Mn

Регистрация: 02.04.2023
Сообщений: 259
Поблагодарил: 2 раз(а)
Поблагодарили 39 раз(а)
Фотоальбомы: не добавлял
Репутация: 120
vetal,
если честно мне эта схема напоминает наглядный "стенд для студентов", которая не имеет ничего общего с практической точки зрения.
1) стабилитрона на 5v не видел. есть на 4.7 есть на 5.1 есть на 5.6.
2) 13 вывод через емкость соединен с линией, по которой прилетает всякие статические разряды. (нет никакой защиты от статических разрядов из вне, на вывод микросхемы)
Alex_Mn вне форума   Цитировать 0
Старый 08.03.2026, 09:49   #15 (ссылка)
Super V.I.P.
 
Аватар для vetal

Регистрация: 27.05.2009
Сообщений: 2,557
Поблагодарил: 648 раз(а)
Поблагодарили 1065 раз(а)
Фотоальбомы: не добавлял
Репутация: 1478
Цитата:
Сообщение от Alex_Mn
vetal,
если честно мне эта схема напоминает наглядный "стенд для студентов", которая не имеет ничего общего с практической точки зрения.
1) стабилитрона на 5v не видел. есть на 4.7 есть на 5.1 есть на 5.6.
2) 13 вывод через емкость соединен с линией, по которой прилетает всякие статические разряды. (нет никакой защиты от статических разрядов из вне, на вывод микросхемы)
Схема срисована с действующей платы. Стабилитроны на плате стоят производства СССР. Если хотите поищу данную плату и посмотрю название данного стабилитрона. Хотя вроде в тему про зуммер для УКСС-8 на К155ЛА8 я выкладывал и фото платки и куда-то всё это пропало((((( У нас на подъездном пути стоял УКСС-8 для связи с соседней станцией, а на соседней станции стоял телефонный аппарат для связи с ДСП подъездного пути, но также стоял УКСС-8 с одним свободным комплектом. Так как на УКСС-8 подъездного пути один за одним начали выходить из строя ключи, а связь в нём была только одна, то УКСС-8 заменили на телефонный аппарат, а у ДСП соседней станции убрали телефон и завели связь в УКСС-8 на свободный комплект. Только механику не понравилось, что когда поднимаешь трубку не было слышно зуммер. Вот и начали разбираться... В итоге выяснили, что неисправен выход 13 микросхемы. Установили вместо микросхемы панельку, чтобы можно было быстро менять микросхему К155ЛА8, а не каждый раз выпаивать. Ну и зуммер после замены работал некоторое время и микросхема снова выходила из строя. Недельки через две была гроза и микросхема снова пришла в негодность.
vetal вне форума   Цитировать 0
Похожие темы
Тема Автор Раздел Ответов Последнее сообщение
Устройство светофора puh1337 Движенцы 8 27.08.2022 09:17
=Диплом= Устройство и ремонт ЭПК-150 Admin Студенту-локомотивщику 1 05.01.2016 11:41
устройство теп 70 бс Анонимный Разговоры обо всем 0 11.07.2013 14:04
=Болванка= Устройство тепловоза М62 Admin Студенту-локомотивщику 0 14.12.2012 12:15
Устройство электровозов Admin Wiki Локомотивы 0 14.06.2011 14:22

Ответить в этой теме   Перейти в раздел этой темы   Translate to English


Здесь присутствуют: 1 (пользователей: 0 , гостей: 1)
 

Ваши права в разделе
Вы не можете создавать новые темы
Вы не можете отвечать в темах
Вы не можете прикреплять вложения
Вы не можете редактировать свои сообщения

BB коды Вкл.
Смайлы Вкл.
[IMG] код Вкл.
HTML код Выкл.
Trackbacks are Вкл.
Pingbacks are Вкл.
Refbacks are Выкл.



Часовой пояс GMT +3, время: 17:08.

Яндекс.Метрика Справочник 
сцбист.ру сцбист.рф

СЦБИСТ (ранее назывался: Форум СЦБистов - Railway Automation Forum) - крупнейший сайт работников локомотивного хозяйства, движенцев, эсцебистов, путейцев, контактников, вагонников, связистов, проводников, работников ЦФТО, ИВЦ железных дорог, дистанций погрузочно-разгрузочных работ и других железнодорожников.
Связь с администрацией сайта: admin@scbist.com
1 2 3 4 5 6 7 8 9 10 11 12 13 14 15 16 17 18 19 20 21 22 23 24 25 26 27 28 29 30 31 32 33 34 
Powered by vBulletin® Version 3.8.1
Copyright ©2000 - 2026, Jelsoft Enterprises Ltd.
Powered by NuWiki v1.3 RC1 Copyright ©2006-2007, NuHit, LLC Перевод: zCarot