СЦБИСТ - железнодорожный форум, блоги, фотогалерея, социальная сеть
Вернуться   СЦБИСТ - железнодорожный форум, блоги, фотогалерея, социальная сеть > Помощь студентам, аспирантам, учащимся > Студентам транспортных учебных заведений
Закладки ДневникиПоддержка Сообщество Комментарии к фото Сообщения за день
Ответить в этой теме   Перейти в раздел этой темы    
 
В мои закладки Подписка на тему по электронной почте Отправить другу по электронной почте Опции темы Поиск в этой теме
Старый 26.02.2025, 15:59   #1 (ссылка)
Опытный пользователь
 
Аватар для DmitryP

Регистрация: 03.06.2024
Адрес: Екатеринбург
Сообщений: 7
Поблагодарил: 2 раз(а)
Поблагодарили 6 раз(а)
Фотоальбомы: не добавлял
Репутация: 0

Тема: Современные материалы для проектирования ЧКАБ и ПС


Доброго времени суток. Существуют ли обновленные типовые материалы для проектирования перегонов на ЧКАБ и переездной сигнализации? В частности интересует однопутная и двухпутная с переменной и автономной тягой. В сети в свободном доступе они есть но напоминают собой скорее сканы древних папирусов Египта

Либо же "болванки" схем сигнальных точек разных типов в формате .vsd или .cdw

Знаю что система старая, но неужели никто не занимался подведением альбомов к современному, удобному виду?

Буду благодарен любой информации и материалам!
__________________
DmitryP вне форума   Цитировать 0
Старый 26.02.2025, 17:38   #2 (ссылка)
Опытный пользователь
 
Аватар для владимир владимирович3

Регистрация: 06.07.2017
Сообщений: 239
Поблагодарил: 15 раз(а)
Поблагодарили 48 раз(а)
Фотоальбомы: не добавлял
Репутация: 112
Цитата:
Сообщение от DmitryP Посмотреть сообщение
неужели никто не занимался подведением альбомов к современному, удобному виду?
реле квадратик заменить на реле кружочек?
владимир владимирович3 вне форума   Цитировать 0
Старый 26.02.2025, 19:57   #3 (ссылка)
Опытный пользователь

Автор темы
 
Аватар для DmitryP

Регистрация: 03.06.2024
Адрес: Екатеринбург
Сообщений: 7
Поблагодарил: 2 раз(а)
Поблагодарили 6 раз(а)
Фотоальбомы: не добавлял
Репутация: 0
Цитата:
Сообщение от владимир владимирович3 Посмотреть сообщение
реле квадратик заменить на реле кружочек?
нет, кубик на ромбик
__________________
DmitryP вне форума   Цитировать 0
Старый 26.02.2025, 20:22   #4 (ссылка)
Опытный пользователь
 
Аватар для владимир владимирович3

Регистрация: 06.07.2017
Сообщений: 239
Поблагодарил: 15 раз(а)
Поблагодарили 48 раз(а)
Фотоальбомы: не добавлял
Репутация: 112
сам попробуй. это поначалу оно с непривычки непонятно
владимир владимирович3 вне форума   Цитировать 0
Старый 26.02.2025, 20:53   #5 (ссылка)
эсцебист
 
Аватар для ASVITH

Регистрация: 22.08.2009
Возраст: 58
Сообщений: 145
Поблагодарил: 38 раз(а)
Поблагодарили 47 раз(а)
Фотоальбомы: 39 фото
Репутация: 49
[quote=DmitryP;397796]
Здравствуйте!
Есть принципиальные схемы сигнальных установок двух перегонов двухпутной ЧКАБ участка с электрической тягой постоянного тока.
Схемы сигнальных установок для реальных двух перегонов выполнены формате .vsd.
Для одного перегона, две схемы четных с/у и две нечетных с/у. Типы сигнальных установок ОМ и ОИ.
Для второго перегона, три схемы четных с/у и три нечетных с/у. Типы сигнальных установок ОМ, ОИ и О.
Эти схемы выполнены Зам.ШЧ более 20 лет.
Идея которая реализована в этих схемах заключается в большей детализации внутренних схем отдельного оборудования СЦБ с целью совмещения справочных сведений с принципиальными схемами. Это удобно как в процессе эксплуатации, так и при выявлении отказов.

Для примера, загружаю один из листов с обезличенными сведениями в формате .pdf.

Безвозмездный формат предоставления исходников не предусмотрен.

Думайте. При наличии Вашего обоснованного интереса сообщите мне условия для возникновения моего встречного интереса.
ASVITH вне форума   Цитировать 0
Старый 26.02.2025, 20:55   #6 (ссылка)
эсцебист
 
Аватар для ASVITH

Регистрация: 22.08.2009
Возраст: 58
Сообщений: 145
Поблагодарил: 38 раз(а)
Поблагодарили 47 раз(а)
Фотоальбомы: 39 фото
Репутация: 49
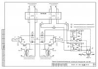
[quote=DmitryP;397796]
Здравствуйте!
Есть принципиальные схемы сигнальных установок двух перегонов двухпутной ЧКАБ участка с электрической тягой постоянного тока.
Схемы сигнальных установок для реальных двух перегонов выполнены формате .vsd.
Для одного перегона, две схемы четных с/у и две нечетных с/у. Типы сигнальных установок ОМ и ОИ.
Для второго перегона, три схемы четных с/у и три нечетных с/у. Типы сигнальных установок ОМ, ОИ и О.
Эти схемы выполнены Зам.ШЧ более 20 лет.
Идея которая реализована в этих схемах заключается в большей детализации внутренних схем отдельного оборудования СЦБ с целью совмещения справочных сведений с принципиальными схемами. Это удобно как в процессе эксплуатации, так и при выявлении отказов.

Для примера, загружаю один из листов с обезличенными сведениями

Безвозмездный формат предоставления исходников не предусмотрен.

Думайте. При наличии Вашего обоснованного интереса сообщите мне условия для возникновения моего встречного интереса.
Миниатюры
Современные материалы для проектирования ЧКАБ и ПС-shema-s.u.-1-per.-bezymyannaya-interesnaya-2h-putn.-ab-tip-om-tolko-l.4-.jpg  
ASVITH вне форума   Цитировать 0
Старый 27.02.2025, 02:05   #7 (ссылка)
Опытный пользователь

Автор темы
 
Аватар для DmitryP

Регистрация: 03.06.2024
Адрес: Екатеринбург
Сообщений: 7
Поблагодарил: 2 раз(а)
Поблагодарили 6 раз(а)
Фотоальбомы: не добавлял
Репутация: 0
Цитата:
Сообщение от владимир владимирович3 Посмотреть сообщение
сам попробуй. это поначалу оно с непривычки непонятно
Дело не в непонятности, а в нежелании расшифровывать иероглифы древней цивилизации

Иногда их хочется взять как исходник, но не получается, как с ЧКАБ

DmitryP добавил 27.02.2025 в 03:05
[quote=ASVITH;397804]
Цитата:
Сообщение от DmitryP Посмотреть сообщение
Здравствуйте!
Есть принципиальные схемы сигнальных установок двух перегонов двухпутной ЧКАБ участка с электрической тягой постоянного тока.
Схемы сигнальных установок для реальных двух перегонов выполнены формате .vsd.
Для одного перегона, две схемы четных с/у и две нечетных с/у. Типы сигнальных установок ОМ и ОИ.
Для второго перегона, три схемы четных с/у и три нечетных с/у. Типы сигнальных установок ОМ, ОИ и О.
Эти схемы выполнены Зам.ШЧ более 20 лет.
Идея которая реализована в этих схемах заключается в большей детализации внутренних схем отдельного оборудования СЦБ с целью совмещения справочных сведений с принципиальными схемами. Это удобно как в процессе эксплуатации, так и при выявлении отказов.

Для примера, загружаю один из листов с обезличенными сведениями

Безвозмездный формат предоставления исходников не предусмотрен.

Думайте. При наличии Вашего обоснованного интереса сообщите мне условия для возникновения моего встречного интереса.
Крутые схемы, но боюсь не позволю их с бюджетом пачки сигарет и сухариков 3 корочки, но бизнес-идея хорошая
__________________

Последний раз редактировалось DmitryP; 27.02.2025 в 02:05. Причина: Добавлено сообщение
DmitryP вне форума   Цитировать 0
Старый 27.02.2025, 10:57   #8 (ссылка)
V.I.P.
 
Аватар для КОПЧЕНЫЙ

Регистрация: 28.08.2011
Сообщений: 195
Поблагодарил: 60 раз(а)
Поблагодарили 98 раз(а)
Фотоальбомы: не добавлял
Репутация: 164
Цитата:
Эти схемы выполнены Зам.ШЧ более 20 лет.
не хочу сорвать возможную сделку, но справедливости ради, стоит отметить, что от выхода ТПР АБ-1-К и АБ-2-К по настоящее время разработано большое количество ТР, ТМП, указаний, требований и пр., сняты с производства и поставлены на производство новые приборы. Таким образом представленный пример, на мой взгляд, имеет весьма сомнительное практическое применение (разве что как учебный материал).
Для использования схемы на конкретной сигнальной установке нужно учесть много местных особенностей (наличие и тип УКСПС, САУТ, АПК-ДК, устройств защиты от перенапряжений, увязка с КТСМ, переездом, тип ССС светофора, результаты тяговых расчетов и прочее).
КОПЧЕНЫЙ вне форума   Цитировать 0
Старый 27.02.2025, 11:45   #9 (ссылка)
Опытный пользователь

Автор темы
 
Аватар для DmitryP

Регистрация: 03.06.2024
Адрес: Екатеринбург
Сообщений: 7
Поблагодарил: 2 раз(а)
Поблагодарили 6 раз(а)
Фотоальбомы: не добавлял
Репутация: 0
Цитата:
Сообщение от КОПЧЕНЫЙ Посмотреть сообщение
не хочу сорвать возможную сделку, но справедливости ради, стоит отметить, что от выхода ТПР АБ-1-К и АБ-2-К по настоящее время разработано большое количество ТР, ТМП, указаний, требований и пр., сняты с производства и поставлены на производство новые приборы. Таким образом представленный пример, на мой взгляд, имеет весьма сомнительное практическое применение (разве что как учебный материал).
Для использования схемы на конкретной сигнальной установке нужно учесть много местных особенностей (наличие и тип УКСПС, САУТ, АПК-ДК, устройств защиты от перенапряжений, увязка с КТСМ, переездом, тип ССС светофора, результаты тяговых расчетов и прочее).
В моем случае это пара точек типа О, Ои и ОП1,2. Так что ничего сверхестественного. Без УКСПС, САУТ и внеземных технологий типа АДК-СЦБ или АПК-ДК. Это курсовая работа. Все на суровых советских ГКШ. Мне подойдут готовые типовые решения из альбома, за исключением небольшой доработки, вот и не хочется отрисовывать их с нуля со старых сканов. Жалко конечно, что подобное безвозмездно никто не даст, но попытка не пытка
__________________

Последний раз редактировалось DmitryP; 27.02.2025 в 11:53.
DmitryP вне форума   Цитировать 0
Старый 27.02.2025, 12:11   #10 (ссылка)
V.I.P.
 
Аватар для КОПЧЕНЫЙ

Регистрация: 28.08.2011
Сообщений: 195
Поблагодарил: 60 раз(а)
Поблагодарили 98 раз(а)
Фотоальбомы: не добавлял
Репутация: 164
Цитата:
курсовая работа
УРГУПС?
есть в ПДФ схемы АБ-2-К точки О, Ои, но с "внеземными" технологиями
если интересно, почту в л.с.

Последний раз редактировалось КОПЧЕНЫЙ; 27.02.2025 в 12:13.
КОПЧЕНЫЙ вне форума   Цитировать 0
Похожие темы
Тема Автор Раздел Ответов Последнее сообщение
Материалы для проектирования к альбому 6228 Tolik82 Энергетики 14 10.12.2015 05:41
Ищу материалы проектирования АБЦМ hotvas Микропроцессорные системы 1 16.04.2014 16:39
Ищу материалы проектирования РПЦ-ДОН Бонус Микропроцессорные системы 14 10.02.2011 19:53
[Ищу] Материалы для проектирования 3.602.1-1 Algo Поиск документации 0 19.01.2011 09:59
ЭЦ / МПЦ - типовые материалы для проектирования Admin Микропроцессорные и релейно-процессорные централизации 3 15.03.2010 15:22

Ответить в этой теме   Перейти в раздел этой темы   Translate to English

Возможно вас заинтересует информация по следующим меткам (темам):
, , ,


Здесь присутствуют: 1 (пользователей: 0 , гостей: 1)
 

Ваши права в разделе
Вы не можете создавать новые темы
Вы не можете отвечать в темах
Вы не можете прикреплять вложения
Вы не можете редактировать свои сообщения

BB коды Вкл.
Смайлы Вкл.
[IMG] код Вкл.
HTML код Выкл.
Trackbacks are Вкл.
Pingbacks are Вкл.
Refbacks are Выкл.



Часовой пояс GMT +3, время: 16:57.

Яндекс.Метрика Справочник 
сцбист.ру сцбист.рф

СЦБИСТ (ранее назывался: Форум СЦБистов - Railway Automation Forum) - крупнейший сайт работников локомотивного хозяйства, движенцев, эсцебистов, путейцев, контактников, вагонников, связистов, проводников, работников ЦФТО, ИВЦ железных дорог, дистанций погрузочно-разгрузочных работ и других железнодорожников.
Связь с администрацией сайта: admin@scbist.com
1 2 3 4 5 6 7 8 9 10 11 12 13 14 15 16 17 18 19 20 21 22 23 24 25 26 27 28 29 30 31 32 33 34 
Powered by vBulletin® Version 3.8.1
Copyright ©2000 - 2026, Jelsoft Enterprises Ltd.
Powered by NuWiki v1.3 RC1 Copyright ©2006-2007, NuHit, LLC Перевод: zCarot