Система охлаждения и подогрева
Система охлаждения и подогрева служит для поддержания в допустимых пределах теплового режима дизеля, для прогреваг дизеля и маслозакачивающего насоса перед пуском при температуре ниже +5°С и для обогрева кабины машиниста. У тепловозов ТУ7, оборудованных гидротормозом, система охлаждения служит также для охлаждения масла гидропередачи.
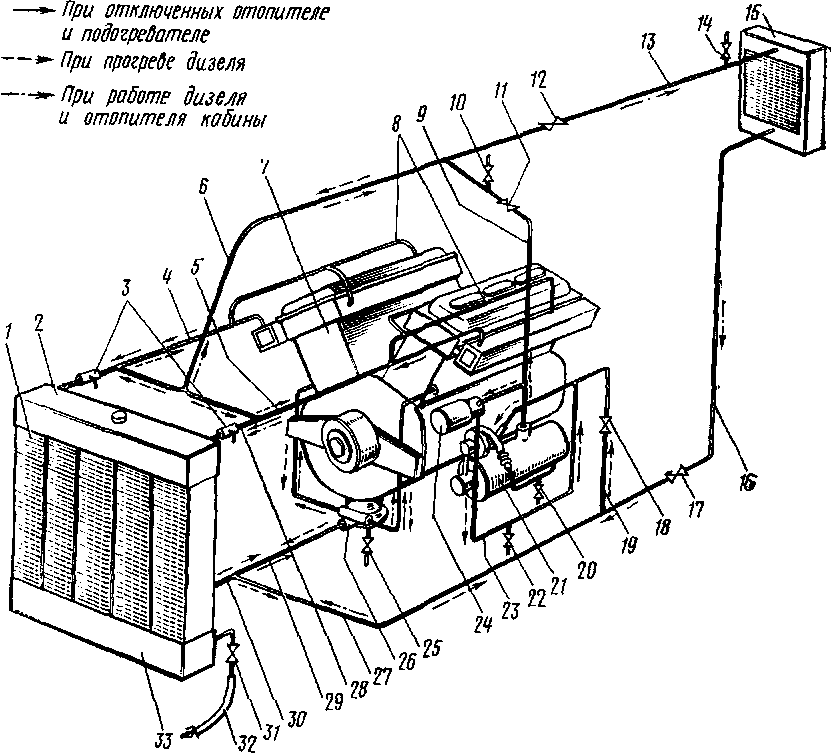
На установившемся режиме работы дизеля охлаждающая жидкость (рис. 38) из нижнего коллектора 33 холодильника поступает в водяной насос 26, откуда по трубам направляется в нижние части рубашек цилиндров. Охладив цилиндры, жидкость поднимается вверх и через перепускные трубки поступает в рубашки головок блоков, где охлаждает стенки камер сгора-

Рис. 38. Система охлаждения и подогрева тепловоза ТУ7:
I — водятые сэкции холодильника; 2 — верхний коллектор водяных секций; 3 — заслонка; 4—6, 9, 13, 16, 19, 23, 27—30 — трубопроводы; 7 —дизель; 8 — пароотводные труСкн; 10, 14, 20, 22, 25, 31 — сливные краны; //, 12, 17, 18 — краны; 15 — радиатор отопителя кабины; 21 — пусковой подогреватель; 24 — маслопрокачнвающиа иа.:ос; 26 — водяной насос; 32 — заправочный рукав; 33 — нижний коллектор водя-ны\ секций
яия и гнезда форсунок. Из выходных патрубков головок блоков охлаждающая жидкость поступает через рубашки выпускных коллекторов и по трубопроводам 4 и 5 в верхний коллектор 2 холодильника (в его правый и левый отсеки) и по пяти водо-воз-душным секциям опускается в нижний коллектор. Охлажденная жидкость из холодильника по трубопроводам 30 и 29 возвращается к насосу. Температура жидкости на выходе из дизеля должна быть в пределах 80—90° С. При перегреве воды дизеля срабатывает реле, которое автоматически отключает дизель от нагрузки. На пульте управления предварительно загорается сигнальная лампочка. При понижении температуры на величину срабатывания реле цепь силовой группы автоматически восста-лавливается.
Для прогрева дизеля перед пуском необходимо закрыть краны 12 и 17, заслонки 3 и открыть краны 11 и 18, т. е. «собрать» систему циркуляции «подогреватель — дизель — подогреватель». Нагретая жидкость из подогревателя поступает в дизель, прогревая его, и возвращается из дизеля через водяной насос. При достижении температуры жидкости 45—50°С необходимо подогреватель выключить и пустить дизель.
Для удаления воздуха из системы подогрева необходимо открыть кран 10, установленный в верхней точке трубопровода, выходящего из подогревателя, и держать его открытым до тех яор, пока из него не потечет жидкость. Такой же кран 14 установлен на отопителе в кабине машиниста.
Систему охлаждения заполняют через заливную горловину холодильника или рукав 32 под давлением не выше 1,5 кгс/см2. Состав охлаждающей жидкости указан в разделе «Эксплуатация тепловозов».
У тепловозов ТУ7, оборудованных гидротормозом, при работе дизеля и гидропередачи на установившихся режимах вода в системе охлаждения циркулирует следующим образом. Водяной насос 35 (рис. 39) забирает воду из трубопровода 29 и по трубопроводам 32 и 36 подает ее в нижнюю часть блоков цилиндров. Охлаждая цилиндры, вода поступает в рубашки головок и выпускных патрубков и по трубопроводам 4 и 9 направляется в верхний коллектор 1 холодильника, в его правый и левый отсеки, откуда по четырем секциям опускается вниз в нижний коллектор. Из нижнего коллектора холодильника вода по пяти центральным секциям поднимается вверх и по общему трубопроводу 3 поступает в теплообменник 31 масла дизеля и далее по трубопроводу 24 в теплообменник масла гидропередачи 13, откуда по трубопроводу 29 возвращается к водяному насосу 35.
При прогреве дизеля перед пуском необходимо закрыть краны 12, 17 и 20, а краны 10 и 19 открыть, затем включить подогреватель. Нагретая вода водяным насосом подогревателя направляется по трубопроводам 22, 23 и 29 в двигатель, нагревает его и поступает по трубопроводам 4 и 9 в холодильник (в боковые отсеки), проходит через холодильник и по трубопроводу 3 идет в тенлооб-

Рис. 39. Система охлаждения и подогрева тепловоза ТУ7, оборудованного гидротормозом:
/ — верхний коллектор; 2, 5 — заслонки; 3, 4, 6, 9, 14, 18, 22—25, 29, 32 36 — трубопроводы, 7 — дизель; 8 — пароотводные трубки, 10, 12, 17, 19, 20 — краны
11, 15, 21, 26, 27, 33, 34, 38 — сливные краны; 13 — теплообменник масла гидропередачи; 16 — радиатор отопителя кабины; 28 — пусковой подогреватель; 30 — масло-лрокачивающий иасос; 31 — теплообменник масла дизеля; 35 — водяной насос;
37 — заправочный рукав; 39 — водяные секции холодильника
менник 31 и по трубопроводу 24 возвращается к насосу подогревателя. Параллельно вода проходит через маслопрокачивающий насос 30.
Чтобы в системе охлаждения не образовались паровые пробки, нарушающие ее нормальную работу, дизель и теплообменник дизеля имеют специальные пароотводные трубки. Для спуска воды из системы предусмотрены сливные краны, установленные на блоках дизеля, водяном насосе, теплообменнике дизеля и гидропередачи, подогревателе и нижнем коллекторе холодильника.
Система охлаждения и подогрева дизеля тепловоза ТУ6А принципиально не отличается от системы тепловоза ТУ7. Однако особенностью ее является связь с масляной системой, в то время как на тепловозе ТУ7 эти системы автономны. Тепловоз ТУ6А не имеет внешней масляной системы, а режимы ее работы зависят от работы системы охлаждения. Температура масла регламентируется температурой" охлаждающей жидкости, проходящей через во-до-масляный теплообменник, и автоматически устанавливается на
10—20°С выше температуры воды. Система охлаждения тепловоза ТУ6А показана на рис. 19.
Для быстрого прогрева дизеля до 70°С и поддержания оптимальной температуры охлаждающей жидкости на установившемся режиме его работы на конце водяного коллектора дизеля тепловоза ТУ6А установлен термостат 7 двойного действия с перепускным устройством. Термостат автоматически прекращает подачу жидкости в радиатор 8, если температура ее на выходе из головки блока ниже 70°С и жидкость, минуя радиатор по обводной трубе, поступает в масляный радиатор 10, нагревая масло системы смазки. Систему охлаждения заполняют водой через заливную горловину радиатора, а сливают ее через краны патрубка теплообменника, блока цилиндров, водяного насоса и подводящего патрубка безлампового пускового подогревателя, открыв предварительно пробку радиатора. Перед сливом дизель необходимо прогреть до 50—60°С.
Для предпускового подогрева дизеля на тепловозах ТУ6А и ТУ7 применяются жидкостные подогреватели марки ПЖД-44, установка которых показана на рис. 40.
Для подогрева дизеля на тепловозе ТУ7 (рис. 40, б) необхсг-димо:
переключатель 9 режима работы включить в положение «Работа» на 10—15 с. Выключатель 8 электромагнитного клапана должен быть в положении «Продув»;

Рі.с 40. Установка подогревателя:
а-на тепювозе ГУ6^; б — на тепловозе ТУ7; / — котел-подо оеватель. 2 — чаливна» горлоьииа З — щиток управлення, 4 — электромагнитный клапан, 5 —насосный агрегат; 6 — выпускной патрубок; 7 —спираль контрольная, 8 — выключатель электромагнитного клапана; 9 — переключатель электродвигателя; 10 — выключатель свечи, // — предохранитель электродвшателя
включить свечу накаливания поворотом рукоятки выключателя 10 влево. При этом контрольная спираль 7 на щитке, включенная последовательно со свечой накаливания, должна накалиться до ярко-красного цвета;
по истечении 30—60 с при температурах окружающего воздуха ниже минус 20°С перевести выключатель 8 электромагнитного клапана из положения «Продув» в положение «Работа» и переключатель 9 режима работы электродвигателя в положение «Пуск». При начале гудения пламени в котле подогревателя перевести переключатель 9 в положение «Работа» и отпустить рукоятку выключателя 10 свечи.
При более высоких температурах окружающего воздуха допускается переводить переключатель 9 сразу в положение «Работа», минуя положение «Пуск». При неудавшемся разжигании подогревателя (отсутствие характерного гула горения) перевести переключатель 9 в нейтральное среднее положение и выключатель 8 электромагнитного клапана в положение «Продув», процесс разжигания повторить. Если подогреватель не удалось разжечь за две-три попытки, следует проверить наличие топлива в топливном насосе, для чего отвернуть нагнетающий топливопровод, выпустить возможные воздушные пробки; при появлении топлива топливопровод привернуть, затем повторить разжигание. Если разжечь не удалось, то необходимо проверить распыл (подачу) топлива в камеру сгорания и накал свечи.
Для прекращения работы подогревателя необходимо перекрыть подачу топлива в камеру сгорания, переводя выключатель 8 электромагнитного клапана в положение «Продув», а затем по истечении 1—2 мин работы электродвигателя без горения в котле выключить его, переведя переключатель 9 в нейтральное положение. Продувка камеры и газохода подогревателя делается для удаления остатков продуктов сгорания и исключения возможного хлопка газов при последующем пуске. Необходимо также делать продувку и после двух-трех неудачных разжиганий подогревателя. Главное условие безотказной работы системы пускового подогревателя — полный слив воды при постановке тепловоза на стоянку.
На тепловозе ТУ6А (рис. 40, а) для подогрева дизеля сливные краны должны быть закрыты, а краны выпуска воздуха следует держать открытыми. К моменту разжига подогревателя посуда с водой (8 л, не более) должна стоять рядом с тепловозом.
Разжечь подогреватель в обычной последовательности, убедиться в нормальной его работе и по истечении 10—15 с залить первое ведро через заливную трубу подогревателя. Второе ведро (6—8 л) следует заливать по достижении температуры в котле 80—100°С (установить по термометру или на ощупь — котел обжигает пальцы). При нормальной работе системы после заливки второго ведра воды температура в котле резко падает (до 20—40°С).
После этого закрыть пробку заливной трубы подогревателя и вести прогрев до появления пара в открытой заливной горловине системы охлаждения. При появлении пара следует полностью за-
полнить систему водой. При достижении пусковых температур двигателя (60—80°С на выходе из котла подогревателя) пустить дизель и выключить подогреватель так, как указано выше.
Уход за подогревателем заключается в промывке фильтра электромагнитного клапана и очистке дренажной трубки топливного насоса от грязи. После 100—150 пусков подогревателя 'следует очистить от нагара свечу накаливания и горелку, а форсунку разобрать и промыть.










