19. Электрические аппараты
Для управления электрическими машинами и другими агрегатами, замыкания и размыкания электоических цепей, защиты оборудования служат электоические аппараты. К тепловозной тяговой аппаоатуое поедъявляются высокие требования в отношении прочности и надежности. Поэтому на тепловозе ТЭЗ использована аппаратура, специально оазработанная для него и изготовленная на специализиоован-ном поедприятии по тепловозному элек-тоооборудованию — на хаоьковском заводе «Электоотяжмаш».
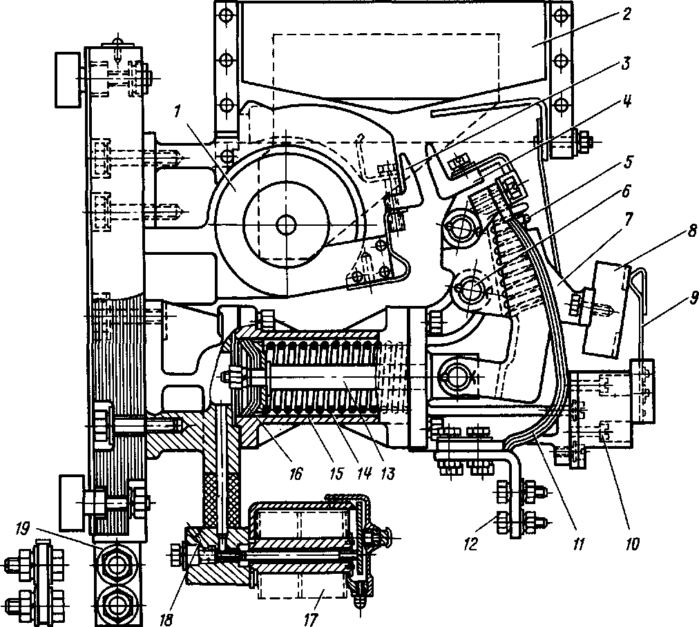
Контроллер машиниста. Для управления тепловозом контроллер машиниста имеет две рукоятки (рис. 79): главную /, предназначенную для включения схемы и регулирования скооости и силы тяги тепловоза, и реверсивную 17, изменяющую направление движения тепловоза. Ревеосивная рукоятка имеет той положения: «Вперед», «Выключено» и «Назад». Эта оукоятка съемная и является одновременно ключом. Главная рукоятка имеет 16 фиксированных рабочих положений и положение «Выключено» (нулевая позиция) . Рукоятки сблокиоованы таким образом, что главная оукоятка может быть переведена в оабочее положение только после установки оевеосивной в положение «Вперед» или «Назад».
Контроллер машиниста типа КВ-16А-12 (КМ) имеет следующую характеристику:
Число элементов главного барабана 12
Число элементов реверсивного барабана 2
Число позиций контооллеоа 16
Номинальное напряжение, В 75
Длительный ток, А 20
Нажатие контактов, Н 3,4—4,5
Главная рукоятка / сочленена с главным валом 9, который может вращаться в латунных втулках, укрепленных в крышке 2 и днище 12.
На нижней квадратной части вала установлены кулачковые шайбы 25 из пластмассы. На окружности шайб сделаны вырезы, смещенные относительно друг друга на различные углы.
На боковой текстолитовой стойке укреплены зажимами неподвижные контакты 28 с наплавкой из сеоебоа. На второй стойке укреплены зажимами контактные пальцы, состоящие из латунного угольника и рычага //, шарнионо сочлененного с угольником.
На рычаге // при помощи штифта и притирающей пружины 26 установлен контакт с серебряной наплавкой, соединенный с угольником гибким
ПРОВОДНИКОМ.
Ролик 24 с осью в середине рычага /7 прижимается пружиной 23 к боковой поверхности шайбы.
Пои повороте рукоятки / РОЛИК попадает в выоез шайбы, и контакты, замыкаясь, создают соответствующую цепь тока.
Реверсивный барабан состоит из двух кулачковых шайб и двух латунных шайб, изолированных друг от друга, свободно вращающихся $округ главного вала. На кулачковые шайбы опираются роликами подвижные контактные пальцы 27.
При повороте реверсивной рукоятки 17 в одно из рабочих положений вал 15, управляемый этой рукояткой, чеоез систему Рычагов 14 и 22 приведет во вращение реверсивный барабан.
При этом один из контактных пальцев, замыкаясь с неподвижным контактом, создает цепь питания током соответствующего вентиля реверсора.
В положении контроллера «Выключено» замкнут палец нулевой блокировки пуска дизеля.
Контакторы. Электоопневматичес-кий контактор ПК-753Б-1 (рис. 80) предназначен для включения и выключения тяговых электродвигателей

Рис. 79. Контроллер машиниста типа КВ-16А: / — главная рукоятка; 2, 4—крышки; 3— зубчатый сектор; 5— стенка; 6—храповик главного барабана; 7, 20, 23, 26— пружины; 8 — рычаг с роликом; 9, 15—валы; 10, 13 — стойки текстолитовые; // — рычаг пальца; 12—днище; 14—тяга реверсивного барабана; 16—храповик реверсивного баоабаиа; 17— рукоятка реверсивная; 18 — шестерня; 19 — фиксатор; 21, 22 — рычаги; 24 — ролик; 25 — шайба кулачковая; 27 — контактный палец; 28 — неподвижный контакт
и имеет следующую техническую характеристику:
Давление воздуха в цилинд-
ре, МПа 0,35—0,7
Нажатие контактов при
0,5 МПа, Н 550—630
Номинальное напряжение, В 550 Максимальное напряжение, В 900 Длительный ток, А 830 Максимальный ток, А 1340 Тип вентиля ВВ-3
Контактор состоит из следующих основных частей: съемных рабочих медных контактов — подвижного 4 и неподвижного 3; дугогасительной камеры 2 с катушкой /; приводного механизма, имеющего рычаг 7, пневматический цилиндр 15 с поршнем 16 и пружиной 14 и электропневматический вентиль 17; блокировочного устройства, снабженного изоляционной

Рис. 80. Контактор электропневматический типа ПК-753Б-1: / — катушка дугогасительная; 2— камера дугогасительная; 3—неподвижный контакт; 4 — подвижный контакт; 5, 14 — пружины; 6— ось; 7 — рычаг; 8—колодка с подвижными дополнительными контактами; 9— палец контактный; 10 — колодка; // — гибкая шина; 12, 19 — зажимы; 13 — шток; 15 — цилиндр; 16— поршень; 17 — электропиевматический вентиль; 18 — трубка
подвижной пластинкой с медными контактами, которая, перемещаясь вместе с подвижной частью контактора, замыкает блокировочные пальцы, смонтированные на колодке 8 контактора.
Включение контактора происходит при прохождении тока через катушку электропневматического вентиля. При этом поступающий через трубку 18 сжатый воздух попадает под поршень 16 цилиндра 15, сжимает пружину 14 и при помощи штока 13 поворачивает рычаг 7 вокруг оси 6, рабочие контакты 3 и 4 замыкаются.
Притирание контактов создается пружиной 5, находящейся внутри рычага 7.
Реверсор. Направление движения тепловоза изменяется путем переклю-
чения обмоток возбуждения тяговых электродвигателей. Переключение обмоток (реверсирование) возможно только при отсутствии тока, поэтому контактная система реверсора выполняется без дугогасительного устройства.
Электропневматический реверсор типа ПР-1М (рис. 81) имеет следующую техническую характеристику:
Число силовых цепей 3
Длительный ток, А 830
Напряжение максимальное, В 900 Давление воздуха в цилиндрах,
МПа 0,32—0,7
Угол поворота барабана, град 30
Нажатие контактов, Н 45—65
Тип вентиля ВВ-32

Сегменты 13 главного барабана представляют собой фигурные латунные отливки, насаженные на вал 14, опрессованный изоляцией из формовочного миканита и асбеста. Сегменты изолированы один от другого фибровыми прокладками. Медные силовые пальцы одним концом опираются на сегменты, а другим (пяткой) — на стальные пальцедержатели 15, укрепленные на шестигранных стойках 16, также опрессованных изоляцией из миканита и асбеста. Нажатие пальцев на сегменты осуществляется пружинами //, надетыми на шпильки и упирающимися в пластины 10. В цепь каждого тягового электродвигателя включены четыре силовых пальца, присоединенных параллельно к одной общей контактной пластине 8, к которой подключены кабели. Всего в реверсоре 12 пальцедержателей, на каждом из них четыре пальца. Блокировочный барабан состоит из стального литого сегментодержателя
4, укрепленного на валу 14, и колодок
5. К колодкам привинчены медные сегменты 3. Блокировочные контакты установлены на колодках 7.
При повороте вала реверсора силовые пальцы замыкаются раньше, чем

Рис. 82. Привод реверсора: / — крышка; 2 — диафрагма; 3 — корпус; 4 — масленка; 5 — пластина; 6 — стопор; 7 — подшипник; 8 — шток; 9 — диск
блокировочные, включающие контактор возбуждения, чтобы он не мог включиться раньше, чем силовая цепь. На стойках 16 укреплены подшипники вала 14, для поворота которого служит диафрагменный привод.
Диафрагменный привод реверсора (рис. 82) изображен в среднем положении. Полость между крышкой и диафрагмой соединена трубкой с корпусом электропневматического вентиля. При включенной катушке вентиля сжатый воздух подается в полость Р, давит на диафрагму и передвигает шток. На штоке укреплена пластина 5 с овальным отверстием, в которое входит поводок. При перемещении шток действует на поводок и поворачивает барабан реверсора на 30°.
Когда цепь катушки вентиля размыкается, сжатый воздух из полости Р выходит в атмосферу, но барабан остается в прежнем положении. Для поворота его нужно включить другой вентиль, впустить сжатый воздух в рабочую полость второй диафрагмы.










