12.4. Аппараты регулирования
На современных тепловозах широко применяются бесконтактные аппараты, создаваемые на полупроводниковых и магнитных элементах. По сравнению с электромеханическими устройствами (реле, контакторы, переключатели и т.д.) бесконтактные аппараты имеют ряд преимуществ: отсутствие подвижной системы; высокая чувствительность и быстродействие; постоянная готовность к действию; высокий КПД; универсальность; малые затраты на обслуживание и ремонт; высокая надежность. Использование бесконтактных устройств в цепях тепловозов позволяет широко применять автоматизацию, улучшать технико-экономические характеристики энергетической установки, повышать безопасность движения и улучшать условия труда локомотивных бригад.
Бесконтактные аппараты подразделяются на магнитные и полупроводниковые.
Магнитные бесконтактные аппараты. Основным элементом бесконтактных магнитных аппаратов является магнитный усилитель. Он позволяет плавно изменять переменный ток за счет изменения индуктивного сопротивления катушки с ферромагнитным сердечником. Магнитные усилители подразделяются на простые (без обратной связи), с обратной связью и др.
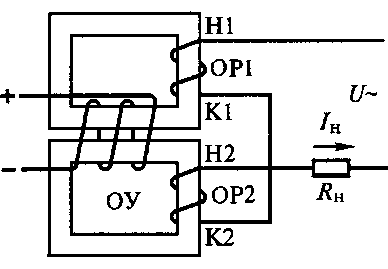
Схема простого магнитного усилителя представлена на рис. 12.25. Он включает в себя два сердечника из ферромагнитных материалов и обмотки переменного и постоянного тока. Обмотки переменного тока называют рабочими обмотками ОР1 и ОР2, они имеют одинаковое число витков и включены встречно. Обмотки постоянного тока называют обмотками управления ОУ. Обмотка управления охватывает оба сердечника и получает питание от источника постоянного тока. Ток рабочей обмотки является выходным сигналом; питание рабочей цепи производится от источника переменного тока. Принцип действия магнитного усилителя основан на использовании свойства насыщения ферромагнитного сердечника. Уровнем насыщения сердечника можно управлять, изменяя подмагничивание его постоянным током. При этом будут изменяться выходные параметры — ток и напряжение.
Основными параметрами магнитного усилителя являются коэффициенты усиления тока и мощности. Коэффициент усиления тока — это отношение изменения рабочего тока к соответствующему изменению тока управления. Коэффициент усиления мощности — отношение выходной мощности рабочего тока к мощности, потребляемой обмотками управления.
Магнитные усилители с обратной связью применяются для получения больших значений коэффициентов усиления по мощности. Обратной связью называется воздействие управляемой величины на вход системы управления. В магнитном усилителе обратной связью является использование выходного выпрямленного тока рабочих обмоток для их подмагничивания. Если подмагничивание током рабочих обмоток усиливает подмагничивающее действие обмотки управления, то такую обратную связь принято называть положительной. Если действие тока ослабляет действие обмотки управления, то такая обратная связь называется отрицательной. Повышению коэффициента усиления способствует только положительная обратная связь. По техническому исполнению обратной связи различают магнитные усилители с внешней, внутренней и смежной обратной связью.
Внешняя обратная связь выполняется при помощи отдельной обмотки. В зависимости от способа включения обмотки

Рис. 12.25. Схема простого магнитного усилителя:
ОУ — обмотка управления; ОР1, ОР2 — рабочие обмотки; Лн — резистор в цепи рабочих обмоток; II--
напряжение питания; 1Н — ток в цепи рабочих обмоток; Н1, К1 — начало и конец первичной обмотки; Н2, К2 — начало и конец вторичной обмотки

Рис. 12.26. Схема магнитного усилителя с выходом на постоянном токе:
а — с внешней обратной связью; б — с внутренней обратной связью: ОУ — обмотка управления; ОР1, ОР2 — рабочие обмотки; ОС — обмотка обратной
связи; Д, — резистор нагрузки; — резистор обратной связи; 1}--напряжение
питания рабочих обмоток; Д1— Д4 — диоды; Н1, К1 — начало и конец первичной обмотки; Н2, К2 — начало и конец вторичной обмотки
обратной связи различают схемы магнитных усилителей с обратной связью по току и напряжению. Действие внешней обратной связи можно изменять при помощи резистора с переменным сопротивлением.
Внутренняя обратная связь осуществляется действием выпрямленного выходного тока, протекающего по рабочим обмоткам. В этом случае рабочие обмотки соединяются с двухпо-лупериодным мостовым выпрямителем. При такой схеме усилителя в каждой рабочей обмотке ток проходит только в одном направлении (рис. 12.26).
Создаваемый в каждом сердечнике магнитный поток будет складываться с магнитным потоком обмотки управления, усиливая подмагничивание сердечника. В результате получается двойное последовательное усиление: подавая в обмотку управления входной сигнал малой мощности, получают на выходе магнитного усилителя выходной сигнал большей мощности. Этот возросший выходной ток в рабочих обмотках вызывает дополнительное подмагничивание сердечника, сопровождаемое еще большим возрастанием выходного сигнала. Магнитный усилитель с внутренней обратной связью называют магнитным усилителем с самоподмагни-чиванием. Магнитный усилитель с самоподмагничиванием и выходом постоянного тока называют амплистатом.
Амплистат возбуждения регулирует ток возбуждения тягового генератора в зависимости от тока нагрузки и напряжения тягово-
го генератора, частоты его вращения и мощности дизель-генераторной установки. На рис. 12.27 представлен амплистат возбуждения типа АВ-ЗА. Сердечник амплистата набирается из П-образных, с уширенным ярмом пластин холоднокатаной электротехнической стали и стягивается угольниками. На каждом сердечнике располагается по одной рабочей обмотке. Оба магнитных сердечника охватывают четыре обмотки подмагничивания: задающую, управляющую, регулировочную и стабилизирующую. Катушки залиты эпоксидным компаундом.
Задающая обмотка получает питание от бесконтактного тахомет-рического блока и создает основную положительную магнитодвижущую силу, пропорциональную частоте вращения вала дизель-генератора. Благодаря этому осуществляется автоматическое управление тяговым генератором по частоте вращения.
Управляющая обмотка получает питание через селективный узел от цепей рабочих обмоток трансформаторов постоянного тока и постоянного напряжения. Ток в ней зависит от тока и напряжения тягового генератора. С помощью этой обмотки осуществляется автоматическое управление тяговым генератором по току и напряжению.
Регулировочная обмотка служит для дополнительного автоматического управления дизель-генератором по мощности. Ток в ней обратно пропорционален нагрузке дизеля.
В стабилизирующей обмотке ток протекает от стабилизирующего трансформатора только при переходных процессах, например при изменении позиций контроллера.
К магнитным аппаратам также относятся трансформаторы. На тепловозах они служат для изменения тока и напряжения, а также для питания различных цепей. По назначению их подразделяют на измерительные, распределительные и стабилизирующие.
К измерительным трансформаторам относятся трансформаторы постоянного тока и трансформаторы постоянного напряжения.
Трансформаторы постоянного тока предназначены для измерения тока тяговых электродвигателей и подачи на управляющую обмотку амплистата сигнала, пропорционального току тягового генератора. Принцип работы трансформатора постоянного тока такой же, как и магнитного усилителя без обрат-

Рис. 12.27. Амплистат возбуждения типа АВ-ЗА:
Н1, К1, Н2, К2 — начало и конец рабочих обмоток; НС, КС — начало и конец стабилизирующей обмотки; НЗ, КЗ — начало и конец задающей обмотки; НР, КР — начало и конец регулировочной обмотки; НУ, КУ — начало и конец управляющей обмотки
ной связи. Индуктивное сопротивление рабочих обмоток изменяется под влиянием подмагаичивания обмотки управления. При увеличении тока тяговых электродвигателей степень насыщения сердечников увеличивается, а индуктивное сопротивление рабочей обмотки уменьшается, вследствие чего ток в рабочей цепи трансформатора постоянного тока пропорционален току тяговых электродвигателей.
Трансформаторы постоянного напряжения служат для измерения напряжения тягового генератора. Трансформатор постоянного напряжения состоит из двух тороидальных сердечников, на каждом из которых намотана рабочая обмотка. Принцип работы трансформатора постоянного напряжения основан на изменении индуктивного сопротивления рабочих обмоток под влиянием подмагаичивания обмотки управления. При увеличении напряжения тягового генератора степень насыщения сердечников увеличивается, индуктивное сопротивление рабочих обмоток уменьшается, вследствие чего ток в рабочих обмотках увеличивается. Таким образом, ток в рабочей цепи трансформаторов постоянного напряжения пропорционален напряжению тягового генератора.
Распределительные трансформаторы предназначены для преобразования и распределения переменного напряжения и питания различных цепей.
Трансформаторы Серия тепловоза
ТР-5...................................................................................... 2ТЭ10Л
ТР-4 и ТР-70, или ТР-21 и ТР-26.................................... 2ТЭ116
ТР-23.................................................................................... 2ТЭ10М
Трансформаторы ТР-4, ТР-5, ТР-70 представляют собой трансформаторы броневого типа, состоящие из магнитопрово-да и катушек. Магнитопровод нашихтован из листов электротехнической стали, стянутых шпильками и угольниками. Катушка имеет пять обмоток: одну первичную и четыре вторичные. Катушка бескаркасная, залита эпоксидным компаундом и закрыта кожухом. Выводы обмоток расположены на двух пластмассовых панелях.
Трансформаторы ТР-21, ТР-23, ТР-26 состоят из сердечника, намотанного на стальное кольцо, и обмоток, расположенных на сердечнике. Концы обмоток припаяны к выводам, укрепленным на изолированной панели. Сердечник, обмотки и панель залиты компаундом на основе эпоксидной смолы.
Стабилизирующий трансформатор ТС-2 улучшает динамические характеристики системы возбуждения тепловоза. Магнитопровод стабилизирующего трансформатора набран из П-образных пластин и полос электротехнической стали. На магаитопроводе расположена катушка с первичной и вторичной обмотками, выводы
которых размещены на пластмассовых панелях. Первичная обмотка через резистор включена на напряжение возбудителя, а от вторичной обмотки получает питание стабилизирующая обмотка ам-плистата. Стабилизирующий трансформатор подает питание на стабилизирующую обмотку амплистата только при переходных процессах. Так, при быстром нарастании напряжения возбудителя, в амплистат подается отрицательный сигнал, вследствие чего скорость нарастания напряжения уменьшается. При резком снижении напряжения возбудителя в амплистат подается положительный сигнал, и скорость снижения напряжения уменьшается.
Полупроводниковые бесконтактные аппараты. В качестве основных элементов бесконтактных полупроводниковых аппаратов применяются диоды, стабилитроны, транзисторы, тиристоры — полупроводниковые приборы с электронно-дырочными переходами (п—р). К этой группе аппаратов относятся выпрямительные установки, состоящие из полупроводниковых вентилей.
Схематический разрез полупроводникового вентиля ВЛ-200 показан на рис. 12.28. Пластинка с р—«-переходом, состоящая из слоев алюминиевого сплава 8, высоколегированного кремния 9 и кремниевого диска 10, припаяна сплавом серебра с сурьмой 77 к нижнему вольфрамовому диску 12, который связан при помощи припоя с медным основанием 13. Верхняя часть кремниевой пластины спаяна с верхним вольфрамовым диском 7, к которому припаяна медная чашечка 6, а к ней — наконечник 4 внутреннего гибкого вывода. Вольфрамовые диски, обладающие близким к кремнию температурным коэффициентом линейного расширения, уменьшают механические напряжения, возникающие между кристаллом кремния и медным основанием при нагреве током области р—«-перехода.
Рис. 12.28. Схематический разрез вентиля ВЛ-200:
I — выводная втулка; 2 — свинцовое стекло; 3 — слой эмали; 4 — наконечник; 5 — корпус; 6 — медная чашечка; 7— верхний вольфрамовый диск; і? — слой алюминиевого сплава; 9 — слой высоколегированного кремния; 10 — кремниевый диск;
II — сплав серебра с сурьмой; 12 — нижний вольфрамовый диск; 13 — медное основание; 14 —
шпилька


Рис. 12.29. Принципиальная электрическая схема выпрямительной установки УВКТ-5: СГ — синхронный генератор
Кремниевый и вольфрамовые диски заключены в стальной корпус 5, связанный с выводной втулкой 1 при помощи слоя напряженного свинцового стекла 2. Спай стального корпуса со свинцовым стеклом выполнен через слой эмали 3 и является изолятором. Внутренний гибкий вывод компенсирует тепловые деформации, а наружный вывод обеспечивает гибкую связь с то-коведущими частями других аппаратов. Медное основание вентиля имеет шпильку 14 для крепления охладителя. Мощные кремниевые вентили на подвижном составе имеют воздушное охлаждение. При воздушном охлаждении медное основание вентиля ввинчивают в металлический охладитель, имеющий ребристую поверхность.
На тепловозах применяется выпрямительная установка УВКТ-5 на кремниевых лавинных вентилях, состоящая из одного шкафа с вентилями. Ее электрическая схема представлена на рис. 12.29. Она состоит из двух параллельно соединенных трехфазных мостов, питаемых от синхронного генератора. Каждое плечо моста выпрямительной установки состоит из десяти параллельно соединенных ветвей, в каждой из которых по два последовательно соединенных вентиля. Конструкция выпрямительной установки допускает двухстороннее обслуживание.
Таблица 12.5

Продолжение табл. 12.5

Окончание табл. 12.5

* В эксплуатации работа трансформатора не допускается при понижении уровня масла; электрической прочности масла ниже 25 кВ; усиленном шуме при работе трансформатора; повреждении или загрязнении поверхности изоляторов; после вторичного срабатывания защиты; при температуре масла в случае неработающего масляного насоса выше 80 °С
На каждой ее стороне размещен один трехфазный мост. Вентили собраны в отдельные блоки с охладителями. Все блоки съемные, что обеспечивает возможность очистки воздушного канала и смену охладителей.
Основные неисправности аппаратов регулирования и способы их определения и устранения представлены в табл. 12.5.
Контрольные вопросы
1. На какие группы подразделяют электрические аппараты по функциональному назначению?
2. Какие требования предъявляются к электрическим аппаратам?
3. Какие бывают типы электрических контактов и каковы их основные параметры?
4. Что такое электрическая дуга, как она возникает? Каковы устройство и принцип работы электромагнитного дугогасительного устройства?
5. Какие существуют приводы электрических аппаратов?
6. Каковы назначение, устройство и принцип работы электромагнитных контакторов?
7. Каковы основные неисправности электромагнитных контакторов, способы определения и устранения повреждений?
8. Для чего предназначены электропневматические контакторы? Как они устроены?
9. Каковы конструкция групповых электропневматических контакторов, принцип работы, возможные неисправности и способы их устранения?
10. Каковы назначение, устройство, принцип работы реверсора, возможные неисправности и способы их устранения?
11. Каковы назначение контроллера машиниста, его устройство, принцип работы, возможные неисправности и способы их устранения?
12. Какие реле применяются на тепловозах? Каковы их функции? Какие могут возникнуть неисправности, каковы способы их устранения?
13. Каковы назначение, устройство и принцип работы регуляторов напряжения, возможные неисправности и способы их устранения?
14. Каковы назначение и устройство бесконтактных магнитных аппаратов; возможные неисправности и способы их устранения?
15. Каковы назначение и устройство бесконтактных полупроводниковых аппаратов, возможные неисправности и способы их устранения?
Глава 13
ЭЛЕКТРИЧЕСКИЕ СХЕМЫ ТЕПЛОВОЗОВ И дизель-ПОЕЗДОВ










