Глава VIII. ЭЛЕКТРИЧЕСКАЯ СХЕМА
VIII.1. Функциональные схемы электропередачи
Тепловоз 2ТЭ116 выполнен с электропередачей переменно-постоянного тока, способной работать в режимах тяги и электродинамического торможения.
В тяговом режиме переменное шестифазное напряжение тягового генератора Г (рис. 147) выпрямляется установкой НУ и подается на шесть параллельно включенных тяговых электродвигателей 1—б последовательного возбуждения, приводящих тепловоз в движение. К тяговому генератору электродвигатели подключаются с помощью шести электропневматических поездных контакторов П1—Пб. Кроме того, тяговый генератор обеспечивает питание переменным током асинхронных электродвигателей вентиляторов холодильника и охлаждения тяговых двигателей.
Скорость тепловоза и тяговое усилие регулируются изменением возбуждения тягового генератора и частоты вращения- вала дизеля, задаваемой контроллером машиниста. Для расширения диапазона скоростей тепловоза, при которых используется полная мощность дизеля, применены две ступени ослабления возбуждения тяговых электродвигателей — 60 (ОП1) и 37 % (ОП2). Ослабление возбуждения осуществляется подключением резисторов СШ1—СШб параллельно обмоткам возбуждения тяговых двигателей с помошью групповых контакторов KUJ1 и КШ2.
Направление движения тепловоза зависит от направления тока в обмотках возбуждения тяговых электродвигателей. Оно изменяется при переключении контактов реверсора ПР.
В качестве источника возбуждения тягового генератора применен однофазный синхронный генератор переменного тока (синхронный возбудитель) СВ, напряжение которого выпрямляется в управляемом выпрямителе УВВ и подается на обмотку возбуждения тягового генератора. Выпрямленное напряжение регулируется изменением момента открытия управляемых вентилей (тиристоров), установленных в двух плечах моста У ВВ.
Система регулирования возбуждения тягового генератора предназначена для поддержания постоянной мощности в рабочем диапазоне его внешней характеристики, а также для ограничения тока и напряжения тягового генератора при превышении ими максимально допустимых значений. Осуществляется это совместной работой объединенного регулятора дизеля, тахометрического блока задания возбуждения БЗВ, узла обратной связи по току и напряжению генератора, селективного узла СУ и блока управления возбуждением БУВ.
Объединенный регулятор дизеля поддерживает установленную частоту вращения вала дизеля и совместно с индуктивным датчиком ИД и тахометрическим блоком БЗВ заданный по позициям контроллера уровень мощности. Узел обратной связи по току и напряжению генератора состоит из трансформаторов постоянного тока (ТПТІ—ТПТ4) и напряжения (ТПН1) с выпрямительными мостами на выходе.
Выходные напряжения узла обратной связи подаются на потенциометры ССУ1 селективного узла. На потенциометры ССУ1, СИД и ССУ2 селективного узла напряжение подается от блока БЗВ.
Напряжение задания, снимаемое с потенциометров ССУ2 и СИД, сравнивается в трех электрических цепях (каналах) с напряжениями узла обратной связи ССУ]. Получаемый при этом сигнал рассогласования подается в блок управления возбуждением БУВ. Последний формирует и подает управляющие импульсы на тиристоры управляемого выпрямителя УВВ, определяя момент и продолжительность их открытия, а тем самым и ток в обмотке возбуждения генератора. Для компенсации падения напряжения в цепи обмотки возбуждения возбудителя при возрастании тока возбуждения применена схема подпитки возбудителя током узла коррекции, состоящего из трансформатора ТК и выпрямительного моста БСТ1.1.
При выходе из строя системы автоматического регулирования возбуждения предусмотрен аварийный режим, при котором переключателем шунтируются тиристоры управляемого моста УВВ и последний работает как обычный неуправляемый выпрямитель.
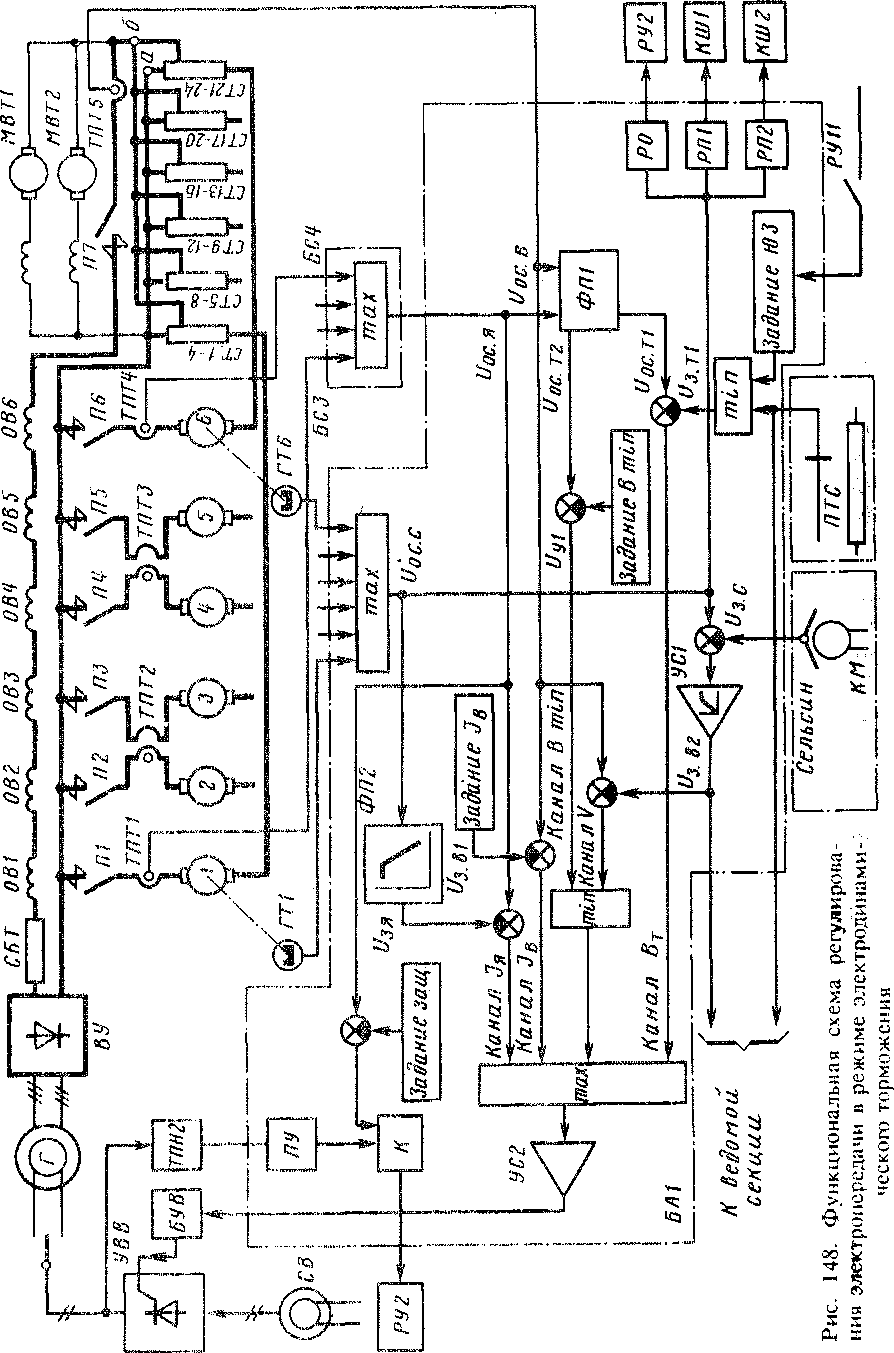
В режиме электродинамического торможения (ЭДТ) тяговые двигатели, возбуждаемые тяговым генератором и вращающиеся благодаря инерции движения поезда, работают как генераторы. При этом кинетическая энергия поезда преобразуется в электрическую, рассеиваемую в тормозных резисторах. Функциональная схема электропередачи в этом режиме изображена на рис. 148.
Якорь каждого тягового электродвигателя подключается к отдельной группе резисторов тормозного блока СТ1-СТ24 через соответствующий один из поездных контакторов 777—Пб.
Для охлаждения тормозных резисторов используются вентиляторы с электродвигателями МВТ], МВТ2 постоянного тока, имеющими последовательное возбуждение. Секции а—б тормозных резисторов, с которых снимается напряжение для питания этих электродвигателей, включены параллельно с помощью уравнительных соединений.
Обмотки возбуждения ОВ1—ОВ6 тяговых электродвигателей соединяются последовательно и подключаются к выпрямительной установке ВУ с помощью контактора 117, получая питание от тягового генератора.
Для поддержания уровня напряжения тягового генератора необходимо для питания асинхронных электродвигателей вспомогательных механизмов, и большей устойчивости регулирования в цепь обмоток возбуждения тяговых электродвигателей включены балластный резистор СБТ и соединенные параллельно секции а—б тормозных резисторов. Напряжение тягового генератора пропорционально сумме падений напряжения на этих резисторах. В балластном резисторе падение напряжения определяется током возбуждения /„, в тормозных резисторах — током якорей электродвигателей /м. Благодаря этому поддерживается примерно постоянное значение линейного напряжения тягового генератора во всем рабочем диапазоне скоростей тепловоза. В области высоких скоростей (с малыми токами /в и большими токами /я) преобладает составляющая падения напряжения на секциях тормозных резисторов, в области малых скоростей (с большими токами /„ и малыми токами /я) — составляющая падения напряжения на балластном резисторе СБТ.
Перевод силовой схемы из режима тяги в тормозной режим и обратно производится с помощью тормозного переключателя в обесточенном состоянии (при отключенных контакторах Л1—П7).
Возбуждение тягового генератора, как и в тяговом режиме, осуществляется через управляемый выпрямитель УВВ от возбудителя СВ, что позволяет плавно регулировать ток возбуждения электродвигателей в нужных пределах. Выпрямитель УВВ управляется автоматически блоком БУВ с помощью комплектного устройства автоматики БА1, трансформаторов тока ТПТ1 — ТПТ5 и трансформатора напряжения ТПН2.










