VII.5. Электрические аппараты и устройства
Контроллер КМ-2200 (рис. 116) предназначен для коммутации электрических цепей управления тепловозом в тяговом и тормозном режимах.
Корпус контроллера представляет собой изоляционную панель, на которой размещены сельсин 3, рычаг передачи движения, контакты 4, фиксатор 15, обойма 8, а также планки для установки контроллера в пульт тепловоза.
Контакты мостикового типа состоят из изолятора 27, рычага 24, контактных болтов 20, контактного мостика 26, пружины 21, держателя 22 и плоской пружины 25. Пружина 21 обеспечивает нажатие контактов, а пружина 25 предотвращает их самопроизвольное размыкание при вибрациях. На конце рычага 24 закреплен подшипник качения, который перемещается по поверхности кулачков и сухарей кулачкового механизма.
Кулачковый механизм состоит из вала /, кулачков 5, храповика 16 главного барабана, главного и реверсивного барабанов, упора 14, а также кулачка 19, служащего для управления сельсином. Кулачки 5 и храповик 16 главного барабана насажены непосредственно на вал /, который поворачивается в шариковых подшипниках 10. Корпус 6 реверсивного барабана выполнен из двух стянутых болтами половин, между которыми установлены шариковые подшипники, толкатель 7 и сухари 18. Кулачки главного и сухари реверсивного барабана имеют профиль, обеспечивающий замыкание и размыкание контактов в необходимой последовательности.
Выходное напряжение сельсина изменяется в зависимости от угла поворота его статора. Регулировка выходного напряжения, соответствующего определенному положению главного барабана, осуществляется поворотом статора сельсина вокруг оси и изменением длины плеча рычага 2.
Реверсивный барабан контроллера имеет три положения ("Вперед", "Назад" и нейтральное), главный барабан — пятнадцать позиций, помимо нулевой, в тяговом режиме и три позиции, помимо нулевой, в тормозном режиме (П—сборка схемы, 1 — поддержание максимальной скорости, 2 — остановочное торможение). Между позициями 1 и 2 в тормозном режиме расположена зона бесступенчатого изменения уставки поддерживаемой скорости. Положения реверсивного барабана фиксируются специальным профилем его корпуса, а позиции главного барабана — храповиком 16. В контроллере предусмотрена взаимная механическая блокировка главного и реверсивного барабанов двумя шариками 9, расположенными в обойме 8.
Управление главным барабаном осуществляется штурвалом 13. Переход главного барабана через нулевую позицию при переходе с тяговых на тормозные позиции и обратно возможен при нажатии кнопки 12.
Управление реверсивным барабаном осуществляется съемной рукояткой //. Рукоятку можно снять только в нейтральном положении реверсивного барабана.
Переключатели типа ППК-10000 (рис. 117) предназначены для переключения без тока электрических цепей тяговых электродвигателей и используются в качестве реверсивного (ППК-12602) и тормозного (ППК-12062) переключателей. Они представляют собой многополюсные элсктропневматические кулачковые аппараты с пневматическим приводом. Основными частями переключателя являются остов, привод, контактные группы силовой цепи и блока вспомогательных контактов.
Остов состоит из двух пластмассовых оснований 1 и 8, передней 7 и двух задних 6 металлических стоек, кулачкового механизма, установленного в подшипниках качения. Кулачковый механизм имеет вал, на котором размещены кулачки, управляющие контактами главной и вспомогательной цепей.
Пневматический привод поршневого типа управляется дистанционно при помощи двух электропневматических вентилей.
Каждая контактная группа представляет собой блок, состоящий из изоляционной панели //, подвижных 15 и неподвижных 16 контактов. Неподвижные контакты установлены непосредственно на изоляционной панели, подвижные располагаются на качающемся коромысле 9, которое закреплено в кронштейнах 10, установленных на изоляционной панели. Контактное нажатие осуществляется с помощью пружины 14.
Конструкция переключателя обеспечивает фиксацию контактов в конечных положениях привода при прекращении подачи сжатого воздуха.
Электропневматические контакторы применяются на тепловозе в качестве поездных для подключения тяговых электродвигателей (ПК-1146А), шунтировочных, для подключения резисторов ослабления возбуждения тяговых электродвигателей (ПК-1619А) и тормозного для включения цепи возбуждения тяговых электродвигателей в режиме ЭДТ (ПК-1148А). Управление контакторами дистанционное при помощи электропневматических вентилей ВВ-1000.
Рис. 117. Переключатель типа ППК-10000: 1,8 — основания; 2 — пневматический привод; 3 — колодка зажимов; 4 — блок вспомогательных контактов; 5 — электропневматический вентиль; 6, 7 — стойки; 9 — коромысло; 10 — кронштейн; 11 — панель; 12 — вывод; 13 — гибкое соединение; 14 — пружина; 15, 16 — подвижный и неподвижный контакты
Контакторы ПК-1146А и ПК-1148А имеют одну главную цепь и отличаются размерами главных контактов и выводами.
Главная контактная система контактора ПК-1146А (рис. 118) содержит главные и дугогасительные контакты.
Подвижные главные контакты 1 мостикового типа установлены на штоке 20, на котором также закреплены дугогасительные контакты 6. Контактное нажатие главных и дугогасительных контактов создается пружинами соответственно 21 и 7. Гашение дуги в дугогасительной камере 5 закрытого типа осуществляется при помощи магнитного дутья, создаваемого одновитковой катушкой 4.
Пневматический привод поршневого типа является унифицированным и состоит из.цилиндра 19, поршня 16, закрепленного на штоке 20, отключающих пружин и уплотняющих деталей. Блок вспомогательных контактов 9 также является унифицированным.
Рис. 118. Контактор ПК-1146А: / — подвижные главные контакты; 2 — ось; 3 — неподвижные контакты с выводами; 4 — катушка; 5 — дугогасительная камера; 6 — дугогасительный контакт; 7, 17, 21 — пружины; 8,
22 _ рычаги; 9 — блок вспомогательных контактов; 10 — электропневматический вентиль;/_ панель зажимов; 12 — уплотнительное кольцо; 13 — прокладка; 14 — крышка; 13 — манжета; 16 — поршень; 18 — прокладка; 19 — цилиндр; 20 — шток
Выводы вспомогательных контактов размещены на двух панелях II.
Контактор ПК-1619А (рис. 119) в отличие от вышеописанных электропневматических контакторов является шестиполюсным, т. е. состоит из шести однополюсных секций.
Сварной металлический кронштейн 9 контактора жестко соединен с направляющей штангой 7. На штанге закреплена траверса 8 с неподвижными контактами. На нижней траверсе расположены подвижные контакты.
Дугогасительные камеры укреплены на общей траверсе 11, которая может поворачиваться вместе с камерами вокруг оси 10 и фиксироваться в верхнем положении, открывая доступ к контактам.
Трехполюсные контакторы переменного тока КМ-2334 (рис. 120) предназначены для включения мотор-вентиляторов холодильной камеры. Они состоят из следующих основных узлов: контактной и дугогасительной систем, подвижной системы, электромагнитной системы, вспомогательных контактов и основания.
Контактная система мостикового типа. Неподвижный главный контакт 4 расположен в камере дугогашения. Узел, подвижных главных контактов укреплен на планке 15. Подвижный контакт установлен на направляющей колодке и контактодержателе. Контактное нажатие, создаваемое пружиной, регулируется шайбами. Работа главных контактов облегчается двойным разрывом цепи с гашением дуги в замкнутом пространстве дугогасительной камеры 3, имеющей основание и крышку 16, изготовленные из дугостой-ких пресс-материалов.
Подвижная система, состоящая из скобы и планки 15, связана шарнирно с якорем. На планке 15 крепятся, помимо узла подвижных главных контактов, подвижные части вспомогательных контактов. С помощью рычагов подвижная система уравновешена грузом 7 противовеса.
Электромагнитная система состоит из сердечника 14, Т-образного якоря й втягивающей катушки 12 постоянного тока.
Все узлы контактора крепятся на металлическом основании /.
Электромагнитные контакторы предназначены для коммутаций электрических цепей постоянного тока.
Рис. 120. Контактор КМ-2334: / — основание; 2 — выводы; 3 — дугогаси-тельнзя камера; 4 — неподвижный контакт; 5 — перекидной вспомогательный контакт; 6, 8 — скобы; 7 — груз; 9 — клиновой вспомогательный контакт; 10 — скоба подвижной системы; // — якорь; 12 — втягивающая катушка; 13 — рычаг; 14 — сердечник; 15 — планка; 10 — крышка
Контакторы МК1, МКЗ в значительной мере унифицированы. Все конструктивные элементы каждого из контакторов МК1, МКЗ (рис. 121) собраны в скобе 1. Якорь вращается на призмах, поджимаемых пружинами 8. Главная контактная система состоит из контактной колодки 9 с неподвижными контактными скобами и дугогаси-тсльными катушками и траверсы 10 с контактными мостиками и дугогасительной камерой 11. В колодке 9 установлены подпружиненные колодки 12, предназначенные для удерживания дугогасительной камеры. Вспомогательная контактная система состоит из контактных колодок 6 с закрепленными на них скобами неподвижных контактов и траверсы 7 с подвижными контактными мостиками. Магнитная система двухкатушечная.
Контакторы МК6 (рис. 122), предназначенные для коммутации силовых цепей постоянного тока, имеют моноблочную конструкцию. Все элементы контактора собираются на скобе 1. Магнитная система — двухкатушечная. Якори 10, 16 вращаются на осях 14, 15, зафиксированных в колодках 11, 8. На колодку 11 действуют пружины 12.
Система главных контактов состоит из контактных колодок 8, 11 и установленных на них неподвижных башмаков 7. В колодках 8, 11 закреплены также защелкивающие скобы 3, предназначенные для удержания дугогасительной камеры 4.
Рис: 121. Контакторы МК1, МКЗ;
- скоба; 2, 6, 9, 12 — колодки; 3 — катуш-4 — пластина; 5 — винт; 7 — траверса;6- пружина; 10 — траверса; 11 — дугогасительная камера; 13 — якорь
Рис. 122. Контактор МКо: / — скоба; 2 — катушка; 3 — защелкивающаяся скоба; 4 — дугогасительная камера; 5 — траверса; 6 — контактный мостик; 7 — башмак неподвижного контакта; 8, 11 — колодки; 9 — блок вспомогательных контактос; 10, /,6 — якори; 12 — пружина; 13 — толкатель; 14, 15 — оси
Система' вспомогательных контактов состоит из двух блоков контактов 9, которые крепятся неподвижно на скобе /.
Контакторы полярны, так как содержат в дугогасительной камере постоянные магниты. Поэтому при установке контакторов на тепловозах необходимо соблюдать полярность подключения выводов главных контакторов и установки дугогасительной камеры на контакторе.
Автоматические воздушные выключатели предназначены для токовой защиты электрических установок при перегрузках и коротких замыканиях, а также для нечастых оперативных коммутаций электрических цепей.
На тепловозах 2ТЭ116 последнего выпуска применены автоматические выключатели серий АЕ2500 и А3700.
Выключатели серии АЕ2500 одно- и двухполюсные предназначены для защиты и коммутации цепей постоянного тока напряжением ПО В; выключатели серии А370 предназначены для защиты и коммутации цепей переменного (асинхронные двигатели вентиляторов тяговых электродвигателей выпрямительной установки и холодильной камеры) и постоянного (двигатель компрессора) тока.
Выключатель состоит из механизма управления, контактной системы, дугогасительного устройства, максимальных электромагнитных и тепловых расцепителей тока, основания и крышки.
Механизм управления выключателей обеспечивает свободное расцепление, моментное включение и отключение контактной системы как при автоматическом, так и при ручном управлении.
Электромагнитный максимальный расцепитель тока обеспечивает защиту цепи от токов короткого замыкания, превышающих
уставку по току срабатывания. Тепловой максимальный разделитель тока обеспечивает защиту от токов перегрузки.
Рукоятка выключателя является указателем коммутационного положения. Эти положения обозначены на корпусе выключателя: "О" — отключенное, "1" — включенное. Включение выключателя после автоматического срабатывания производят перемещением рукоятки в положение "О", а затем поворотом в положение "1". Выключатели не пригодны для ремонта. Однако выключатели А3700 нуждаются в периодическом контроле состояния контактов (провала и толщины металлокерамического слоя, которые должны быть не менее 0,5 мм).
Промежуточные реле применены для дистанционного управления в электрических цепях.
Реле ТРПУ-1 (рис. 123) работает по принципу электромагнита. Электромагнит клапанного типа состоит из скобы 11, сердечника 10 с катушкой 9 и плоского якоря 8. Ход якоря ограничивается угольником 7; возврат якоря происходит под действием пружины 13. На якоре установлена пластмассовая траверса 6, воздействующая на подвижные пластины замыкающих 3 и размыкающих 4 контактов. На траверсе имеются три перегородки, разделяющие вертикальные ряды контактов, что препятствует перебросу" дуги при коммутации цепей, в которых протекают большие токи, двумя рядом расположенными контактами. Контактные пластины, выводы катушки и электромагнит зафиксированы на пластмассовом корпусе / и закрыты кожухом 2.
При подаче напряжения на катушку якорь реле притягивается к скобе, воздействуя на траверсу, что приводит к замыканию замыкающих и размыканию размыкающих контактов. При снятии напряжения с катушки возвратная пружина возвращает якорь в исходное положение, при этом происходит размыкание замыкающих контактов и замыкание размыкающих.
Реле РПУЗ (рис. 124) имеет магнитную систему клапанного типа. Электромагнит состоит из катушки 5, скобы магнитопровода 6, сердечника 4, якоря 3 с немагнитной пластиной 2 и толкающей колодкой 7. Сердечник предохраняется от проворота плоской пружиной. Контактная система мостикового типа состоит из двух колодок 9 с неподвижными контактами 10 и траверсы 8 с контактными мостиками //. Регулировочная пластина 12 служит для согласования положения контактов 10 и мостиков относительно колодки.
Реле времени предназначены для создания временных интервалов в работе электрической схемы согласно алгоритму реализуемого процесса. Реле обеспечивают выдержку времени между подачей или снятием напряжения и срабатыванием контактной системы.
Для резисторного пуска компрессора предназначено реле РВ1, для задержки выключения поездных контакторов ПІ—П6, подключения резистора ССБ2 и выключения контактора П7 —- реле РВЗ, РВ4 и РВ5 соответственно.
Реле РВПІ, РВП2 участвуют в процессе пуска дизеля, а РВТ1 и РВТ2 в работе электродинамического тормоза тепловоза.
Выдержка времени реле РЭВ-812 (рис. 125) осуществляется при отключении катушки реле за счет замедленного спадания потока в магнитном сердечнике. При отключении катушки и спадании потока в демпфере 3 из медной втулки и алюминиевом демпфере 10, установленных соответственно на сердечнике 6 и угольнике 11, наводятся токи самоиндукции. Они препятствуют уменьшению основного магнитного потока и тем самым увеличивают время до отпадания якоря 8. Выдержка времени регулируется подбором толщины немагнитных прокладок 7 (грубая регулировка) и изменением натяжения возвратной пружины 9 (точная регулировка).
Реле времени ВЛ-50 и ВЛ-52 представляют собой малогабаритные полупроводниковые блоки со встроенными выходными электромагнитными реле.
В схему реле ВЛ-50 (рис. 126) входят блок питания со стабилизацией выходного напряжения (выпрямитель ВП, резисторы К1, R3, стабилитрон Д1), генератор импульсов и их счетчик (микросхема У), каскад установки нуля (транзистор Т1), выходной усилитель (транзисторы Т2—Т4) и реле Р. При поступлении напряжения каскад установки нуля устанавливает счетчик в нулевое состояние. Потенциал на его выходе низок, транзисторы Т2—Т4 закрыты, реле Р обесточено. Генератор импульсов, состоящий из порогового усилителя, собранного на микросхеме У типа 512 ПС8, конденсаторов С4, С5 и резисторов R13—R23, вырабатывает импульсы, поступающие на вход счетчика. Когда количество импульсов становится равным коэффициенту пересчета счетчика, на его выходе появляется сигнал, поступающий в усилитель, и реле Р включается. Через открывшийся диод Д2 на генератор подается высокий потенциал — генерация импульсов и выдержка времени заканчиваются. При снятии напряжения питания схема возвращается в исходное состояние.
Рис. 125. Реле времени РЭВ-812: / — алюминиевое основание; 2 — шайба; 3 — съемный демпфер; 4 — бандаж; 5 — каркас; 6 — сердечник; 7 — немагнитная прокладка; 8 — якорь; 0 — отжимная пружина; 10 —-- алюминиевый демпфер; //, 14 — угольники; 12 — планка; П — пластина; 15 — возвратная пружина; 16, 17 — неподвижные и подвижные контакты
Схема реле ВЛ-52 отличается тем, что для получения выдержек времени до 100 мин в нем применен счетчик с большим коэффициентом пересчета. С этой целью выводы 7 и 9 микросхемы У подключены к положительной шине питания (аналогично выводам 15 и 16), а вход усилителя (резистор R9 и диод Д2) подключен к выводу 2 микросхемы.
Выдержка времени задается зарядными резисторами R13—R23, сопротивление которых регулируется переключателями. Оси переключателей выведены на переднюю панель реле и имеют шлицы под отвертку.
Электромагнитные реле типов РМ1000 и РМ2000 предназначены для защиты силовой цепи тепловоза. Реле РМ1110 — 0,04 А используются для защиты при замыкании на землю, а реле PMI 110 — 0,2 А — для защиты при нарушении цепи возбуждения тягового электродвигателя.
Основными частями реле шипа РМ1000 (рис. 127) являются электромагнит и блок контактов, установленные на основании 8. Электромагнит состоит из ярма 22, плоского якоря 11, сердечника 16, удерживающей 17 и рабочей 18 катушек, включенных согласно. Блок контактов представляет собой изоляционную колодку 9, на которой укреплены размыкающие и замыкающие контакты, каждый из которых состоит из двух пар контактов,- соединенных последовательно.
Усилия удерживающей катушки недостаточно для включения реле. При коротком замыкании в защищаемой реле цепи через рабочую катушку протекает ток, и реле включается. Траверса 10, укрепленная на якоре 11, перемещается, что вызывает переключение контактов. При снятии напряжения с рабочей катушки якорь остается притянутым к сердечнику под действием удерживающей катушки. Чтобы вернуть якорь в отключенное положение, нужно снять напряжение с удерживающей катушки.
Рис. 127- Реле типа РМІООО: / — вывод катушки; 2, 6, 12 — вмиты; 3 — противовес; 4 — пружина; 5 — ось; 7 — пластина; с? — основание; 9 — колодка; 10 — траверса; / / ' — якорь; 13, 20 — гайки; 14 — скоба; 15 — кольцо; 16 — сердечнії к; 17 — уде р ж и ва ю та я катушка; 18 — рабочая катушка; 19 — пломба; 21 — кожух; 22 — ярмо; 23 — упор; 24 — стопор; 25 — контактный болт
Ход якоря регулируют винтом 12, после чего винт закрепляют гайкой 13. Подрегулировку включения реле производят упором (винтом) 23, изменяющим нажатие возвратной пружины 4. Упор 23 фиксируется стопором 24.
Реле типа РМ2000 аналогичны по конструкции реле типа РМ1000, однако у них обе катушки соединены последовательно и выполняют общую функцию электромагнитного включения реле, когда ток, протекающий через катушки, достигает величины уставки. Реле имеет высокий коэффициент возврата. Рабочий режим катушки является длительным. Такие реле используются для защиты при превышении максимально допустимого тока торможения тяговых электродвигателей в режиме ЭДТ (реле РМ2103), а также при междуфазных коротких замыканиях в тяговом генераторе и выпрямительной установке (реле РМ2112).
Тяговый электромагнит ЭТ-52Б (рис. 128) предназначен для работы в системе объединенного регулятора дизеля. Он представляет собой прямоходовой электромагнит. В корпусе электромагнита размещены катушка и якорь. Возвратной пружины электромагнит не имеет. Крепят электромагнит ЭТ-52Б с помощью резьбовой части корпуса. Ход якоря электромагнита регулируют регулировочными винтами.
Индуктивный датчик ИД-42 (рис. 129) — это бесконтактный аппарат, у которого при линейном перемещении подвижной части — якоря 4 — изменяется полное электрическое сопротивление катушки 2. Катушка и якорь размещены в корпусе 3. Якорь датчика сочленяется со штоком сервомотора регулятора мощности дизеля.
Электропневматические вентили ВВ-1000 (рис. 130) предназначены для дистанционного управления пневматическими приводами тепловоза и представляют собой трехлинейные двухпозиционные пневморасп-ределители с электромагнитным приводом и пружинным возвратом. Пневмораспределитель и электромагнит соединены между собой двумя болтами и являются автономными узлами вентиля.
Клапанный механизм вентиля состоит из корпуса 28, расположенных в нем верхнего 5 и нижнего 3 затворов и заглушки /, установленных по подвижной посадке и уплотненных резиновыми кольцами 27.
Затворы и заглушка фиксируются в корпусе пружинными кольцами 7 и дистанционной втулкой 31. Клапан удерживается в исходном положении пружиной 29 и штоком 32. Электромагнит вентиля состоит из ярма 8 с катушкой 11 и установленных в нем по неподвижной посадке втулки 13 с якорем 12 и сердечника 10 со штоком 9. Втулка 13 фиксируется в ярме планкой 15. Для защиты полости электромагнита от загрязнения служат резиновый колпачок 16 и кольца 14.
Рис. 129. Индуктивный датчик ИД-42: / — втулка; 2 — катушка; .? — корпус; 4 — якорь; 5 — штепсельный разъем; 6 — коробка выводов; 7 — уплотнительная прокладка
Рис. 130. Электропневматический вентиль ВВ-1000: а — общий вид включающего вентиля; б — клапанный механизм выключающего вентиля; / — заглушка; 2, 13, 31 — втулки; 3, 5 — нижний и верхний затворы; 4, 9, 32 — штоки; 6, 18, 26, 30 — прокладки; 7, 14, 27 — кольца; 8 — ярмо; 10 — сердечник; // — катушка; 12 — якорь; 15 — планка; 16 — колпачок; 17, 19, 20, 21 — шайбы; 22 — гайка; 23 — винт; 24 — крышка; 25 — трубка; 28 — корпус; 29 — пружина
Для ручного включения вентиля (аварийная ситуация, наладочные работы и др.) имеется кнопка, выполненная заодно с якорем 12 и закрытая резиновым колпачком 16.
Трансформаторы, примененные на тепловозе, предназначены для преобразования по величине переменного напряжения и распределения его для питания различных цепей (ТР-20М, ТР-2Ш, ТР-26М), а также для преобразования тока (ТПТ-23М, ТПТ-24М, ТТ-ЗОМ) и напряжения (ТПН-61), пропорциональных току и напряжению силовой цепи, в сигналы обратной связи для автоматического регулирования тяговой электропередачи.
Трансформаторы ТР-20М (ТР-21М, ТР-26М) состоят из сердечника (намотанной в виде кольца ленты электротехнической стали) и обмоток, расположенных на сердечнике. Концы обмоток припаяны к выводам, размещенным на изоляционной панели. Сердечник, обмотки и панель залиты компаундом на основе эпоксидной смолы. Слой эпоксидной смолы на торце, противоположном панели выводов, служит привалочной поверхностью для крепления трансформатора на тепловозе. Трансформатор крепят болтом, проходящим через его центральное отверстие.
Ток, протекающий в первичной обмотке трансформатора, создаст магнитный поток в замкнутом сердечнике. Во вторичных обмотках этот поток индуктирует переменное напряжение, величина которого зависит от соотношения количества витков первичной и вторичной обмоток.
Трансформаторы постоянного тока типа ТПТ-20 (ТПТ-23М и ТПТ-24М), работающие по принципу магнитного усиления, состоят из двух кольцевых сердечников, выполненных из железони-келевого сплава. На каждый сердечник намотана рабочая обмотка, состоящая из четырех секций, соединенных параллельно. Электрические схемы этих трансформаторов приведены на рис. 131.
Управляющей обмоткой служит силовая шина, пропущенная через центральное отверстие трансформатора. Сердечники с рабочими обмотками и шпильками залиты компаундом на основе эпоксидной смолы. К шпилькам крепятся угольники, с помощью кото-рых^трансформатор устанавливается на тепловозе.
'Трансформатор постоянного напряжения ТПН-61 состоит из двух кольцевых сердечников, выполненных из железоникелевого сплава, на каждый из которых намотана рабочая обмотка. Управляющая обмотка охватывает оба сердечника. Сердечники с обмотками залиты компаундом на основе эпоксидной смолы. Болт, с помощью которого трансформатор устанавливают на тепловозе, проходит через центральное отверстие трансформатора. Электрическая схема трансформатора приведена на рис. 132.
Трансформатор ТТ-ЗОМ имеет тороидальный ленточный сердечник. Первичная обмотка намотана гибким изолированным проводом марки ПШ, вторичная,— эмальпроводом марки ПЭТ В. Концы обмоток подпаяны к выводам, укрепленным на изоляционной шайбе. Сердечник, обмотки и изоляционная шайба залиты компаундом на основе эпоксидной смолы. Трансформатор крепится болтом, проходящим через его центральное отверстие. Электрическая схема трансформатора приведена на рис. 133.
Полупроводниковые устройства служат дл£ автоматизации процессов управления электропередачей, пуска дизеля, стабилизации напряжения стартер-генератора и преобразования переменного тока в выпрямленный.
Рис. 131. Электрическая схема трансформатора постоянного тока типа ТПТ-20
Рис. 132. Электрическая схема трансформатора постоянного напряжения ТПН-61
Выпрямительная установка В-ТППД-5,7К-750 на лавинных диодах ДЛ161 -200-9-1,17-1,24 предназначена для питания выпрямленным током тяговых электродвигателей.
Электрическая схема установки (рис. 134) представляет собой два трехфазных моста, питаемых от синхронного генератора, ста-торные обмотки которого сдвинуты на 30 электрических градусов друг относительно друга. Каждый мост состоит из шести плеч (по два на каждую фазу), каждое плечо — из десяти параллельно соединенных ветвей, в каждой ветви по два последовательно соединенных диода.
Конструкция шкафа установки обеспечивает двустороннее обслуживание. На каждой стороне шкафа размещен один трехфазный мост. Диоды с охладителями собраны в отдельные блоки по 20 шт. в каждом. На каждой стороне расположено по 6 блоков. Все блоки съемные, что обеспечивает доступ для очистки воздушного канала и смены охладителей. Диоды охлаждаются воздухом от вентилятора с электроприводом, установленного над шкафом. Двери шкафа оборудованы блокировочными контактами (конечными выключателями), которые при открытии дверей разрывают цепь возбуждения генератора, снимая тем самым напряжение, подводимое от генератора к установке. Снизу и сверху шкафа имеются фланцы для присоединения к системе охлаждающего воздуха.
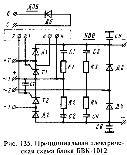
Блок кремниевых выпрямителей БВК-1012А предназначен для управления питанием обмотки возбуждения тягового генератора тепловоза. В блоке имеются управляемый выпрямитель возбуждения (УВВ) и диод заряда батареи (ДЗБ). Принципиальная электрическая схема блока приведена на рис. 135.
Внешнее присоединение цепей управления осуществляется с помощью штепсельного разъема, а силовых цепей*— с помощью контактных болтов. Диод заряда батареи служит для предотвращения протекания тока от аккумуляторной батареи через якорь стартер-генератора после остановки дизеля.
Блоки кремниевых выпрямителей БВК-140,, БВК-220А, БВК-250, БВК-320 представляет собой изоляционные панели с полупроводниковыми элементами, установленные в разборный металлический корпус. Схемы блоков показаны на рис. 136. Внешнее присоединение цепей осуществляется с помощью штепсельного разъема.
Блок выпрямителей БВ-1203А представляет собой набор диодов, соединенных по мостовой шестифазной схеме и работающих на общую нагрузку (рис. 137).
Назначение блока — выделение сигнала при боксовании части тяговых электродвигателей тепловоза. Блок БВ-1203А представляет собой изоляционную панель с элементами схемы, установленную в кассету, которая вставлена в металлический корпус. Подключение блока к электрической схеме тепловоза осуществляется посредством штепсельного разъема.
Рис. 136. Принципиальные электрические схемы блоков БВК-140 (а), БВК-220А (б), БВК-250 (в), БВК-320 (<г)
Рис. 137. Принципиальная электрическая схема блока 15В-1203
Тахометрический блок БА-430 служит для получения выходных напряжений, пропорциональных частоте вращения коленчатого вала дизеля.
Блок состоит из насыщающегося трансформатора Тр1 (рис. 138), компенсирующего трансформатора Тр2, выпрямительного моста В, сглаживающего фильтра и резистора Л, размещенных в металлическом корпусе. Среднее значение напряжения на вторичных обмотках трансформатора Тр] после насыщения его сердечника зависит только от частоты питающего напряжения, т. е. от частоты вращения вала возбудителя и, следовательно, коленчатого вала дизеля. Однако изменение индукции сердечника после его насыщения, обусловленное нсидеальностью петли гистерезиса, вносит погрешность в зависимость напряжения от частоты. Для устранения ее служит компенсирующий трансформатор Тр2. Э. д. с. его вторичной обмотки компенсирует ту часть э. д. с. вторичной обмотки трансформатора Тр], которая обусловлена изменением намагничивающего тока при насыщении его сердечника. Выходное напряжение трансформаторов выпрямляется мостом В и сглаживается фильтром.
Насыщающийся трансформатор имеет кольцевой сердечник из пермаллоя, компенсирующий трансформатор —- кольцевой альси-феровый сердечник. Обмотки трансформаторов залиты эпоксидным компаундом. Выпрямительный мост В состоит из четырех кремниевых диодов Д234Б, закрепленных на алюминиевых радиаторах. Сглаживающий фильтр состоит из дросселя Др с Ш-образным сердечником, имеющим воздушный зазор, и электролитического конденсатора С (К50-20-160-100 мкФ). Конденсатор и диоды смонтированы на изоляционной панели. Воздушный зазор дросселя можно регулировать.
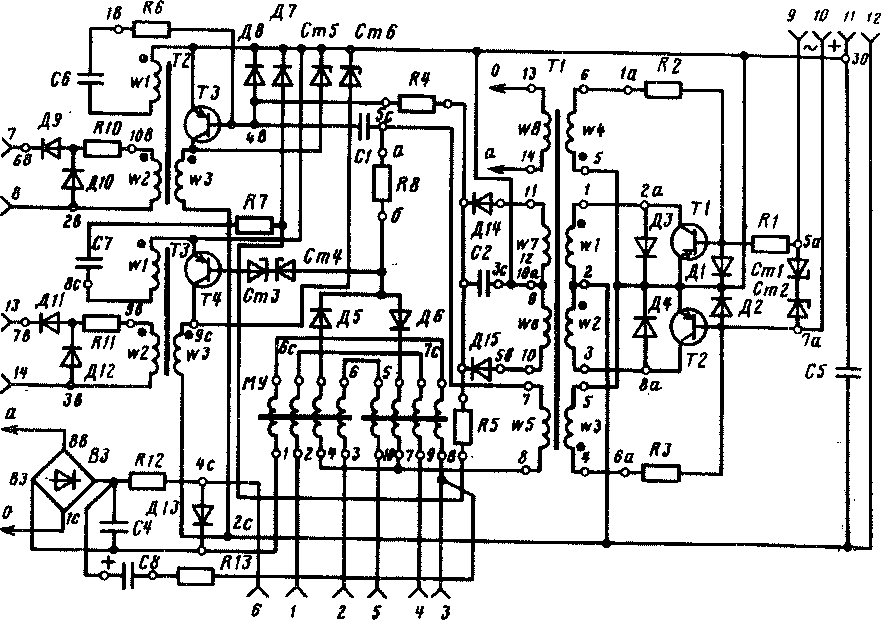
Блок управления БА-520 предназначен для управления блоком БВК-1012А в зависимости от параметров тягового или тормозного режимов.
Блок состоит из следующих функциональных узлов (рис. 139): синхронизирующей цепи СЦ: ведомого преобразователя напряжения ПН; широтно-импульсного модулятора ШИМ; распределительной цепи РЦ; блокинг-генераторов БГ1, БГ2. Входное напряжение переменного тока с обмотки распределительного трансформатора Тр1, первичная обмотка которого подключена к синхронному возбудителю ВС-650В, подается в синхронизирующую цепь СЦ, осуществляющую переключение транзисторов преобразователя напряжения ПН синхронно с частотой напряжения питания БВК-1012А. ПН питает широтно-им-пульсный модулятор ШИМ, который через распределительную цепь РЦ запускает поочередно блокинг-генераторы БГ1 и БГ2, формирующие импульсы напряжения заданной длительности. Импульсы с блокинг-генераторов подаются в цепи управления тиристорами управляемого выпрямителя. Фаза импульсов
управления относительно напряжения синхронизации определяется сигналом рассогласования от селективного узла и блока задания (БЗВ). Принципиальная схема блока управления БА-520 приведена на рис. 140.
Синхронизирующая цепь СЦ, предназначенная для синхронизации по частоте напряжения преобразователя ПН с напряжением синхронного возбудителя ВС-650В, содержит встречно включенные стабилитроны Ст1 и Ст2 и резистор Я1, Напряжение от синхронного возбудителя (напряжение синхронизации) подается на контакты 9 и 10 штепсельного разъема блока. При этом цепь СЦ обеспечивает переключение транзисторов ТІ и Т2 преобразователя напряжения постоянным по величине сигналом независимо от входного переменного напряжения, которое изменяется в широких пределах. Диоды ДІ и Д2 в один полупериод входного напряжения переменного тока пропускают ток по цепи: контакт 9, резистор К1, диод Д1, переход эмиттер-база транзистора Т2, контакт 10; во второй полупериод — по цепи: контакт 10, диод Д2, переход эмиттер-база транзистора ТІ, резистор К1, контакт 9. Это приводит к поочередному переключению транзисторов 77 и 77.
Рис. 140. Принципиальная электрическая схема блока управления БА-520
Двухтактный преобразователь напряжения ПН предназначен для преобразования постоянного напряжения в переменное с частотой, определяемой входным напряжением синхронизации. Переменное напряжение необходимо для питания ШИМ, а также для получения изолированных источников постоянного тока с целью подачи положительного напряжения смещения на переходы эмиттер-база транзисторов ТЗ и Т4 блокинг-генераторов и для питания токоограничительного узла.
Преобразователь состоит из трансформатора Тр1, сердечник которого выполнен из электротехнической стали, транзисторов 77, Т2, резисторов Я2, КЗ, диодов ДЗ, Д4, выпрямителя на диодах Д15, Д14, выпрямительного моста ВЗ конденсаторов С2, С4.
Трансформатор Тр1 имеет коллекторные обмотки \¥1, \У2, базовые обмотки ]УЗ, \¥4 и выходные обмотки Ж5, \¥6, \У7, \¥8. Параметры цепи обратной связи преобразователя, образованные базовыми обмотками и резисторами К2, ЯЗ, выбраны так, что обеспечивают работу транзисторов 77 и Т2 в режиме переключения. Выходная обмотка Ж5 питает ШИМ. Выходные обмотки \У6, \¥7, \¥8 совместно с выпрямительным мостом ВЗ, диодами Д14, Д15 и конденсаторами С2, С4 образуют изолированные источники постоянного тока.
Широтно-импульсный модулятор ШИМ предназначен для изменения фазы выходных импульсов блокинг-генераторов относительно входного переменного напряжения в зависимости от величины сигнала рассогласования на его входе. Он представляет собой магнитный усилитель с отрицательной внутренней обратной связью и выходом на переменном токе. Магнитный усилитель имеет три обмотки управления с одинаковыми параметрами. Сигнал рассогласования, подводимый к контактам 3 и 6 штепсельного разъема, через токоограничительный узел, состоящий из выпрямительного моста ВЗ, резистора Я12, конденсатора С4 и диода Д13, поступает на обмотку управления 1—8, работающую в режиме тяги. Вторая обмотка управления 3—10 используется в узле стабилизации, а третья обмотка управления 2—9 обеспечивает формирование характеристик тормозного режима. Импульсы для запуска блокинг-генераторов снимаются с резистора нагрузки К8.
1 Для обеспечения надежного включения тиристоров управляемого | выпрямителя возбуждения служит дифференцирующая цепь, в которую входят конденсатор С8 и резистор Я13. В момент появление напряжения на выходе моста ВЗ происходит зарядка конденсатора С8 через резистор Я13 и обмотку управления. Ток заряда конденсатора, протекая через обмотку управления, обеспечивает появление импульсов напряжения на контактах 7, 8 и 13, 14, сдвинутых по фазе не менее чем на 90 электрических градусов.
Распределительная цепь РЦ предназначена для формирования импульсов, запускающих блокинг-генераторы от переднего фронта импульсов напряжения на резисторе Я8, и распределения их в зависимости от полярности резистора Я8 между блокинг-генератора-ми. РЦ состоит из стабилитронов СшЗ, Сш4, конденсатора С1, диодов Д7, Д8. Стабилитроны СшЗ, Сш4 исключают ложный запуск блокинг-генераторов при перемене полярности напряжения преобразователя.
Блокинг-генераторы БГІ и БГ2 предназначены для формирования импульсов управления тиристорами управляемого выпрямителя возбуждения. В состав БГ1 входят транзистор ТЗ, трансформатор Тр2, диоды Д9, Д10, резисторы Я4, Кб, К10, конденсатор С6; в состав БГ2 — транзистор Т4, трансформатор ТрЗ, диоды ДІЇ, Д12, резисторы Л5. /?7, /?//, конденсатор С7.
Трансформатор каждого блокинг-генератора имеет три обмотки: первичную ]¥3, обратной связи \¥1 и выходную \¥2.
Параметры схемы блокинг-генератора таковы, что степень положительной обратной связи (обмотка \¥1) выше критической, однако при отсутствии входного сигнала транзистор блокинг-генератора, например, транзистор ТЗ блокинг-генератора БГ1, полностью закрыт благодаря наличию нелинейности в цепи обратной связи (переход эмиттер—база) и дополнительному положительному напряжению смещения, подаваемому на базу транзистора ТЗ по цепи: обмотка \У7, диод Д14, резистор Я4, диод Д8. При поступлении запускающего импульса на транзистор ТЗ (когда потенциал точки а резистора Я8 положительный) по цепи: резистор Л8, стабилитроны Сш4, СшЗ, диод Д7, переход база—эмиттер транзистора ТЗ, конденсатор СУ, резистор Я8 транзистор открывается и удерживается в открытом состоянии за счет положительной обратной связи. Открытие транзистора ТЗ приводит к тому, что на выходе блока (контакты 7 и <? разъема) вырабатывается импульс напряжения заданной амплитуды и длительности. Длительность импульса определяется временем насыщения трансформатора Тр2. После запирания транзистора происходит размагничивание сердечника трансформатора.
При перемене полярности Я8 (положительный потенциал в точке б) запускающий импульс подается на транзистор Т4 по цепи: резистор Я8, конденсатор С1, диод Д8, переход база—эмиттер транзистора Т4, стабилитроны СшЗ, Ст4, резистор Я8. Вырабатывается импульс на другом выходе блока (контакты 13 и 14).
Стабилитроны Ст5 и Стб, подключенные между эмиттером и коллектором транзисторов ТЗ и Т4, защищают последние от повреждения при повышенном напряжении.
Блок управления состоит из двух одинаковых секций, помещенных в металлический корпус. Каждая секция имеет две панели.
Все полупроводниковые элементы, резисторы, конденсаторы собраны на печатной плате — правой панели. На левой панели размещены магнитный усилитель, два трансформатора блокинг-гене-раторов (Тр2, ТрЗ) и трансформатор преобразователя напряжения (Тр1). Магнитный усилитель и трансформатор блокинг-генераторов имеют кольцевые сердечники, трансформатор преобразователя — сердечник из электротехнической стали. Межпанельные соединения монтажных проводов выполнены при помощи разъемов типа РПЗ-ЗОА.
Тиристорний регулятор напряжения РНТ-6 предназначен для поддержания в заданных пределах напряжения стартер-генератора в генераторном режиме при изменениях в широких пределах его частоты вращения и нагрузки. Регулятор состоит из измерительного и регулирующего органов. В измерительном органе происходит сравнение регулируемого напряжения с эталонным. Он включает в себя стабилитроны Ст21—Ст24 (рис. 141), на которых формируется эталонное напряжение. Стабилитроны подключены к делителю напряжения, образованному резисторами Я15, Я1, Я2, ИЗ и питающемуся от стартер-генератора. Регулирующий орган преобразует поступающий от измерительного органа сигнал в серию импульсов, коэффициент заполнения которых пропорционален величине этого сигнала.
Регулирующий орган состоит из двух мультивибраторов, собранных на тиристорах. Вспомогательный мультивибратор собран

Рис. 141. Принципиальная электрическая схема регулятора напряжения РНТ-6
на тиристорах 77 и Т2, основной — на тиристорах 77 и ТЗ, Т4. Основной мультивибратор выполняет функции модулятора ширины импульсов. Его тиристор Т4 является одновременно выходным усилителем мощности. Тиристор ТЗ обеспечивает открытие тиристора Т4 при пониженном напряжении аккумуляторной батареи во время пуска .дизеля. С выхода усилителя импульс поступает в обмотку возбуждения стартер-генератора, где демодулируется с помощью диода Д8.
Регулятор напряжения > работает следующим образом. При включении контактора КРН его главные контакты замыкают цепь, по которой напряжение от аккумуляторной батареи подается на стабилитроны Ст25—Ст30 и Ст31—Ст35, включенные в цепи управления тиристорами соответственно Т2 и ТЗ. Происходит пробой указанных стабилитронов, и возникающие при этом тики управления открывают оба тиристора. При открытии тиристора ТЗ его анодный ток, проходя по цепи управляющего электрода тиристора Т4, в свою очередь открывает последний. При открытии тиристора Т4 тиристор ТЗ закрывается, так как напряжение на нем становится меньше напряжения включения. Открытие тиристоров Т2 и Т4 приводит к образованию цепей заряда конденсаторов С2 и СЗ, которые заряжаются до напряжения аккумуляторной батареи.
Регулятор устроен так, что при открытом тиристоре Т4 ток возбуждения стартер-генератора достигает значения, при котором напряжение стартер-генератора превышает НО В. При напряжении выше ПО В происходит пробой стабилитронов Д21 и Д24 в цепи управляющего электрода тиристора 77, и последний открывается. После открытия тиристора 77 напряжение конденсатора СЗ оказывается приложенным к тиристору Т4 в обратном направлении, и поэтому тиристор Т4 закрывается. Одновременно благодаря открытию тиристора 77 напряжение конденсатора С2 прикладывается к тиристору Т2 и закрывает его. Конденсатор С2, разрядившись, перезаряжается от источника питания через тиристор 77 и резисторы Мб, Я7. При напряжении на конденсаторе С2, достаточном для пробоя стабилитронов Д25—ДЗО, открывается тиристор Т2. Разрядный импульс конденсатора С2 закрывает тиристор 77. После окончания разряда конденсатора С2 тиристор 77 снова открывает , и зарядный импульс конденсатора С2 закрывает тиристор Т2.
Таким образом, в мультивибраторе, собранном на тиристорах 77 и Т2, возникают автоколебания с частотой /и определяемой постоянной времени цепи разряда конденсатора С2. При закрытии тиристора Т4 в обмотке возбуждения стартер-генератора возникает э. д. с. самоиндукции, под действием которой в контуре обмотка возбуждения — диод Д8 протекает ток, что способствует поддержанию тока возбуждения и, следовательно, напряжения на зажимах Я], Д2. Уменьшение тока возбуждения приводит к снижению напряжения стартер-генератора. Когда оно делается несколько меньше ПО В, то напряжение на входе цепи управления тиристором 77 становится недостаточным для пробоя стабилитронов Д21—Д24, и тиристор 77 закрывается. Автоколебания вспомогательного мультивибратора прекращаются. С этого момента тиристор остается открытым, создавая цепь заряда конденсатора С2 чер"з ре торы Е5, 1116. В процессе заряда конденсатора потенциал зажима 3 делается благодаря диоду Д2 выше потенциала измерительного органа. Когда он становится достаточным для пробоя стабилитронов Д31—Д35, открывается тиристор ТЗ, затем Т4. Ток возбуждения увеличивается, и напряжение стартер-генератора снова повышается, становясь несколько выше ПО В. Далее процесс повторяется. Таким образом, при установившемся напряжении стартер-генератора возникает устойчивый режим мультивибратора на тиристорах ГУ и ТЗ, Т4 с частотой колебаний /2, определяемой параметрами цепи возбуждения генератора и схемы регулятора напряжения. Среднее значение тока возбуждения зависит от так называемой скважности импульсов тока через тиристор Т4. Чем меньше скважность этих импульсов, т. е. чем дольше открыт тиристор, тем больше среднее значение тока возбуждения. При увеличении частоты вращения якоря стартер-генератора скважность импульсов тока через тиристор Т4 увеличивается, а среднее значение тока возбуждения уменьшается.
Комплектное устройство автоматики КУЛ-МБ предназначено для регулирования возбуждения тяговых электродвигателей в режиме электродинамического торможения. Кроме того, в тяговом режиме устройство обеспечивает переходы с полного возбуждения тяговых электродвигателей на ослабленное и ограничение их частоты вращения.
Более подробно о роли устройства в замкнутой системе автоматического регулирования говорится в главе VIII. Устройство представляет собой шкаф с блоками (рис. 142), закрытый съемной крышкой. Блоки крепятся к шкафу винтами через лицевую панель и соединяются с внешними электрическими цепями с помощью разъемов.
Рис. 142. Комплектное устройство автоматики КУА-14Б
Электроизмерительные приборы на тепловозе необходимы для измерения тока, напряжения, сопротивления изоляции, а также дистанционного контроля температуры и давления в системах дизеля.
Амперметры М42300 магнитоэлектрической системы включены в силовую цепь для контроля нагрузки тягового генератора, а также в цепь аккумуляторной батареи для измерения зарядного и разрядного токов. Так как амперметры не рассчитаны на протекание большого тока, их присоединяют проводами, имеющими строго определенное сопротивление, к измерительным шунтам, которые установлены в силовых цепях и имеют калиброванное сопротивление. У амперметра силовой цепи шкала от 0 до 6000 А, у амперметра цепи аккумуляторной батареи — шкала с нулем посредине U50—0—150 А) для показаний токов зарядки и разрядки.
Вольтметр М42300, измеряющий напряжение тягового генератора, имеет шкалу на 1 ООО В. Он включен через добавочный резистор.
Вольтметр M16JJ магнитоэлектрической системы служит для измерения напряжения и сопротивления изоляции низковольтных цепей постоянного тока. Шкала вольтметра на 120 В. Он оборудован двумя кнопками, позволяющими при измерении сопротивления изоляции производить контроль как в плюсовой, так и в минусовой цепях тепловоза путем изменения подключения вольтметра. При нажатии кнопки "+" или "—" происходит замыкание на корпус на плюсовой или минусовой стороне вольтметра. Для определения по показанию вольтметра сопротивления изоляции пользуются табличкой, помещенной рядом с прибором.
Электрические термометры ТП-2 предназначены для дистанционного измерения температуры воды и масла дизеля. В комплект термометра входят указатель (измеритель) ТУЭ-8А и датчик (приемник) ПП-2. Указатель устанавливают на пульте машиниста, а датчик — в трубопровод соответствующей системы охлаждения дизеля. Принцип действия электрического термометра основан на том, что при изменении температуры измеряемой среды изменяется сопротивление теплочувствительного элемента датчика, включенного в одно из плеч моста (рис. 143). В результате этого изменяется отношение токов в рамках магнитоэлектрического ло-гометра, и стрелка прибора занимает положение, соответствующее измеряемой температуре.
Рис. 143. Структурная схема электрического термометра ТП-2: / — датчик; И — указатель
Рис. 144. Пожарный локомотивный вещатель ИПЛ: / — основание; 2 — крышка; J — пружинный контакт; 4 — плавкая заклепка
Электрические манометры ИД1 предназначены для дистанционного измерения давления масла в системе дизеля. Устройство прибора аналогично устройству термометра ТП-2 (лого-метрический указатель и датчик), однако разбаланс в одном из плеч логометрической схемы получается за счет изменения индуктивного сопротивления обмотки в датчике в результате перемещения внутри нее сердечника, приводимого мембраной, на которую воздействует
измеряемое давление. Обмотка питается переменным (прерывистым) током от преобразователя, встроенного в указательную часть прибора.
Калиброванные стационарные шунты. 75 ШСМ предназначены для расширения пределов измерения амперметров постоянного тока. Шунты выполнены в виде пластин из манганина, впаянных твердым припоем в наконечник из латуни или меди. Наконечники имеют винты для присоединения приборных проводов и отверстия для токощедущих зажимов — болтов.
Пожарный локомотивный извещатель ИПЛ (датчик пожарной сигнализации) предназначен для включения сигнализации при превышении температурой окружающего воздуха допустимого значения. Извещатель (рис. 144) состоит из основания I и крышки 2. В крышке закреплены два пружинных контакта 3, соединенных между собой заклепкой 4. При повышении температуры до 105—120 °С заклепка расплавляется, и контактные пружины расходятся на 6—8 мм, разрывая электрическую цепь.
Штепсельные разъемы состоят из двух частей: колодки, имеющей фланец, который служит для крепления разъема на агрегатах, приборах, блоках, и вставки, снабженной накидной гайкой и предназначенной для соединения кабеля или проводов с колодкой. Буквенные и цифровые обозначения разъема, например, СШР48П26ЭШЗ означают следующее: С11.1Р — специальный штепсельный разъем; 48 — посадочный диаметр корпуса; П — прямой корпус; 26 — общее число контактных пар; Э — экранированный присоединительный кабель (Н — неэкранироваиный); Ш — в колодке расположены штыри (Г — гнезда); 3 — условное обозначение сочетания контактных пар по каталогу.
Штепсельные розетки РЗ-8Б служат для включения двухполюсных штепселей переносных ламп и электронагревательных приборов.
Нажимные и рычажные конечные выключатели ВПК-2120 и ВК-200Б служат для электрического блокирования цепи включения пусковых контакторов при опущенном на венец шестерни коленчатого вала червяке валоповоротного механизма дизеля (БВМ), при открытых дверях камер электрооборудования (БД1, БД2)и выпрямительной установки (БВУ). Они переключают контакты при нажатии на их шток или рычаг с установленным на его конце роликом. Возвращаются контакты в исходное положение пружиной.
Рис. 145. Панель с резистором ПС-50: 1 — контактный зажим; 2 — держатель; 3 *-соединительный провод; 4 — хомут; 5 — цн лнндр с намоткой
Резисторы и предохранители установлены в цепях регулирования и управления тепловозом.
Применяются три типа резисторов:
панели с резисторами ПС-50 с проволочными элементами резисторов типа CP;
панели с резисторами ПС-20, ПС-40 с проволочными эмалированными элементами резисторов типов ПЭВ, ПЭВР, С5-35В. С5-36В;
ленточные резисторы ЛР, ЛСО.
Панели с резисторами ПС-50 (рис. 145) представляют собой изоляционные панели с полыми фарфоровыми цилиндрами, на которые намотана проволока высокого электрического сопротивления.
К торцам цилиндра с помощью шпильки крепятся металлические держатели 2, на которых установлены контактные зажимы 1 для подсоединения монтажных проводов. К зажимам подходят также провода 3 от регулировочных хомутов 4, с помощью которых устанавливается требуемое сопротивление секции резистора.
Панели с резисторами ПС-20, ПС-40 представляют собой изоляционные панели, на которых установлены элементы резисторов мощностью 50 и 100 Вт. Элементы выполнены в виде полых керамических трубок, на которые намотана проволока из нихрома или константа на, покрытая теплостойкой эмалью. Элементы резисторов могут быть нерегулируемыми (ПЭВ, С5-35В) или регулируемыми (ПЭВР, С5-36). У последних на поверхности проволоки имеется свободная от эмали дорожка для возможности регулировки сопротивления с помощью хомута.
Ленточные резисторы ЛР (рис. 146) имеют элементы, выполненные из зигзагообразно изогнутой ленты. Лента из прецизионных сплавов обладает высоким электрическим сопротивлением. Элемент закрепляется с помощью стальных держаталей между изоляторами; изоляторы стягиваются шпильками. Прямолинейные участки ленты имеют выштампованные в продольном направлении гофры, придающие ленте жесткость.
Ленточные резисторы ЛР выполняют из одного или двух элементов, в последнем случае элементы устанавливают друг над другом и стягивают болтами.
В ленточных резисторах ЛСО на ленте выштампованы турбу-лизаторы. для улучшения охлаждения ленты. Лента в местах перегиба крепится держателями, компенсирующими температурные изменения ленты и возможные технологические, отклонения.
Резисторы ЛСО на тепловозе компонуются в блоки с принудительным охлаждением.
Предохранители ЛП-5011 (ПРВ), ПП-4010 (ПР-4, ПР-5) предназначены для защиты от перегрузок различных электрических цепей тепловоза. Панель с предохранителем представляет собой изоляционное основание из асбоцемента или пресс-материала с укрепленными на нем контактными стойками и крепежными деталями для присоединения к защищаемым цепям.
Для установки нескольких предохранителей панели соелимяют вместе посредством двух шпилек.
Колодки выводов представляют собой набор изоляционных контактных зажимов, собранных на одной стяжной шпильке, боковых изоляционных стенок и металлических лапок с отверстиями для крепления. Колодки типа СК-2В имеют 10 контактных зажимов. Они рассчитаны на номинальный ток до 20 А и номинальное напряжение ПО В и отличаются от ранее выпускавшихся колодок СК-2, СК-2А, СК-2Б тем, что выполнены из цельнопрессова и ной панели из термореактивной пластмассы, обеспечивающей повышенную прочность панели, стабильность присоединительных и установочных размеров, ремонтопригодность и простоту обслуживания в эксплуатации.










