10.1. Пневматический тормоз
До 1985 г. тепловозы оборудовались пневматическим тормозом, схема которого показана на рис. 103. С 1985 г. применяется новая схема (рис. 104). Обе схемы обеспечивают синхронизацию работы компрессоров и управления автотормозами соединенных поездов, сигнализацию при обрыве тормозной магистрали, а также автоматическое отключение тягового режима тепловоза с подачей

Рис ЮЗ Схема пневма
/, 31—манометры тормозных цилиндров; 2, ЗО манометри тормозной н питательной магистра, ей (5— маномеїр уравнительного резервуара; 7 — резервуар уравнительный. 8 -клапан элсктролневмати-13 — главный резервуар 14. 17 спускные краны. 15, ^/ — предохранительные клапаны: 16. 22 соединительные рукава: 25. 48 — комбинированные крины: 28. 49 краны двойной тні и; 33. 41-вуар, 40-- пневмозлектрическин датчик; 42 — тормозной цилиндр: мліистрвлн. А - блокировки ком рос £ синхрон и* іи i работы кианоп машиниста, отводы- а — к воздухопроводу управления i обслужи ліня;
песка под колеса (при скорости более 10 км/ч) при экстренном торможении. Длина тормозного нуги одиночно следующего тепловоза на прямом горизонтальном участке пути при сухих рельсах и на чальной скорости движения 100 км/ч не превышает 1000 м. Указанная длина тормозного пути обеспечивается при старой схеме (см. рис. 103) вспомогательны 1 тормозом, при новой (см. рис. 104) как вспомогательным тормозом, так и при переводе крана машиниста в положение экстренного торможения.
Сжатый воздух для питания автотормоза вырабатывают компрессоры КТ7, нагнетающие его в главные резервуары. Рабэтои компрессоров управляет регулятор давления ЗРД. При достижении давления воздуха в главных резервуарах (0,9±0,02)МПа [(9,0± ±0,2) кгс/см1']- регулятор приводит в действие разгрузочные устройства компрессоров, которые удерживают всасывающие клапаны в открытом положении, заставляя тем самым компрессоры работать на холостом ходу, и только при понижении давления до (0,75±0.02)МПа [ (7,5±0,2) кгс/см2] регулятор давления вновь включает компрессоры в работу. Для защиты питательной магистрали от высокого давления (в случае отказа регулито и давления) на воздухопроводе между компрессором и главным резервуаром установлены предохранительные клапаны усл. № Э-216.000, отрегулированные на давление срабатывания (1,0 ±0,2) МПа [(Ю,0±0,2)кгс/см21.
В обеих схемах тормозов применены: кран машиниста № 395.000 3, воздухораспределитель № 483.000 с камерой № 295.001 п пневматическим датчиком ЛГ° 418.000, кран вспомогательного тормоза № 254.000-1, маслоотделитель № Э-120Т. реле давления № 404.000. Конструкция компрессор! и то чо-шои аппаратуры, а также работа пневматического тормоза в настоящем издании не описаны, лак как они достаточно подробно изложены в литературе по автоматическим Тормозам локомотивов.


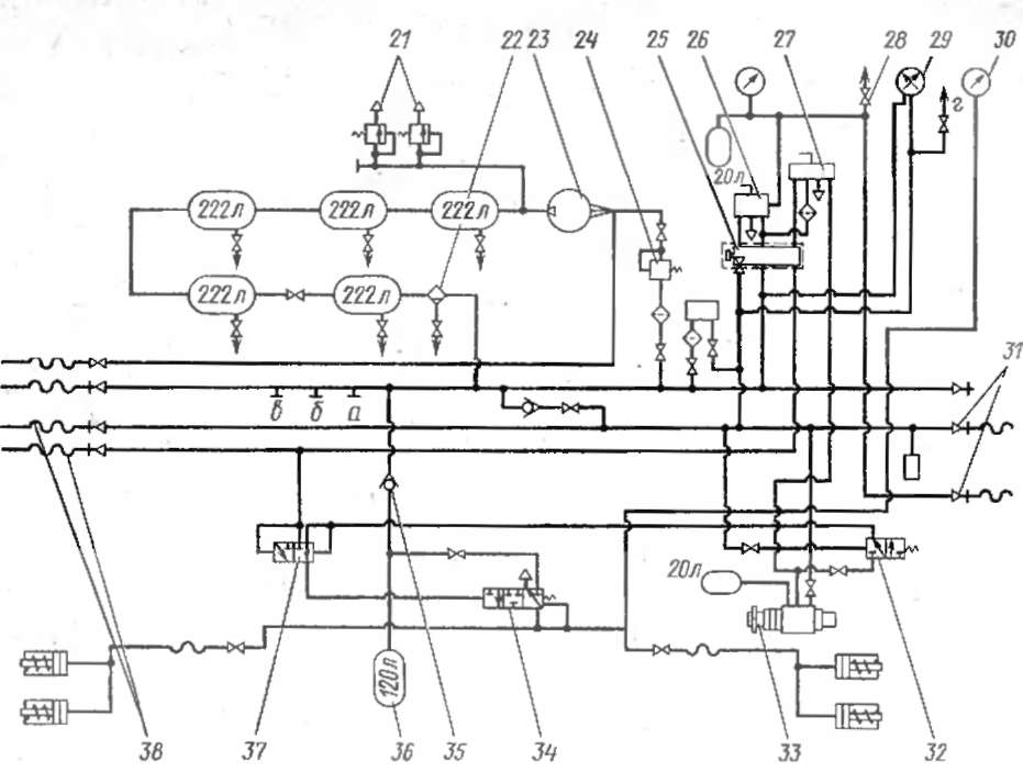
Рис. 104. Схема пневматического тормоза, обес
/. 30—манометры тормозных цилиндров; 2. 29—манометры тормозной и питательной магистралей: мегр уравнительного резервуара: 7—резервуар уравнительный; 8 — электропнецматическнй клапан главный резервуар; 14. 17 — спускные краны: 10. 21 чречохранительные клапаны 16, 22—маслоогде-рукава; 25. 53 — устройства блокировки тормозов: 32. 49 — блокировочные клапаны. М 46 - возлухо-37 40 — переключательные клапаны: 45 — пневмоэлсктрнческий датчик: 47 тормозной цилиндр; л—вспомогательною тормоза, £ — синхронизации работы кранов машиниста; отводы: а — к воздухо
г к скоростемеру
Особенностью схемы пневматического тормоза, применяемой на тепловозах с 1985 г., является то, что она обеспечивает автоматическое торможение секций тепловоза при их саморасцепе или нарушении целостности рукавов пневматической системы. Кроме того, в схеме применена блокировка тормоза №> 367.000А, обеспечивающая правильное переключение тормозной системы при смене локомотивной бригадой кабин машиниста.
На тепловозах, оборудованных по повой схеме (см. рис. 104), при наполнении питательной магистрали Б одновременно заряжаются резервуары 36 и 41. При переводе ручки крана !машиниста 5 в положение служебного торможения понижается давление в тормозной магистрали В, что приводит в действие рас феделитель-пое устройство воздухораспределителя 46. Перемещение штока воздухораспределителя открывает доступ воздуху из резервуара 44 к крану вспомогательного тормоза 4 и блокировочному клапану 49. Под давлением этого воздуха распределительный клапан управляющего устройства крана вспомогательного тормоза перемещается в положение, при котором воздух из питательной магистрали, пройдя предварительно через фильтр 54, поступает в магистраль Д вспомогательного тормоза. Из магистрали Д воздух поступает к переключательным клапанам 37 и 40, которые, срабатывая, перепускают его соответственно к реле давления 34 и 43. Реле давления, переключаясь, открывают доступ воздуху из резервуаров 36 и 41 к тормозным цилиндрам. Сжатый воздух, передвигая штоки тормозных цилиндров, через систему рычагов передает усилие на тор-

печивающая торможение при еаморасцепе:
3, 28 стоп-краны, 4. 27— краны вспомогательного тормоза; Л 26 краны машиниста. 6 — мано-автостома. 9, II. 15 фильтры, 10. 24, 50 регуляторы давления. 12, 23 компрессоры. 13 — лит лгг 18 31 39. 52— концевые- кра ы. 19 шланг соединительный. 20, 38. 5/ —сведи ительные распределители;. 34. 43 — реле давления; 35. 42 — обратные клапаны; 36. 41 44 — резервуары 48 — разобщительный кран; магистрали; А — блокировки компрессоров, Б — питательная: В тормозная, проводу управлении а обслуживания. 6 —к песочной системе, в —к противопожарной сис еме,
мозные колодки. Отпуск тормоза локомотива при заторможенном составе производится установкой рукоятки крана вспомогательного тормоза в I положение. В случае обрыва тормозной магистрали (саморасцеп секций), а также при экстренном торможении на ведущей секции срабатывает блокировочный клапан 49, который из резервуара 44 воздухораспределителя через кран 48 перепускает воздух к переключательному клапану 40. Одновременно на ведомой секции срабатывает б юкировочный клапан 32, перепускающий воз дух к переключательному клапану 37. Далее повторяется процесс, описанный выше при рассмотрении служебного торможения. После экстренного торможения отпуск осуществляется переводом ручки крана машиниста в I или II положение.
⇐Вентиляторы охлаждения тягового генератора и тяговых электродвигателей тепловоза 2м62 Оглавление Рычажная передача тормоза тепловоза 2м62⇒










