28. Вспомогательные цепи
Вызов помощника машиниста. В схеме предусмотрена возможность вызова помощника машиниста, находящегося в кузове тепловоза. Для этой цели на пульте управления установлена кнопка КВП «Вызов помощника». При нажатии кнопки получает питание вентиль ВП10, открывающий доступ сжатого воздуха к тифону (вентиль и тифон установлены в дизельном помещении). Цепь питания вентиля: зажим 14/13 (см. цепь питания РУ12 на рис. 138), провод 1196, кнопка КВП и далее по проводам 1299—1302 на катушку ВП10.
Проворот вала дизеля. Для предотвращения попадания масла в цилиндры из верхних поршней необходимо после остановки дизеля провернуть коленчатый вал при выключенном тумблере «Топливный насос». Проворот осуществляется нажатием кнопки «Пуск дизеля». При нажатии кнопки пусковые контакторы Д1—ДЗ получают питание от автомата «Управление», через контакт блокировки тормоза БУ, контакт реверсивного механизма контроллера, замкнутый на нулевой позиции, контакт контроллера, провод 1236, кнопку ПД1, размыкающие контакты РУ9, ДТЯ, КВ, контакт валоповоротного механизма 105, катушки контакторов. Получив питание, пусковые контакторы подключают к аккумуляторной батареи генератор, обеспечивающий проворот вала дизеля.
Переговорное устройство. На тепловозе в кабинах крайних и тамбуре средней секции установлено переговорное устройство типа АГУ-10-4, обеспечивающее громкоговорящуюю связь между тремя секциями тепловоза. Устройство состоит из усилителя, микрофона, громкоговорителя, предохранителя и автоматического выключателя. Устройство получает питание с девятого элемента аккумуляторной батареи, напряжение на котором должно быть при работающем вспомогательном генераторе 13,2 В. Для связи необходимо включить автомат А18 (рис. 141), на передней панели усилителя включить тумблер питания В2, при этом должна загореться сигнальная лампа. Переключатель рода работ установить в положение «Микрофоны», затем нажать тангенту микрофона. В громкоговорителях, установленных в трех секциях, этот вызов должен быть услышан. Чтобы ответить на полученный сигнал из другой секции, необходимо выполнить операции аналогично приведенным выше. После окончания переговоров тумблер В2 и автомат А18 выключить.
Указатель повреждений. Для быстрого нахождения неисправностей в электрических цепях пуска дизеля и контакторов возбуждения тягового генератора предусмотрен указатель повреждений (рис. 142).
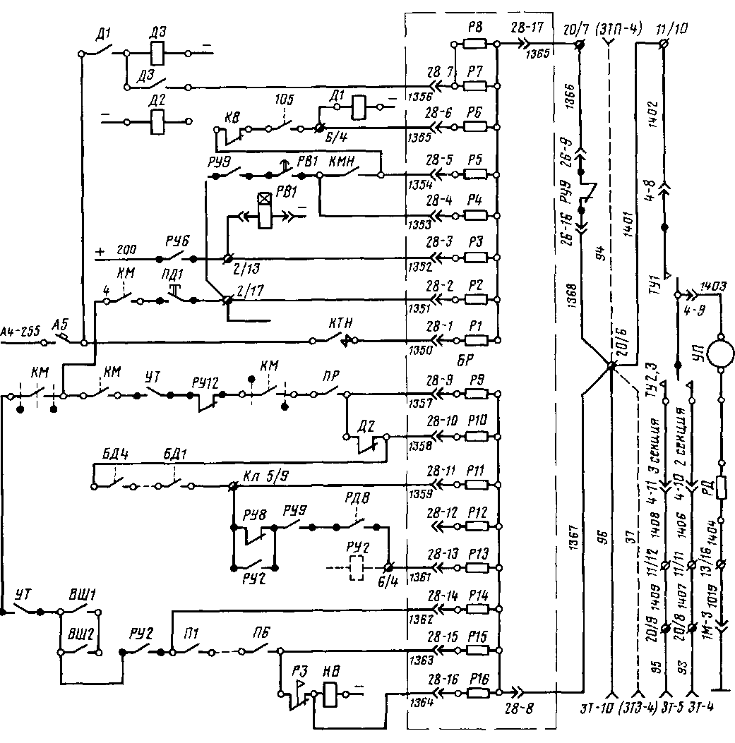
Указатель повреждений состоит из: миллиамперметра УП типа М4200 с встроенным дополнительным резистором типа МЛТ-2 на 510 Ом (РД) (дополнительный резистор предназначен для защиты прибора от коротких замыканий); блока резисторов БР, состоящего из восьми резисторов типа МЛТ-2 на 1000 кОм (Р1—Р8) и восьми резисторов типа МЛТ-2 на 120 КОм (Р9—Р16); двух переключателей типа П2Т-5 (ТУЇ; ТУ2.3). Переключатель ТУ1 подключает прибор в схему ведущей секции, ТУ2, ТУЗ— к ведомым секциям. Установлен указатель повреждений на пульте управления тепловозом, блок резисторов — в правой аппаратной камере.
Шкала прибора (рис. 143) разбита на два яруса. По нижней части шкалы определяется повреждение в цепи пуска дизеля, по верхней — в цепи контакторов КВ, ВВ. При пуске дизеля к УП в определенной последовательности подключаются резисторы Р1—Р8, находящиеся в схеме пуска дизеля. При работающем дизеле резисторы Р1—Р8 отключаются от УП автоматически и подключаются в определенной последовательности при наборе нагрузки резисторы Р9—Р16, которые находятся в схеме включения контакторов КВ, ВВ.
Принцип работы УП состоит в последовательном ступенчатом уменьшении сопротивления в цепи миллиамперметра (к резистору Р1 подключаются параллельно резисторы Р2—Р8). При полностью подключенных резисторах стрелка прибора отклоняется полностью вправо, при отключенных резисторах стрелка прибора находится слева на первом делении шкалы.
Рассмотрим работу указателя повреждений при отыскании неисправностей в цепи пуска дизеля (см. рис. 137). При подготовке цепей пуска дизеля к работе стрелка УП находится на отметке шкалы КТН. Это значит, что контактор топливного насоса не включен. После включения контактора КТН указатель УП получает питание по цепи: автомат «Работа дизеля» А5, провод 314, зажим 7/10, провод 440, контакт замыкающий КТН, провод 1350 (см. рис. 142), резистор Р1, провод 1365, зажим 20/7, провод 1366, размыкающий контакт РУ9, провод 1368, зажим 20/6, провод 1401, зажим 11/10, провод 1402, тумблер ТУ1, провод 1403, указатель повреждений УП, резистор РД, провод 1404, зажим 13/16, провод 1019 и на минус цепи. После этого стрелка указателя повреждений переместится в положение ПД (обозначение кнопки пуска дизеля на шкале прибора).
При нажатии кнопки ПД1 параллельно резистору Р1 подключается резистор Р2 по цепи: кнопка ПД1, провод 1351, резистор Р2 и далее, как указано для резистора Р1. После этого стрелка прибора переместится
Рис 142 Схема включения указателя повреждений бр—блок резисторов (УП). ЯД—резистор МЛТ-2-510 Ом, р1—р8—резисторы МЛТ-2 100 кОм (блок БР), р9—р16—резисторы МЛТ-2-120 кОм (блок БР), ТУ1—тумблер, П2Т-5, ту2, туз—тумблер, П2Т-5, уп—вольтметр М4200, 0—1000 В—1,5 (обозначения остальных аппаратов приведены на рис 137) на деление шкалы РУ6. После включения контактов РВ1, КМН, 105 блокировки пусковых контакторов параллельно резисторам Р1, Р2 подключаются резисторы Р7, Р8 и стрелка прибора переместится на деление шкалы «Пуск». Это значит, что схема пуска собрана и начался пуск дизеля. При неисправностях в цепи пуска стрелка прибора устанавливается против деления на шкале, на котором обозначена контактная группа несра-ботавшего электрического аппарата. Аналогично происходит подключение указателя повреждений в цепи контакторов КВ, ВВ.
Автоматическая пожарная сигнализация. Автоматическая пожарная сигнализация (АПС) служит для звуковой и световой сигнализации при появлении на тепловозе источника повышенного нагрева. Система автоматической пожарной сигнализации включает в себя извещатели типа ИПЛ (ДТ1—ДТ21) (рис. 144), сигнальные лампы «Пожар» (ЛП1-3, ЛП2), тумблер проверки цепей пожарной сигнализации (ТПЦ), реле управления РУН, автоматический выключатель «Пожарная сигнализация» (А7), переключатель «Пожар» (ТП1-3) и соединительные провода.
Для звуковой сигнализации используется сирена СБ. Извещатели установлены в высоковольтных камерах и дизельном помещении. Для приведения системы автоматической пожарной сигнализации в рабочее положение необходимо-включить автоматический выключатель А7. При этом реле РУ14 включается по цепи последовательно включенных извещателей ДТ1—ДТ21.
Рис 143 Шкала указателя повреждений
Система сигнализации работает следующим образом: при нагреве извещателя до температуры 110^5°С происходит расплавление легкоплавного сплава, вследствие чего контактные пластины извещателя размыкаются и разрывают цепь питания катушки реле РУ14. Реле своими размыкающими контактами (провода П22, П24) включает сигнальную лампу ЛП1-3 «Пожар» на пульте управления и зуммер боксования на всех секциях тепловоза. При загорании лампы ЛП1 необходимо переключатель «Пожар» ТП1-3 (П145, П148) установить в положение 3. Если лампа продолжает гореть, значит, сработал извещатель на ведомой третьей секции; если сигнальная лампа гаснет — сработал извещатель на ведущей секции. Загорание лампы ЛП2 сигнализирует о срабатывании извещателя на средней секции.
Для проверки исправности цепей системы АПС необходимо при включенном автоматическом выключателе «Пожарная сигнализация» (А7) кратковременно включить тумблер проверки сигнализации ТПЦ, при этом должна загореться сигнальная лампа пожарной сигнализации и сработать сирена. Проверка работы системы АПС нагревом контакта извещателя не допускается.
Автоматическая локомотивная сигнализация. Автоматическая четырехзначная локомотивная сигнализация непрерывного действия с контролем скорости и периодической проверкой бдительности типа АЛСНВ-1 (рис. 145) служит для повышения безопасности движения поездов.
В локомотивную сигнализацию входят: приемные катушки, усилитель, дешифратор, локомотивный светофор, электропневматический клапан, кнопка бдительности, блок предварительной световой сигнализации, панель реле и диодов, фильтр и другие устройства, указанные в схеме.
Устройства локомотивной сигнализации получают питание включением выключателей А15, А16, А17 и тумблера 775. При этом питание берется с части аккумуляторной батареи, напряжение на которой при работающем вспомогательном генераторе должно быть 50 В. Для повышения равномерности заряда и разряда батареи параллельно второй части батареи подключен уравнительный резистор СУ сопротивлением 20 Ом (провода А38, А39).
Работа схемы локомотивной сигнализации начинается с приема путевых сигналов автоблокировки. Связь с путевыми сигналами поддерживается непрерывно индуктивным путем. Для этого в рельсовую цепь навстречу поезду пропускается ток, состоящий из импульсов в различных комбинациях, содержащих показание сигналов светофоров в закодированном виде. Ток рельсовой цепи создает магнитное поле, которое наводит в приемных катушках ПК1 и ПК2 импульсы электродвижущей силы. Эти импульсы усиливаются усилителем и передаются в дешифратор (находятся-в одном ящике и на схеме условно обозначены ДУ). Дешифратор расшифровывает сигнал и включает соответствующий сигнальный огонь на локомотивном светофоре ЛС, а также управляет работой электропневматического клапана ЭПК- Клапан вступает в работу при снятии дешифратором напряжения с катушки электропневматического клапана в соответствии с показаниями локомотивного светофора. При этом предварительно клапаном подается свисток в течение 7—8 с, после чего клапан осуществляет принудительное экстренное торможение разрядкой тормозной магистрали поезда. Для сокращения числа свистков, а следовательно, снижения шума в кабине в схему АЛСН введен блок предварительной сигнализации, который обеспечивает возможность проверки бдительности машиниста по загоранию сигнальной лампы за 3—5 с до появления свистка ЭПК-Для предотвращения срабатывания клапана автостопа машинист должен при загорании сигнальной лампы нажать кнопку бдительности КБ, подтверждая этим способность управлять поездом при следующих огнях локомотивного светофора:
Рис 145 Схема автоматической локомотивной сигнализации А15—А17—выключатель А63-М 5X1,3, БПС—блок предварительной световой сигнализации, ВК— кнопка включения белого огня ВК-21-21, ВФ—тумблер отключения фильтра ТВ-1, ДЗ—тумблер отключения АЛСН, Д19, Д20—защитные диоды, КД 202Р, ДУ—дешифратор и усилитель, КБ—рукоятка бдительности РБ-80, КП—кнопка проверки ВК 21-21 черный толкатель, 6КРМ—замыкающий контакт крана № 395, л—лампа сигнальная РНбО-4,8, ЛС—светофор С2-5М, ПК1,2—приемные катушки, ЯРД—панель реле и диодов, РУ21—реле управления ТРПУ-1,24В, С—скоростемер ЗСЛ2М-150, СУ_резистор уравнительный ПС-50122, С/—конденсатор МБМ250—0,05 мкФ, Г/5—тумблер ТВ 1—4, Ф—фильтр ФЛ-25/75, ЭПК—электропневматический клапан 150СБИ, 120— панель резисторов, Л23—лампа предварительной световой сигнализации
а) при красном огне (скорость менее 20 км/ч);
б) при желтом с красным огне (скорость менее укж, км/ч, устанавливается МПС);
в) при желтом огне (скорость более vx, км/ч);
г) при белом огне после желтого или зеленого (скорость свыше 10 км/ч). В случае проследования закрытого путевого светофора (красный огонь на локомотивном светофоре) со скоростью более 20 км/ч, а также при превышении скорости укж при желтом с красным огне локомотивного светофора срабатывает клапан автостопа ЭПК и наступает автоматическое экстренное торможение поезда, которое нельзя остановить нажатием кнопки бдительности.
При экстренном торможении поезда, следующего со скоростью более 10 км/ч, краном машиниста (в шестом положении) замыкаются контакты между проводами А111 и А112, замыкая цепь питания электропневматических вентилей песочниц через размыкающие контакты РУ21 (провода А113, А114), и под колесные пары подается песок. При снижении скорости движения до 10 км/ч замыкаются контакты скоростемера «0—10», которые замыкают цепь питания катушки реле РУ21 через панель резистора 120. При включении РУ21 размыкаются его контакты в цепи питания электропневматических вентилей песочниц, прекращая подачу песка под колесные пары.
При следовании по боковым путям станции и участкам, не оборудованным путевыми устройствами локомотивной сигнализации, на локомотивном светофоре должен загораться белый огонь. Если загорается красный огонь, то необходимо перевести тумблер ДЗ в положение «60—90 с», после чего одновременным кратковременным нажатием кнопки ВК «Включение белого огня» (установлена на панели со стороны помощника машиниста) и кнопки бдительности КБ включается белый огонь на локомотивном светофоре. Промежутки времени между проверками бдительности в этом случае будут составлять 60—90 с.
При работе устройств АЛСНВ-1 автоматически регистрируется на ленте скоростемера СЛ включенное положение автостопа: нажатие кнопки бдительности и следование по участкам с красным, желтым с красным и желтым огнями на локомотивном светофоре. Порядок проверки блоков АЛСНВ-1 и их подробное описание приведены в инструкции завода-изготовителя.
Тепловозная радиостанция. Для организации поездной радиосвязи на крайних секциях тепловоза установлена радиостанция Типа 42РТМ-А2-ЧМ. Схема подключения радиостанции показана на рис.4 146. Конструктивно радиостанция выполнена в виде отдельных блоков, которые размещены в двух шкафах и установлены на задней стенке кабины машиниста. Основными функциональными элементами радиостации являются: приемник; передатчик; устройства питания и цепи управления, обеспечивающие переключение радиостанции в режим дежурного приема, приема и передачи. Радиостанция имеет два частотных канала 2130 и 2150 кГц. Дальность связи радиостанции в диапазоне KB до 20 км. Прием и передача осуществляются через микротелефолную трубку и громкоговоритель. Работает радиостанция на одну антенну, общую для приемника и передатчика. Антенна с радиостанцией соединена коаксиальным кчб чем с волновым сопротивлением 75 Ом. Настройка антенной цепи и согласование ее сопротивления с сопротивлением кабеля производятся универсальным согласующим устройством, которое расположено на задней стенке кабины машиниста.
Радиостанция питается от аккумуляторной батареи с номинальным напряжением 75 В с допустимыми отклонениями ±20%. Вспомогательный контакт пускового контактора Д2 в цепи питания радиостанции предотвращает срабатывание защиты в блоке питания при понижении напряжения аккумуляторной батареи во время пуска дизеля.
Чтобы привести в действие радиостанцию, необходимо на левой высоковольтной камере включить разъединитель аккумуляторной батареи, затем включить автомат «Радиостанция» и на пульте управления радиостанции тумблер «Питание». Затем снимают микрофонную трубку и нажимают одну из кнопок вызова. Нажимая тангенту при передаче и отпуская при приеме, ведут радиосвязь.










