![]() |
|
Глава 6. ПРИМЫКАНИЕ СТРЕЛОК К ПРИЕМО-ОТПРАВОЧНЫМ ПУТЯМ
6.1. Требования по обеспечению безопасности движения
Для обеспечения безопасности движения поездов при наличии стрелок, примыкающих к приемо-отправочному пути, этот путь (например, путь 5, рис. 6.1) делится изолирующими стыками на изолированные стрелочные и бесстрелочные участки (на рис. 6.1 5АП, 17СП, 5БП).С приемоотправочного пути устанавливаются выходные светофоры (Ч5, Н5) На границах стрелочной секции устанавливаются маневровые светофоры (М7, М9, М11), ограждающие стрелки примыкания.
Построение схем для случаев примыкания стрелок к приемо-отправочному пути выполняется исходя из следующих эксплуатационнотехнических требований:
- при задании маршрутов приема (передачи) на приемо-отправочный путь, имеющий стрелки примыкания, концом маршрутов является весь приемо-отправочный путь, включающий в себя стрелочные и бесстрелочные участки, до попутного выходного (маршрутного) светофора; при этом в схемах ЭЦ проверяются обычные для стрелочных и бесстрелочных секций условия безопасности движения поездов;
- в процессе реализации маршрута приема размыкание стрелки, примыкающей к приемо-отправочному пути выполняется с соблюдением общих условий, принятых в системе ЭЦ;
- если в процессе реализации маршрута приема (передачи) поезд освободил горловину станции, но не проследовал стрелочную секцию со стрелкой примыкания, то для подтягивания состава до попутного выходного (маршрутного) светофора открываются маневровые светофоры, ограждающие стрелку примыкания; при занятии и последующим освобождении этой секции происходит ее автоматическое размыкание;
- если в процессе реализации маршрута приема (передачи) поезд освободил горловину станции и остановился, занимая один или несколько участков пути, то для движения в сторону, противоположную маршруту приема, по выходному (маршрутному) светофору может быть задан поездной или маневровый маршрут; размыкание секции со стрелкой примыкания происходит при реализации этих маршрутов;
- после освобождения хвостом поезда горловины станции в маршрутах приема и остановки поезда на любых участках пути могут быть заданы маневровые маршруты как в голову, так и в хвост поезда;
- при задании поездных маршрутов по выходным (маршрутным) светофорам стрелки, примыкающие к приемо-отправочному пути, автоматически переводятся в плюсовое положение и замыкаются; размыкание стрелок в маршруте отправления (передачи) происходит после размыкания
первой секции за выходным (маршрутным) светофором.
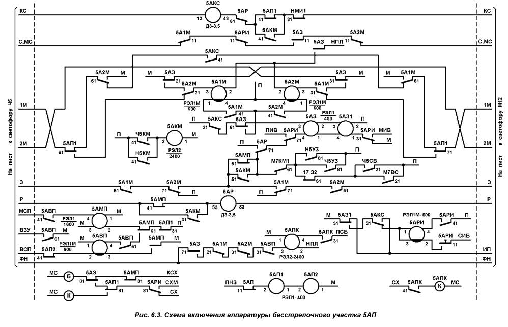
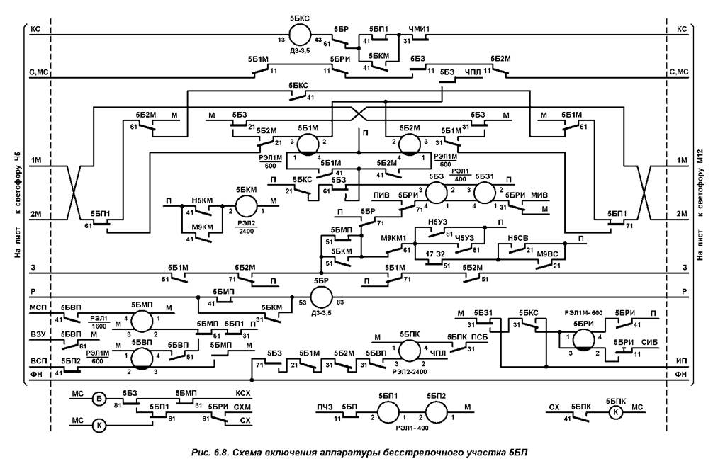
Схемные решения для случая примыкания стрелок к приемоотправочному пути состоят из схем общих реле (см. рис. 6.1.) и схемных узлов аппаратуры изолированных участков, стрелок, светофоров (рис. 6.2- рис. 6.9). Эти схемные узлы соединяются между собой по плану станции стандартными цепями: КС, С, МС, 1М, 2М, З, Р, КВ, ИП, ФН.
При наличии стрелок, примыкающих к приемо-отправочным путям, схемы наборной и исполнительной групп дополняются следующими реле (табл. 6.1). В скобках приведены наименования реле, соответствующие примеру, приведенному на рис. 6.1.
|
№№ |
Наименование и тип реле |
Функции и особенности реле. Включение и выключение реле |
|
1. |
ВКП (Н5ВКП, Ч5ВКП) РЭЛ1М-600 |
Вспомогательные конечные поездные реле маршрутного набора с накоплением маршрутов. Используется для включения реле СВ. Включается контактом реле КН конца поездного маршрута. Выключается контактом противоповторного реле после открытия входного светофора |
|
2. |
СВ (Н5СВ, Н5СВ1, Ч5СВ, Ч5СВ1) РЭЛ1М-160 |
Соединяющие реле. Соединяет цепи реле КС и С при задании
поездного маршрута на приемо-отправочный путь. При использовании маршрутного
набора с накоплением включается фронтовым контактом реле ВКП через фронтовой
контакт замыкающего реле секции со стрелкой примыкания. При использовании упрощенного маршрутного набора включается от шины ВКП. Выключается после размыкания стрелочной секции приемо-отправочного пути |
|
3. |
ВП (5ВП) РЭЛ1М-600 |
Вспомогательное реле прибытия поезда на приемо-отправочный путь. Включается при использовании поездного маршрута после размыкания секций в горловине станции и занятия поездом первого бесстрелочного участка пути. Выключается после размыкания секции со стрелкой, примыкающей к приемо-отправочному пути |
|
4. |
ВС (М7ВС, М9ВС) РЭЛ1М-600 |
Вспомогательное сигнальное реле маневровых светофоров, ограждающих стрелки примыкания. Предназначено для включения разрешающих показаний для протягивания состава в маршрутах приема (передачи) до попутного выходного (маршрутного) светофора. Включается при нажатии кнопки маневрового светофора через фронтовой контакт реле ВП. Выключается после размыкания секции со стрелкой примыкания контактом реле ВП |
|
5. |
З (Н5З, Ч5З) РЭЛ2-2400 |
Замыкающие реле выходных светофоров. Предназначены для замыкания стрелок, примыкающих к приемо-отпра- вочному пути при задании маршрутов отправления. Нормально включено. Выключается тыловым контактом начального реле выходных светофоров. Включается после размыкания первой секции маршрута отправления |
|
6. |
УЗ (Н5УЗ, Ч5УЗ) РЭЛ1-1600 |
Реле угловых заездов. Предназначены для размыкания неиспользованной части поездного маршрута на путь при угловых заездах, если по выходному светофору с этого пути в противоположную сторону задается поездной или маневровый маршрут. Включается при реализации маршрута с пути через фронтовые контакты реле ВП, С или МС, тыловой контакт реле МП участка пути перед выходным светофором и тыловой контакт реле З первой секции. Выключается полюсом МСП при освобождении участка пути перед выходным светофором или, если участок пути остается занятым, при освобождении первой секции за выходным светофором |
6.3.
Задание
маршрутов приема и отправления
При задании маршрутов приема и передачи на приемо-отправочный путь, имеющий стрелки примыкания, концом маршрутов является весь приемо-отправочный путь, включающий в себя стрелочные и бесстрелочные участки, до попутного выходного (маршрутного) светофора. Поэтому при задании, например, нечетного маршрута приема на путь 5П по светофору Н (см. рис. 1.1) должны быть нажаты три кнопки: категории маршрута П, начальная кнопка светофора Н и конечная кнопка светофора Н5.
При нажатии кнопки конца маршрута Н5К в схемах маршрутного набора с накоплением включается реле Н5ВКП, что приводит к срабатыванию реле Н5СВ и Н5СВ1 через фронтовой контакт замыкающего реле 17З стрелочной секции 17СП со стрелкой примыкания 17. В цепи включения реле Н5СВ и Н5СВ1 тыловым контактом Ч5СВ1 контролируется отсутствие заданного встречного маршрута приема на путь 5П с четной стороны. После включения реле Н5СВ1 его тыловой контакт отключает обмотки реле Ч5СВ и Ч5СВ1, поэтому задание указанного враждебного маршрута становится невозможным.
В результате замыкания фронтового контакта реле Н5СВ цепь контрольно-секционных реле КС горловины станции соединяется последовательно с цепью реле КС, которая проходит через схемные узлы светофоров, стрелки примыкания и изолированных участков приемо-отправочного пути: Ч5, 5 АП, М7, 17СП, Стр. 17, М9, 5БП и Н5. В схемном узле светофора Н5 в общую схему КС подается полюс питания М через тыловые контакты реле Н5К или Н5КН, обмотку реле Н5ПКС и тыловые контакты реле М9КМ и Ч5СВ.
В цепи реле КС проверяется выполнение УБД множества U2, в частности, в схемном узле светофора Ч5 тыловым контактом реле Ч5ОН отсутствие заданных враждебных поездных и маневровых маршрутов; в схемных узлах изолированных участков 5АП, 17СП, 5БП фронтовыми контактами реле 5АП1, 17СП1 и 5БП1 - свободность этих участков, фронтовыми контактами реле НМИ1, ЧМИ1 отсутствие передачи участков пути на местное управление, тыловыми контактами 5 АР, 17Р, 5БР отсутствие отмены маршрутов; в схемных узлах светофоров М7 и М9 тыловыми контактами М7Н, М7КМ, М9Н, М9КМ отсутствие заданных враждебных маневровых маршрутов; в схемном узле стрелки 17 фронтовым контактом реле ПК плюсовое положение стрелки примыкания, тыловым контактом реле 5ВП окончание процесса размыкания предыдущего маршрута, который был задан на этот путь.
Включение контрольно-секционных реле по трассе задаваемого маршрута вызывает его замыкание. В схемных узлах 5 АП, 17СП и 5БП тыловыми контактами реле 5АКС, 17КС и 5БКС выключаются замыкающие реле 5АЗ, 17З и 5БЗ. Заметим, что выключение замыкающих реле выполняется контактами не первого класса тыловыми контактами реле КС.
Поэтому необходима проверка фактического выключения замыкающих реле. Эта проверка выполняется в схеме сигнальных реле.
С проверкой выполнения УБД множества U3 срабатывает сигнальное реле входного светофора Н. В схемных узлах приемо-отправочного пути 5П в цепи С, МС дополнительно проверяются: в схемном узле Ч3 замкнутое состояние фронтовых контактов соединяющего реле Н5СВ; в узлах 5 АП, 17СП, 5БП тыловыми контактами маршрутных М и замыкающих З реле фактическое замыкание изолированных участков приемоотправочного пути, а тыловыми контактами реле РИ отсутствие искусственной разделки этих участков; в схемных узлах М7 и М9 - выключенное состояние начальных Н и конечных маневровых реле КМ; в схемном узле Н5 выключенное состояние реле Ч5СВ, М9КМ, Н5КМ и включенное состояние контрольно-секционного реле Н5ПКС конца маршрута.
Следует отметить, что через фронтовой контакт реле Н5КМ в цепь С, МС подается полюс питания М, а через фронтовой контакт реле Н5ПКС
- полюс питания П. Этим исключается задание поездного маршрута по трассе маневрового при возникновении отказа, в результате которого конечное маневровое реле останется во включенном состоянии.
При задании маршрута отправления с приемо-отправочного пути, имеющего стрелку примыкания, необходимо контролировать плюсовое положение этой стрелки, так как поезд, для которого открывается выходной светофор может находиться на любом изолированном участке приемоотправочного пути. В этом случае для перевода стрелки примыкания в плюсовое положение в маршрутном наборе используется специальное реле ОПВ, а для ее замыкания замыкающие реле Н5З и Ч5З выходных светофоров. Реле Н5З и Ч5З нормально находятся во включенном состоянии по цепи самоблокировки через тыловые контакты начальных реле Н5Н и Ч5Н. При задании маршрута отправления выключаются, и вновь включаются при реализации маршрутов, после размыкания первой секции 26СП или 3-11 СП за выходными светофорами.
В цепи реле Ч5ОКС схемного узла светофора Ч5 фронтовым контактом 17ПКП проверяется плюсовое положение стрелки 17, а тыловым контактом Ч5З ее замыкание. В маневровых маршрутов по светофору Ч5 такая проверка не требуется, поэтому указанные контакты шунтируются фронтовым контактом реле Ч5НМ. Последовательно с обмоткой реле Ч5ОКС монтируется фронтовой контакт реле 17ВС реле контроля включения сигнализации при работе монтеров пути.
6.4. Реализация маршрутов приема и отправления
При движении поезда по трассе маршрута происходит его секционное размыкание по алгоритму, изложенным в разделе 3.9, т.е. с проверкой пяти условий фактического движения поезда по маршруту.
При занятии поездом двух смежных изолированных участков секции 3-11СП и участка пути 5АП в схемном узле 5АП по цепи 1М включается первое по ходу маршрутное реле 5А.1М. После освобождения секции 3-11 СП и занятом состоянии участка пути 5 АП выполняются условия размыкания этой секции, и в схемном узле 3-11 СП включается замыкающее реле 3-11З. Поэтому в схемном узле 5 АП по цепи 2М включается второе по ходу маршрутное реле 5А.2М.
Дальнейшая работа маршрутных и замыкающих реле в схемных узлах 5 АП, 17СП и 5БП зависит от движения поезда по пути 5П.
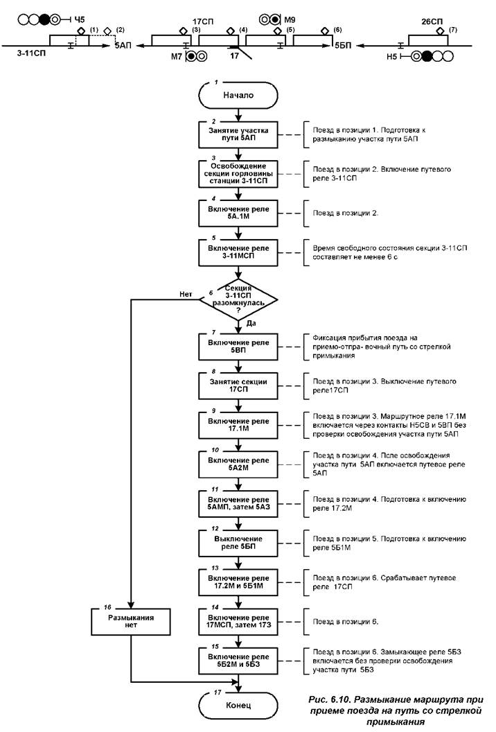
Случай 1. Поезд последовательно занимает участки 5АП, 17СП, 5БП и освобождает 5 АП, 17СП, а затем останавливается на 5БП у закрытого светофора Н5.
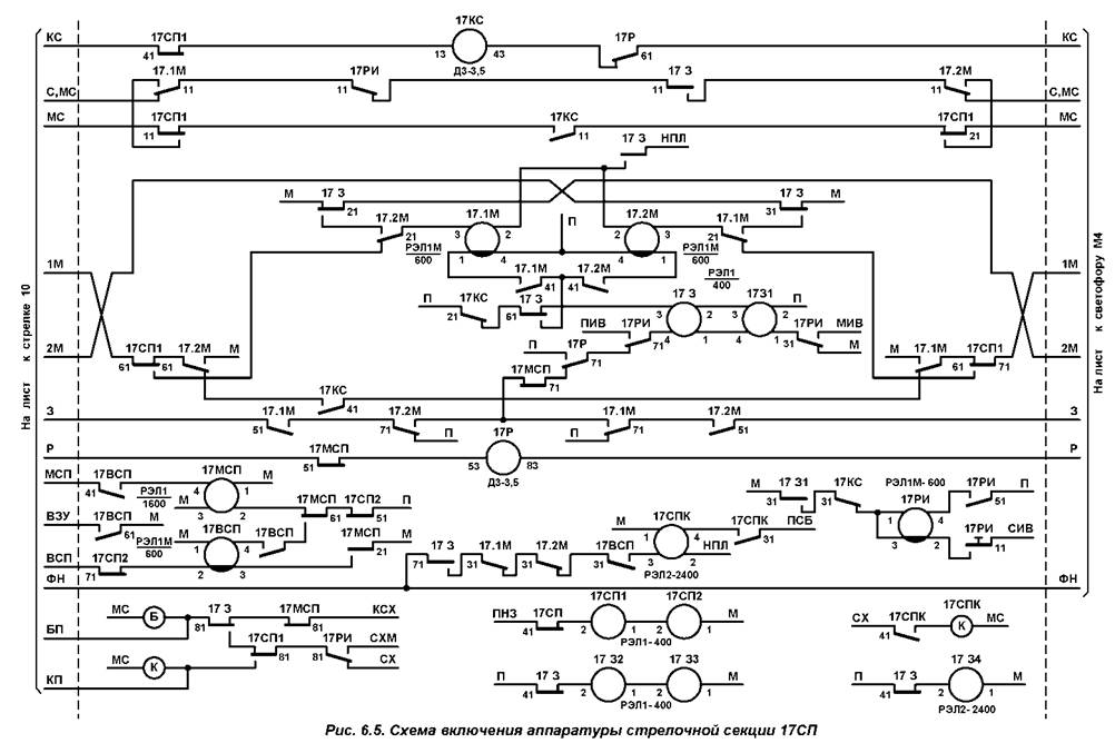
При занятии поездом двух
смежных участков 5 АП и 17СП в схемном узле 17СП по цепи 1М включается первое
по ходу маршрутное реле
Далее, при занятии поездом двух смежных участков 17СП и 5БП в схемном узле 5БП по цепи 1М включается первое по ходу маршрутное реле 5Б.1М. После освобождения участка 17СП в схемном узле этого участка срабатывает медленнодействующий повторитель путевого реле 17МСП, а затем по цепи З замыкающее реле 17З. Через фронтовой контакт реле 17З по цепи 2М в схемном узле 5БП включается второе по ходу маршрутное реле 17.2М.
После размыкания стрелочной секции 17СП замыкающие реле 5БЗ и 5БЗ1 участка пути 5БП включаются по обмоткам 1-4 без проверки освобождения этого участка по цепи, проходящей через фронтовые контакты реле Н5СВ, 17З2 и тыловые контакты реле М9КМ1, 5БР, 5БРИ. Затем замыкающие реле становятся на цепь самоблокировки по обмоткам 2-3 через тыловой контакт реле 5БКС.
Блок-схема алгоритма размыкания маршрута приведена на рис. 6.10.
Случай 2. Поезд освобождает горловину станции и останавливается на участке 5 АП, не занимая участка 17СП. Для подтягивания состава до светофора Н5 необходимо открыть светофор М7.
Фиксация нахождения поезда на первом по ходу бесстрелочном участке пути 5АП выполняет реле прибытия 5ВП, в цепи которого тыловым контактом 17З2 контролируется замкнутое состояние примыкающей стрелки 17; фронтовым контактом реле 3-11З2 размыкание секций горловины станции; фронтовым контактом реле Н5СВ задание поездного маршрута до светофора Н5; тыловым контактом реле 5АП1 занятое состояние участка пути 5АП.
В этом случае для открытия светофора М7 достаточно нажатия одной кнопки М7К. В результате срабатывает вспомогательное сигнальное реле М7ВС. В цепи реле М7ВС тыловым контактом реле 17РИ проверяется отсутствие искусственной разделки; фронтовым контактом реле 17ПК1 плюсовое положение стрелки 17; тыловыми контактами реле М9ВС и М9КМ1 - отсутствие маневровой работы по светофору М9 и до М9. При отпускании кнопки реле М7ВС получает цепь самоблокировки через тыловой контакт реле М7К. При западании или длительном удержании кнопки М7К реле М7ВС выключается тыловым контактом реле М.
В схемном узле светофора М7 сигнальное реле М7С включается по обмотке 2-3 через фронтовой контакт реле М7ВС и тыловой контакт реле 17З1.
Размыкание участков пути 5П происходит по мере передвижения поезда по светофору М7 до светофора Н5. Перекрытие светофора М7 происходит автоматически после освобождения участка пути 5АП, когда контактом реле 5АП1 выключается реле 5ВП, а затем реле М7ВС.
Случай 3. Поезд освобождает горловину станции и останавливается на участке 5 АП, не занимая участка 17СП. Для обратного движения по светофору Ч5 задается поездной или маневровый маршрут.
Фиксация нахождения поезда на первом по ходу бесстрелочном участке пути 5АП так же, как в случае 2, выполняется посредством включения реле прибытия 5ВП. При открытии светофора Ч5 на поездное или маневровое сигнальные показания подготавливается цепь включения реле угловых заездов Ч5УЗ. В схеме реле Ч5УЗ замыкается тыловой контакт реле 311З2 и фронтовые контакты реле Ч5С2 или Ч5МС, но контакт реле Ч5КСМ размыкается.
При вступлении поезда за светофор Ч5 выключается путевое реле секции 3-11 СП, что приводит к выключению повторителя контрольносекционных реле Ч5КСМ и срабатыванию реле Ч5УЗ по обмотке 2-3. Фронтовыми контактами реле Ч5УЗ включаются замыкающие реле 5АЗ, 5АЗ1 и 5БЗ, 5БЗ1 бесстрелочных участков 5 АП и 5БП без проверки их свободного состояния.
Размыкание стрелочного участка 17СП должно происходить с проверкой фактического передвижения поезда за светофор Ч5, т.е. при освобождении участка 5АП. Поэтому для включения замыкающих реле 17З и 17З1 стрелочной секции 17 СП используются реле разделки 7Р. Полюс питания П в цепь Р поступает из схемного узла светофора М9 через фронтовой контакт реле Ч5УЗ и тыловые контакты реле Н5УЗ, М9ВС, М7ВС, М9КМ и М9Н, а полюс питания М из схемного узла светофора М7 через фронтовые контакты реле 5АМП, Н5СВ, Ч5УЗ и тыловые контакты реле Н5УЗ, М7ВС, М9ВС, М9КМ, М9Н. Таким образом, размыкание стрелки примыкания происходит с проверкой свободного состояния участка 5АП, после срабатывания медленнодействующего повторителя путевого реле 5АМП. Однако при включении 5АМП размыкается цепь обмотки 2-3 реле Ч5УЗ. Для создания замедления на отпускание реле Ч5УЗ используется
обмотка 1-4, подключенная к полюсам питания МСП-М.
Случай 4. Поезд освобождает горловину станции и останавливается на участке пути 5 АП и стрелочном участке 17СП. Для обратного движения по светофору Ч5 задается поездной или маневровый маршрут.
Случай 5. Поезд освобождает горловину станции и останавливается между светофорами Ч5 и Н5, занимая все участки приемо-отправочного пути 5 АП, 17СП и 5БП. Для обратного движения по светофору Ч5 задается поездной или маневровый маршрут.
Случай 6. Поезд освобождает горловину станции и останавливается между светофорами Ч5 и Н5, занимая все участки приемо-отправочного пути 5 АП, 17СП и 5БП. Далее задается маршрут отправления или маневров в попутном приему направлении по светофору Н5.
После занятия поездом
первого участка пути 5АП и освобождения секции 3-11 СП в схемном узле 5 АП по
цепи 1М включается первое по ходу движения поезда маршрутное реле 5А.1М. После
размыкании секции 311 СП в общих схемах срабатывает реле 5ВП, а в схеме
участка 5АП второе маршрутное реле 5А.2М. При занятии стрелочной секции 17СП в
схеме этой секции включается реле
При реализации маршрута по светофору Н5 после освобождения хвостом поезда участка 5 АП замыкающие реле 5 АЗ и 5АЗ1 получают питание по цепи З из схемного узла секции 17СП. После освобождения стрелочной секции 17СП по цепи 1М включается первое по ходу маршрутное реле 5Б.1М участка 5БП. Через фронтовой контакт реле 5Б.1М и тыловой контакт реле 5Б.2М включается реле 17З. Замыкающие реле 5БЗ и 5БЗ1 срабатывают через фронтовой контакт реле Н5УЗ без проверки свободности участка пути 5БП.
Случай 7. Поезд освобождает горловину станции и останавливается на участке 5 АП, не занимая стрелочного участка 17СП. Для подтягивания состава до светофора Н5 открывается светофор М7, а затем задается маршрут отправления поезда в попутном направлении или маневровый маршрут по выходному светофору Н5. После реализации маршрута по светофору Н5 на участке 5АП остаются вагоны.
Случай 8. Поезд освобождает горловину станции и останавливается на участке 5 АП, не занимая стрелочного участка 17СП. Для производства маневровой работы по минусовому положению стрелки 17 необходимо разомкнуть секцию 17СП и задать маршрут по светофору М7 за светофор М11.
Случаи 4, 5, 7, 8 предлагается разобрать студентам самостоятельно, как один из разделов курсового проекта.
Глава 6. ПРИМЫКАНИЕ СТРЕЛОК К ПРИЕМО-ОТПРАВОЧНЫМ
ПУТЯМ......................................................................................................... 1
6.1. Требования по обеспечению безопасности движения 1
6.2. Общие реле............................................................................... 2









