![]() |
|
Глава 5.
УВЯЗКА УСТРОЙСТВ ЭЛЕКТРИЧЕСКОЙ ЦЕНТРАЛИЗАЦИИ С ПЕРЕГОННЫМИ УСТРОЙСТВАМИ
Схемы увязки устройств электрической централизации с перегонными устройствами должны обеспечивать:
а) в маршрутах приема:
- кодирование первого участка приближения в зависимости от сигнальных показаний входного светофора;
- управление сигнальными показаниями предвходного светофора;
- индикацию на табло о приближении поездов к станции посредством контроля свободности и занятости первого и второго участков приближения;
- предварительное и окончательное замыкание маршрута приема;
б) в маршрутах отправления:
- управление сигнальными показаниями выходных светофоров в зависимости от свободности первого и второго участков удаления, а также всего перегона от хозяйственных поездов;
- размыкание последней секции маршрутов отправления;
- индикацию на табло об удалении поездов от станции посредством контроля свободности и занятости первого и второго участков удаления;
- кодирование секций и приемоотправочных путей маршрутов отправления.
5.1. Схемы увязки с кодовой автоблокировкой
Кодовая автоблокировкой (КАБ) получила широкое распространение на сети железных дорог. Этой системой оборудовано около 70% перегонов железных дорог России. Поэтому в курсовом проекте (в соответствии с заданием) должны быть приведены схемы увязки электрической централизации ЭЦ-12 с этой системой автоблокировки.
5.1.1. КАБ. Кодирование первого участка приближения
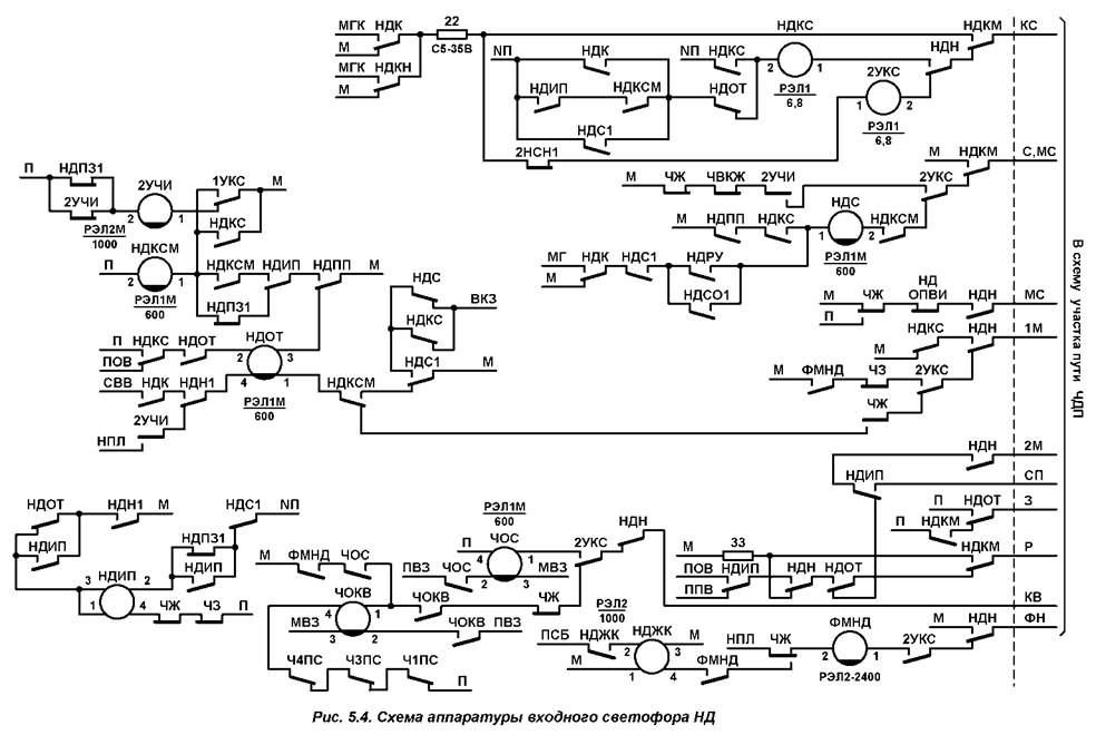
Кодирование первого участка приближения Н1П (рис. 5.1.) производится за счет непрерывной работы трансмиттера НКПТ и импульсной работы трансмиттерного реле 1ППТ. Выбор посылаемого в рельсовую цепь кода зависит от горящего на входном светофоре сигнального показания. Коммутацию цепи трансмиттерного реле осуществляют контакты следующих приборов схемы: реле НРУ указательного реле разрешающих сигнальных показаний светофора Н (рис. 5.2.); путевого реле первой секции маршрута приема НП, реле НГМ, контролирующего установку маршрута на главный путь; реле НЗС реле зеленого огня светофора Н и реле КМГ, проверяющего исправность проблесковой сигнализации.
Если светофор Н закрыт и лампа красного огня исправна, то рельсовая цепь Н1П кодируется кодом КЖ, так как в этом случае реле НРУ выключено, а огневое реле красного огня НКО включено. В случае перегорания лампы красного огня кодирование прекращается, что необходимо для переноса красного огня на предвходной светофор 1.
При включении на входном светофоре Н пригласительного сигнала, и исправности проблесковой сигнализации в рельсовую цепь также посылается код КЖ. В этом случае включены реле пригласительного сигнала НПС и реле КМГ.
При открытии входного светофора Н на приемоотправочный путь с отклонением по стрелке загораются два желтых огня, реле НРУ включается, реле НГМ включено, и в рельсовую цепь Н1 П посылается код Ж. Такой же код посылается, если светофор Н открыт на главный путь, но следующий светофор Н1 закрыт (при этом на светофоре горит один желтый огонь, реле НРУ и НГМ включены, а реле НЗС и КМГ выключены).
Код З в рельсовую цепь Н1 П поступает тогда, когда светофор Н открыт на главный путь и следующий выходной светофор Н1 открыт без отклонения по стрелкам или с отклонением. В этом случае на входном светофоре будет гореть соответственно зеленый (реле
НЗС включено) или один желтый мигающий огонь (реле НЗС выключено, а реле КМГ включено), реле НРУ и НГМ будут включены.
Контакт путевого реле НП первой секции за входным светофором Н введен в схему для исключения поступления в рельсовую цепь кодов Ж или З вместо кода КЖ при приеме короткой подвижной единицы. Это связано с замедлением на выключение сигнального реле НС (примерно 3.. .4 с) и, следовательно, указательного реле НРУ.
В кодовой автоблокировке предусматривается возможность движения поездов по неправильному перегонному пути. Оно выполняется по сигналам автоматической локомотивной сигнализации без установки проходных светофоров. При этом границей блокучастков являются светофоры, установленные для правильного направления движения.
При движении поездов в правильном направлении кодирование рельсовой цепи производится с питающего конца, а при движении поезда в неправильном направлении с релейного.
При установленном неправильном направлении движения по второму перегонному пути включается реле Д2У. Импульсное реле ЧОИ отключается, следовательно выключается реле ЧЖ, первый участок приближения к дополнительному входному светофору НД рельсовая цепь Ч1У кодируется с поста ЭЦ контактом реле НДТ. Выбор посылаемого кода осуществляется контактами реле НДС и НДКО.
5.1.2. КАБ. Управление сигнальными показаниями предвходного светофора
Управление сигнальными показаниями предвходного светофора 1 (см. рис. 5.1.) производится посредством рельсовой цепи Н1 П и проводов ЗС и ОЗС. В релейный конец рельсовой цепи Н1П включено импульсное путевое реле И (рис. 5.3.). Коды, поступающие из рельсовой цепи Н1П, расшифровываются при помощи дешифратора Д, на выходе которого включены реле Ж и З. В провода ЗС и ОЗС включено комбинированное реле ЗС. Реле ЗС выключено, если входной светофор закрыт или открыт на боковой путь по крутой стрелке (реле НЗПО - огневое реле зеленой полосы). Реле ЗС включается током прямой полярности, если маршрут установлен на главный путь и током обратной полярности, если маршрут установлен на боковой путь по пологой стрелке.
Реле ЗС имеет повторитель ЗС1, который при включении реле ЗС прямой полярностью подключается непосредственно к батарее, а при включении обратной полярностью с проверкой исправности проблесковой аппаратуры контактом реле КМГ.
Проблесковая аппаратура включает в себя датчики импульсов: трансмиттер КПТ и реле МГ. Если на светофоре 1 необходимо включить желтый мигающий или зеленый мигающий, то реле МГ включается на импульсную работу через контакты реле Ж, З и ЗС к выводу Ж трансмиттера КПТ. В короткий интервал реле МГ не выключается, что обеспечивается шунтированием собственным контактом второй обмотки. Таким образом, реле МГ работает с частотой 40 имп./мин, при этом фронтовой контакт замкнут примерно 1 с и разомкнут 0,5 с. Исправность проблесковой аппаратуры контролирует реле КМГ, включенное по схеме конденсаторного дешифратора.
Исправность нитей светофорных контролируется огневыми реле. Лампы разрешающих огней проверяются реле РО типа АОШ2-180/0,45, токовая обмотка 21-82 (сопротивлением 0,45 Ом) которого включена последовательно с нитью накаливания лампы. Для исключения выключения огневого реле при горении на светофоре мигающих сигналов организуется цепь дополнительного питания по высокоомной обмотке, имеющей сопротивление 180 Ом. Исправность нити красного огня проверяет реле О, причем контроль осуществляется и при холодном состоянии нити.
Если входной светофор Н закрыт или на нем включен пригласительный сигнал, то в рельсовую цепь Н1П поступает код КЖ. Реле Ж в релейном шкафу светофора 1 включено, а реле З, ЗС и ЗС1 выключены. На светофоре 1 горит желтый огонь.
При перегорании лампы красного огня на входном светофоре Н, а также при занятом состоянии или неисправности рельсовой цепи Н1 П в рельсовую цепь Н1 П кодов не поступает, поэтому реле Ж выключается. Через тыловой контакт реле Ж и токовую обмотку реле
О на светофоре 1 включается красный огонь.
Если на входном светофоре включены два желтых огня (прием на боковой путь по крутой стрелке), то из рельсовой цепи поступает код Ж. На выходе дешифратора Д включаются реле Ж и З. Реле ЗС и ЗС1 при этом выключены. Через фронтовые контакты реле Ж и З включается на импульсную работу реле МГ, далее включается реле КМГ и на светофоре 1 горит желтый мигающий огонь.
При открытии входного светофора на главный путь реле ЗС получает прямую полярность питания, включает свой повторитель ЗС1, который в свою очередь отключает питание реле З. На светофоре 1 через тыловой контакт реле КМГ и фронтовые контакты реле Ж и ЗС1 включается зеленый огонь.
Если на входном светофоре включены два желтых огня и зеленая полоса (прием на боковой путь по пологой стрелке), то схема работает в следующем порядке: реле ЗС получает обратную полярность питания; из рельсовой цепи поступает код Ж, поэтому включены реле Ж и З; реле МГ начинает работать в импульсном режиме; включается реле КМГ; включается реле ЗС 1 и на светофоре 1 загорается зеленый мигающий сигнал; реле ЗС 1 выключает реле З. Такой алгоритм обеспечивает появление менее разрешающего сигнального показания на светофоре 1 при любых повреждениях в схеме.
5.1.3. КАБ. Контроль свободности и занятости участков приближения
Схему контроля свободности и занятости участков приближения часто называют схемой извещения приближения поездов к станции. В этой схеме используются провода ИН, ОИН и ЗС, ОЗС (рис. 5.3.). В провода ИН, ОИН включено комбинированное реле извещения приближения НПИП (КМШ-750). Это реле включено током прямой полярности, если свободны первый (Н1П) и второй (Н2П) участки приближения. Питание реле НПИП получает из релейного шкафа светофора 1 через фронтовые контакты реле ИП и Ж. Реле ИП получает питание из релейного шкафа светофора 3 через фронтовые контакты реле Ж, которое включено на выходе дешифратора Д, расшифровывающего коды рельсовой цепи Н2П.
Если участок Н2П занят, то реле ИП выключено, а реле НПИП получает обратную полярность из релейного шкафа светофора 1 через тыловые контакты реле ИП.
Если занят участок Н1 П, то выключено реле Ж в релейном шкафу светофора 1 и, следовательно, выключено реле НПИП.
Индикацию о свободности и занятости участков приближения включают медленнодействующие повторители реле НПИП: реле Н1ИП и реле Н2ИП. При отсутствии поездов на участках Н1П и Н2П реле Н2ИП (НМШМ2-3000) включено по нижней обмотке. При вступлении поезда на участок Н2П реле НПИП получает обратную полярность питания и выключает переведенным контактом реле Н2ИП. На табло вместо белой лампы второго участка приближения загорается красная, сообщая дежурному по станции о занятии последнего. Передвигаясь далее, поезд занимает участок Н1 П. При этом выключаются реле Ж и Н1ИП, подключая верхнюю обмотку реле Н2ИП в провода ЗС и ОЗС, и красную лампу первого участка приближения на табло вместо белой. При освобождении участка Н2П реле Н2ИП включается. Такая схема включения реле НПИП и Н2ИП позволяет контролировать свободность и занятость второго участка приближения при занятом первом. Чтобы при свободном состоянии участка Н2П и освобождении участка Н1П не было кратковременной ложной занятости Н2П, реле Н2ИП имеет замедление на отпускание якоря. Это необходимо в ситуации, когда реле Ж в релейном шкафу уже включилось, а реле НПИП на посту ЭЦ еще не включилось и, следовательно, реле Н2ИП не имеет питания по обеим обмоткам.
5.1.4. КАБ. Виды замыкания маршрутов приема
В ЭЦ-12-90 предварительное и окончательное замыкание маршрутов приема выполняет реле ИП входного светофора (см. рис. 5.2.). При установке маршрута по входному светофору Н включается реле НИП, которое после открытия сигнала начинает контролировать включенное состояние реле Н1ИП, т. е. свободность первого участка приближения. Ситуация, когда реле Н1 ИП включено, называется предварительным замыканием маршрута. При его отмене фронтовой контакт реле НИП обеспечивает поступление в цепь реле Р питания от полюса ПОВ, где оно появляется по истечении 6 с. Если первый участок приближения займется подвижным составом (окончательное замыкание маршрута), то реле Н1ИП выключится, что приведет к выключению реле НИП. При отмене такого маршрута выдержка времени составляет 3 мин 15 с. В этом случае питание в цепь реле Р поступит от полюса ППВ через тыловой контакт реле НИП.
В цепи реле НИП используется именно контакт реле Н1ИП -
медленнодействующего повторителя реле НПИП. Этим исключается ложное
преждевременное выключение реле НИП при перемене полярности питания реле НПИП,
когда нейтральный контакт этого реле кратковременно выключается.
5.1.5. КАБ. Управление сигнальными показаниями выходных светофоров
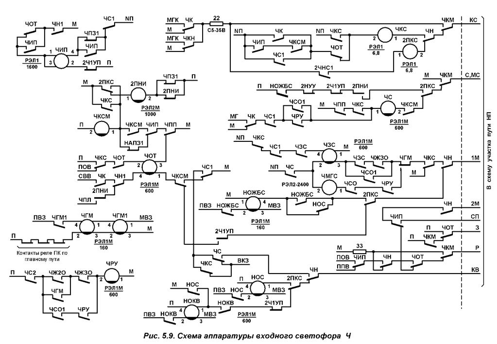
Маршрут отправления на перегон, оборудованный автоблокировкой, может быть задан в том случае, если свободен хотя бы один первый участок удаления Ч1У (рис. 5.1.) и на перегоне отсутствуют хозяйственные поезда. Хозяйственные поезда отправляются на перегон по специальному ключу-жезлу, который исключает возможность отправления на перегон других поездов до возвращения хозяйственного.
Для коммутации цепей увязки маршрутов отправления с автоблокировкой служат контрольно-секционные реле:
- по правильному пути реле 1УКС (рис. 5.4.);
- по неправильному пути реле 1ПКС (рис. 5.2.).
При задании маршрутов отправления эти реле включаются последовательно с реле КС секций и выключают исключающие реле 1УЧИ или 1ПЧИ. С проверкой фактического выключения исключающего реле замыкается цепь сигнального реле выходного светофора. В этой цепи также проверяется свободность первого участка удаления (фронтовым контактом реле ЧЖ при движении по правильному пути или фронтовым контактом реле Н1 ИП при движении по неправильному пути). При установке маршрута отправления по правильному пути проверяется также отсутствие на перегоне хозяйственных поездов (фронтовым контактом реле ЧВКЖ).
Коммутацию разрешающих огней выходного светофора производит реле ЗС, включенное в цепь первых маршрутных реле 1М. Если второй участок удаления Ч2У или Н2П занят, то в цепь 1М питание не подается и на выходном светофоре загорается один или два желтых огня. Если второй участок удаления свободен, в схеме выходного светофора включается реле ЗС и на выходном светофоре загорается зеленый огонь или два желтых, из них верхний мигающий.
В цепь реле ЗС так же введен контакт реле ФМ. При наличии неисправности, фиксируемой схемой реле ФМ на выходном светофоре зеленый огонь не включится.
5.1.6. КАБ. Размыкание последней секции маршрутов отправления
В ЭЦ-12-90 размыкание секций (любой, кроме первой за светофором) по мере движения поезда по трассе маршрута происходит с проверкой пяти условий: секции размыкаются при размыкании предыдущей, занятии данной, занятии следующей, освобождении данной секции и включении медленнодействующего на включение повторителя путевого реле данной секции. Такой алгоритм обеспечивает защиту от преждевременного размыкания маршрута при наложении и снятии шунта на какую-либо секцию. Этот же алгоритм размыкания сохранен и для последней секции маршрута отправления, для которой третье условие заменено проверкой занятия первого участка удаления Ч1 У или Н1 П. Фиксацию вступления поезда в конечную точку маршрута выполняет реле ОТ, подключенное к цепи
1 М исполнительной группы и включающееся с замыканием тылового контакта реле ЧЖ или Н1ИП (рис. 5.2., 5.4.).
5.1.7. КАБ. Контроль свободности и занятости участков удаления
Контроль свободности и занятости участков удаления достигается за счет расшифровки кодов, поступающих из рельсовой цепи Ч1У. На релейном конце (рис. 5.1.) в рельсовую цепь Ч1У включено реле ЧОИ (ИМВШ-110), которое работает в режиме кода З, если свободны три или более участков удаления, в режиме кода Ж, если свободны два участка удаления и в режиме кода КЖ, если свободен только один участок удаления.
Коды, принятые реле ЧОИ, поступают на дешифратор, состоящий из блоков БС-ДА и БК-ДА. На выходе дешифратора включены реле ЧЖ и ЧЗ. При занятом участке Ч1У или неисправной рельсовой цепи этого участка коды на дешифратор не поступают, поэтому реле ЧЖ и ЧЗ выключены. Если поступает код КЖ, что соответствует занятому состоянию участка Ч2У и свободному состоянию участка Ч1У, то включено только реле ЧЖ. При поступлении кодов Ж или З включаются оба реле ЧЖ и ЧЗ.
Таким образом, реле ЧЖ выполняет функции путевого реле первого участка удаления Ч1 У. Аналогично реле Ч3 выполняет функции путевого реле второго участка удаления Ч2У. Эти свойства реле ЧЖ и Ч3 используются для индикации на табло о свободности и занятости участков удаления и управления сигнальными показаниями выходных светофоров.
Кодирование секций и приемоотправочных путей маршрутов отправления также производится кодами, поступающими из рельсовой цепи Ч1 У.
5.2. Схемы увязки с автоблокировкой системы АБТЦ
В последнее время на сети дорог России большое распространение получает автоблокировка, построенная на основе тональных рельсовых цепей (ТРЦ) с централизованным размещением аппаратуры без изолирующих стыков АБТЦ. Аппаратура АБТЦ размещается на постах ЭЦ станций, ограничивающих перегон. При недостатке площадей аппаратура АБТЦ может быть размещена в транспортабельных модулях (контейнерах). Соединение постовой и перегонной аппаратуры осуществляется двумя кабелями для каждого пути.
Длина тональных рельсовых цепей невелика ввиду большого затухания сигнала тональной частоты, поэтому в пределах одного блок-участка может быть организовано несколько ТРЦ. При этом две смежных рельсовых цепи на перегоне имеют один общий питающий конец.
За светофором, ограждающим занятый блок-участок, предусматривается защитный участок (ЗУ), протяженностью не менее длины тормозного пути автостопного торможения со скорости УКЖ до полной остановки.
С целью повышения надежности работы системы блок-участки в АБТЦ замыкаются при занятии подвижным составом. Размыкание их происходит с контролем последовательности освобождения рельсовых цепей блок-участка, при нарушении которой участок остается в замкнутом состоянии. В этой ситуации включение разрешающих показаний на светофорах автоблокировки и подача кодов Ж и З в линию исключаются.
5.2.1. АБТЦ. Кодирование первого участка приближения
Кодирование блок-участков в АБТЦ производится за счет импульсной работы трансмиттерных реле, подключенных к кодовым путевым трансмиттерам, и начинается со вступлением поезда на блок-участок.
При вступлении поезда на первый блок-участок приближения, состоящий из трех ТРЦ: Ч2П, Ч4П и Ч6П, выключается путевое реле рельсовой цепи Ч6П, его повторители Ч6П1, Ч6П2 и общее путевое реле блок-участка Ч2-6ПП (рис. 5.5.). Начинает работать трансмиттерное реле Ч/2Т типа ТЯ-12 (рис. 5.6.). При условии, что на перегонном пути установлено правильное направление движения (реле 2ЧП включено) срабатывает кодовключающее реле участков Ч6П, Ч4П Ч4-6КВ и коды АЛСН поступают в рельсовую линию. С занятием следующей ТРЦ выключается путевое реле Ч4П, срабатывает реле Ч2-4КВ, контакты которого подают коды в рельсовые цепи Ч4П, Ч2П. Далее аналогично включается кодирование ТРЦ Ч2П. Таким образом, подача кодов АЛСН в рельсовые цепи производится по мере продвижения поезда по перегону.
Выбор посылаемого в рельсовую цепь кода зависит от горящего на входном светофоре сигнального показания, состояния защитного участка данного направления и замкнутости первого блок-участка приближения. Если на входном светофоре горит красный или пригласительный лунно-белый огонь, то огневое реле ЧКБО включено и в линию посылается код КЖ. При перегорании лампы красного огня входного светофора реле ЧКБО выключается, кодирование прекращается.
Посылка кодов Ж и З производится с проверкой включенного состояния группового кодовключающего реле Ч2-6КВ (НМШ2-4000). В цепи включения последнего фронтовым контактом реле Ч8ПЗ проверяется правильный порядок занятия рельсовых цепей предыдущего блок-участка, а фронтовым контактом реле 2Б1 разомкнутое состояние первого участка приближения. Поскольку реле 2Б1 выключается с занятием блок-участка, организована цепь самоблокировки группового кодовключающего реле, в которой тыловыми контактами путевых реле и фронтовыми контактами реле ПЗ (реле последовательного занятия РЦ) проверяется последовательность занятия рельсовых цепей блок-участка. Для предотвращения срыва кодирования при кратковременной потере шунта предусмотрено замедление выключения реле Ч2-6КВ, обеспечиваемое конденсатором, включенным параллельно обмотке этого реле. Выключение группового кодовключающего реле происходит с занятием участка за входным светофором.
При открытии входного светофора на главный путь включается реле 2З (рис. 5.7.) в рельсовую цепь посылается код Ж. Такой же код посылается и при открытии входного светофора на боковой путь. При этом реле 2З выключено, а реле ЧБРУ включено.
Если установлен маршрут сквозного пропуска по главному пути (то есть входной светофор открыт на главный путь, и выходной светофор с этого пути открыт), то включается реле ЧЗС и в рельсовую цепь поступает код З.
Кодирование первого участка приближения другого перегонного пути производится аналогично.
5.2.2. АБТЦ. Управление сигнальными показаниями предвходного светофора
Сигнальные показания предвходного светофора зависят от направления движения по перегонному пути, состояния ограничиваемого им блок-участка и входного светофора.
При установке неправильного направления движения по перегонному пути реле 2ЧП выключается и сигнализация на предвходном светофоре выключена (рис. 5.7.).
Если первый участок приближения занят (выключено реле Ч2-6ПП), не разомкнулся после проследования предыдущего поезда (выключено реле 2Б1) или на входном светофоре перегорела лампа красного или пригласительного огня (реле ЧКБО выключено), то реле 2Ж (РЭЛ1М-600), 2Ж1 (РЭЛ2М-1000) выключены и на светофоре 2 горит красный огонь.
При свободном состоянии первого участка приближения, разблокировании участка после проследования предыдущего поезда и горении на входном светофоре красного или пригласительного сигнального показания включаются реле 2Ж, 2Ж1 и на предвходном светофоре загорается желтый огонь.
При открытии входного светофора на боковой путь фронтовым контактом реле ЧБРУ запускается комплект мигания, состоящий из датчика импульсов 2ДИ типа ДИМ-1, реле мигающей сигнализации 2М (С2-1000) и реле, контролирующего исправность проблесковой аппаратуры 2КМ (РЭЛ2-2400). При этом реле 2М начинает работать в импульсном режиме, а реле 2КМ включается. На светофоре 2 загорается желтый мигающий огонь.
Открытие входного светофора на главный путь приводит к срабатыванию в схеме предвходного светофора реле 2З, 2З1, включающих зеленое сигнальное показание.
На предвходном светофоре предусматривается использование двухнитевых ламп красного и желтого огней. Исправность основных нитей ламп контролируется огневым реле 2О (ОЛ2-88), имеющим повторители 2О1 (РЭЛ2М-1000), 2О2 (РЭЛ2-2400), 2О3 (РЭЛ22400). Схемы построены таким образом, что при переключении сигнальных показаний обязательно происходит выключение основного огневого реле 2О. Например, на светофоре 2 горит желтый огонь. В это время открывается входной светофор на главный путь. Включаются реле ЧГРУ и 2З. Желтая лампа на светофоре 2 гаснет, выключается огневое реле 2О, после чего происходит включение реле 2З1, зеленого огня и реле 2О.
При перегорании основной нити лампы происходит выключение реле 2О и 2О1. Включение резервных нитей светофорных ламп происходит через тыловые контакты последнего. Для исключения подачи питания в цепи резервных нитей при обычном переключении сигнальных показаний на светофоре реле 2О1 имеет замедление на выключение. Исправность резервных нитей ламп предвходного светофора не контролируется.
Реле 2О2 предназначено для запоминания информации о перегорании основных нитей ламп светофора. Его контакт коммутирует цепь контрольной лампы на пульте ДСП, которая при выключении этого реле начинает мигать. Повторное включение реле 2О2 производится электромехаником кратковременной установкой перемычки в гнездо 2ГН.
Для исключения выключения огневого реле 2О во время пауз при горении желтого мигающего огня организована цепь дополнительного питания этого реле по высокоомной обмотке 4-3.
Для защиты от последствий короткого замыкания прямых и
обратных проводов питания светофорных ламп в провода ОЖЗ и ОК введен
предохранитель, рассчитанный на ток 0,3 А. В случае короткого замыкания он
перегорает, светофорные лампы обесточиваются, выключаются огневые реле, на
табло ДСП начинает мигать контрольная лампа светофора. При длине кабеля от
поста ЭЦ до предвходного светофора более
5.2.3. АБТЦ. Контроль свободности и занятости участков приближения и удаления
Контроль состояния участков приближения и удаления при правильном или неправильном направлении движения по перегонным путям осуществляется схемами реле УП. Контактами этих реле коммутируются цепи исполнительной группы ЭЦ и контрольных ламп на табло ДСП.
Реле 2Ч1УП контролирует первый участок приближения к входному светофору Ч (рис. 5.8.). В его цепи контактом реле Ч2-6ПП проверяется: свободность всех ТРЦ блокучастка. Кроме того, при правильном направлении движения (реле 2ЧСН выключено) контактом реле 2Б проверяется разомкнутое состояние блок-участка; при неправильном направлении движения (реле 2ЧСН включено) контактом реле 2ЗУН контролируется свободность защитного участка за первым по удалению проходным светофором (рельсовые цепи Ч8П, Ч10П), контактом 2НУУ разомкнутое состояние участка удаления.
Состояние второго участка удаления контролирует реле 2Ч2УП, в цепи которого проверяется контакт реле Ч8-14ПП - путевого реле второго блок-участка удаления. При неправильном направлении движения (реле 2ЧПН выключено) контактом реле 4ЗУН дополнительно проверяется свободность защитного участка за светофором 4 вторым по удалению от станции.
Аналогично, на другом перегонном пути состояние участков приближения-удаления контролируют реле 1 Ч1 УП и 1 Ч2УП.
На табло ДСП предусмотрена также индикация замкнутости первых участков удаления, поскольку от этого зависит возможность установки маршрута отправления. При установленном направлении движения по перегонному пути соответствующем отправлению со станции включается реле ЧСН. При этом загорается контрольная лампа НЗУ: белым светом, если участок удаления разомкнут (реле НУУ включено) и красным при его замкнутом состоянии (реле НУУ выключено).
5.2.4. АБТЦ. Виды замыкания маршрутов приема
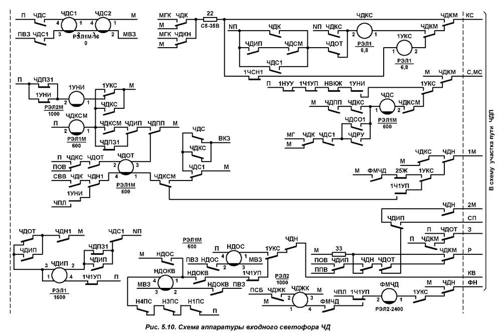
Предварительное и окончательное замыкание маршрутов приема происходит аналогично тому, как это описано в п. 5.1.4. В цепи известителя приближения ЧИП (ЧДИП) для контроля состояния первого участка приближения используется фронтовой контакт реле 2Ч1УП (1Ч1УП) (см. рис. 5.9., 5.10.).
5.2.5. АБТЦ. Управление сигнальными показаниями выходных светофоров
Применение на перегоне двухпутной двусторонней автоблокировки делает возможным отправление поездов со станции на любой из перегонных путей. При отправлении поездов по правильному пути применяется традиционная светофорная сигнализация, а при отправлении на неправильный путь перегона, оборудованного АБТЦ, применяется сигнализация одновременно горящими желтым мигающим и лунно-белым огнями вне зависимости от количества свободных участков удаления.
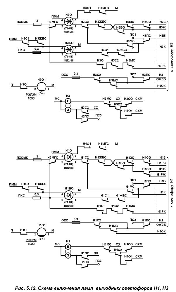
При установке маршрута отправления на правильный перегонный путь по цепи контрольно-секционных реле с проверкой установленного направления движения, осуществляемой контактом реле 1ЧСН1, включается реле 1УКС (рис. 5.10.). С контролем свободности и незамкнутости первого участка удаления и свободности защитного участка за первым по удалению перегонным светофором, что проверяется контактами реле 1Ч1УП и 1НУУ, фактического замыкания схемы смены направления движения, достигаемого выключением исключающего реле 1УНИ, и отсутствия на перегоне отправленных хозяйственных поездов, проверяемого контактом реле НВКЖ, включается сигнальное реле выходного сигнала (например, Н3С, рис. 5.11.). После включения повторителей основного сигнального реле Н3С1, Н3С2 на выходном светофоре Н3 красное сигнальное показание меняется на желтое (рис. 5.12.).
Для включения на выходном светофоре зеленого огня предусматривается реле Н3ЗС, включенное в момент установки маршрута в цепь 1М. Со стороны конца маршрута отправления в цепь включается фронтовой контакт реле 25Ж участка удаления, проверяющего свободное состояние второго участка удаления, его разблокирование после проследования предыдущего поезда и свободность защитного участка за второй по удалению сигнальной точкой.
При установке маршрута отправления на неправильный перегонный путь после включения контрольно-секционного реле 2ПКС по цепи 1М последовательно включаются реле НОЖБС и Н3ЖБС (РЭЛ1М-160), установленные соответственно в схемных узлах входного светофора Ч (рис. 5.9.) и выходного светофора Н3 (рис. 5.11.). Контакт реле НОЖБС замыкает цепь включения сигнального реле Н3С. После включения последнего и его повторителей Н3С1, Н3С2 срабатывает реле Н3МГС, обеспечивающее проблесковую сигнализацию на выходном светофоре, а реле Н3ЖБС переключается на цепь самоблокировки. На светофоре Н3 загораются желтый мигающий и лунно-белый огни. В случае перегорания при этом лампы лунно-белого огня машинист отправляющегося поезда может быть введен в заблуждение. Для исключения этой опасной ситуации в схему включения огней выходного светофора дополнительно введено огневое реле Н3БО, контролирующее исправность нити лунно-белого огня при таком сигнальном показании. Перегорание нити этой лампы приведет к выключению реле Н3БО, контакт которого разомкнет и цепь включения лампы желтого огня.
Исправность нитей ламп остальных огней (в том числе и лунно-белого при других сигнальных показаниях) контролирует огневое реле Н3О, а схема работает как это описано в п. .
5.2.6. АБТЦ. Размыкание последней секции маршрутов отправления
Размыкание последней секции маршрутов отправления производится аналогично тому, как это описано в п. 5.1.6. Фиксация занятия перегона выполняется контактом реле 1Ч1УП (2Ч1УП).
5.2.7. АБТЦ. Кодирование секций и приемоотправочных путей маршрутов отправления
Для кодирования секций и приемоотправочных путей строится схема кодовоключающих реле КВ (см. п. ). При установке маршрута отправления по правильному перегонному пути по цепи КВ срабатывает реле НДОС (РЭЛ 1 М-600), включая своим контактом реле НДОКВ (РЭЛ1М-600) (рис. 5.10.). Аналогично при отправлении на неправильный путь включаются реле НОС, НОКВ. При этом включается трансмиттерное реле НДОТ или НОТ (ТЯ-12), контакт которого начинает посылать в рельсовую линию коды АЛСН (рис. 5.6.). Выбор кода зависит от состояния участков удаления и защитных участков и производится аналогично тому, как это описано в п. 5.2.1.





|
|
1Ч2УП 1Ч1УП 1НЗУ МС 2Ч2УП 2Ч1УП J-Ч 4 П Ч2-6ПП 2ЗУН СХ 2ЧСН 2НУУ L 2Ч2УП С

![]()

![]()
![]()



|
2НРИ
|




