![]() |
|
3.1. Схема блока выдержки времени типа БВМШ
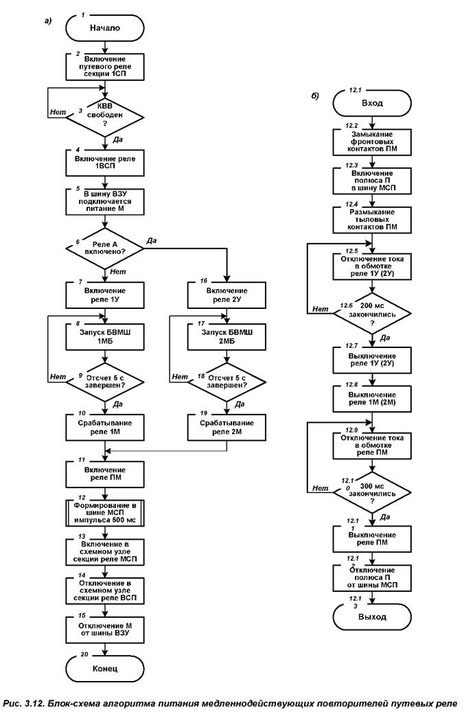
Блок БВМШ предназначен для получения различных выдержек времени на срабатывания исполнительных реле. В системе ЭЦ-12 блоки БВМШ используются в схемах отмены маршрутов, искусственной разделке, питания медленнодействующих повторителей путевых реле, питания лучевых реле и т. п.
На рис. 3.18,а показана упрощенная схема блока БВМШ, которая содержит преобразователь напряжения ПН, выпрямитель В, конденсатор С, зарядный R3 и разрядный RP резисторы, тиратрон Т. Схема срабатывает после замыкания фронтовых контактов реле ВВ1, в результате чего преобразователь получает питание 24В от полюсов П-М. На выходе выпрямителя возникает постоянное напряжение, примерно равное 200 В. Кроме того, при размыкании тыловых контактов реле ВВ1 снимается шунт с конденсатора С. Обмотка выходного реле ПВ подсоединена параллельно конденсатору С через электроды тиратрона Т.
Принцип действия схемы выдержки времени основан на накоплении энергии конденсатором С при его включении на постоянное напряжение через резисторы R3 и RР . Постоянная времени цепи заряда конденсатора т = C(Rs + RР) обеспечивает экспоненциальную зависимость напряжения на конденсаторе UC (t), а требуемый период выдержки может быть отрегулирован в широких пределах путем изменения величины сопротивления зарядного резистора Rs, учитывая, что Rs ? Rp.
Тиратрон Т типа МТХ-90, имеющий напряжение зажигания 90 В, является пороговым элементом, отслеживающим величину напряжения на конденсаторе. Если напряжение на конденсаторе UC (t) < 90 В, то тиратрон имеет большое внутреннее сопротивление, поэтому цепь обмотки реле ПВ практически не влияет на процесс заряда конденсатора.
При достижении напряжения UC (t) = 90 В происходит зажигание тиратрона, его внутреннее сопротивление резко падает, в результате чего конденсатор С разряжается на обмотку реле ПВ. Реле ПВ, включаясь, отключает полюс питания П от преобразователя ПН и становится на цепь самоблокировки через собственный фронтовой контакт и контакт реле ВВ 1. Схема приходит в исходное состояние после выключения реле ВВ 1: реле ПВ выключается, а конденсатор С разряжается через резистор RР и тыловые контакты реле ВВ 1.
Принципиальная схема блока БВМШ представлена на рис. 3.18,б. В этой схеме преобразователь напряжения выполнен на трансформаторе ТР и транзисторах VT2 и VT3, включенных по схеме с общим эмиттером. Трансформатор имеет магнитопровод, изготовленный из холоднокатаной стали, т.е. из материала с прямоугольной петлей гистерезиса. Для подключения преобразователя на напряжение 24 В используются входные клеммы 13-11, а для подключения на напряжение 12 В клеммы 12-11. Рассмотрим динамику работы преобразователя напряжения.
При замыкании фронтовых контактов реле ВВ1 возникают базовые токи транзисторов VT2 и VT3 через резисторы R1, R3 и обмотки 5-6, 6-7 трансформатора ТР. В результате возникают коллекторные токи 1К2 и 1К3 транзисторов VT2 и VT3, протекающие по обмоткам 1-2 и 3-2 в противоположных направлениях. Эти токи из-за естественного технологического разброса параметров транзисторов и обмоток трансформатора не будут равны между собой. Допустим, что 1К2 > 1К3. Тогда результирующая магнитодвижущая сила F = W121К2 W321К3 создает в сердечнике трансформатора магнитный поток Ф такого направления, что ЭДС, наведенная в базовых обмотках 5-6 и 6-7, еще больше будет увеличивать ток 1К2 транзистора VT2 и уменьшать ток 1К3 транзистора VT3. Изменения токов закончатся, когда транзистор VT2 полностью откроется, а транзистор VT3 закроется. Процесс изменения коллекторных токов, а следовательно, открытия и закрытия транзисторов, происходит лавинообразно, в результате чего в выходном напряжении формируется крутой передний фронт.
Возросший скачок тока 1К2 приводит к изменению магнитной индукции сердечника до величины Вг , при котором происходит насыщение сердечника. Если в процессе нарастания тока 1К2 магнитный поток Ф в сердечнике нарастал по линейному закону, то при насыщении сердечника скорость нарастания потока уменьшается. Изменение магнитного потока в сторону уменьшения изменит направления ЭДС, наводимых в обмотках 5-6 и 6-7. За счет положительной обратной связи это приводит к запиранию транзистора VT2 и отпиранию транзистора VT3. Лавинообразный процесс открытия VT3 и закрытия VT2 приводит к формированию крутого заднего фронта выходного импульса.
Таким образом транзисторы VT2 и VT3 работают в ключевом режиме, поочередно подключая к обмоткам 1-2 и 3-2 трансформатора постоянное напряжение 24 В. Изменяющейся магнитный поток в сердечнике трансформатора индуцирует во вторичной обмотке 4-8 переменную ЭДС, форма которой приближается к прямоугольной. Напряжение составляет примерно 220 В.
В качестве выпрямителя VD5 в блоке БВМШ используется выпрямительный мост КЦ-402, постоянное напряжение на его выходе (измеренное на клеммах 51-32) составляет примерно 200 В.
В цепи заряда конденсатора С установлены пять резисторов R4 R8, что позволяет за счет установки соответствующих внешних перемычек получить шесть ступеней выдержки времени (табл. 3.х). Для разряда конденсатора используется резистор R9. Сопротивления резисторов R2 и R3 подбирают при регулировке блока.
Таблица 3.х.
|
Ступени выдержки времени |
Перемычки |
Сопротивления зарядных резисторов, кОм |
Выдержка времени, с при напряжении, В |
|
21,6 |
24,0 |
26,4 |
|
I |
51-71-73, 31-52-53-72 |
292 |
8,0 |
6,0 |
4,0 |
|
II |
51-52, 31-53-72 |
910 |
24,0 |
17,3 |
11,0 |
|
III |
51-53, 31-72-73 |
1800 |
47,0 |
34,5 |
22,0 |
|
IV |
51-73, 31-71-72 |
3600 |
76,0 |
66,0 |
48,0 |
|
V |
53-73, 31-71-72 |
4900 |
115,0 |
92,0 |
60,0 |
|
VI |
31-72 |
14200 |
310,0 |
252,0 |
175,0 |
Для предотвращения опасного отказа уменьшения выдержки времени срабатывания выходных реле (например, реле ПВ)остаточный заряд на конденсаторе снимается дублированными тыловыми контактами управляющих реле (например, реле ВВ1). В качестве перемычки между тыловыми контактами припаивается медная пластина.
Для включения общего кодово-включающего реле КВ и ОКВ используется специальная цепь по плану станции (цепь КВ).
В конце схемы маршрута приема в цепь КВ включены фронтовые контакты реле ПКС и ФМ, а также тыловой контакт реле НПС пригласительного сигнала входного светофора (рис. 3.19).
В маршрутах отправления реле ОКВ срабатывает через фронтовой контакт реле ОС (общего сигнального реле по отправлению). В цепи реле ОС проверяется фронтовой контакт реле ОКС (1УКС).
В начале маршрута в цепь реле КВ (ОКВ) минус батареи подключается фронтовыми контактами начального Н и сигнальных реле С и С1.
После выхода поезда за светофор реле КВ (ОКВ) самоблокируется через тыловой контакт реле ПКС (ОКС) по цепи КВ. При следовании по маршруту минус батареи в цепь КВ подается из схемных узлов секций через фронтовой контакт реле первого по ходу маршрутного реле и тыловой контакт реле МСП (МП).
Выключение кодово-включающего реле происходит с занятием премо-отправочного пути при приеме поезда и с занятием первого участка удаления при отправлении.
Реле КВ выключается контактами реле ФМ при выключении стрелки из зависимости с сохранением пользования сигналами и контактами реле ПС при включении пригласительного сигнала.
Схемы секционных кодово-включающих и трансмиттерных реле строятся индивидуально для конкретного случая, в зависимости от вида тяги, типа рельсовых цепей и в соответствии с действующими материалами по кодирования станционных путей.
3.3. Взаимозависимость сигнальных показаний
Для осуществлении
взаимозависимости сигнальных показаний используется цепь включения первого
маршрутного реле
Для включения зеленого огня на светофоре служит реле ЗС. Мигающий сигнал включается с помощью реле МГС.
Соединение цепи взаимозависимости сигнальных показаний по плану станции осуществляется через тыловые контакты маршрутных реле и фронтовой контакт контрольно-секционного реле секций маршрута.
В цепь взаимозависимости включен фронтовой контакт реле ФМ (фиксация макета), который обрывает цепь, если одна из стрелок маршрута подключена на «макет».
Фронтовой контакт основного сигнального реле С в начале цепи взаимозависимости исключает срабатывание реле ЗС или МГС по цепи первого маршрутного реле при кратковременном наложении и снятии шунта на первой и второй секциях маршрута.
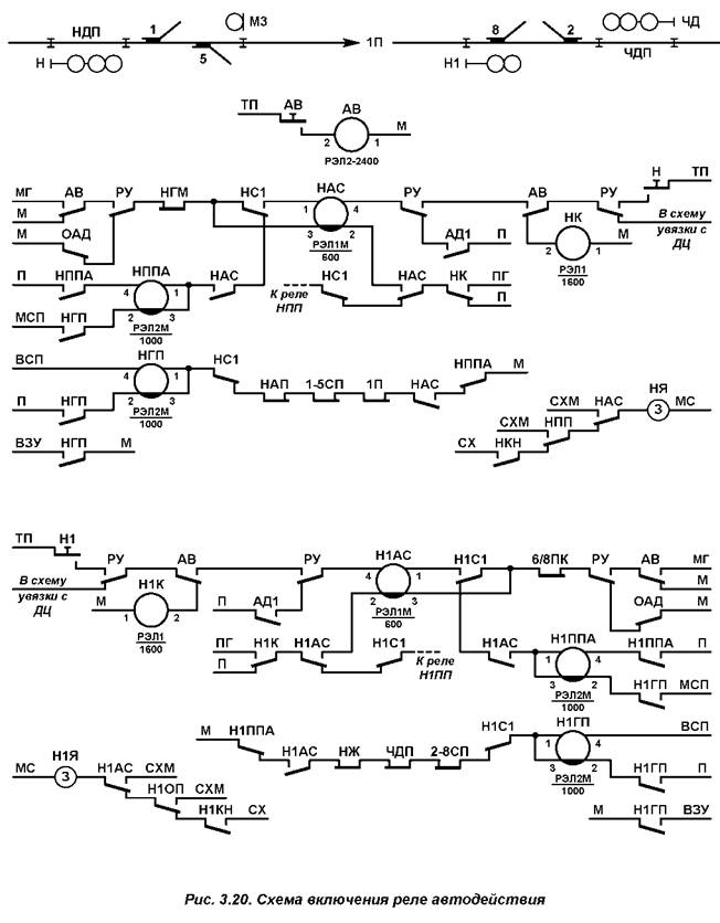
3.4. Схема включения автодействия поездных светофоров
Схема автоматического включения разрешающих сигнальных показаний предназначена для безостановочного пропуска поездов без вмешательства дежурного по станции или поездного диспетчера. На автодействие, как правило, передаются входные, маршрутные и выходные светофоры главных путей станций, расположенных на двухпутных линиях. Однако схемные решения допускают включения автодействия светофоров на любых путях безостановочного пропуска.
Для каждого поездного светофора, работающего в режиме автодействия, устанавливаются реле: АС реле автодействия светофора; ППА противоповторное реле автодействия; ГП - групповое путевое реле, которое является медленнодействующим повторителем путевых реле всех секций маршрута и приемо-отправочного пути в случае передачи на автодействие входных и маршрутных светофоров, а также реле Ж участка удаления для выходных светофоров.
На рис. 4.х. приведен пример включения автодействия светофоров по пути 1П: входного светофора Н и выходного светофора Н1.
Установка режима автодействия при резервном управлении (реле РУ включены) выполняется дежурным по станции после открытия светофора повторным нажатием начальной кнопки и групповой кнопки АВ. При этом срабатывает реле АС, которое после отпускания кнопок самоблокируется. Фронтовыми контактами реле АС подготавливает цепи включения противоповторного реле ППА и реле ГСП.
После проследования поезда по маршруту и освобождения пути приема или участка удаления при условии свободности комплекта выдержки времени, от шины ВСП срабатывает групповое путевое реле НГП или Н1ГП. Через 5 с срабатывает комплект выдержки и в шине МСП появляется питание, в результате чего включается противоповторное реле НППА или Н1ППА.
Противоповторное реле НППА или Н1 ППА подает питание в цепь контрольно-секционных и сигнального реле. В результате происходит автоматическое открытие входного или выходного светофоров. Тыловым контактом сигнальное реле НС1 (Н1С1) отключается цепь самоблокировки реле НППА и НГП (Н1ППА и Н1ГП), и схема автодействия приходит в исходное состояние.
В режиме автодействия маршрут, по мере проследования поедом, не размыкается и стрелки остаются замкнутыми. Для этого цепь второго по ходу маршрутного реле в схемных узлах светофоров Н и Н1 разомыкается тыловым контактом реле автодействия НАС или Н1 АС.
Отмена автодействия при резервном управлении может быть выполнена двояким способом. Во-первых, с одновременным закрытием светофора и отменой маршрута, что выполняется нажатием групповой кнопки отмены ОГ и кнопки светофора Н (Н1), находящегося в режиме автодействия. В этом случае происходит за счет отключения полюса питания П от шины ПГ. Во-вторых, без закрытия светофора и отмены маршрута, для этого нажимаются кнопки ОГ и АВ. Это вызывает выключение реле НАС (Н1 АС) из-за отключения полюса питания М от шины МГ.
Установка режима автодействия при диспетчерском управлении (реле РУ выключены) выполняется поездным диспетчером. Для того, чтобы перевести светофоры в режим автодействия, диспетчер обычным порядком должен установить маршруты по светофорам Н и Н1, а затем послать на этот линейный пункт специальный приказ телеуправления АД1. В результате включается реле АД1 (автодействие по 1 пути), что вызывает срабатывание реле НАС и Н1АС.
Отменяется автодействие посылкой специальной команды ОАД1 отмена автодействия по 1 пути, что приводит к срабатыванию реле ОАД, а затем к выключению НАС и Н1АС.
|
|
|
|
|
|



|
|
|
Рис. 3.6.
Схема маршрутных и замыкающих реле |
|
|
|
Рис. 3.7. Схема сигнальных
реле |
|
Рис. 3.8.
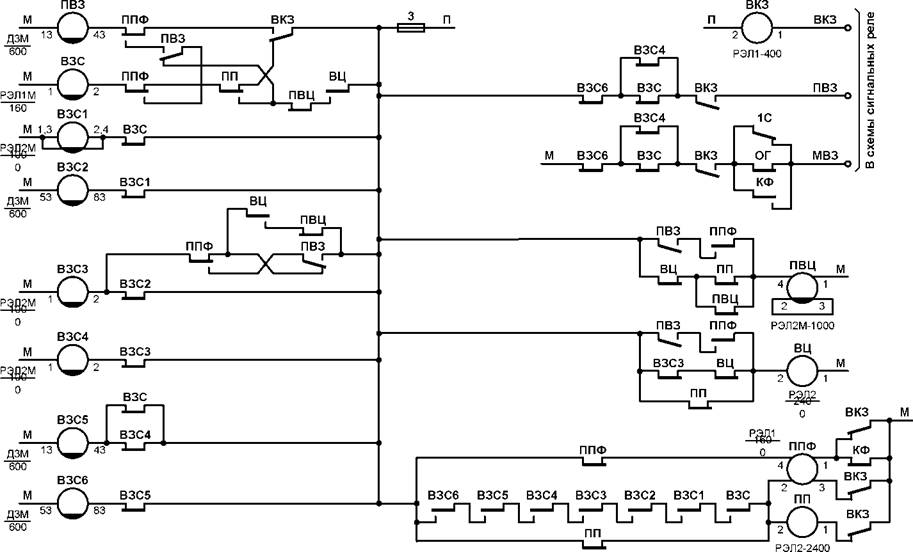
Шины питания медленнодействующих повторителей сигнальных реле. Вариант 1 |

|
Рис. 3.10. Шины питания
медленнодействующих повторителей сигнальных реле. Вариант 2 |









