СЦБИСТ - железнодорожный форум, блоги, фотогалерея, социальная сеть
Ушел из жизни Крупицкий Адольф Зельманович
6 февраля 2026 года ушел из жизни Крупицкий Адольф Зельманович, более шести десятков лет проработавший в институте «Гипротранссигналсвязь». Всю свою трудовую деятельность А.З. Крупицкий посвятил проектному делу. После окончанию обучения в Ленинградском институте инженеров железнодорожного транспорта в 1959 году начал свою профессиональную деятельность в качестве старшего электромеханика дистанции сигнализации и связи на Казахской железной дороге. В 1960 году пришел на работу в институт на должность инженера, работал руководителем группы, главным инженером проектов.

Читать далее
Вернуться   СЦБИСТ - железнодорожный форум, блоги, фотогалерея, социальная сеть > Локомотивный комплекс > Ремонт подвижного состава
Ремонт подвижного состава Обсуждение вопросов ремонта локомотивов, электро- и дизельпоездов, ССПС и др.
Описание темы:Устройство и работа АГД-1М
Закладки ДневникиПоддержка Сообщество Комментарии к фото Сообщения за день
Ответить в этой теме   Перейти в раздел этой темы    
 
В мои закладки Подписка на тему по электронной почте Отправить другу по электронной почте Опции темы Поиск в этой теме
Старый 23.11.2012, 12:15   #1 (ссылка)
Кандидат в V.I.P.
 
Аватар для samsolo2005

Регистрация: 27.06.2012
Сообщений: 20
Поблагодарил: 13 раз(а)
Поблагодарили 2 раз(а)
Фотоальбомы: не добавлял
Репутация: 6

Тема: Автомотриса АГД-1М


Уважаемые ж/д если у кого есть документация по мотрисе АГД-1М прошу поделиться, с уважением С.С.
З.Ы. Выручайте, не откажите...
samsolo2005 вне форума   Цитировать 0
Старый 19.04.2013, 11:24   #2 (ссылка)
Кандидат в V.I.P.
 
Аватар для chvv

Регистрация: 02.12.2012
Адрес: ст. Ртищево-1
Сообщений: 4
Поблагодарил: 3 раз(а)
Поблагодарили 0 раз(а)
Фотоальбомы: 16 фото
Записей в дневнике: 3
Репутация: 0
Привет,
Я тоже ищу документацию на АГД-1М но могу поделиться вот этим:
http://scbist.com/tyagovyi-podvizhno...pluatacii.html
chvv вне форума   Цитировать 1
Старый 14.05.2013, 23:09   #3 (ссылка)
Кандидат в V.I.P.
 
Аватар для chvv

Регистрация: 02.12.2012
Адрес: ст. Ртищево-1
Сообщений: 4
Поблагодарил: 3 раз(а)
Поблагодарили 0 раз(а)
Фотоальбомы: 16 фото
Записей в дневнике: 3
Репутация: 0
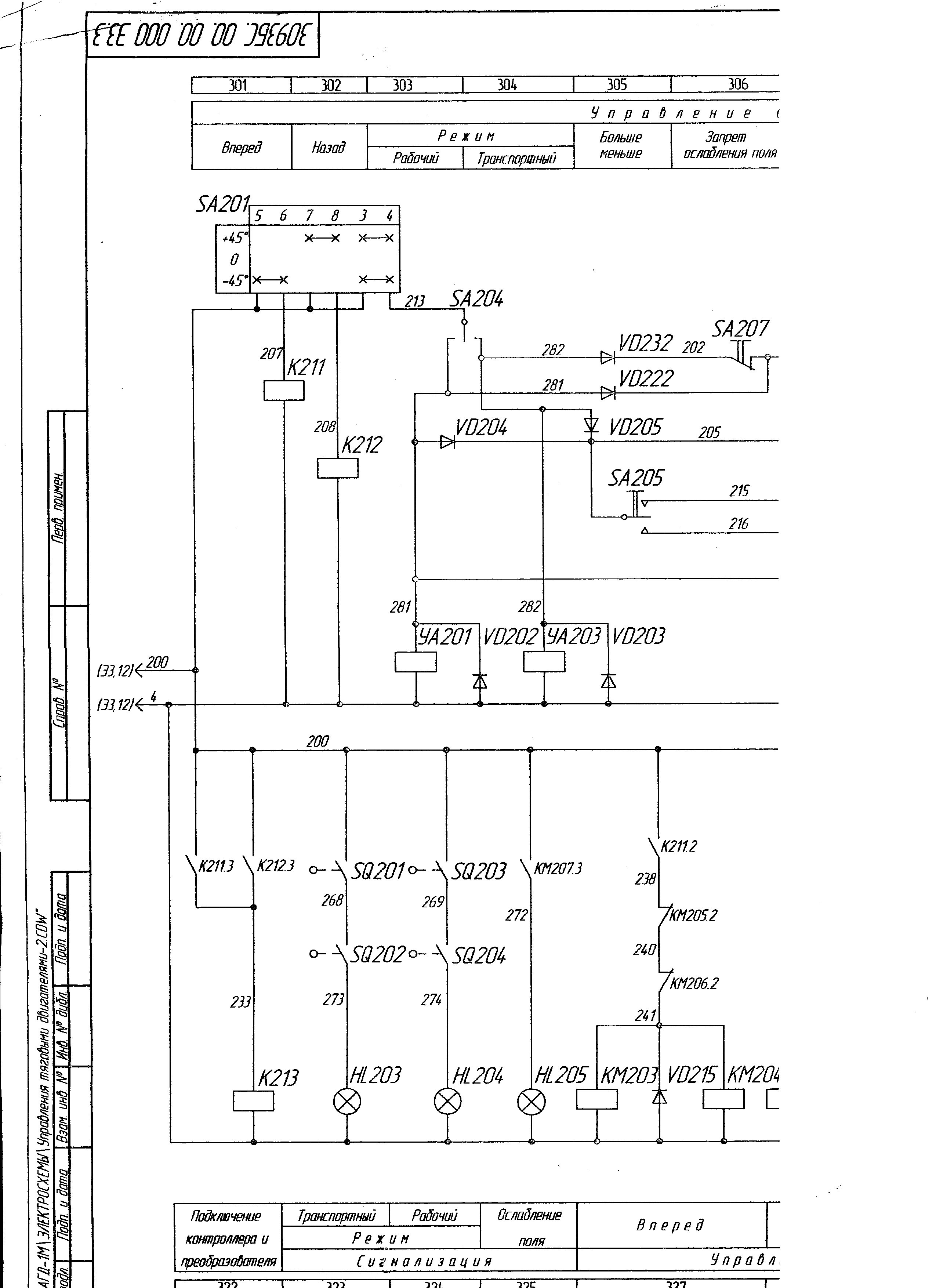
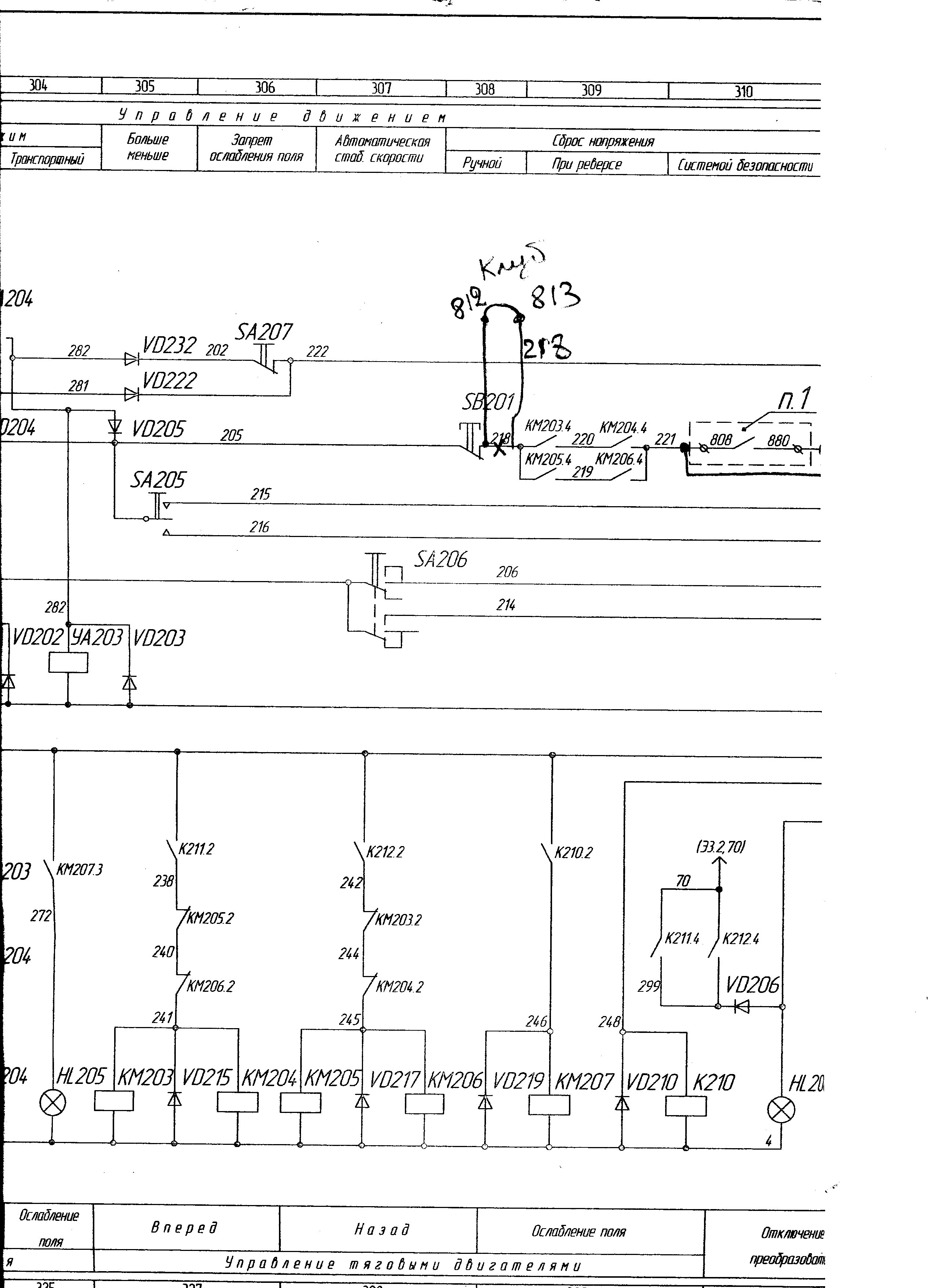
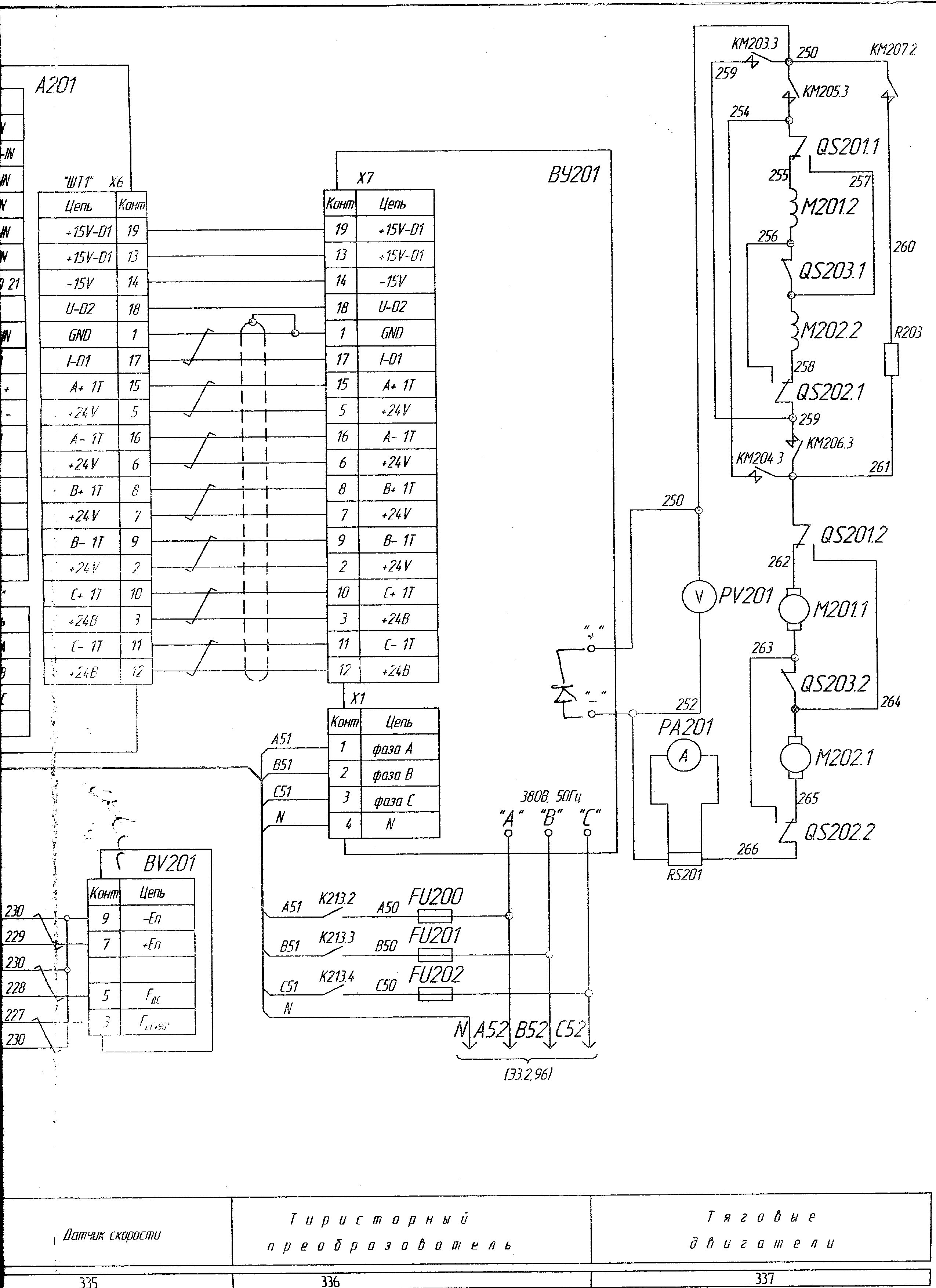
http://scbist.com/scb/uploaded/82492_1368554739.jpg
http://scbist.com/scb/uploaded/82492_1368554773.jpg
http://scbist.com/scb/uploaded/82492_1368554824.jpg
http://scbist.com/scb/uploaded/82492_1368554853.jpg
http://scbist.com/scb/uploaded/82492_1368554884.jpg
chvv вне форума   Цитировать 1
Старый 02.06.2015, 12:29   #4 (ссылка)
Кандидат в V.I.P.
 
Аватар для Татьяна03

Регистрация: 01.06.2015
Сообщений: 2
Поблагодарил: 0 раз(а)
Поблагодарили 0 раз(а)
Фотоальбомы: не добавлял
Репутация: 0
Добрый день) Пожалуйста поделитесь хоть какой нибудь информацией по обслуживанию и ремонту автомотрисы АЧ2
Татьяна03 вне форума   Цитировать 0
Старый 02.06.2015, 13:46   #5 (ссылка)
Старший системный механик
 
Аватар для Rustmaker

Регистрация: 11.04.2011
Адрес: Возле железки, шестьдесят лет...
Сообщений: 805
Поблагодарил: 115 раз(а)
Поблагодарили 173 раз(а)
Фотоальбомы: не добавлял
Репутация: 396
Цитата:
Сообщение от Татьяна03 Посмотреть сообщение
Добрый день) Пожалуйста поделитесь хоть какой нибудь информацией по обслуживанию и ремонту автомотрисы АЧ2
http://scbist.com/zhurnal-lokomotiv/...zhivaniya.html
__________________
...
Rustmaker вне форума   Цитировать 1
Старый 06.06.2015, 07:56   #6 (ссылка)
Кандидат в V.I.P.

Автор темы
 
Аватар для samsolo2005

Регистрация: 27.06.2012
Сообщений: 20
Поблагодарил: 13 раз(а)
Поблагодарили 2 раз(а)
Фотоальбомы: не добавлял
Репутация: 6
Вы даже не представляете как я рад Вашей помощи, дай Бог Вам и Вашим родным и близким здоровья и долгих лет жизни. С уважением Константин.
samsolo2005 вне форума   Цитировать 0
Похожие темы
Тема Автор Раздел Ответов Последнее сообщение
Автомотриса АДМ-1 - руководства по эксплуатации Admin Тяговый подвижной состав 6 06.03.2017 19:18
Автомотриса АЧ2: особенности электрооборудования и технического обслуживания Admin xx2 2 09.11.2015 23:25

Ответить в этой теме   Перейти в раздел этой темы   Translate to English


Здесь присутствуют: 1 (пользователей: 0 , гостей: 1)
 

Ваши права в разделе
Вы не можете создавать новые темы
Вы не можете отвечать в темах
Вы не можете прикреплять вложения
Вы не можете редактировать свои сообщения

BB коды Вкл.
Смайлы Вкл.
[IMG] код Вкл.
HTML код Выкл.
Trackbacks are Вкл.
Pingbacks are Вкл.
Refbacks are Выкл.



Часовой пояс GMT +3, время: 16:26.

Яндекс.Метрика Справочник 
сцбист.ру сцбист.рф

СЦБИСТ (ранее назывался: Форум СЦБистов - Railway Automation Forum) - крупнейший сайт работников локомотивного хозяйства, движенцев, эсцебистов, путейцев, контактников, вагонников, связистов, проводников, работников ЦФТО, ИВЦ железных дорог, дистанций погрузочно-разгрузочных работ и других железнодорожников.
Связь с администрацией сайта: admin@scbist.com
1 2 3 4 5 6 7 8 9 10 11 12 13 14 15 16 17 18 19 20 21 22 23 24 25 26 27 28 29 30 31 32 33 34 
Powered by vBulletin® Version 3.8.1
Copyright ©2000 - 2026, Jelsoft Enterprises Ltd.
Powered by NuWiki v1.3 RC1 Copyright ©2006-2007, NuHit, LLC Перевод: zCarot