СЦБИСТ - железнодорожный форум, блоги, фотогалерея, социальная сеть

СЦБИСТ - железнодорожный форум, блоги, фотогалерея, социальная сеть (https://scbist.com/)
-   Рельсовые цепи, счетчики осей (https://scbist.com/relsovye-cepi-schetchiki-osei/)
-   -   Разминка для ума :). (https://scbist.com/relsovye-cepi-schetchiki-osei/22422-razminka-dlya-uma.html)

Вы просматриваете версию для печати. Если вы хотите увидеть статью полностью - перейдите по ссылке

Кабанбай Батыр 26.01.2013 00:50

Цитата:

Может нуна прокалькулировать,
С недавних пор перестал доверять научным выкладкам, длинным формулам, умным речам ... Верю только подписанным документам с синей подписью и печатью.:thumbup1:

Torquato Tasso 26.01.2013 08:30

Вложений: 1
Цитата:

Сообщение от Александр (Сообщение 134480)
Калькуляцию ф студию!

По просьбам трудящихся пример маткадовского расчета ТРЦ. Чтоб все желающие могли узреть , файл перелицован в РТФ.

Torquato Tasso 26.01.2013 08:31

Цитата:

Сообщение от Александр Михайлович (Сообщение 134482)
С недавних пор перестал доверять научным выкладкам, длинным формулам, умным речам ... Верю только подписанным документам с синей подписью и печатью.:thumbup1:

Крутым возомнился?

Torquato Tasso 26.01.2013 15:15

Цитата:

Сообщение от Александр (Сообщение 134480)
Калькуляцию ф студию!

Цитата:

Сообщение от Александр Михайлович (Сообщение 134480)
Такой расчет РЦ я делал 15 лет назад. И чё?

Ну дак подмогни товарисчу

Balbes 27.01.2013 15:32

Цитата:

Сообщение от Александр Михайлович
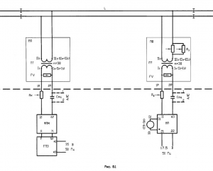
Собственно ищется объективная причина необходимости шунтирования конденсатора Срц в станционных ТРЦ.
Разумных (тыкание носом в распоряжение с указанием причины) объяснений пока не обнаружено.

http://morepic.ru/thumbs3/14691358930376_9847.png

Если просто смотреть на схему, то очевидна картина.
Конденсатор здесь создаёт ёмкостное сопротивление Хс.
При прохождении через Хс , ток опережает напряжение, то есть, смещён по фазе. Так как конденсатор последовательно соединён с индуктивностью , то при определённой частоте, ёмкостное и индуктивное сопротивление начинают компенсироваться, не будет сдвига между током и напряжением, соответственно создаётся резонанс.
Но практически ,это осуществить очень трудно, так как все сильно зависит от частоты, которую вырабатывает ГП3.
В ФПМ, перемычками с помощью конденсаторов ,уже выставляют максимум э.д.с. на выходе.

Конденсатор Срц здесь шунтируют потому, что трудно с его помощью вогнать цепь в резонанс, а если этого не сделать, то увеличится реактивное сопротивление, соответственно падает напряжение, поэтому и убирают ёмкость.
Активное сопротивление Rк здесь только ограничивает по току, так как не зависит от частоты.

Кабанбай Батыр 27.01.2013 17:16

Цитата:

Сообщение от BALBES (Сообщение 134728)
Если просто смотреть на схему, то очевидна картина.

Спасибо за "гладиолус" :oiE:
Цитата:

Сообщение от BALBES (Сообщение 134728)
Конденсатор Срц здесь шунтируют потому, что трудно с его помощью вогнать цепь в резонанс...

Перегонные ТРЦ живут своей жизнью и по свои законам ?
Цитата:

Сообщение от BALBES (Сообщение 134728)
Активное сопротивление Rк здесь только ограничивает по току, так как не зависит от частоты.

НОУ КОМЕНТС!

Авторитетные люди утверждают (в устной форме), что этот конденсатор шунтируется для исключения формирования высокого напряжения, возникающего за счет резонансных явлений (в контуре образованным конденсатором и вторичной обмоткой ДТ) в станционных ТРЦ при возникновении асимметрии тягового тока. В перегонных ТРЦ такого эффекта не наблюдается.

Torquato Tasso 27.01.2013 17:33

Цитата:

Сообщение от Александр Михайлович (Сообщение 134742)
Авторитетные люди утверждают (в устной форме), что этот конденсатор шунтируется для исключения формирования высокого напряжения, возникающего за счет резонансных явлений (в контуре образованным конденсатором и вторичной обмоткой ДТ) в станционных ТРЦ при возникновении асимметрии тягового тока. В перегонных ТРЦ такого эффекта не наблюдается.

Дак это мона проверить. Тут пригодится ваше знание Маткада 15-ти летней давности. К чему вы и призываетесь.

Balbes 27.01.2013 17:44

Цитата:

Сообщение от Александр Михайлович
Перегонные ТРЦ живут своей жизнью и по свои законам ?

Ага,по законам Александра Михайловича.

Цитата:

Сообщение от BALBES
Конденсатор Срц здесь шунтируют потому, что трудно с его помощью вогнать цепь в резонанс, а если этого не сделать, то увеличится реактивное сопротивление, соответственно падает напряжение, поэтому и убирают ёмкость.

Здесь всё правильно, просто нужно было тебе ясно поставить задачу, увеличить напряжение или уменьшить! Про конденсатор написал, что именно с его помощью можно создать резонанс ,соответственно убрать сдвиг и увеличить напряжение. Можно и уменьшить напряжение, изменяя его емкость, а можно и без него, если позволяют условия работы схемы. Все это стандартная ситуация, и теория её подтверждает, ничего здесь нового нет.
А авторитетным мнением твоих специалистов, меня не удивишь !

Цитата:

Сообщение от BALBES
Активное сопротивление Rк здесь только ограничивает по току, так как не зависит от частоты.

Цитата:

Сообщение от Александр Михайлович
НОУ КОМЕНТС!

Здесь чего хотел сказать, не молчи ?

uryy 27.01.2013 20:48

а, может всё это гораздо прозаичней ? конденсатор нужен что бы РЦ быстрее выходила из кодирования

olega88 27.01.2013 21:13

Цитата:

а, может всё это гораздо прозаичней ? конденсатор нужен что бы РЦ быстрее выходила из кодирования
а какой в этом смысл? да и контакт фронтовой КВ размыкается ведь, прежде чем замкнёт тыловой

СУНДЕТОВ 27.01.2013 21:48

А кто КВ обесточит,без П ?

СУНДЕТОВ добавил 27.01.2013 в 23:48
Цитата:

Сообщение от Александр Михайлович (Сообщение 134742)
конденсатором и вторичной обмоткой ДТ)

Так они стоят и в АТ.

Кабанбай Батыр 03.04.2013 18:07

Цитата:

К размышлению выкопировка из ТР Ш-33/3-2011:
ТР Ш-33/5-2011.
ЗЫ: KPV спасибо!

KPV 05.04.2013 15:22

Цитата:

Сообщение от Александр Михайлович
ТР Ш-33/5-2011.

Нет. Именно из 33/3 (электронку ТР Ш-33/3-2011 получил в свое время из двух источников - ВНИИАС и ГТСС). Через дробь, надо полагать, версии данного документа 2011 года???


Часовой пояс GMT +3, время: 21:36.

Powered by vBulletin® Version 3.8.1
Copyright ©2000 - 2026, Jelsoft Enterprises Ltd. Перевод: zCarot


Яндекс.Метрика