СЦБИСТ - железнодорожный форум, блоги, фотогалерея, социальная сеть

СЦБИСТ - железнодорожный форум, блоги, фотогалерея, социальная сеть (https://scbist.com/)
-   Общие вопросы эксплуатации устройств СЦБ (https://scbist.com/obschie-voprosy-ekspluatacii-ustroistv-scb/)
-   -   числовая кодовая АБ переменного тока (https://scbist.com/obschie-voprosy-ekspluatacii-ustroistv-scb/2837-chislovaya-kodovaya-ab-peremennogo-toka.html)

Вы просматриваете версию для печати. Если вы хотите увидеть статью полностью - перейдите по ссылке

вад 07.08.2010 16:27

числовая кодовая АБ переменного тока
 
Всем привет! Кто подскажет простенькую схему прибора-индикатора кодов КЖ и Ж от КПТШ-5 и КПТШ-7 со светодиодами и чтобы этим же прибором можно было бы проверять эти коды в рельсовой цепи.Заранее благодарен.

Rafa 07.08.2010 16:55

http://scbist.com/scb/uploaded/1495_hughhgjkyg.jpg

Aleksei 07.08.2010 17:19

А что приборами ЦШ-4380 и ЭК-2346 при измерении напряжения в РЦ не видно кодов?

Torquato Tasso 07.08.2010 17:30

Цитата:

Сообщение от Rafa (Сообщение 20901)

А че, этой фигней на глаз можно отличить Ж от КЖ???

tiksi 07.08.2010 17:45

Цитата:

Сообщение от rjnjd-utyyflbq
А че, этой фигней на глаз можно отличить Ж от КЖ???

если загорится (сумниваюсь), то можно.

Rafa 07.08.2010 18:08

rjnjd-utyyflbq это не фегня,а реальная тема
При импульсе кода в РЦ подается переменный ток и светодиод светится. Он пашит от переменного тока.
В интервале он тухнет
По интенсивности мигания можна судить о коде
Код КЖ содержит 1 импульс
Код Ж 2 импульса (между ними мелкий интервал)

.................................................. ...............

Торговать-сопли жевать...................

Rafa добавил 07.08.2010 в 15:54
tiksi щас существуют в продаже светодиоды которые пашут от переменного тока.
Между РЦ напряжение достаточное для того чтобы светодиод загорелся.
У нас мужики с помощью этой схемки определяют коды АЛСН на перегоне

Rafa добавил 07.08.2010 в 16:08
http://scbist.com/scb/uploaded/1495_sfhgsfhgshghsg.jpg


Для надежности собачат повышающий трансформатор

.................................................. .................

Торговать-сопли жевать.................

Rus1359 07.08.2010 19:22

так если параллельно наложить секция загорится или нет?

Torquato Tasso 07.08.2010 19:33

Цитата:

Сообщение от Rafa (Сообщение 20907)
rjnjd-utyyflbq это не фегня,а реальная тема
При импульсе кода в РЦ подается переменный ток и светодиод светится. ...В интервале он тухнет.
По интенсивности мигания можна судить о коде...

Rafa добавил 07.08.2010 в 16:08
http://scbist.com/scb/uploaded/1495_sfhgsfhgshghsg.jpg
.[/i][/b]

В таком случае эта схема нафиг не нужна, можно обойтись Ц4380 и по отклонению стрелки ловить коды. А о сбоях кодирования с помощью такой схемы можно судить? У нас не сильно давно случай был. При движении поезда (безразлично-груженый состав или одиночный локомотив) со станции А на станцию Б на перегоне в одном и том же месте был постоянно сбой кода. В обратную сторону сбоя кодов не было. Измер тока кодирования показывал норму. Выявить причину удалось только после измерений длительности импульса -паузы и периода. Так что все эти примитивные мигалки--белеберда,

Rafa 07.08.2010 20:10

Rus1359, а почему секция должна загоратся.
Последовательно с светодиодом включен высокоомный резистор.
Схема с трансформатором вообще идеальный вариант
И напряжение повышается и сетодиод не выдрачивается.

.................................................. ..................

Торговать-сопли жевать.......................

tiksi 07.08.2010 23:12

А не загарится!
Параметры диода, резистора и трансформатора можно узнать? А на каких РЦ это будет работать, на всех? А на ближнем конце не пшикнет, а на дальнем будет светится? А с 10, 11, 15 КПТ будет работать? А не зашунтирует РЦ?

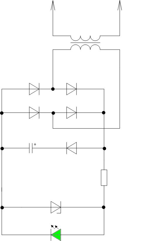
Rafa 08.08.2010 01:26

Тип светодиода КИПД24Б-Л
Прямой ток=10мА
Прямое напряжение (максимум 3В)
Обратное напряжение (максимум 3В)
РЦ не зашунтируется, бо сопротивление резистора большое.
Да кстати для защиты светодиода один алкаш предложил параллельно светодиоду присобачить стабилитрон на 3В.
При этом лишнее напряжение будет гасится на резисторе.

Rafa добавил 07.08.2010 в 23:26
http://scbist.com/scb/uploaded/1495_rghfhfjfgjffd.jpg

:thumbup1:

Торговать-сопли жевать.......................

APCnik 08.08.2010 08:18

Алкаш явно перестарался. Для чего лепить выпрямительный мост, если светодиод сам является диодом. Да и схема стабилизации здесь нафиг не нужна. Лишнее напряжение и так будет гаситься на резисторе, который нужно подобрать в зависимости от типа светодиода. В схеме на выходе стоит лишь светодиод, по яркости и миганию которого можно судить о качестве кода. Такая схема нужна для включения вместо светодиода реле.

Толян 08.08.2010 08:51

это называется мыргалка

Rafa 08.08.2010 12:45

Стабилитрон защищает светодиод от перенапряжения.
Ведь чем ближе к питающему концу, тем больше напряжение.
Эсли бы небыло стабилитрона, то напряжение распредилялось межде резистором и светодиодом пропорционально напряжению
И при напряжении больше 3В светодиод згорит

:thumbup1:

APCnik 08.08.2010 13:56

Так ведь и стабилитрон имеет небезграничные параметры. А по изменению яркости светодиода и можно судить о величине напряжения. Поэтому и надо подобрать оптимальное значение резистора.


Часовой пояс GMT +3, время: 14:04.

Powered by vBulletin® Version 3.8.1
Copyright ©2000 - 2026, Jelsoft Enterprises Ltd. Перевод: zCarot


Яндекс.Метрика