СЦБИСТ - железнодорожный форум, блоги, фотогалерея, социальная сеть
Вернуться   СЦБИСТ - железнодорожный форум, блоги, фотогалерея, социальная сеть > Техника > Уголок радиолюбителя > Микроконтроллеры
Закладки ДневникиПоддержка Сообщество Комментарии к фото Сообщения за день
Ответить в этой теме   Перейти в раздел этой темы    
 
В мои закладки Подписка на тему по электронной почте Отправить другу по электронной почте Опции темы Поиск в этой теме
Старый 12.04.2024, 08:55   #1 (ссылка)
Crow indian
 
Аватар для Admin

Регистрация: 21.02.2009
Возраст: 40
Сообщений: 30,159
Поблагодарил: 398 раз(а)
Поблагодарили 6009 раз(а)
Фотоальбомы: 2607 фото
Записей в дневнике: 850
Репутация: 126146

Тема: Шифратор и дешифратор пропорционально-дискретных команд для многоканальной системы дистанционного управления моделями


Шифратор и дешифратор пропорционально-дискретных команд
для многоканальной системы дистанционного управления моделями


О. ИЛЬИН, г. Казань

В процессе дистанционного управления авиа-, авто- или судомоделями, помимо пропорциональных команд, которыми задают угловое положение качалки исполнительных механизмов — сервоприводов, связанных с соответствующими органами управления моделью, изменяющими траекторию её движения или число оборотов двигателя силовой установки, часто возникает необходимость в дискретных командах. Например, при пилотировании авиамодели дискретные команды могут понадобиться для уборки и выпуска шасси, включения бортовой аппаратуры телеметрии или аэрофотосъёмки, сбрасывания грузов, а при управлении авто- и судомоделями — для реверсирования направления движения ("вперёд-назад"), включения ходовых огней, гудка или сирены, имитации звуков выстрелов орудийных башен и т. п. Поэтому в шифраторах и дешифраторах команд многоканальных систем дистан
ционного управления моделями желательно совмещать функции как пропорционального, так и дискретного управления.
В шифраторах многоканальных систем дистанционного пропорционального управления моделями [1—4] сигналы, содержащие информацию о значении передаваемой команды, формируются, как правило, изменением ширины канальных импульсов, длительность которых в зависимости от положения рукояток управления передатчика может изменяться в интервале 1...2 мс. Для передачи информации по каналу связи эти импульсы преобразуются в синхроимпульсы фиксированной длительности 0,1...0,5мс, образующие канальные посылки, разделённые синхропаузой и следующие с частотой 50...60 Гц. Информация о значении передаваемой команды в соответствующем канале содержится во временном интервале между синхроимпульсами канальных посылок, а число импульсов в них зависит от числа каналов управления. Дешифратор приёмника распределяет синхроимпульсы канальных посылок по каналам, восстанавливает ширину канальных импульсов и передаёт их на соответствующие исполнительные механизмы модели.


В шифраторах многоканальных систем дистанционного дискретного управления моделями [1—4] каждая команда обычно формируется путём генерации низкочастотного колебания определённой частоты — поднесущей. Сигналы поднесущих частот всех каналов подаются на сумматор, а затем — на вход передатчика, в котором происходит модуляция суммарным сигналом несущей частоты. Дешифратор приёмника выделяет сигналы поднесущих частот и распределяет их по соответствующим каналам посредством М параллельно соединённых входами полосовых фильтров, где М — число каналов системы дистанционного управления, и формирует сигналы, которыми приводятся в действие соответствующие исполнительные механизмы модели, при этом по номеру полосового фильтра, на выходе которого появился командный сигнал, судят о назначении принятой команды.
В шифраторах и дешифраторах систем дистанционного управления моделями, совмещающих в себе функции пропорционального и дискретного управления, применяется как широтноимпульсное, так и частотное кодирование-декодирование команд. Например, в аппаратуре дистанционного управления моделями "Диспроп" [5] изменяемая длительность пауз между командными импульсами используется для пропорционального управления, а их внутренняя часть заполняется импульсами, следующими с частотами дискретных команд. Недостатки шифратора и дешифратора этой аппаратуры — наличие только одного канала пропорционального управления ("влево-вправо’') и невозможность одновременного исполнения нескольких дискретных команд.
Предлагаю свободные от указанных недостатков свои варианты шифратора и дешифратора пропорционально-дискретных команд для многоканальной системы дистанционного управления моделями. Шифратор и дешифратор пропорционально-дискретных команд выполнены на доступной элементной базе, просты в налаживании и стабильны в работе. В их основе лежат функциональные узлы, описанные в [6—11].
Основные технические характеристики
  • Число каналов пропорционального управления 4
  • Длительность канальных импульсов пропорциональных команд, мс 1 ...2
  • Длительность синхроимпульсов канальных посылок пропорциональных команд, мс 0,3
  • Длительность синхропаузы канальных посылок пропорциональных команд, мс, не менее 10
  • Число дискретных команд 3
  • Число дискретных команд, исполняемых одновременно 3
  • Частоты поднесущих дискретных команд, Гц 3000, 4000
  • Длительность канальных посылок дискретных команд, мс 3
  • Период повторения канальных посылок пропорциональных и дискретных команд, мс 20
  • Напряжение питания шифратора, В 12
  • Напряжение питания дешифратора, В 12
  • Ток потребления шифратора, мА, не более 90
  • Ток потребления дешифра-
  • тора, мА, не более 30
Функциональная схема шифратора пропорционально-дискретных команд приведена на рис. 1, где А1 — шифра
тор пропорциональных команд, А2 — узел выделения синхропаузы, АЗ — шифратор дискретных команд, А4 — сумматор.
Шифратор пропорциональных команд А1 включает в себя генератор прямоугольных импульсов 1G1; формирователи коротких импульсов — дифференцирующие цепи 1R1-1C1, 1R3-1C2, 1R5-1C3, 1R7-1C4, 1R9-1C5; формирователи канальных импульсов — одновибраторы 1U1 — 1U4, длительность выходных импульсов которых регулируется соответствующими переменными резисторами 1R2, 1R4, 1R6, 1R8, попарно сопряжёнными посредством специальных механизмов [1—4] с двумя рукоятками управления передатчика, задающими угловое положение вала этих резисторов относительно его оси вращения; формирователь синхроимпульсов канальных посылок пропорциональных команд — одновибратор 1U5; цепь формирования импульсов запуска одновибратора 1U5 — диоды 1VD1 —1VD5, резистор 1R10 и дифференцирующие цепи 1R1-1C1, 1R3-1C2, 1R5-1C3, 1R7-1C4, 1R9-1C5.
Узел выделения синхропаузы А2 включает в себя инвертор 2U1; RS-триггер 2D1; формирователь напряжения высокого логического уровня 2G1; сдвиговый регистр 2D2; формирователи коротких импульсов 2U2, 2U3.
Шифратор дискретных команд АЗ включает в себя формирователь коротких импульсов 3U1; инвертор 3LI2; одновибратор 3U3; формирователи коротких импульсов 3U4, 3U5; одновибраторы 31I6, 3U7; командные кнопки 3SB1— 3SB3; управляемый по частоте цифровым кодом генератор прямоугольных импульсов 3G1.
Шифратор пропорционально-дискретных команд имеет два выхода: на первом выходе формируется сигнал пропорционального управления, на втором выходе — сигнал пропорционально-дискретного управления.
На рис. 2, рис. 3 представлены временные диаграммы напряжений в характерных точках шифратора пропорционально-дискретных команд, поясняющие его работу. Для наглядности масштаб по осям абсцисс и ординат не соблюдён, а форма импульсных напряжений изображена упрощённо.
Шифратор пропорционально-дискретных команд работает так. Генератор 1G1 вырабатывает последовательность прямоугольных импульсов напряжения иВых igi, период следования кото
рых равен Т, а длительность — т, причём в момент t0 формируется их фронт, а в момент ti — спад (см. рис. 2). С выхода генератора 1G1 эти импульсы поступают на вход дифференцирующей цепи 1R1 -1С1. В момент на входе одновибратора 1U1, соединённого с выходом дифференцирующей цепи 1R1-1C1, появляется кратковременный перепад напряжения UBX ui с высокого на низкий логический уровень. Этот перепад напряжения запускает одновибратор 1111, формирующий на своём выходе прямоугольный импульс напряжения ивЫх iui длительностью которая задаётся угловым положением вала переменного резистора 1R2.
Аналогичным образом в моменты t2, t3, t4 кратковременными перепадами напряжений UBX иг, UBX1U3, UBX Ш4 с высокого на низкий логический уровень,
поступающими на входы одновибраторов 1U2, 1U3, 1U4 с выходов соответствующих дифференцирующих цепей 1R3-1C2, 1R5-1C3, 1R7-1C4, запускаются одновибраторы 1U2, 1U3, 1U4, формирующие на своих выходах прямоугольные импульсы напряжения UBbix.iu2, ивых uj3, ивых 1U4 длительностью т2, т3, т4, которые задаются угловым положением вала переменных резисторов 1R4, 1R6, 1R8 соответственно.


В момент t5 формируется спад импульса напряжения UBblx1U4, при этом на выходе дифференцирующей цепи 1R9-1C5 образуется кратковременный перепад напряжения UBblx.1R9.1C5 с высокого на низкий логический уровень.
В моменты ti—15, когда на выходе генератора 1G1 и на выходах соответствующих одновибраторов 1U1 — 1U4 присутствует напряжение низкого логического уровня, от источника напряжения питания +ипит через резистор 1R10 и одну из цепей 1VD1-1С1 —1VD5-1C5 протекает импульс тока, создающий падение напряжения на резисторе 1R10. В результате этого на входе одновибратора 1U5 образуется последовательность коротких импульсов — перепадов напряжения UBX.1U5 с высокого на низкий логический уровень. Каждый из этих импульсов запускает одновибратор 1U5, в результате чего в моменты t!—15 на его выходе формируются прямоугольные импульсы напряжения UBblx Ш5 фиксированной длительности т0 — синхроимпульсы канальной посылки пропорциональных команд, при этом временные интервалы ть т2, т3, т4 между синхроимпульсами канальной посылки содержат информацию о величине команды в соответствующем канале.
Далее процесс формирования синхроимпульсов канальных посылок пропорциональных команд повторяется с периодом Т, а интервал тсп между канальными посылками образует синхропаузу. С выхода шифратора пропорциональных команд А1 эти импульсы поступают на выход 1 шифратора пропорционально-дискретных команд, образуя импульсное напряжение UBblx Р
В момент (см. рис. 3) на вход S RS-триггера 2D1 с выхода 1 шифратора пропорционально-дискретных команд поступает первый синхроимпульс напряжения UBblx1, в результате чего на выходе триггера 2D1 появляется напряжение UBblx2D1 высокого логического уровня, которое поступает на вход формирователя коротких импульсов 2U2. В момент ti на выходе формирователя коротких импульсов 2U2 формируется кратковременный перепад напряжения ивых гиг с низкого на высокий логический уровень. Этот перепад напряжения поступает на вход R сдвигового регистра 2D2 и устанавливает во всех его разрядах напряжение низкого логического уровня.
На тактовый вход С сдвигового регистра 2D2 с выхода инвертора 2U1 поступает последовательность прямоугольных импульсов напряжения UBblx2U1, представляющая собой инверсию импульсов напряжения UBblx1. Поскольку на информационный вход D сдвигового регистра 2D2 с выхода функционального узла 2G1 подано напряжение высокого логического уровня, сдвиговый регистр 2D2 с приходом каждого импульса напряжения ивых 2ui осуществляет сдвиг напряжения высокого логического уровня от младшего к старшему разряду.
В момент t6 формируется спад последнего синхроимпульса канальной посылки пропорциональных команд, в результате чего на выходе инвертора 2U1 появляется импульс напряжения UBbix2ui высокого логического уровня, при этом на выходе старшего разряда сдвигового регистра 2D2 появляется напряжение UBblx.2D2 высокого логического уровня, которое поступает на вход формирователя коротких импульсов 2U3. В момент t6 на выходе формирователя коротких импульсов 2U3 появляется кратковременный перепад
напряжения ивых2из с низкого на высокий логический уровень. Этот перепад напряжения поступает на вход R RS-триггера 2D1, вследствие чего на его выходе формируется напряжение UBblx.2Di низкого логического уровня.
В момент t10 на вход узла выделения синхропаузы А2 поступает последовательность синхроимпульсов напряжения UBblx! следующей канальной посылки пропорциональных команд, в результате чего вышеописанные процессы вновь повторяются, при этом на интервале времени от t6 до t10 на выходе узла выделения синхропаузы А2 формируется прямоугольный импульс напряжения UBblx2D2, длительность которого равна длительности синхропаузы тсп канальных посылок пропорциональных команд. Далее процесс выделения синхропаузы канальных посылок про
порциональных команд повторяется с периодом Т.
С выхода узла выделения синхропаузы А2 последовательность прямоугольных импульсов напряжения UBblx2D2 поступает на вход шифратора дискретных команд АЗ. Инвертор 3U2 формирует из этих импульсов противофазную последовательность прямоугольных импульсов напряжения UBblx3U2, которая подаётся на вход формирователя коротких импульсов 3U4.
В момент^ на выходе формирователя коротких импульсов 3U4 появляется кратковременный перепад напряжения ивых зид с высокого на низкий логический уровень, который поступает на вход одновибратора 3U6. Этот перепад напряжения запускает одновибратор 3U6, в результате чего на интервале времени от t6 до t7 на выходе одновибратора 3U6 формируется прямоугольный импульс напряжения UBblx3U6 фиксированной длительности т5, который предназначен для создания защитного временного интервала между канальными посылками пропорциональных и дискретных команд.
Импульс напряжения UBblx3U6 поступает на вход формирователя коротких импульсов 3U1. В момент t7 на выходе формирователя коротких импульсов 3U1 появляется кратковременный перепад напряжения UBblx3Ui с высокого на низкий логический уровень, который поступает на вход одновибратора 3U3 и запускает его, в результате чего на интервале времени от t7 до t8 на выходе одновибратора 3U3 формируется прямоугольный импульс напряжения ивых3из фиксированной длительности т6. который поступает на вход формирователя коротких импульсов 3U5.
В момент^ на выходе формирователя коротких импульсов 3U5 появляется кратковременный перепад напряжения UBblx 3u5 с высокого на низкий логический уровень, который поступает на вход одновибратора 3U7. Этот перепад напряжения запускает одновибратор 3U7, в результате чего на интервале времени от t8 до t9 на выходе одновибратора 3U7 формируется прямоугольный импульс напряжения UBblx3U7 фиксированной длительности т7.
При замкнутых контактах нажатой командной кнопки 3SB1 и разомкнутых контактах отжатых командных кнопок 3SB2, 3SB3 на вход 1 генератора прямоугольных импульсов 3G1 с выхода одновибратора 3U3 поступает напряжение UBblx3U3 высокого логического уровня, при этом генератор 3G1 на интервале времени от t7 до t8 формирует на своём выходе пачку прямоугольных импульсов напряжения UBblx3Gi частотой F, и длительностью т6.
При замкнутых контактах нажатой командной кнопки 3SB2 и разомкнутых контактах отжатых командных кнопок 3SB1, 3SB3 на вход 2 генератора прямоугольных импульсов 3G1 с выхода одновибратора 3U7 поступает импульс напряжения UBblx3U7 высокого логического уровня, при этом генератор 3G1 на интервале времени от t8 до t9 формирует на своём выходе пачку прямоугольных импульсов напряжения ивых 3Gi частотой F2 и длительностью т7.

При замкнутых контактах нажатой командной кнопки 3SB3, соответствующие контакты которой подключённых параллельно контактам командных кнопок 3SB1,3SB2, на входы 1 и 2 генератора прямоугольных импульсов 3G1 поступают поочерёдно импульсы напряжения ивь1х3иЗ И ивых 3U7 высокого логического уровня, при этом генератор 3G1 на интервале от t7 до t9 формирует на своём выходе чередующиеся пачки прямоугольных импульсов напряжения UBblx3Gi частотой Fn F2 и длительностью т6, т7 соответственно.
Прямоугольные импульсы напряжения UBblx3G1 частотой F1( F2 поступают на выход шифратора дискретных команд АЗ, образуя импульсное напряжение UBblx.A3- Далее процесс формирования пачек прямоугольных импульсов частотой F! и F2 — командных посылок дискретных команд — повторяется с периодом Т.


С выхода шифратора пропорциональных команд А1 и с выхода шифратора дискретных команд АЗ импульсы напряжения UBblxAi и ивь1хАз поступают на соответствующие входы сумматора А4, при этом на его выходе формируется периодически повторяющаяся последовательность прямоугольных импульсов напряжения UBblxA4, которая включает в себя как синхроимпульсы канальных посылок пропорциональных команд, так и канальные посылки дискретных команд частотой F, и F2, расположенные внутри временного интервала, отведённого для синхропаузы канальных посылок пропорциональных команд. С выхода сумматора А4 импульсы напряжения UBblx A4 поступают на выход 2 шифратора пропорционально-дискретных команд, образуя импульсное напряжение ивых2.
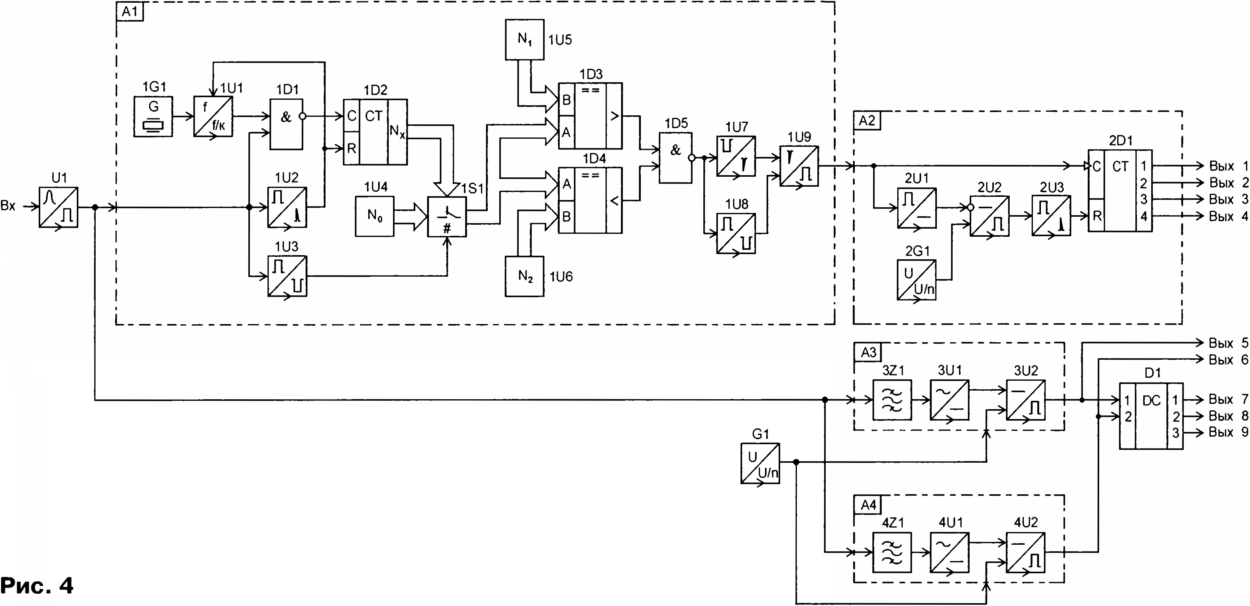
Функциональная схема дешифратора пропорционально-дискретных команд приведена на рис. 4, где А1 — селектор-формирователь синхроимпульсов пропорциональных команд; А2 — дешифратор пропорциональных команд; АЗ, А4 — селекторы-формирователи управляющих импульсов дискретных команд; D1 — распределитель управляющих импульсов дискретных команд; G1 — формирователь порогового напряжения; U1 — формирователь прямоугольных импульсов напряжения.
Селектор-формирователь синхроимпульсов пропорциональных команд А1 включает в себя генератор прямоугольных импульсов 1G1; делитель частоты 1U1; логический элемент 2И-НЕ 1D1; формирователь коротких импульсов 1U2; инвертор 1U3; двоичный счётчик 1D2; многоканальный электронный коммутатор 1S1; формирователи цифровых кодов 1U4—1U6; цифровые компараторы 1D3, 1D4; логический элемент 2И-НЕ 1D5; формирователь коротких импульсов 1U7; инвертор 1U8; одновибратор 1U9.

Дешифратор пропорциональных команд А2 включает в себя амплитудный детектор 2U1; пороговое устройство 2U2; формирователь коротких импульсов 2U3; счётчик-распределитель канальных импульсов 2D1; формирователь порогового напряжения 2G1.
Селекторы-формирователи управляющих импульсов дискретных команд АЗ, А4 включают в себя полосовые фильтры 3Z1, 4Z1 с резонансной АЧХ; амплитудные детекторы 3U1, 4U1; пороговые устройства 3U2, 4U2.
Дешифратор пропорционально-дискретных команд работает так. С выхода приёмного устройства системы дистанционного управления моделями на вход дешифратора пропорционально-дискретных команд поступает напряжение UBX (рис. 5), представляющее собой периодическую последовательность искажённых шумами синхроимпульсов канальных посылок пропорциональных команд и канальных посылок дискретных команд частотой F! и F2.


При достижении этим напряжением порогового уровня ипорог на выходе функционального узла 111 формируются нормированные по амплитуде прямоугольные импульсы напряжения UBblxU1 с крутыми перепадами. Эти импульсы поступают на вход селектора-формирователя синхроимпульсов пропорциональных команд А1 и на сигнальные входы селекторов-формирователей управляющих импульсов дискретных команд АЗ, А4.
Генератор 1G1 вырабатывает на своём выходе последовательность прямоугольных импульсов напряжения частотой f, которая понижается делителем частоты 1U1 в к раз, где к — целое число больше единицы, и затем поступает на первый вход логического элемента 2И-НЕ 1D1, на второй вход которого подаются импульсы напряжения UBblxU1 с выхода формирователя прямоугольных импульсов U1. В момент появления на входе функционального узла А1 импульса высокого логического уровня длительностью At на выходе формирователя коротких импульсов 1U2 возникает кратковременный перепад напряжения с низкого на высокий логический уровень. Этот перепад напряжения, воздействуя на вход R двоичного счётчика 1D2 и аналогичный вход делителя частоты 1111, устанавливает эти функциональные узлы в нулевое состояние. Инвертор 1U3 при наличии на входе функционального узла А1 напряжения высокого логического уровня формирует на своём выходе напряжение низкого логического уровня, которое, воздействуя на управляющий вход многоканального электронного коммутатора 1S1, подключает к входам А цифровых компараторов 1D3, 1D4 выходы формирователя цифрового кода 1U4, формирующего двоичное число No.
Двоичные числа N2, формируемые на выходах формирователей цифровых кодов 1U5, 1U6, подключённых к входам В цифровых компараторов 1D3, 1D4 соответственно, и число No соотносятся между собой следующим образом: No < Nt < N2. Поэтому в момент подключения входов А цифровых компараторов 1D3, 1D4 к выходам формирователя цифрового кода 1U4 на выходе А > В компаратора 1D3 формируется напряжение низкого логического уровня, а на выходе А < В компаратора 1D4 — высокого логического уровня. Следствием этого является появление на выходе логического элемента 2И-НЕ 1D5 напряжения высокого логического уровня, а на выходе инвертора 1U8 — низкого логического уровня. Напряжение низкого логического уровня, подаваемое с выхода инвертора 1U8 на вход разрешения одновибратора 1U9, блокирует его работу, при этом на выходе одновибратора 1U9 формируется напряжение низкого логического уровня.

При поступлении на второй вход логического элемента 2И-НЕ 1D1 импульса высокого логического уровня длительностью At на тактовый вход С двоичного счётчика 1D2 с выхода делителя частоты 1U1 проходят импульсы частотой f/k. Двоичный счётчик 1D2 в течение времени At подсчитывает их число. По истечении времени At на втором входе логического элемента 2И-НЕ 1D1 появляется напряжение низкого логического уровня, в результате чего на выходе этого элемента формируется напряжение высокого логического уровня. Счёт импульсов счётчиком 1D2 прекращается, и он формирует на своих выходах двоичное число Nx, равное числу импульсов, поступивших на его тактовый вход С за время At.
По истечении времени At на выходе инвертора 1U3 формируется напряжение высокого логического уровня, которое поступает на вход управления многоканального электронного коммутатора 1S1, при этом он подключает к входам А цифровых компараторов 1D3, 1D4 выходы двоичного счётчика 1D2 и отключает от входов А этих компараторов выходы формирователя цифрового кода 1U4.

Нижняя и верхняя границы интервала длительности импульсов, разрешённых к прохождению на выход функционального узла А1, заданы двоичными числами Nt и N2 соответственно. Если длительность импульса At на входе селектора-формирователя синхроимпульсов пропорциональных команд А1 находится в пределах границ разрешённого интервала, т. е. выполняется условие Nt < Nx < N2, то в момент подключения к входам А цифровых компараторов 1D3, 1D4 выходов двоичного счётчика 1D2 на выходе А > В или А < В соответствующего компаратора появляется напряжение высокого логического уровня, вследствие чего в этот момент на выходе логического элемента 2И-НЕ 1D5 формируется перепад напряжения с высокого на низкий логический уровень. В результате этого на выходе инвертора 1U8 формируется напряжение высокого логического уровня, которое разрешает работу одновибратора 1U9, а формирователь коротких импульсов напряжения 1U7 формирует на своём выходе кратковременный перепад напряжения с высокого на низкий логический уровень, запускающий одновибратор 1U9, в результате чего на выходе функционального узла А1 формируется прямоугольный импульс фиксированной длительности.

Если длительность импульса At на входе селектора-формирователя синхроимпульсов пропорциональных команд А1 не превышает нижнюю границу разрешённого интервала, т. е. выполняется условие Nt > Nx < N2, то в момент подключения к входам А цифровых компараторов 1D3, 1D4 выходов двоичного счётчика 1D2 на выходе А > В цифрового компаратора 1D3 формируется напряжение низкого логического уровня, а на выходе А < В цифрового компаратора 1D4 — высокого логического уровня. Следствием этого является формирование высокого логического уровня на выходе логического элемента 2И-НЕ 1D5 и низкого логического уровня на выходе инвертора 1U8, а также на входе разрешения работы одновибратора 1U9. В этом состоянии одновибратор 1U9 заблокирован, а на выходе функционального узла А1 формируется напряжение низкого логического уровня.
Если длительность импульса At на входе селектора-формирователя синхроимпульсов пропорциональных команд А1 превышает верхнюю границу разрешённого интервала, т. е. выполняется условие N, < Nx > N2, то в момент подключения к входам А цифровых компараторов 1D3, 1D4 выходов двоичного счётчика 1D2 на выходе А > В цифрового компаратора 1D3 формируется напряжение высокого логического уровня, а на выходе А < В цифрового компаратора 1D4 — низкого логического уровня, следствием чего является формирование напряжения высокого логического уровня на выходе логического элемента 2И-НЕ 1DD5, при этом аналогично предыдущему случаю на выходе функционального узла А1 формируется напряжение низкого логического уровня.
Таким образом, на выходе селектора-формирователя синхроимпульсов пропорциональных команд А1 появляются импульсы напряжения UBblxAi только в том случае, если длительность импульсов на его входе находится в заданных пределах, соответствующих длительности At синхроимпульсов канальных посылок пропорциональных команд, вследствие чего более короткие импульсы канальных посылок дискретных команд частотой Ft и F2 на выход этого функционального узла не проходят.


На интервале времени от до t6 с выхода селектора-формирователя синхроимпульсов пропорциональных команд А1 последовательность прямоугольных импульсов напряжения UBblxAi поступает на вход дешифратора пропорциональных команд А2 и соответственно на вход С счётчика-распределителя канальных импульсов 2D1, предварительно установленного в нулевое состояние в момент подключения к дешифратору пропорционально-дискретных команд напряжения питания. Счётчик-распределитель канальных импульсов 2D1 восстанавливает ширину канальных импульсов и распределяет их по соответствующим выходам дешифратора пропорционально-дискретных команд: в момент на первом выходе счётчика-распределителя канальных импульсов 2D1 формируется напряжение UBblx j высокого логического уровня, а в момент t2 — низкого логического уровня; в момент^ на втором выходе счётчика-распределителя канальных импульсов 2D 1 формируется напряжение UBblx2 высокого логического уровня, а в момент t3 — низкого логического уровня; в момент t3 на третьем выходе счётчика-распределителя канальных импульсов 2D 1 формируется напряжение UBblx3 высокого логического уровня, а в момент t4 — низкого логического уровня; в момент t4 на четвёртом выходе счётчика-
распределителя канальных импульсов 2D1 формируется напряжение UBblx4 высокого логического уровня, а в момент t5 — низкого логического уровня.

На интервале времени от t, до t6 с выхода селектора-формирователя синхроимпульсов пропорциональных команд А1 на вход амплитудного детектора 2U1 дешифратора пропорциональных команд А2 поступает последовательность прямоугольных импульсов напряжения UBblxA1. Постоянная времени зарядно-разрядной цепи входящего в состав амплитудного детектора 2U1 интегратора выбрана такой, что первый же синхроимпульс напряжения UBblxA1 формирует на выходе амплитудного детектора напряжение UBblx2U1, максимальное значение которого равно амплитуде синхроимпульса, а за время даже самой продолжительной паузы между образующими канальную посылку синхроимпульсами напряжения UBblxA1 напряжение UBblx2Ui на выходе амплитудного детектора 2U1 не успевает уменьшиться до порогового напряжения Unopor, формируемого на прямом входе порогового устройства 2U2 функциональным узлом 2G1, в результате чего при наличии на входе дешифратора пропорциональных команд синхроимпульсов командной посылки на выходе порогового устройства 2U2 формируется напряжение UBblx2U2 низкого логического уровня.
В момент t8, расположенный на временном интервале, соответствующем синхропаузе канальных посылок пропорциональных команд, напряжение UBbix.2ui на выходе амплитудного детектора 2U2 уменьшается до порогового напряжения ипоРог, в результате чего на выходе порогового устройства 2U2 появляется напряжение UBblx2U2 высокого логического уровня, которое поступает на вход функционального узла 2U3, формирующего в этот момент на своём выходе короткий импульс напряжения ивых гиз высокого логического уровня. Этот импульс поступает на вход R счётчика-распределителя канальных импульсов 2D1, при этом во всех его раз
рядах устанавливается напряжение низкого логического уровня: счётчик-распределитель канальных импульсов 2D1 готов к следующему циклу работы.

ЛИТЕРАТУРА

1. Войцеховский Я. Дистанционное управление моделями. Пособие моделиста и радиолюбителя. Пер с польск. Под ред. А. П. Павлова и Н. Н. Путятина. — М.: Связь, 1977, с. 50—54, 180-186.
2. Васильченко М. Е., Дьяков А. В. Радиолюбительская телемеханика. — М.: Энергия, 1979, с. 4—19, 83—85.
3. Миль Г. Электронное дистанционное управление моделями. Пер. с нем. В. Н. Па-льянова. — М.: ДОСААФ, 1980, с. 11 — 114, 274—297.
4. Днищенко В. А. 500 схем для радиолюбителей. Дистанционное управление моделями. — СПб.: Наука и техника, 2007, с. 16-37,45—121,342—355.
5. Дьячихин В., Катин Л. Пропорциональное плюс дискретное. — Моделист-конструктор, 1975, № 10, с. 38, 39; № 11, с. 34— 36.
6. Ильин О. Управляемый напряжением формирователь относительно коротких прямоугольных импульсов. — Радиолюбитель, 2020, №7, с. 14—16.
7. Ильин О. Селектор-формирователь импульсов заданной длительности для системы дистанционного управления моделями. — Радио, 2020, № 12, с. 39—41.
8. Ильин О. П. Дешифратор команд телеуправления. — Патент РФ № 2754348, Бюл., 2021, № 25.
9. Ильин О. Шифратор команд для многоканальной системы дистанционного пропорционального управления моделями. — Радио, 2021, № 12, с. 28—31.
10. Ильин О. Дешифратор команд для многоканальной системы дистанционного пропорционального управления моделями. — Радио, 2022, № 3, с. 43—46.
11. Ильин О. Шифратор и дешифратор дискретных команд для многоканальной системы радиоуправления моделями. — Радио, 2022, № 11, с. 48—52.
(Окончание следует)
Admin вне форума   Цитировать 14
Поблагодарили:
Данный пост получил благодарности от пользователей
Похожие темы
Тема Автор Раздел Ответов Последнее сообщение
[07-2019] Стенд для изучения крана дистанционного управления тормозами № 130 Admin xx2 0 16.08.2019 07:08
Теория дискретных устройств автоматики и телемеханики Ирада Поиск документации 5 30.07.2016 20:23
Пульт дистанционного управления Мистер Питкин Разговоры обо всем 0 05.07.2013 17:04
Подборка программ по Теории дискретных устройств (ТДУ) Толян Программное обеспечение и визуальные материалы 8 08.04.2013 22:39
=Распоряжение= № 2369р от 12 ноября 2008 г. - О формировании системы управления нормативной документацией корпоративной системы менеджмента качества ОАО "РЖД" Admin 2005-2008 годы 0 20.09.2012 14:21

Ответить в этой теме   Перейти в раздел этой темы   Translate to English

Возможно вас заинтересует информация по следующим меткам (темам):
, ,


Здесь присутствуют: 1 (пользователей: 0 , гостей: 1)
 

Ваши права в разделе
Вы не можете создавать новые темы
Вы не можете отвечать в темах
Вы не можете прикреплять вложения
Вы не можете редактировать свои сообщения

BB коды Вкл.
Смайлы Вкл.
[IMG] код Вкл.
HTML код Выкл.
Trackbacks are Вкл.
Pingbacks are Вкл.
Refbacks are Выкл.



Часовой пояс GMT +3, время: 23:51.

Яндекс.Метрика Справочник 
сцбист.ру сцбист.рф

СЦБИСТ (ранее назывался: Форум СЦБистов - Railway Automation Forum) - крупнейший сайт работников локомотивного хозяйства, движенцев, эсцебистов, путейцев, контактников, вагонников, связистов, проводников, работников ЦФТО, ИВЦ железных дорог, дистанций погрузочно-разгрузочных работ и других железнодорожников.
Связь с администрацией сайта: admin@scbist.com
1 2 3 4 5 6 7 8 9 10 11 12 13 14 15 16 17 18 19 20 21 22 23 24 25 26 27 28 29 30 31 32 33 34 
Powered by vBulletin® Version 3.8.1
Copyright ©2000 - 2026, Jelsoft Enterprises Ltd.
Powered by NuWiki v1.3 RC1 Copyright ©2006-2007, NuHit, LLC Перевод: zCarot