СЦБИСТ - железнодорожный форум, блоги, фотогалерея, социальная сеть
Ушел из жизни Крупицкий Адольф Зельманович
6 февраля 2026 года ушел из жизни Крупицкий Адольф Зельманович, более шести десятков лет проработавший в институте «Гипротранссигналсвязь». Всю свою трудовую деятельность А.З. Крупицкий посвятил проектному делу. После окончанию обучения в Ленинградском институте инженеров железнодорожного транспорта в 1959 году начал свою профессиональную деятельность в качестве старшего электромеханика дистанции сигнализации и связи на Казахской железной дороге. В 1960 году пришел на работу в институт на должность инженера, работал руководителем группы, главным инженером проектов.

Читать далее
Вернуться   СЦБИСТ - железнодорожный форум, блоги, фотогалерея, социальная сеть > Помощь студентам, аспирантам, учащимся > Учебные материалы железнодорожной тематики > Метро
Метро Курсовые, дипломы, рефераты, контрольные по метрополитенам
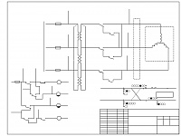
Описание темы:Помогите описать работу схемы автостопа с линейным двигателем. Для диплома
Закладки ДневникиПоддержка Социальные группы Поиск Сообщения за день Все разделы прочитаны Комментарии к фото Сообщения за день
Ответить в этой теме   Перейти в раздел этой темы    
 
В мои закладки Подписка на тему по электронной почте Отправить другу по электронной почте Опции темы Поиск в этой теме
Старый 07.11.2018, 22:46   #1 (ссылка)
Кандидат в V.I.P.
 
Аватар для Максим118

Регистрация: 02.11.2018
Сообщений: 1
Поблагодарил: 0 раз(а)
Поблагодарили 0 раз(а)
Фотоальбомы: не добавлял
Репутация: 0

Тема: Автостоп с линейным двигателем


Автостоп с линейным двигателем-sotqilhtlua.jpg
Максим118 вне форума   Цитировать 0
Похожие темы
Тема Автор Раздел Ответов Последнее сообщение
=Диплом= Автостоп Konstantin Mukhachyov Метро 28 01.11.2016 18:43
Электропривод сп6-а с двигателем мст Михаил100-81 Ищу/Предлагаю 3 02.05.2014 21:17
=Курсовая работа= Разработка электровоза-прототипа с электротяговым двигателем НБ-406 Admin Студенту-локомотивщику 0 27.02.2013 14:25
панель вводная с линейным напряжением 220В chimic Устройства электропитания и ДГА 3 19.01.2013 13:29
[Статья] Автостоп в метрополитене Admin Статьи по СЦБ 0 28.10.2010 15:52

Ответить в этой теме   Перейти в раздел этой темы   Translate to English


Здесь присутствуют: 1 (пользователей: 0 , гостей: 1)
 
Опции темы Поиск в этой теме
Поиск в этой теме:

Расширенный поиск

Ваши права в разделе
Вы не можете создавать новые темы
Вы не можете отвечать в темах
Вы не можете прикреплять вложения
Вы не можете редактировать свои сообщения

BB коды Вкл.
Смайлы Вкл.
[IMG] код Вкл.
HTML код Выкл.
Trackbacks are Вкл.
Pingbacks are Вкл.
Refbacks are Выкл.



Часовой пояс GMT +3, время: 00:26.

Яндекс.Метрика Справочник 
сцбист.ру сцбист.рф

СЦБИСТ (ранее назывался: Форум СЦБистов - Railway Automation Forum) - крупнейший сайт работников локомотивного хозяйства, движенцев, эсцебистов, путейцев, контактников, вагонников, связистов, проводников, работников ЦФТО, ИВЦ железных дорог, дистанций погрузочно-разгрузочных работ и других железнодорожников.
Связь с администрацией сайта: admin@scbist.com
1 2 3 4 5 6 7 8 9 10 11 12 13 14 15 16 17 18 19 20 21 22 23 24 25 26 27 28 29 30 31 32 33 34 
Powered by vBulletin® Version 3.8.1
Copyright ©2000 - 2026, Jelsoft Enterprises Ltd.
Powered by NuWiki v1.3 RC1 Copyright ©2006-2007, NuHit, LLC Перевод: zCarot