СЦБИСТ - железнодорожный форум, блоги, фотогалерея, социальная сеть
Вернуться   СЦБИСТ - железнодорожный форум, блоги, фотогалерея, социальная сеть > Эксплуатация устройств СЦБ > Лаборатория СЦБ
Лаборатория СЦБ Делимся опытом по внедрению новых систем и устройств и вашими рацпредложениями
Закладки ДневникиПоддержка Сообщество Комментарии к фото Сообщения за день
Ответить в этой теме   Перейти в раздел этой темы   Translate to English    
 
Translate to English В мои закладки Подписка на тему по электронной почте Отправить другу по электронной почте Опции темы Поиск в этой теме
Старый 03.06.2011, 19:47   #1 (ссылка)
Crow indian
 
Аватар для Admin

Регистрация: 21.02.2009
Возраст: 40
Сообщений: 30,010
Поблагодарил: 398 раз(а)
Поблагодарили 5987 раз(а)
Фотоальбомы: 2576 фото
Записей в дневнике: 698
Репутация: 126089

Тема: Стенд для настройки, ремонта и проверки блока УЗА 24-20


Стенд для настройки, ремонта и проверки блока УЗА 24-20


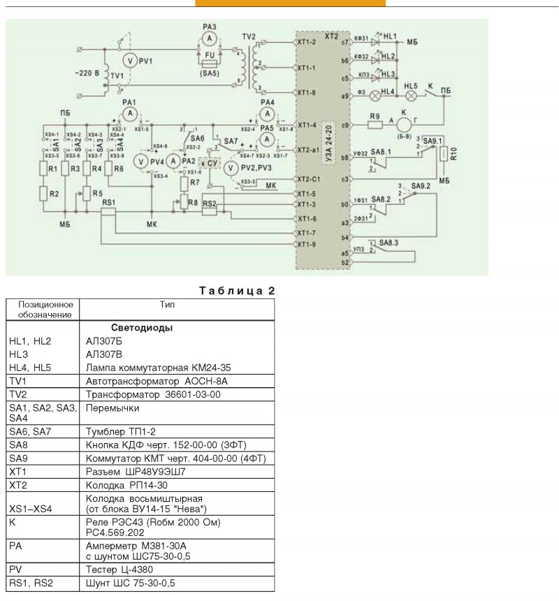
Для проверки блока УЗА 24-20 предлагается стенд, который отличается от указанного в "Инструкции по настройке УЗА-24" З6254-00-00И2. В нем значительно сокращено количество приборов и не требуются блок питания Б5-48, мощные, громоздкие выключатели и переключатели.

В стенде используются тестер Ц4З80, выносной амперметр МЗ81-З0А и электронный осциллограф-измеритель Fluke-123. Измерительные приборы подключаются к соответствующим гнездам на внешней панели стенда. В качестве источника питания применяется универсальный блок питания универсального стенда для испытания реле и дешифраторных ячеек СУ.

При настройке, ремонте и проверке блока УЗА-24 на стенде полностью соблюдается технология в соответствии с инструкцией.

Конструктивно стенд выполнен в корпусе выпрямительного устройства ВУ14/1,5, имеет небольшие размеры. Его масса без трансформатора TV2 не более семи килограмм. Принципиальная схема стенда приведена на рисунке, тип и номинальные значения элементов - в табл. 1 и 2.




Предлагаемый стенд позволяет отказаться от закупки заводского оборудования стоимостью 87 тыс. руб.

С.А. Ермышкин, А.Н. Кайманаков,
электромеханики КИПа Петров-Вальской дистанции Приволжской дороги
Admin вне форума   Цитировать 12
Похожие темы
Тема Автор Раздел Ответов Последнее сообщение
Стенд для проверки стрелочных электродвигателей Admin xx3 16 16.04.2015 13:37
Куплю стенд для проверки блоков БМРЦ iglud Купля-Продажа 2 01.08.2010 19:58
Указания о порядке замены, проверки и ремонта в РТУ устройств систем контроля КТСМ–01 и КТСМ–01Д Андрей13 КТСМ / ПОНАБ 1 26.07.2010 19:41
Диплом стенд для проверки датчиков импульсов Hrappi Курсовое и дипломное проектирование 0 24.05.2010 12:36
диплом. стенд для проверки акст. ищу информацию log_in Курсовое и дипломное проектирование 9 14.05.2010 13:30

Ответить в этой теме   Перейти в раздел этой темы   Translate to English

Возможно вас заинтересует информация по следующим меткам (темам):
, , , , ,


Здесь присутствуют: 1 (пользователей: 0 , гостей: 1)
 

Ваши права в разделе
Вы не можете создавать новые темы
Вы не можете отвечать в темах
Вы не можете прикреплять вложения
Вы не можете редактировать свои сообщения

BB коды Вкл.
Смайлы Вкл.
[IMG] код Вкл.
HTML код Выкл.
Trackbacks are Вкл.
Pingbacks are Вкл.
Refbacks are Выкл.



Часовой пояс GMT +3, время: 19:06.

Яндекс.Метрика Справочник 
сцбист.ру сцбист.рф

СЦБИСТ (ранее назывался: Форум СЦБистов - Railway Automation Forum) - крупнейший сайт работников локомотивного хозяйства, движенцев, эсцебистов, путейцев, контактников, вагонников, связистов, проводников, работников ЦФТО, ИВЦ железных дорог, дистанций погрузочно-разгрузочных работ и других железнодорожников.
Связь с администрацией сайта: admin@scbist.com
1 2 3 4 5 6 7 8 9 10 11 12 13 14 15 16 17 18 19 20 21 22 23 24 25 26 27 28 29 30 31 32 33 34 
Powered by vBulletin® Version 3.8.1
Copyright ©2000 - 2026, Jelsoft Enterprises Ltd.
Powered by NuWiki v1.3 RC1 Copyright ©2006-2007, NuHit, LLC Перевод: zCarot