СЦБИСТ - железнодорожный форум, блоги, фотогалерея, социальная сеть
Вернуться   СЦБИСТ - железнодорожный форум, блоги, фотогалерея, социальная сеть > Техника > Уголок радиолюбителя > Измерительные приборы
Закладки ДневникиПоддержка Сообщество Комментарии к фото Сообщения за день
Ответить в этой теме   Перейти в раздел этой темы    
 
В мои закладки Подписка на тему по электронной почте Отправить другу по электронной почте Опции темы Поиск в этой теме
Старый 13.06.2015, 11:46   #1 (ссылка)
Crow indian
 
Аватар для Admin

Регистрация: 21.02.2009
Возраст: 40
Сообщений: 30,062
Поблагодарил: 398 раз(а)
Поблагодарили 5988 раз(а)
Фотоальбомы: 2580 фото
Записей в дневнике: 698
Репутация: 126089

Тема: Зарядная приставка для мультиметра


Зарядная приставка для мультиметра


Е. ГЕРАСИМОВ, станица Выселки Краснодарского края

Использование для питания мультиметра никель-металлгидридного аккумулятора с преобразователем [1] позволяет существенно сэкономить на довольно дорогих элементах питания. Однако аккумулятор время от времени всё же приходится заряжать. Для зарядки аккумуляторов разработано много устройств, но большинство из них весьма сложны вследствие своей универсальности. Кроме того, за некоторыми необходим постоянный контроль, поскольку при их эксплуатации не исключена перезарядка аккумулятора, приводящая к его перегреву и снижению срока службы.

Во многих случаях вполне можно обойтись простой приставкой, питаемой от зарядного устройства (ЗУ) мобильного телефона. Как правило, ЗУ представляет собой довольно мощный и малогабаритный, а в большинстве моделей даже стабилизированный источник питания, снабжённый защитой по току, потребляемому нагрузкой. Большую часть времени ЗУ обычно лежит без дела, и имеет смысл найти ему дополнительное применение.
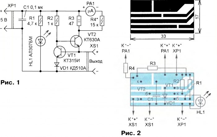
Предлагаемая приставка представляет собой стабилизатор напряжения и собрана на двух транзисторах. Сначала ток зарядки разряженного аккумулятора постоянный, а затем, по мере зарядки, уменьшается по закону, близкому к экспоненциальному [2], и при полной зарядке аккумулятора ограничивается на безопасном уровне. Приставка рассчитана на питание от ЗУ для телефона FLY со стабилизированным выходным напряжением 5 В. Разумеется, подойдут и ЗУ других телефонов. Схема приставки показана на рис. 1.

На транзисторе VT2 собран регулирующий элемент, на транзисторе VT1 — управляющий. Напряжение стабилизации определяется суммой падения напряжения на диоде VD1 и на эмиттер-ном переходе транзистора VT1, что позволяет обойтись без резистивного делителя на выходе приставки. С указанными на схеме элементами выходное напряжение приблизительно равно 1,25... 1,3 В. В небольших пределах его можно изменить, используя диоды других типов. Кроме того, на выходное напряжение влияет ток через резистор R2.


Для ограничения тока зарядки служит резистор R3. Применение резистора обусловлено его более высокой надёжностью по сравнению с транзистором. К тому же в случае выхода резистора из строя аккумулятор оказывается практически отключённым от ЗУ. При указанном на схеме сопротивлении резистора R3 выходной ток приставки ограничен на уровне примерно 100 мА.

Работает приставка так: при подаче питания, если аккумулятор разряжен, транзистор VT1 закрыт. Резистор R2 определяет ток базы транзистора VT2, который находится в состоянии насыщения, а выходной ток приставки определяется сопротивлением резистора R3. По мере зарядки аккумулятора напряжение на базе транзистора VT1 увеличивается и он начинает открываться. При этом транзистор VT2 сначала выходит из насыщения, а затем постепенно закрывается, обеспечивая "экспоненциальную" выходную характеристику приставки.

При полностью заряженном аккумуляторе транзистор VT2 закрыт, ток резистора R2 протекает через открытый транзистор VT1 и диод VD1. Последнее обстоятельство накладывает некоторые ограничения на эксплуатацию приставки с разными ЗУ. Дело в том, что многие ЗУ, особенно дешёвых моделей, могут иметь разброс по напряжению от 4,6 до 9 В, т. е. почти в два раза. В этом случае выходное напряжение приставки может колебаться от 1,2 до 1,5 В, что, конечно же, недопустимо. Также может существенно изменяться зарядный ток. В этом случае резистор R2 нужно заменить генератором тока (примерно 3...5 мА), например, на полевом транзисторе. Остальные элементы особых пояснений не требуют: резистор R1 и светодиод HL1 служат для контроля напряжения питания (многие ЗУ его не имеют), резистор R4 и микроамперметр РА1 — для контроля тока и степени зарядки аккумулятора.

В приставке применены резисторы МЛТ, кроме резистора R3, — он импортный мощностью 2 Вт. Вместо КТ315И (VT1) можно использовать любые транзисторы серий КТ315, КТ3102, а вместо КТ630А (VT2) — любые серии КТ630 и мощные КТ815, КТ817. В измерителе тока применён индикатор уровня записи М88501 с током полного отклонения 300 мкА от магнитофона. Шкалу микроамперметра градуируют, подбирая резистор R4. Конечное деление шкалы соответствует току 100 мА. Разъём XS1 может быть любым, разъём ХР1 придётся подобрать аналогичный разъёму телефона или ЗУ. Все детали приставки смонтированы на печатной плате из фольги-рованного с одной стороны стеклотекстолита, чертёж которой представлен на рис. 2. Плата изготовлена методом вырезания проводников скальпелем или резаком. Она размещена в корпусе, склеенном из полистирола толщиной 3 мм, его внешний вид показан на рис. 3.


Налаживание приставки производят в следующем порядке: на вход приставки подают питание и проверяют напряжение на её выходе. Оно должно быть около 1,3 В. Разумеется, должен светиться светодиод HL1. Если напряжение сильно отличается от указанного, можно попробовать подобрать вместо
КД510А диоды других серий или подобрать резистор R2. Затем выход приставки замыкают амперметром на ток 1 А. Если ток зарядки слишком велик, можно увеличить сопротивление резистора R3. Затем подбором резистора R4 устанавливают стрелку микроамперметра РА1 на конечное деление и градуируют шкалу.

Необходимо отметить, что шкала применённого микроамперметра М88501 нелинейная, поэтому погрешность измерения может достигать 10...12 %. Поскольку микроамперметр используется, скорее, как индикатор зарядки
аккумулятора, можно вообще отказаться от числовой градуировки, заменив её цветовой: участок между нулевым и первым делениями шкалы (рис. 3) закрашивают зелёным цветом, между отметками 70 и 100 мА — красным, остальную часть шкалы — жёлтым. Следует отметить, что подобные приборы выпускались с самыми разными шкалами, в том числе в виде цветных секторов или постепенно расширяющейся полосы. В подобных случаях удобно использовать уже имеющуюся шкалу, просто переписав на ней цифры или закрасив уже готовые участки.

Приставка эксплуатируется уже более года совместно с преобразователем [1] и ни разу не вызвала никаких нареканий.

ЛИТЕРАТУРА

1. Герасимов Е. Преобразователь для питания цифрового мультиметра. — Радио, 2014, №9, с. 20,21.

2. Дорофеев М. Вариант зарядного устройства. — Радио, 1993, № 2, с. 12, 13.
Admin вне форума   Цитировать 12
Похожие темы
Тема Автор Раздел Ответов Последнее сообщение
Приставка к мегаомметру Admin xx3 7 16.03.2017 20:08
Сопряжение с компьютером цифрового мультиметра серии 830 Admin Измерительные приборы 0 30.05.2015 17:55
Мегомметр — приставка к мультиметру Admin Измерительные приборы 0 30.05.2015 09:10
Приставка сварочная ПС15 Admin Wiki 0 27.11.2011 10:19
Приставка для проверки реле РНП Admin xx3 0 29.05.2011 07:57

Ответить в этой теме   Перейти в раздел этой темы   Translate to English


Здесь присутствуют: 1 (пользователей: 0 , гостей: 1)
 

Ваши права в разделе
Вы не можете создавать новые темы
Вы не можете отвечать в темах
Вы не можете прикреплять вложения
Вы не можете редактировать свои сообщения

BB коды Вкл.
Смайлы Вкл.
[IMG] код Вкл.
HTML код Выкл.
Trackbacks are Вкл.
Pingbacks are Вкл.
Refbacks are Выкл.



Часовой пояс GMT +3, время: 09:03.

Яндекс.Метрика Справочник 
сцбист.ру сцбист.рф

СЦБИСТ (ранее назывался: Форум СЦБистов - Railway Automation Forum) - крупнейший сайт работников локомотивного хозяйства, движенцев, эсцебистов, путейцев, контактников, вагонников, связистов, проводников, работников ЦФТО, ИВЦ железных дорог, дистанций погрузочно-разгрузочных работ и других железнодорожников.
Связь с администрацией сайта: admin@scbist.com
1 2 3 4 5 6 7 8 9 10 11 12 13 14 15 16 17 18 19 20 21 22 23 24 25 26 27 28 29 30 31 32 33 34 
Powered by vBulletin® Version 3.8.1
Copyright ©2000 - 2026, Jelsoft Enterprises Ltd.
Powered by NuWiki v1.3 RC1 Copyright ©2006-2007, NuHit, LLC Перевод: zCarot