СЦБИСТ - железнодорожный форум, блоги, фотогалерея, социальная сеть
Вернуться   СЦБИСТ - железнодорожный форум, блоги, фотогалерея, социальная сеть > Техника > Уголок радиолюбителя > Измерительные приборы
Закладки ДневникиПоддержка Сообщество Комментарии к фото Сообщения за день
Ответить в этой теме   Перейти в раздел этой темы    
 
В мои закладки Подписка на тему по электронной почте Отправить другу по электронной почте Опции темы Поиск в этой теме
Старый 06.06.2015, 22:21   #1 (ссылка)
Crow indian
 
Аватар для Admin

Регистрация: 21.02.2009
Возраст: 40
Сообщений: 30,231
Поблагодарил: 398 раз(а)
Поблагодарили 6028 раз(а)
Фотоальбомы: 2622 фото
Записей в дневнике: 897
Репутация: 126146

Тема: Формирователь импульсов для калибровки тахометра


Формирователь импульсов для калибровки тахометра


Н. ЭЛЬМАНОВИЧ, г. Москва

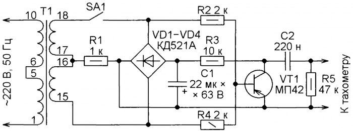
Простой формирователь прямоугольных импульсов, работающий от бытовой электросети переменного тока 50 Гц, был описан в [1]. Там достаточно подробно рассказано о принципе его работы и приведены временные диаграммы получаемых на выходе импульсов. В журнале "Катера и яхты" было рекомендовано использовать такой формирователь взамен генератора стандартных сигналов и частотомера при проверке и калибровке бесконтактных электронных тахометров для подвесных лодочных двигателей, схемы которых были в своё время опубликованы в [2, 3]. Калибровка при этом была возможна только на одной частоте 50 Гц, что соответствует частоте вращения вала одноцилиндрового двухтактного подвесного двигателя 3000 мин Схема усовершенствованного мною формирователя изображена на рисунке. Он позволяет проверять и калибровать электронный тахометр на двух частотах (50 Гц и 100 Гц), что позволяет повысить точность измерения частоты вращения. Это обеспечивается гарантированной погрешностью поддержания частоты переменного тока в городской электросети ±0,4 % (согласно п. 5.6 [4]) и применением в тахометре стрелочной измерительной головки класса 1,5. Имеющиеся в продаже электронные тахометры обладают только десятипроцентной точностью.


Усовершенствованный формирователь отличается от исходного тем, что на базу транзистора VT1 через резисторы R2 и R4 поступает пульсирующее напряжение от выпрямителя на диодах
VD1 —VD4, питающегося от обмотки трансформатора Т1 со средним выводом. При разомкнутых контактах выключателя SA1 выпрямитель однопо-лупериодный и выходные импульсы следуют с частотой 50 Гц (3000 мин-1), а при замкнутых он двухполупериод-ный, а частота импульсов — 100 Гц (6000 мин-1). Дифференцирующая цепь C2R5 позволяет получить на выходе не прямоугольные, а остроконечные импульсы, по форме подобные снимаемым с высоковольтного провода системы зажигания двигателя.

Устройство просто в изготовлении, не содержит никаких дефицитных радиоэлементов и не требует налажива-
ния. В качестве Т1 применён унифицированный броневой трансформатор питания ТПП236-127/220-50. Он может быть заменён другим габаритной мощностью не менее 9 В А с двумя вторичными обмотками на 15...20 В или с одной вторичной обмоткой на удвоенное напряжение, имеющей отвод от середины. Транзистор VT1 может быть любым из серий МП25, МП26 или современным маломощным транзистором структуры р-п-р с допустимым напряжением коллектор—эмиттер не менее 60 В. Можно применить и транзистор структуры п-р-п, но в этом случае следует изменить полярность включения диодов и оксидного конденсатора С1.

В добавление к сказанному я рекомендую применять в тахометрах именно стрелочный индикатор, который, в отличие от цифрового, адекватно отображает динамику изменений частоты вращения вала двигателя.

ЛИТЕРАТУРА

1. Лезин А. Приставка для получения прямоугольных импульсов. — Радио, 1971, № 1, с. 51.

2. Егоров М. Электронный тахометр, пригодный для любого двигателя. — Катера и яхты, 1973, № 4, с. 66—68.

3. Беляцкий Ю., Савин И. Электронный тахометр с растянутыми диапазонами. — Катера и яхты, 1981, № 1, с. 52—55.

4. Межгосударственный стандарт ГОСТ 13109—97. Нормы качества электрической энергии в системах электроснабжения общего назначения. — URL: http://so-ups.ru/ fileadmin/files/company/r-n-tpolitics/ frequency/specdocs/sto_standard/ GOST 13109-97.pdf (23.10.14).
Admin вне форума   Цитировать 14
Похожие темы
Тема Автор Раздел Ответов Последнее сообщение
Схема формирователя импульсов педалей katherine91 Поиск документации 0 26.12.2012 18:49
Датчик импульсов ДИМ-1,2 oskar74 Ищу/Предлагаю 8 22.08.2012 18:17
Датчик импульсов ДИМ-1,2 oskar74 Курсовое и дипломное проектирование 0 13.12.2011 21:34
Диплом стенд для проверки датчиков импульсов Hrappi Курсовое и дипломное проектирование 0 24.05.2010 11:36
ФС-ЕН (формирователь сигналов локомотивной сигнализации) СЦБист Приборы и напольное оборудование 0 02.03.2009 18:32

Ответить в этой теме   Перейти в раздел этой темы   Translate to English

Возможно вас заинтересует информация по следующим меткам (темам):
,


Здесь присутствуют: 1 (пользователей: 0 , гостей: 1)
 

Ваши права в разделе
Вы не можете создавать новые темы
Вы не можете отвечать в темах
Вы не можете прикреплять вложения
Вы не можете редактировать свои сообщения

BB коды Вкл.
Смайлы Вкл.
[IMG] код Вкл.
HTML код Выкл.
Trackbacks are Вкл.
Pingbacks are Вкл.
Refbacks are Выкл.



Часовой пояс GMT +3, время: 18:59.

Яндекс.Метрика Справочник 
сцбист.ру сцбист.рф

СЦБИСТ (ранее назывался: Форум СЦБистов - Railway Automation Forum) - крупнейший сайт работников локомотивного хозяйства, движенцев, эсцебистов, путейцев, контактников, вагонников, связистов, проводников, работников ЦФТО, ИВЦ железных дорог, дистанций погрузочно-разгрузочных работ и других железнодорожников.
Связь с администрацией сайта: admin@scbist.com
1 2 3 4 5 6 7 8 9 10 11 12 13 14 15 16 17 18 19 20 21 22 23 24 25 26 27 28 29 30 31 32 33 34 
Powered by vBulletin® Version 3.8.1
Copyright ©2000 - 2026, Jelsoft Enterprises Ltd.
Powered by NuWiki v1.3 RC1 Copyright ©2006-2007, NuHit, LLC Перевод: zCarot