СЦБИСТ - железнодорожный форум, блоги, фотогалерея, социальная сеть
Ушел из жизни Крупицкий Адольф Зельманович
6 февраля 2026 года ушел из жизни Крупицкий Адольф Зельманович, более шести десятков лет проработавший в институте «Гипротранссигналсвязь». Всю свою трудовую деятельность А.З. Крупицкий посвятил проектному делу. После окончанию обучения в Ленинградском институте инженеров железнодорожного транспорта в 1959 году начал свою профессиональную деятельность в качестве старшего электромеханика дистанции сигнализации и связи на Казахской железной дороге. В 1960 году пришел на работу в институт на должность инженера, работал руководителем группы, главным инженером проектов.

Читать далее
Вернуться   СЦБИСТ - железнодорожный форум, блоги, фотогалерея, социальная сеть > Обратная связь, новости, СМИ > ЦШ ОАО "РЖД" - обратная связь
Закладки ДневникиПоддержка Сообщество Комментарии к фото Сообщения за день
Ответить в этой теме   Перейти в раздел этой темы    
 
В мои закладки Подписка на тему по электронной почте Отправить другу по электронной почте Опции темы Поиск в этой теме
Старый 10.10.2015, 20:18   #151 (ссылка)
Кандидат в V.I.P.
 
Аватар для MediaGet

Регистрация: 30.07.2015
Сообщений: 446
Поблагодарил: 13 раз(а)
Поблагодарили 110 раз(а)
Фотоальбомы: не добавлял
Репутация: 74
Цитата:
Сообщение от Старик Хоттабыч Посмотреть сообщение
ПРИНЯТО...
не ПРИНЯТО.
для каждого обьекта существует своя система питания исходя из некой целесообразности, в том числе и экономической.
а что там было на порядок совершеннее и качественнее надо еще посмотреть
MediaGet вне форума   Цитировать 0
Старый 10.10.2015, 20:50   #152 (ссылка)
Super V.I.P.
 
Аватар для Скиталец

Регистрация: 27.09.2011
Адрес: Самара
Возраст: 72
Сообщений: 3,678
Поблагодарил: 835 раз(а)
Поблагодарили 789 раз(а)
Фотоальбомы: не добавлял
Цитата:
а что там было на порядок совершеннее и качественнее надо еще посмотреть
ВАК-13Б - верх совершенства! Куда там до него примитивному селеновому БВ-24/2,5....

Последний раз редактировалось Скиталец; 10.10.2015 в 20:55.
Скиталец вне форума   Цитировать 0
Старый 10.10.2015, 20:53   #153 (ссылка)
Кандидат в V.I.P.
 
Аватар для MediaGet

Регистрация: 30.07.2015
Сообщений: 446
Поблагодарил: 13 раз(а)
Поблагодарили 110 раз(а)
Фотоальбомы: не добавлял
Репутация: 74
Цитата:
Сообщение от Скиталец Посмотреть сообщение
...Куда там до него примитивному БВ-24/2,5....
БВ-24/2,5 гадость редкосная
MediaGet вне форума   Цитировать 0
Старый 10.10.2015, 20:58   #154 (ссылка)
Super V.I.P.
 
Аватар для Скиталец

Регистрация: 27.09.2011
Адрес: Самара
Возраст: 72
Сообщений: 3,678
Поблагодарил: 835 раз(а)
Поблагодарили 789 раз(а)
Фотоальбомы: не добавлял
Да. Без аккумуляторной батареи работать не желает.
Скиталец вне форума   Цитировать 0
Старый 10.10.2015, 21:00   #155 (ссылка)
Кандидат в V.I.P.
 
Аватар для A нас рать!

Регистрация: 11.10.2014
Сообщений: 188
Поблагодарил: 9 раз(а)
Поблагодарили 18 раз(а)
Фотоальбомы: не добавлял
Репутация: -2
Цитата:
Сообщение от Скиталец Посмотреть сообщение
Как я могу что-то иметь против связи? Просто Евгений002 предлагает систему питания, которая использовалась еще нашими дедами для питания электромеханических АТС и прочих примитивнейших устройств.
А механические ваабще без питания могли обходится !
A нас рать! вне форума   Цитировать 0
Старый 10.10.2015, 21:02   #156 (ссылка)
Кандидат в V.I.P.
 
Аватар для MediaGet

Регистрация: 30.07.2015
Сообщений: 446
Поблагодарил: 13 раз(а)
Поблагодарили 110 раз(а)
Фотоальбомы: не добавлял
Репутация: 74
Цитата:
Сообщение от Скиталец Посмотреть сообщение
Да. Без аккумуляторной батареи работать не желает.
да-да-да.
нам такие дрова ни чему

MediaGet добавил 10.10.2015 в 21:02
Цитата:
Сообщение от A нас рать! Посмотреть сообщение
А механические ваабще без питания могли обходится !

Последний раз редактировалось MediaGet; 10.10.2015 в 21:02. Причина: Добавлено сообщение
MediaGet вне форума   Цитировать 0
Старый 10.10.2015, 21:10   #157 (ссылка)
Super V.I.P.
 
Аватар для Евгений002

Регистрация: 05.04.2009
Адрес: Ямал
Возраст: 69
Сообщений: 4,370
Поблагодарил: 402 раз(а)
Поблагодарили 655 раз(а)
Фотоальбомы: не добавлял
Репутация: 600
Цитата:
Сообщение от Скиталец Посмотреть сообщение
Как я могу что-то иметь против связи? Просто Евгений002 предлагает систему питания, которая использовалась еще нашими дедами для питания электромеханических АТС и прочих примитивнейших устройств. Электропитающие установки Домов связи и тогда еще были на порядок совершеннее и качественнее, чем ЭПУ СЦБ.
Тогда объясните тупому СЦБисту, нахрена сохранять электропитание СМК-30 от 220В при наличии питания этой аппаратуры от =48В от АКБ в "буфере" от NTX, если от 220В прилетает всё, что угодно и палит СМК, а от =48В есть варианты, что импульсы перенапряжения из внешней сети погасим акк. бат. и платы СМК убережет? Аналогично для РС-46М.
Евгений002 вне форума   Цитировать 0
Старый 10.10.2015, 21:13   #158 (ссылка)
Кандидат в V.I.P.
 
Аватар для MediaGet

Регистрация: 30.07.2015
Сообщений: 446
Поблагодарил: 13 раз(а)
Поблагодарили 110 раз(а)
Фотоальбомы: не добавлял
Репутация: 74
Цитата:
Сообщение от Евгений002 Посмотреть сообщение
...нахрена сохранять электропитание СМК-30 от 220В ..если от 220В прилетает всё, что угодно и палит СМК....
если аппаратура правильно заземлена, стоят разрядники и выравниватели, фильтры по питанию, то ничо не спалится
MediaGet вне форума   Цитировать 0
Старый 10.10.2015, 21:15   #159 (ссылка)
Super V.I.P.
 
Аватар для Евгений002

Регистрация: 05.04.2009
Адрес: Ямал
Возраст: 69
Сообщений: 4,370
Поблагодарил: 402 раз(а)
Поблагодарили 655 раз(а)
Фотоальбомы: не добавлял
Репутация: 600
Цитата:
Сообщение от MediaGet Посмотреть сообщение
если аппаратура правильно заземлена, стоят разрядники и выравниватели, фильтры по питанию, то ничо не спалится
Вы до сих пор верите, что наша грозозащита не мало эффективна?
Евгений002 вне форума   Цитировать 0
Старый 10.10.2015, 21:18   #160 (ссылка)
Кандидат в V.I.P.
 
Аватар для MediaGet

Регистрация: 30.07.2015
Сообщений: 446
Поблагодарил: 13 раз(а)
Поблагодарили 110 раз(а)
Фотоальбомы: не добавлял
Репутация: 74
Цитата:
Сообщение от Евгений002 Посмотреть сообщение
Вы до сих пор верите, что наша грозозащита не мало эффективна?
мы адепты секты свидетелей грозозащиты
MediaGet вне форума   Цитировать 0
Старый 10.10.2015, 21:21   #161 (ссылка)
Super V.I.P.
 
Аватар для Скиталец

Регистрация: 27.09.2011
Адрес: Самара
Возраст: 72
Сообщений: 3,678
Поблагодарил: 835 раз(а)
Поблагодарили 789 раз(а)
Фотоальбомы: не добавлял
Цитата:
механические ваабще без питания могли обходится
И такие были? Бида, стыд мне и позор!
Скиталец вне форума   Цитировать 0
Старый 10.10.2015, 21:25   #162 (ссылка)
Super V.I.P.
 
Аватар для Евгений002

Регистрация: 05.04.2009
Адрес: Ямал
Возраст: 69
Сообщений: 4,370
Поблагодарил: 402 раз(а)
Поблагодарили 655 раз(а)
Фотоальбомы: не добавлял
Репутация: 600
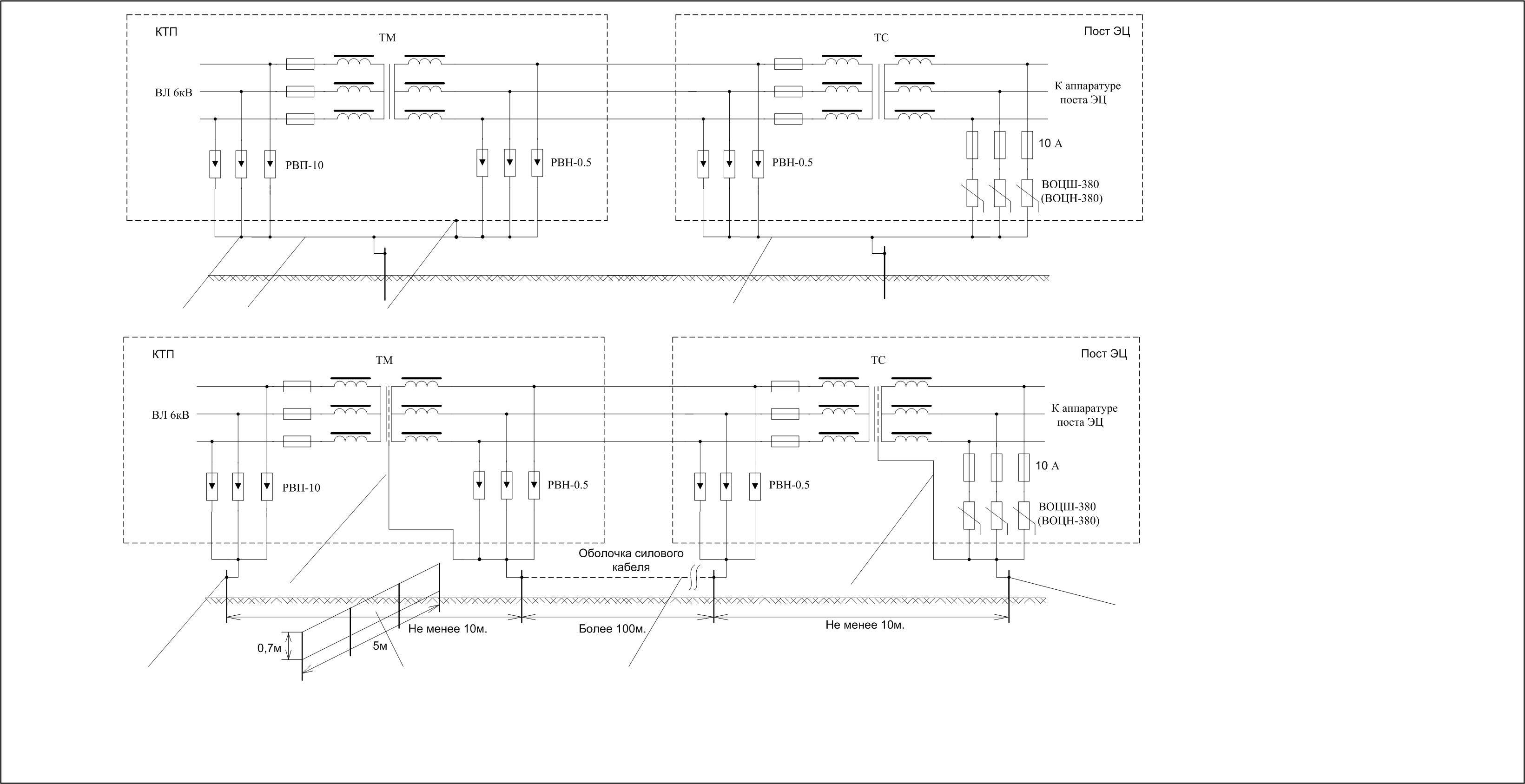
Первая ступень грозозащиты у ЭЧ на ВЛ-10КВ-это РВП, размером с десятки см, 2я наша ступень грозозащиты-это разрядники и выравниватели с размером в мм, так пока эти см, мм девайсы сработают-нанометровые p-n переходы микросхем и МП 10 раз пробьёт, тока об этом редко говорят, выгодно, чтобы мы мы эти импортные чечки покупали и устанавливали.
Евгений002 вне форума   Цитировать 0
Старый 10.10.2015, 21:27   #163 (ссылка)
Super V.I.P.
 
Аватар для Скиталец

Регистрация: 27.09.2011
Адрес: Самара
Возраст: 72
Сообщений: 3,678
Поблагодарил: 835 раз(а)
Поблагодарили 789 раз(а)
Фотоальбомы: не добавлял
Цитата:
Тогда объясните тупому СЦБисту, нахрена сохранять электропитание СМК-30 от 220В
Почему сразу тупой? Не надо себя так называть. СМК - наверняка клон какой-то буржуйской примочки. А буржуям невдомек, что сеть АС 220 V может выдавать такие глюки. И - неужели не в ваших силах перевести эти нежные аппараты на питание от 48 Вольт? Надеюсь, восстановление NTX обходится дешевле.
Скиталец вне форума   Цитировать 0
Старый 10.10.2015, 21:31   #164 (ссылка)
Super V.I.P.
 
Аватар для Евгений002

Регистрация: 05.04.2009
Адрес: Ямал
Возраст: 69
Сообщений: 4,370
Поблагодарил: 402 раз(а)
Поблагодарили 655 раз(а)
Фотоальбомы: не добавлял
Репутация: 600
Цитата:
Сообщение от Скиталец Посмотреть сообщение
Почему сразу тупой? Не надо себя так называть. СМК - наверняка клон какой-то буржуйской примочки. А буржуям невдомек, что сеть АС 220 V может выдавать такие глюки. И - неужели не в ваших силах перевести эти нежные аппараты на питание от 48 Вольт? Надеюсь, восстановление NTX обходится дешевле.
Таки я о таких советах и хотел услышать мнение коллег.
Евгений002 вне форума   Цитировать 0
Старый 10.10.2015, 21:32   #165 (ссылка)
Кандидат в V.I.P.
 
Аватар для MediaGet

Регистрация: 30.07.2015
Сообщений: 446
Поблагодарил: 13 раз(а)
Поблагодарили 110 раз(а)
Фотоальбомы: не добавлял
Репутация: 74
Цитата:
Сообщение от Евгений002 Посмотреть сообщение
Первая ступень грозозащиты у ЭЧ на ВЛ-10КВ-это РВП, размером с десятки см, 2я наша ступень грозозащиты-это разрядники и выравниватели с размером в мм, так пока эти см, мм девайсы сработают-нанометровые p-n переходы микросхем и МП 10 раз пробьёт, тока об этом редко говорят, выгодно, чтобы мы мы эти импортные чечки покупали и устанавливали.


сравните как должна заземляться аппаратура СЦБ согласно РУ-90 и согласно новых правил
MediaGet вне форума   Цитировать 0
Похожие темы
Тема Автор Раздел Ответов Последнее сообщение
Щиты выключения питания типов ЩВП – 73, ЩВПУ и ЩВПУ1 mishascb Устройства электропитания и ДГА 113 13.09.2021 19:34
[10-2013] Проблемы пожарной безопасности устройств ЖАТ Admin xx3 0 28.11.2013 11:17
[Статья] Системы питания устройств СЦБ Толян Статьи по СЦБ 1 15.11.2010 18:42
Автоматическая система переключения питания светофоров (АСППС) - что за зверь? Admin Разговоры обо всем 1 14.10.2010 20:00
Ищу увязку устройств бесперебойного питания с панелями ПВ2-ЭЦ и ПВ-ЭЦК MikeG Поиск документации 0 11.02.2010 14:58

Ответить в этой теме   Перейти в раздел этой темы   Translate to English

Возможно вас заинтересует информация по следующим меткам (темам):
, , , , , , , , , , , ,


Здесь присутствуют: 1 (пользователей: 0 , гостей: 1)
 

Ваши права в разделе
Вы не можете создавать новые темы
Вы не можете отвечать в темах
Вы не можете прикреплять вложения
Вы не можете редактировать свои сообщения

BB коды Вкл.
Смайлы Вкл.
[IMG] код Вкл.
HTML код Выкл.
Trackbacks are Вкл.
Pingbacks are Вкл.
Refbacks are Выкл.



Часовой пояс GMT +3, время: 22:55.

Яндекс.Метрика Справочник 
сцбист.ру сцбист.рф

СЦБИСТ (ранее назывался: Форум СЦБистов - Railway Automation Forum) - крупнейший сайт работников локомотивного хозяйства, движенцев, эсцебистов, путейцев, контактников, вагонников, связистов, проводников, работников ЦФТО, ИВЦ железных дорог, дистанций погрузочно-разгрузочных работ и других железнодорожников.
Связь с администрацией сайта: admin@scbist.com
1 2 3 4 5 6 7 8 9 10 11 12 13 14 15 16 17 18 19 20 21 22 23 24 25 26 27 28 29 30 31 32 33 34 
Powered by vBulletin® Version 3.8.1
Copyright ©2000 - 2026, Jelsoft Enterprises Ltd.
Powered by NuWiki v1.3 RC1 Copyright ©2006-2007, NuHit, LLC Перевод: zCarot